GK330 ЦЕПНАЯ ПИЛА Type 1 | Чертежи
Документы
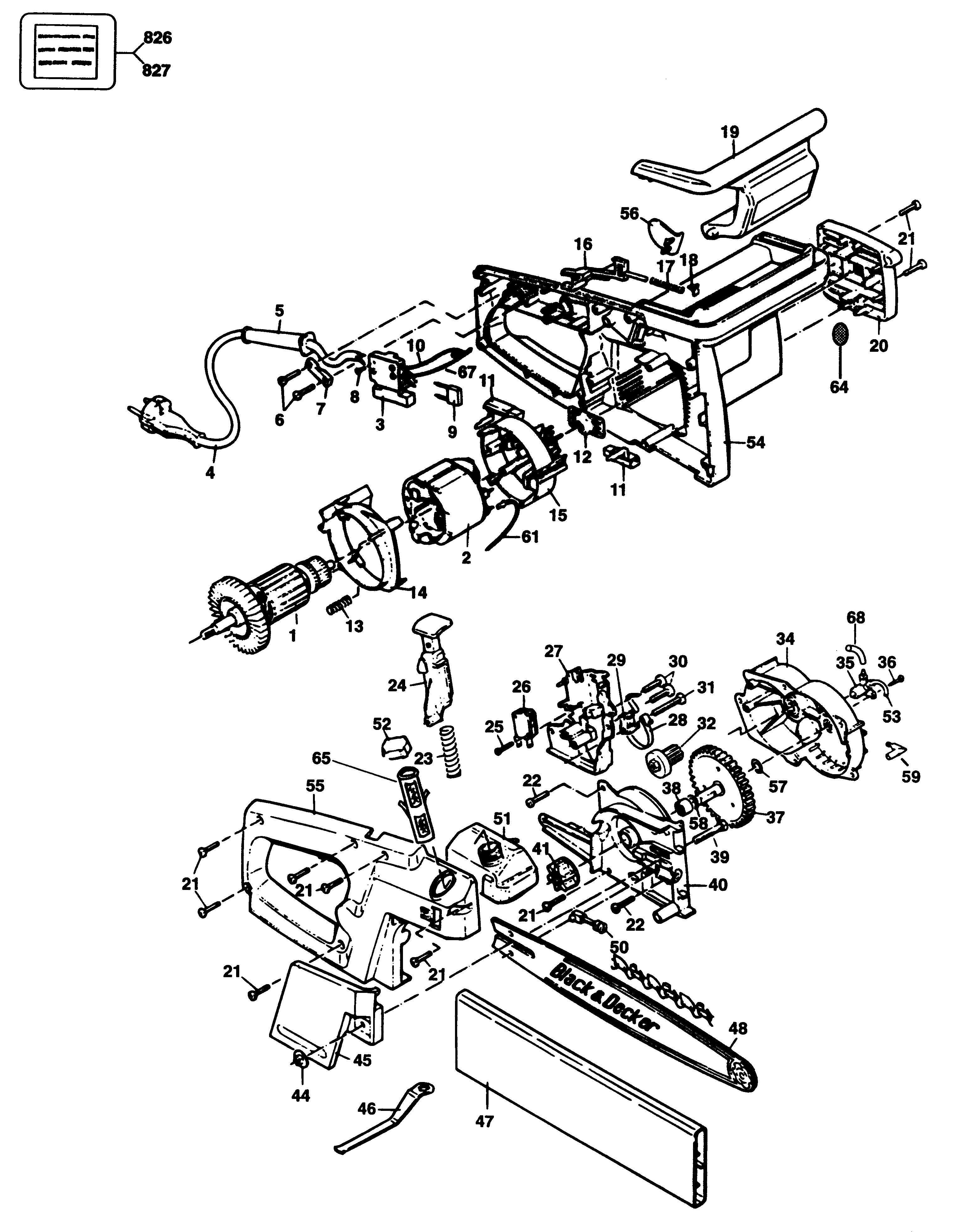
Пожалуйста, просмотрите ниспадающее меню, так как для некоторых продуктов может быть приведено несколько рисунков
| Item No. | Product Number | Qty Per | Product Description | ДОП. ОПИСАНИЕ | Other Info | Markets | Product Status |
|---|---|---|---|---|---|---|---|
| 1 | NLS | 1 | НЕ СТРУКТУРИРОВАННЫЙ | DE | |||
| 1 | 368817-01 | 1 | ARMATURE 240V | GB TYPE D1-D2-D3 | DE | ![]() |
|
| 2 | 369052-02 | 1 | СТАТОР | 240 volt | GB TYPE D1-D2-D3 | DE | |
| 2 | 327429-10 | 1 | СТАТОР 230В | DE | ![]() |
||
| 3 | 323631-00 | 1 | ВЫКЛЮЧАТЕЛЬ | DE | |||
| 4 | 324438-01 | 1 | КОМПЛЕКТ ПРОВОДОВ (ЕВРОПА) | DE | |||
| 4 | 330048-52 | 1 | CORDSET (SPLASH) | GB TYPE D1-D2-D3 | DE | ![]() |
|
| 5 | 859013 | 1 | ЗАЩИТНОЕ УСТРОЙСТВО | DE | |||
| 6 | 954567 | 2 | ВИНТ | DE | |||
| 7 | 302002 | 1 | ЗАЖИМ КАБЕЛЯ | DE | |||
| 8 | 734892 | 4 | ВИНТ | DE | |||
| 9 | 321384 | 1 | КОНДЕНСАТОР | DE | ![]() |
||
| 11 | 370983-02 | 2 | ЩЁТКА И ДЕРЖАТЕЛЬ 230В | DE | |||
| 12 | 853685 | 1 | РАДИАТОР В СБОРЕ | DE | ![]() |
||
| 13 | 853710 | 2 | ПРУЖИНА | DE | |||
| 14 | 853711 | 1 | ОПОРА | DE | |||
| 15 | 323855-00 | 1 | ОПОРА | TYPE D2-D3 | DE | ![]() |
|
| 16 | 842564 | 1 | КНОПКА ОТПИРАНИЯ | DE | |||
| 17 | 736928 | 1 | ПРУЖИНА | DE | |||
| 18 | 325701-00 | 1 | ЗАЖИМ | DE | |||
| 19 | 736735 | 1 | РЫЧАГ | DE | |||
| 20 | 323462-04 | 1 | ТОРЦЕВАЯ КРЫШКА | TYPE D2-D3 | DE | ||
| 21 | 954567 | 9 | ВИНТ | DE | |||
| 22 | 954183 | 2 | ВИНТ | DE | |||
| 23 | 842771 | 1 | ПРУЖИНА | DE | |||
| 24 | 842912-01 | 1 | РЫЧАГ | DE | |||
| 25 | 809986-00 | 1 | ВИНТ | DE | |||
| 26 | 323341-02 | 1 | ВЫКЛЮЧАТЕЛЬ | DE | |||
| 27 | 325718-00 | 1 | ПЛАСТИНА В СБОРЕ | DE | |||
| 28 | 842565 | 1 | ЛЕНТОЧНЫЙ ТОРМОЗ | DE | |||
| 29 | 840774 | 1 | ВСТАВКА | DE | |||
| 30 | 893444 | 2 | ВИНТ | DE | |||
| 31 | 750950 | 1 | ВИНТ | DE | |||
| 32 | 325381-00 | 1 | ШЕСТЕРНЯ В СБОРЕ | DE | ![]() |
||
| 34 | 323657-01 | 1 | КОРПУС ПОДШИПНИКА | DE | |||
| 35 | 323546-00 | 1 | НАСОС | DE | |||
| 36 | 870702 | 2 | ВИНТ | DE | |||
| 37 | 323449-01 | 1 | ШЕСТЕРНЯ | DE | ![]() |
||
| 38 | 330004-06 | 1 | ИГОЛЬЧАТЫЙ ПОДШИПНИК | DE | ![]() |
||
| 40 | 323957-00 | 1 | ОТЛИВКА В СБОРЕ | DE | |||
| 41 | N542284 | 1 | ЦЕПНОЕ КОЛЕСО | DE | ![]() |
||
| 41 | N542284 | 1 | ЦЕПНОЕ КОЛЕСО | DE | ![]() |
||
| 44 | 885628 | 1 | ГАЙКА | DE | |||
| 45 | 853736-02 | 1 | КРЫШКА | DE | |||
| 46 | 325194-00 | 1 | ГАЕЧНЫЙ КЛЮЧ | DE | ![]() |
||
| 47 | 376587-02 | 1 | НОЖНЫ | DE | ![]() |
||
| 50 | 843666-49 | 1 | РЕГУЛИРОВОЧНОЕ ПРИСПОСОБЛЕНИЕ В СБОРЕ | DE | ![]() |
||
| 51 | 323458-01 | 1 | РЕЗЕРВУАР В СБОРЕ | DE | |||
| 52 | 853697 | 1 | КОЛПАЧОК | DE | |||
| 53 | 323644-00 | 1 | ШЛАНГ | DE | |||
| 54 | 322832-00 | 1 | КОРПУС | DE | |||
| 56 | 323652-00 | 1 | ПРОБКА | DE | |||
| 57 | 323830-00 | 2 | ШАЙБА | DE | ![]() |
||
| 58 | 323753-06 | 1 | ШАЙБА | DE | |||
| 59 | 323459-00 | 1 | МАСЛЁНКА | DE | |||
| 60 | 322711 | 1 | РЕЗИНА | DE | |||
| 61 | 853719 | 1 | ПРОВОД | DE | |||
| 64 | 323857-01 | 1 | ПЛАСТИНА | TYPE D2-D3 | DE | ||
| 65 | 323871-00 | 1 | ФИЛЬТР | TYPE D2-D3 | DE | ||
| 67 | 321730-01 | 1 | ПРОВОД В СБОРЕ | DE | |||
| 68 | 323644-01 | 1 | ШЛАНГ | DE | |||
| 826 | 323713-00 | 1 | ЭТИКЕТКА | DE | |||
| 827 | 323392-03 | 1 | ПРЕДУПРЕДИТЕЛЬНАЯ ЭТИКЕТКА | DE |

