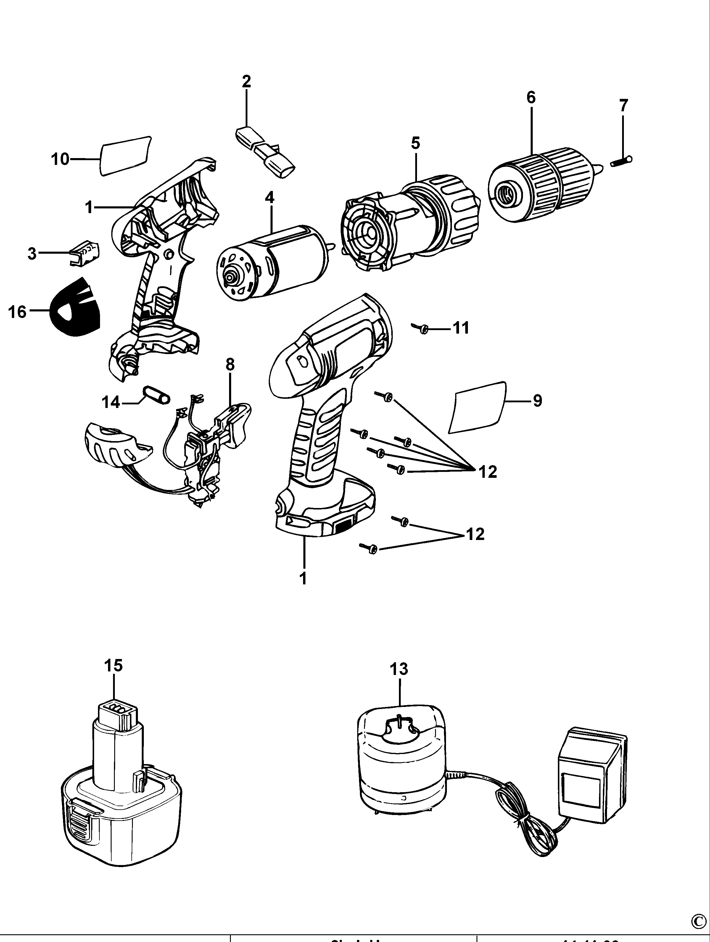
CD18C АККУМУЛЯТОРНАЯ ДРЕЛЬ / ШУРУПОВЁРТ Type 4 | Чертежи
Документы
Пожалуйста, просмотрите ниспадающее меню, так как для некоторых продуктов может быть приведено несколько рисунков
| Item No. | Product Number | Qty Per | Product Description | ДОП. ОПИСАНИЕ | Other Info | Markets | Product Status |
|---|

