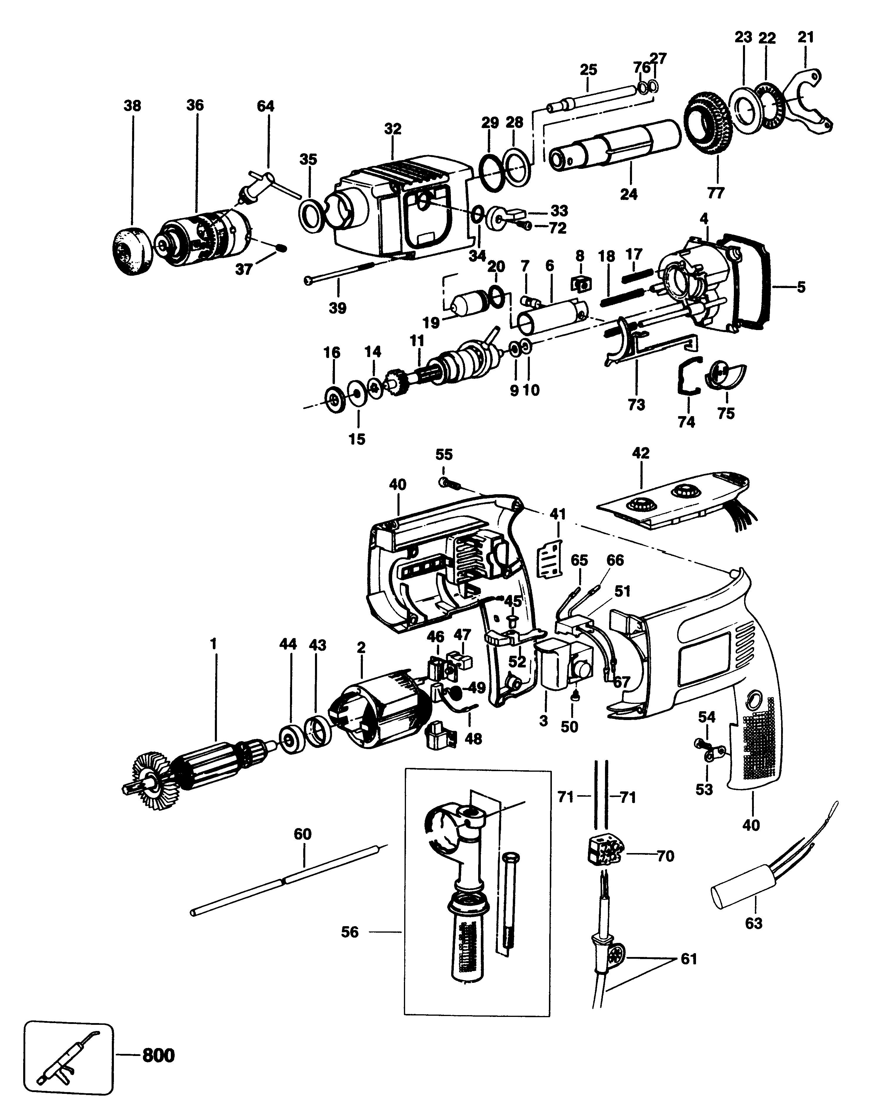
MBH24RLU ROTARY HAMMER Type 2 | Drawings
Documents
| Item No. | Product Number | Qty Per | Product Description | General Description | Other Info | Markets | Product Status |
|---|---|---|---|---|---|---|---|
| 1 | 323497-02 | 1 | ARMATURE | AE | ![]() |
||
| 2 | 323983-02 | 1 | FIELD | AE | ![]() |
||
| 3 | 326829-49 | 1 | SWITCH SA | AE | ![]() |
||
| 4 | 324032-00 | 1 | HOUSING | AE | ![]() |
||
| 5 | 323572-00 | 1 | SEAL | AE | ![]() |
||
| 6 | 323926-00 | 1 | PISTON | AE | ![]() |
||
| 7 | 323569-00 | 1 | AXLE | AE | ![]() |
||
| 8 | 324487-00 | 2 | SPRING | AE | ![]() |
||
| 9 | 324430-03 | 1 | BEARING AXIAL | AE | ![]() |
||
| 10 | 324431-03 | 1 | WASHER 7 | AE | ![]() |
||
| 11 | 324030-01 | 1 | GEAR SA | AE | ![]() |
||
| 14 | 325294-00 | 1 | WASHER SPRING | AE | ![]() |
||
| 15 | 324431-00 | 1 | WASHER 6 | AE | ![]() |
||
| 16 | 324430-00 | 1 | BEARING NEEDLE | AE | ![]() |
||
| 17 | 323395-00 | 2 | SPRING | AE | ![]() |
||
| 18 | 323395-02 | 1 | SPRING | AE | ![]() |
||
| 19 | 325175-00 | 1 | RAM | AE | ![]() |
||
| 20 | 323711-25 | 1 | O RING | AE | ![]() |
||
| 21 | 323488-01 | 1 | PLATE | AE | ![]() |
||
| 22 | 324430-01 | 1 | BEARING,NEEDLE | AE | ![]() |
||
| 23 | 323999-00 | 1 | WASHER | AE | ![]() |
||
| 24 | 324001-00 | 1 | SPINDLE | AE | ![]() |
||
| 25 | 324099-00 | 1 | BEAT | AE | ![]() |
||
| 27 | 323711-00 | 1 | SEAL | AE | ![]() |
||
| 28 | 323753-01 | 1 | WASHER | AE | ![]() |
||
| 29 | 323711-04 | 1 | SEAL | AE | ![]() |
||
| 32 | 324033-11 | 1 | GEARCASE | AE | ![]() |
||
| 33 | 323882-01 | 1 | LEVER | AE | ![]() |
||
| 34 | 323711-07 | 1 | O RING | AE | ![]() |
||
| 35 | 324432-00 | 1 | SEAL SA | AE | ![]() |
||
| 36 | 323927-03 | 1 | CHUCK MULTI | AE | ![]() |
||
| 37 | 324472-00 | 1 | SCREW | AE | ![]() |
||
| 38 | 323489-01 | 1 | CAP | AE | ![]() |
||
| 39 | 324044-02 | 4 | SCREW | AE | ![]() |
||
| 40 | 323505-10 | 1 | CLAMSHELL SA | AE | ![]() |
||
| 41 | 323758-00 | 2 | COVER | AE | ![]() |
||
| 42 | 323526-02 | 1 | ELECTRONIC SA | AE | ![]() |
||
| 43 | 323481-00 | 1 | CAP | AE | ![]() |
||
| 44 | 605040-63 | 1 | BEARING | AE | ![]() |
||
| 45 | 324165-00 | 1 | INSERT | AE | ![]() |
||
| 46 | 323496-01 | 2 | BRUSH HOLDER | AE | ![]() |
||
| 47 | 491366-00 | 2 | BRUSH KIT | AE | ![]() |
||
| 48 | 323660-01 | 2 | BRUSH 230V | AE | |||
| 49 | 872843 | 2 | SPRING | AE | ![]() |
||
| 50 | 911026 | 3 | SCREW | AE | ![]() |
||
| 51 | 324400-00 | 1 | SWITCH REVERSE | AE | ![]() |
||
| 52 | 323490-08 | 1 | LEVER | AE | ![]() |
||
| 53 | 821070 | 1 | CORD CLAMP | AE | ![]() |
||
| 54 | 323924-08 | 2 | SCREW | AE | |||
| 55 | 323924-02 | 5 | SCREW | AE | ![]() |
||
| 56 | 939794-02 | 1 | HANDLE SIDE SA | AE | ![]() |
||
| 60 | 580787-00 | 1 | DEPTH STOP | AE | ![]() |
||
| 61 | N571221 | 1 | CORDSET (EURO) | AE | |||
| 63 | 320843-02 | 1 | CAPACITOR | AE | ![]() |
||
| 64 | 324434-01 | 1 | CHUCK KEY | AE | ![]() |
||
| 65 | 877356 | 1 | LEAD 90MM BLACK | AE | ![]() |
||
| 66 | 323768-03 | 1 | LEAD 75MM BLACK | AE | ![]() |
||
| 67 | 323768-02 | 2 | LEAD 120MM BLACK | AE | ![]() |
||
| 70 | 323534-00 | 1 | CONNECTOR | AE | |||
| 71 | 323635-10 | 2 | LEAD 70MM | AE | ![]() |
||
| 72 | 324007-10 | 1 | SCREW | AE | ![]() |
||
| 73 | 323795-01 | 1 | LEVER | AE | ![]() |
||
| 74 | 323797-00 | 1 | CLIP | AE | ![]() |
||
| 75 | 323842-02 | 1 | LEVER | AE | ![]() |
||
| 76 | 324598-00 | 1 | WASHER | AE | ![]() |
||
| 77 | 324108-01 | 1 | GEAR | AE | ![]() |
||
| 800 | 870889-02 | 1 | GREASE | AE | ![]() |

