DW411 SANDER Type 3 | Drawings
Documents

Item No. | Product Number | Qty Per | Product Description | General Description | Other Info | Markets | Product Status |
---|---|---|---|---|---|---|---|
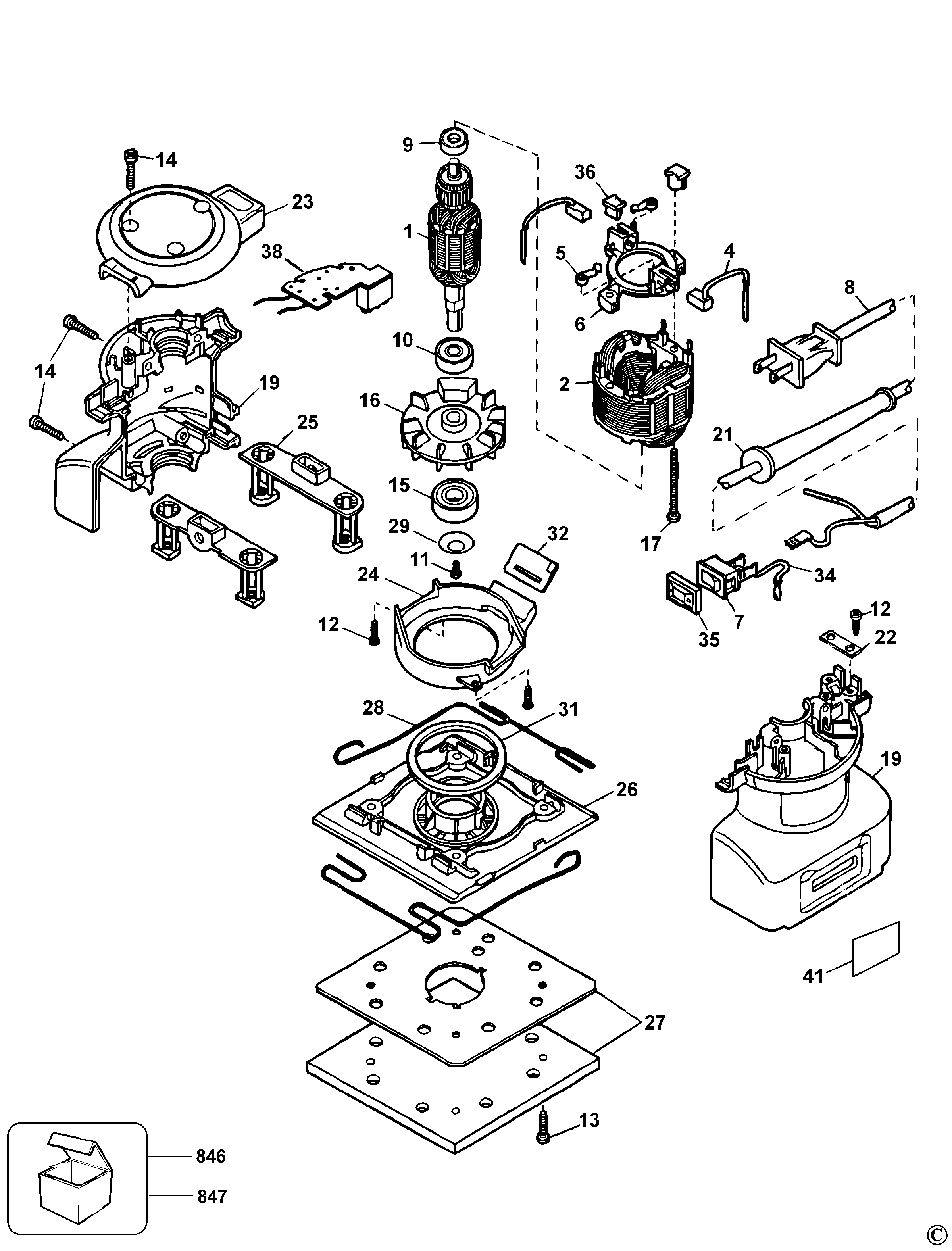
1 | 578863-02 | 1 | ARMATURE 240V | GB | ![]() |
||
2 | 807254-09 | 1 | FIELD 230V | GB | ![]() |
||
4 | 445861-13 | 2 | BRUSH 230V | GB | ![]() |
||
5 | 445860-00 | 2 | BRUSH SPRING | GB | ![]() |
||
6 | 449899-05 | 1 | RING | GB | ![]() |
||
7 | 656494-00 | 1 | SWITCH | GB | ![]() |
||
7 | 656494-00 | 1 | SWITCH | GB | ![]() |
||
8 | 330060-28 | 1 | CORDSET | GB | ![]() |
||
9 | 605040-05 | 1 | BEARING | GB | ![]() |
||
10 | 330003-17 | 1 | BEARING | GB | |||
11 | 098012-11 | 1 | SCREW | GB | ![]() |
||
12 | 330019-02 | 2 | SCREW | GB | ![]() |
||
13 | 464285-00 | 4 | SCREW | GB | ![]() |
||
14 | 330019-13 | 7 | SCREW | M4X19 T20 | GB | ![]() |
|
15 | 330003-64 | 1 | BEARING | ID 12 x OD 28 x 8mm | GB | ![]() |
|
16 | 464281-00 | 1 | FAN | GB | ![]() |
||
17 | 330019-08 | 2 | SCREW | GB | ![]() |
||
19 | 464279-11 | 1 | CLAMSHELL PAIR | GB | ![]() |
||
21 | 403395-00 | 1 | CORD PROTECTOR | GB | ![]() |
||
22 | 380414-00 | 1 | CORD CLAMP | GB | ![]() |
||
23 | 151670-13 | 1 | CAP | GB | ![]() |
||
24 | 144964-00 | 1 | COVER | GB | ![]() |
||
25 | N542568 | 2 | FOOT | GB | ![]() |
||
25 | N542568 | 2 | FOOT | GB | ![]() |
||
26 | N073798 | 1 | BASE | 1/4 SHEET | GB | ![]() |
|
27 | 151284-00SV | 1 | PAD | GB | ![]() |
||
28 | 151288-00 | 2 | CLAMP | GB | ![]() |
||
29 | 151652-00 | 1 | WASHER | GB | ![]() |
||
31 | N100227 | 1 | SEAL | GB | ![]() |
||
34 | 144989-00 | 1 | TERMINAL & LEAD | BLACK, 20GA | GB | ![]() |
|
35 | 144983-07 | 1 | COVER | GB | ![]() |
||
36 | 144956-00 | 2 | NUT | GB | ![]() |
||
38 | 145283-03 | 1 | PCB | Tyco | GB | ![]() |
|
41 | 577385-00 | 1 | BRAND LABEL | GB | ![]() |
||
846 | 144954-00 | 1 | PUNCH | GB | ![]() |
||
847 | 608358-00 | 1 | DUSTBAG | GB | ![]() |