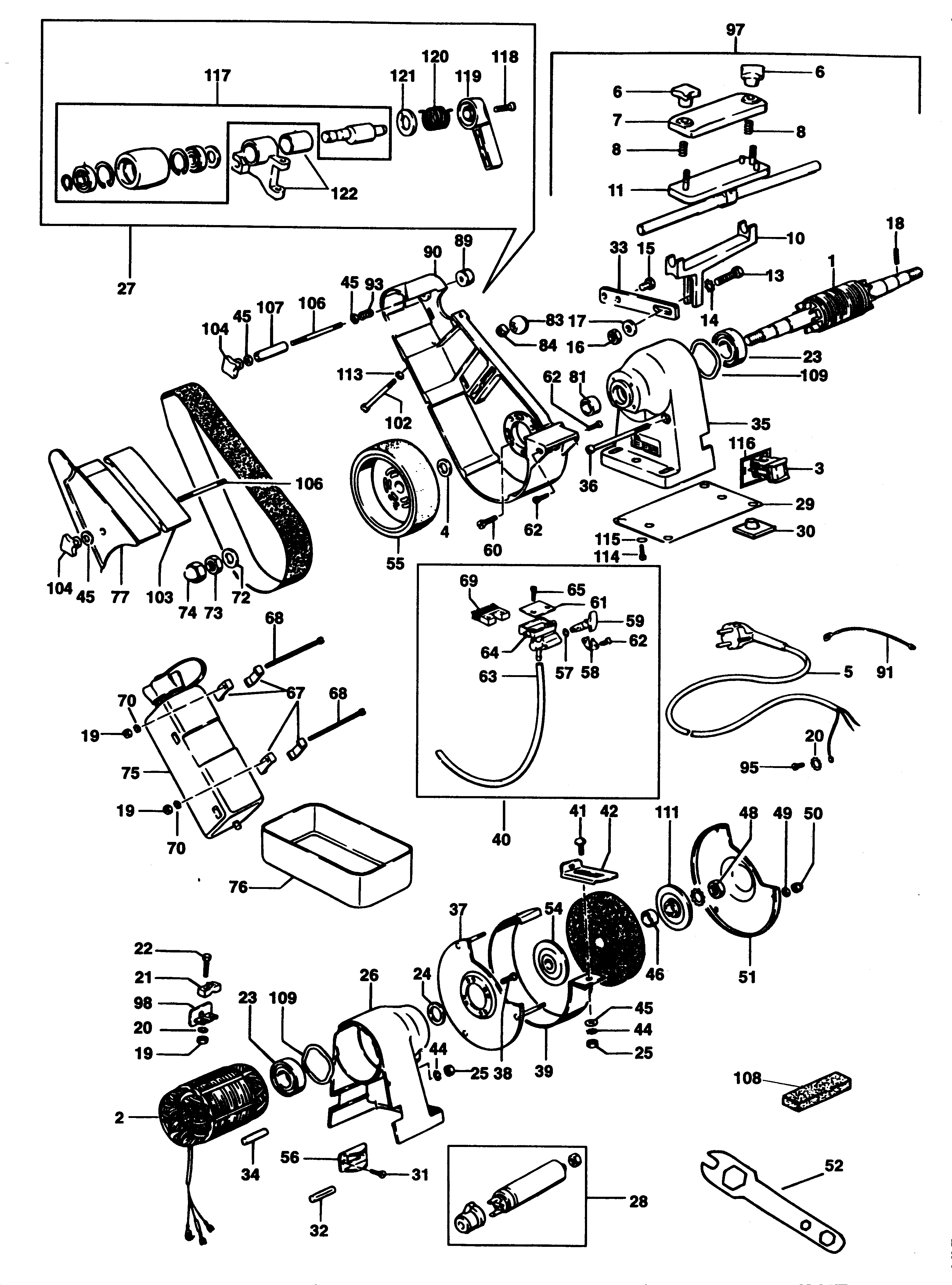
MWA61W BENCH GRINDER Type 1 | Drawings
Documents
| Item No. | Product Number | Qty Per | Product Description | General Description | Other Info | Markets | Product Status |
|---|---|---|---|---|---|---|---|
| 1 | 743412 | 1 | ROTOR | MWA61W TYPE 2 | ZA | ![]() |
|
| 1 | 162100200 | 1 | ROTOR | MWA61D | ZA | ![]() |
|
| 1 | 162100200 | 1 | ROTOR | MWA61W TYPE 1 | ZA | ![]() |
|
| 2 | 148102102 | 1 | STATOR 220V | MWA61W TYPE 1 | ZA | ![]() |
|
| 2 | 061102102 | 1 | FIELD | MWA61D | ZA | ![]() |
|
| 2 | 743413 | 1 | STATOR | MWA61W TYPE 2 | ZA | ![]() |
|
| 3 | NLS | 1 | NOT STRUCTURED | ZA | ![]() |
||
| 4 | 742153 | 1 | BUSH | ZA | |||
| 5 | 000000-00 | 1 | NO LONGER AVAILABLE | ZA | |||
| 6 | 744324 | 2 | KNOB SA | ZA | |||
| 7 | 744271 | 1 | CLAMP | ZA | ![]() |
||
| 8 | 742243 | 2 | SPRING | ZA | ![]() |
||
| 10 | 744230 | 1 | HOLDER | ZA | |||
| 11 | 744232 | 1 | SUPPORT | ZA | ![]() |
||
| 13 | 860085-19 | 1 | SCREW | ZA | ![]() |
||
| 14 | 742046 | 1 | WASHER M8 | ZA | ![]() |
||
| 15 | 742253 | 2 | SCREW | ZA | ![]() |
||
| 16 | 725187 | 1 | NUT | M8 | ZA | ![]() |
|
| 17 | 742172 | 1 | WASHER | ZA | ![]() |
||
| 18 | 742053 | 2 | PIN | ZA | ![]() |
||
| 19 | 725698 | 4 | NUT | ZA | ![]() |
||
| 20 | 725163 | 3 | WASHER | ZA | ![]() |
||
| 21 | 742127 | 1 | CABLE CLAMP | ZA | ![]() |
||
| 22 | 742041 | 2 | SCREW | ZA | ![]() |
||
| 23 | 861721-01 | 2 | BEARING | ZA | ![]() |
||
| 24 | 742153 | 1 | BUSH | ZA | |||
| 25 | 725125 | 3 | NUT | ZA | |||
| 26 | 742268 | 1 | HOUSING RH | MWA61W TYPE 1 | ZA | ![]() |
|
| 26 | 742269 | 1 | HOUSING RH | MWA61D | ZA | ![]() |
|
| 26 | 744241-49 | 1 | HOUSING PAIR | MWA61W TYPE 2 | ZA | ![]() |
|
| 27 | 744371-10 | 1 | LEVER SA | ZA | ![]() |
||
| 28 | 743309 | 1 | CAPACITOR | MWA61W TYPE 1 | ZA | ![]() |
|
| 28 | 743309 | 1 | CAPACITOR | MWA61W TYPE 2 | ZA | ![]() |
|
| 29 | 742124-01 | 1 | PLATE | ZA | ![]() |
||
| 30 | 742126 | 4 | MOUNT | ZA | ![]() |
||
| 31 | 249413-03 | 2 | SCREW | MWA61D | ZA | ![]() |
|
| 32 | 742168 | 1 | PIN | ZA | ![]() |
||
| 33 | 744234 | 1 | SUPPORT | ZA | ![]() |
||
| 34 | 743311 | 2 | PIN | *FROM SER No 6101245 | ZA | ![]() |
|
| 34 | 725885 | 1 | ROLLPIN | MWA61D | ZA | ![]() |
|
| 34 | 725885 | 1 | ROLLPIN | MWA61W TYPE 1 | ZA | ![]() |
|
| 34 | 725885 | 1 | ROLLPIN | *UPTO SER No 6101244 | ZA | ![]() |
|
| 35 | 742151 | 1 | HOUSING LH | MWA61W TYPE 1 | ZA | ![]() |
|
| 35 | 742152 | 1 | HOUSING LH | MWA61D | ZA | ![]() |
|
| 35 | 744241-49 | 1 | HOUSING PAIR | MWA61W TYPE 2 | ZA | ![]() |
|
| 36 | 742171 | 2 | SCREW | ZA | ![]() |
||
| 37 | 057121302 | 1 | PLATE | MWA61D | ZA | ![]() |
|
| 37 | 057121302 | 1 | PLATE | MWA61W TYPE 1 | ZA | ![]() |
|
| 37 | 744236 | 1 | PLATE | MWA61W TYPE 2 | ZA | ![]() |
|
| 38 | 725196 | 4 | SCREW | ZA | ![]() |
||
| 39 | 744238 | 1 | GUARD | MWA61W TYPE 2 | ZA | ||
| 39 | 411123700 | 1 | GUARD | MWA61D | ZA | ![]() |
|
| 39 | 411123700 | 1 | GUARD | MWA61W TYPE 1 | ZA | ![]() |
|
| 40 | 742273 | 1 | HOSE SA | ZA | |||
| 41 | 725184 | 1 | SCREW | ZA | ![]() |
||
| 42 | 744188 | 1 | BRACKET | ZA | |||
| 44 | 743415 | 2 | WASHER | 6mm | ZA | ||
| 45 | 880391 | 4 | WASHER | ZA | |||
| 46 | 742134 | 1 | BUSH | ZA | |||
| 48 | 742887 | 1 | NUT | ZA | ![]() |
||
| 49 | 725269 | 3 | WASHER | ZA | ![]() |
||
| 50 | 146823100 | 3 | LOCK-NUT | ZA | ![]() |
||
| 51 | 411120200 | 1 | GUARD | MWA61D | ZA | ![]() |
|
| 51 | 411120200 | 1 | GUARD | MWA61W TYPE 1 | ZA | ![]() |
|
| 51 | 744237 | 1 | GUARD | MWA61W TYPE 2 | ZA | ||
| 52 | 742511 | 1 | SPANNER | ZA | ![]() |
||
| 54 | 742298 | 1 | CLAMP | ZA | |||
| 55 | 742199 | 1 | PULLEY | ZA | ![]() |
||
| 57 | 742282 | 1 | SEAL | ZA | ![]() |
||
| 58 | 742279 | 1 | FLANGE | ZA | |||
| 59 | 742275 | 1 | GRIP | ZA | |||
| 60 | 726003 | 4 | SCREW | ZA | ![]() |
||
| 61 | 742166 | 1 | COVER | ZA | |||
| 62 | 860084-11 | 5 | SCREW | ZA | ![]() |
||
| 63 | 742278 | 1 | TUBE | ZA | ![]() |
||
| 64 | 742280-00 | 1 | HOLDER | ZA | |||
| 65 | 949896-12 | 2 | SCREW | ZA | ![]() |
||
| 67 | 742299 | 4 | CLAMP | ZA | |||
| 68 | 742300 | 2 | SCREW | ZA | ![]() |
||
| 69 | 742276 | 2 | BRUSH | ZA | |||
| 70 | 725163 | 2 | WASHER | ZA | ![]() |
||
| 72 | 742054 | 1 | WASHER | ZA | ![]() |
||
| 73 | 742140 | 1 | NUT LH | ZA | ![]() |
||
| 74 | 744243 | 1 | CAP | ZA | ![]() |
||
| 75 | 742274 | 1 | RESERVOIR | ZA | ![]() |
||
| 76 | 742283 | 1 | SCALE | ZA | ![]() |
||
| 77 | 744246 | 1 | SUPPORT | ZA | ![]() |
||
| 81 | 742153 | 1 | BUSH | ZA | |||
| 83 | 742234 | 1 | KNOB | ZA | ![]() |
||
| 84 | 742289 | 1 | NUT | ZA | ![]() |
||
| 89 | 742272 | 1 | STOP RUBBER | ZA | ![]() |
||
| 90 | 744235 | 1 | COVER | ZA | ![]() |
||
| 91 | 742199 | 1 | PULLEY | MWA61W TYPE 1 | ZA | ![]() |
|
| 91 | 742199 | 1 | PULLEY | MWA61W TYPE 2 | ZA | ![]() |
|
| 93 | 760276-00 | 1 | SPRING | ZA | ![]() |
||
| 95 | 725183 | 1 | SCREW | ZA | ![]() |
||
| 97 | 744253 | 1 | CLAMP KIT SA | ZA | |||
| 98 | 742125 | 1 | CABLE CLAMP | ZA | |||
| 102 | 742231 | 1 | SCREW | ZA | ![]() |
||
| 103 | 742290 | 1 | PLATE | ZA | ![]() |
||
| 104 | 744324 | 2 | KNOB SA | ZA | |||
| 106 | 742288 | 2 | SCREW | ZA | ![]() |
||
| 107 | 742228 | 1 | SPACER | ZA | ![]() |
||
| 108 | 742240 | 1 | STONE | ZA | ![]() |
||
| 109 | 113933000 | 2 | WASHER | ZA | ![]() |
||
| 111 | 742066 | 1 | CLAMP OUTER | ZA | |||
| 113 | 743415 | 1 | WASHER | 6mm | ZA | ||
| 114 | 726430 | 2 | SCREW | MWA61W TYPE 2 | ZA | ![]() |
|
| 115 | 725165 | 2 | WASHER | MWA61W TYPE 2 | ZA | ![]() |
|
| 117 | 742212 | 1 | REPAIR KIT | ZA | ![]() |
||
| 118 | 744308 | 1 | SCREW | ZA | ![]() |
||
| 119 | 744245 | 1 | LEVER | ZA | ![]() |
||
| 120 | 742267 | 1 | SPRING | ZA | ![]() |
||
| 121 | 742218 | 1 | WASHER | ZA | ![]() |
||
| 122 | 743814 | 1 | BRACKET SA | ZA |

