DWE8101S МАЛЕНЬКАЯ УГЛОВАЯ ШЛИФМАШИНКА Type 1 | Чертежи
Документы
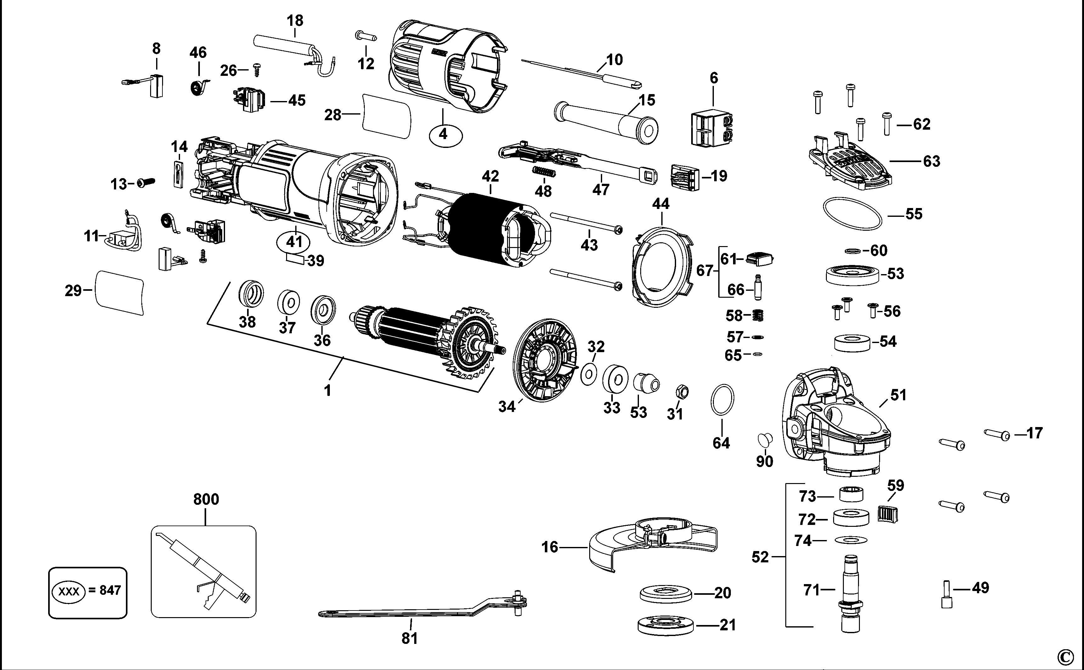
Пожалуйста, просмотрите ниспадающее меню, так как для некоторых продуктов может быть приведено несколько рисунков
| Item No. | Product Number | Qty Per | Product Description | ДОП. ОПИСАНИЕ | Other Info | Markets | Product Status |
|---|---|---|---|---|---|---|---|
| 1 | N191434 | 1 | ЯКОРЬ В СБОРЕ | 220V PKGD N098942 | A9 | ![]() |
|
| 4 | N105642-01 | 1 | ТОРЦЕВАЯ КРЫШКА | A9 | ![]() |
||
| 6 | N167538 | 1 | ВЫКЛЮЧАТЕЛЬ | A9 | ![]() |
||
| 8 | N175105 | 1 | ПАРА ЩЁТОК В СБОРЕ | A9 | ![]() |
||
| 10 | N442344 | 1 | КОНДЕНСАТОР В СБОРЕ | A9 | ![]() |
||
| 11 | N442344 | 1 | КОНДЕНСАТОР В СБОРЕ | A9 | ![]() |
||
| 12 | N017839 | 1 | ВИНТ | A9 | ![]() |
||
| 13 | 562097-00 | 1 | ВИНТ | A9 | ![]() |
||
| 14 | 619328-00 | 1 | ЗАЖИМ ШНУРА ПИТАНИЯ | A9 | ![]() |
||
| 15 | N447519 | 1 | ЧЕХОЛ ШНУРА ПИТАНИЯ | A9 | ![]() |
||
| 16 | N115343 | 1 | ЗАЩИТНЫЙ КОЖУХ В СБОРЕ | A9 | |||
| 17 | 330065-31 | 4 | ПЛАСТИКОВЫЙ ВИНТ | A9 | ![]() |
||
| 18 | N133095 | 1 | КОМПЛЕКТ ПРОВОДОВ | A9 | |||
| 19 | N097844 | 1 | КНОПКА | A9 | ![]() |
||
| 20 | N039245 | 1 | ВНУТРЕННИЙ ФЛАНЕЦ | M10 | A9 | ||
| 21 | N134464 | 1 | НАРУЖНЫЙ ФЛАНЕЦ | M10 | A9 | ||
| 26 | 593478-00 | 2 | ВИНТ | M3 X 8 | A9 | ![]() |
|
| 28 | N149175 | 1 | ЯРЛЫК ПРОИЗВОДИТЕЛЯ | A9 | ![]() |
||
| 29 | N215877 | 1 | ТАБЛИЧКА С ТЕХНИЧЕСКИМИ ДАННЫМИ | A9 | A9 | ||
| 31 | 604484-00 | 1 | ГАЙКА | A9 | ![]() |
||
| 32 | N213812 | 1 | ШАЙБА | A9 | ![]() |
||
| 33 | N214432 | 1 | ПОДШИПНИК | A9 | ![]() |
||
| 34 | N132042 | 1 | ОТРАЖАТЕЛЬ | A9 | ![]() |
||
| 36 | N118549 | 1 | ПРОСТАВКА | A9 | ![]() |
||
| 37 | N130916 | 1 | ПОДШИПНИК | A9 | ![]() |
||
| 38 | 641823-00 | 1 | ВТУЛКА | A9 | ![]() |
||
| 39 | 657436-00 | 1 | ЭТИКЕТКА | A9 | |||
| 41 | N105641-01 | 1 | КОРПУС СТАТОРА | A9 | ![]() |
||
| 42 | N185183 | 1 | СТАТОР 230В | 220v PKGD N096057 | A9 | ![]() |
|
| 43 | N098351 | 2 | ВИНТ | A9 | ![]() |
||
| 44 | N129051 | 1 | ОТРАЖАТЕЛЬ | A9 | ![]() |
||
| 45 | N097702 | 2 | ОБОЙМА ЩЁТКОДЕРЖАТЕЛЯ | A9 | ![]() |
||
| 46 | N097703 | 2 | ПРУЖИНА | A9 | ![]() |
||
| 47 | N093409 | 1 | ЗВЕНО | A9 | ![]() |
||
| 48 | N093410 | 1 | ПРУЖИНА | A9 | ![]() |
||
| 49 | N130031 | 1 | ВИНТ | A9 | ![]() |
||
| 51 | N109173 | 1 | КОРПУС РЕДУКТОРА | A9 | ![]() |
||
| 52 | N181762 | 1 | ШПИНДЕЛЬ В СБОРЕ | M10 | A9 | ||
| 53 | N191433 | 1 | ШЕСТЕРНЯ И ВЕДУЩАЯ ШЕСТЕРНЯ В СБОРЕ | A9 | ![]() |
||
| 54 | 605040-24 | 1 | ПОДШИПНИК | A9 | ![]() |
||
| 55 | N094024 | 1 | УПЛОТНИТЕЛЬНОЕ КОЛЬЦО | A9 | ![]() |
||
| 56 | N118088 | 3 | ВИНТ | A9 | ![]() |
||
| 57 | N447838 | 1 | ШАЙБА | A9 | ![]() |
||
| 58 | N092954 | 1 | ПРУЖИНА | A9 | ![]() |
||
| 59 | N126708 | 1 | ВСТАВКА | A9 | ![]() |
||
| 60 | 444793-00 | 1 | СТОПОРНОЕ КОЛЬЦО | A9 | ![]() |
||
| 61 | N126105 | 1 | КНОПКА | A9 | ![]() |
||
| 62 | N122904 | 4 | ВИНТ | A9 | ![]() |
||
| 63 | N116180 | 1 | КРЫШКА КОРПУСА РЕДУКТОРА | A9 | ![]() |
||
| 64 | N119639 | 1 | УПЛОТНИТЕЛЬНОЕ КОЛЬЦО | A9 | ![]() |
||
| 65 | N094012 | 1 | УПЛОТНИТЕЛЬНОЕ КОЛЬЦО | A9 | ![]() |
||
| 66 | N114592 | 1 | ЗАЖИМ ШПИНДЕЛЯ | A9 | ![]() |
||
| 67 | N181767 | 1 | ЗАЖИМ ШПИНДЕЛЯ | A9 | ![]() |
||
| 71 | N095421 | 1 | ШПИНДЕЛЬ | M10 | A9 | ||
| 72 | 605040-24 | 1 | ПОДШИПНИК | A9 | ![]() |
||
| 73 | N095815 | 1 | ВТУЛКА | A9 | ![]() |
||
| 74 | 638229-00 | 1 | ШАЙБА | A9 | ![]() |
||
| 81 | 401253-00 | 1 | ГАЕЧНЫЙ КЛЮЧ С СКРУГЛЕННЫМИ ШПИЛЬКАМИ | A9 | ![]() |
||
| 90 | 652464-00 | 1 | ПРОБКА | A9 | |||
| 800 | 583534-00 | 1 | КОНСИСТЕНТНАЯ СМАЗКА | 50 GRAMS - NYE RHEOLUB 380G1 | A9 | ![]() |
|
| 847 | N402108 | 1 | НАБОР ДЛЯ ТЕХНИЧЕСКОГО ОБСЛУЖИВАНИЯ | A9 | ![]() |

