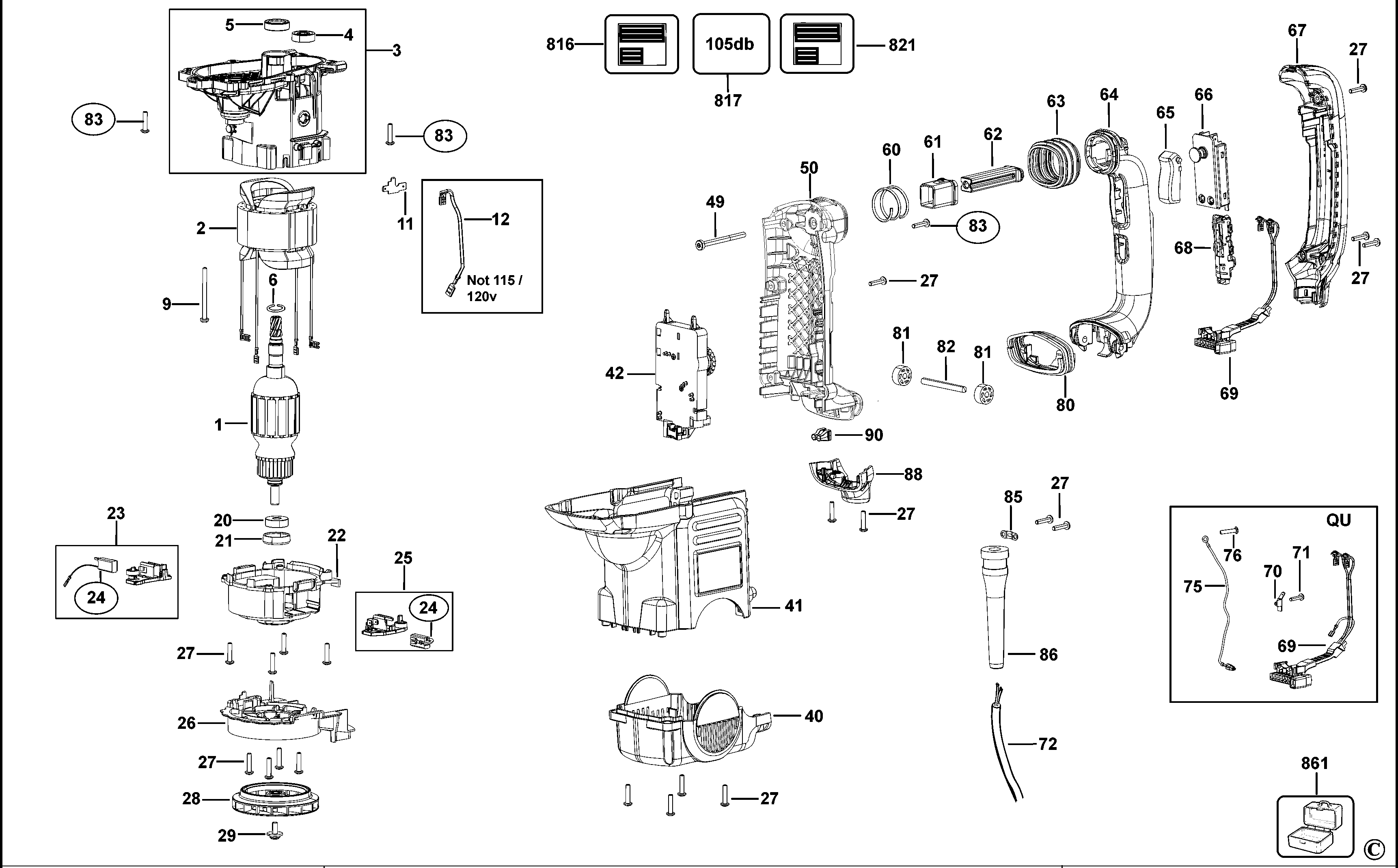
D25601K КОМБИНИРОВАННЫЙ ПЕРФОРАТОР Type 1 | Чертежи
Документы
Пожалуйста, просмотрите ниспадающее меню, так как для некоторых продуктов может быть приведено несколько рисунков
| Item No. | Product Number | Qty Per | Product Description | ДОП. ОПИСАНИЕ | Other Info | Markets | Product Status |
|---|---|---|---|---|---|---|---|
| 1 | N046420 | 1 | ЯКОРЬ 230В | A9 | ![]() |
||
| 2 | N041827 | 1 | СТАТОР 230В | A9 | ![]() |
||
| 3 | N047284 | 1 | КОЖУХ В СБОРЕ | A9 | ![]() |
||
| 4 | 330003-39 | 1 | ПОДШИПНИК | A9 | ![]() |
||
| 5 | 327141-03 | 1 | УПЛОТНЕНИЕ | A9 | ![]() |
||
| 6 | 577746-00 | 1 | КОЛЬЦО | A9 | ![]() |
||
| 9 | 330065-21 | 2 | ВИНТ | A9 | ![]() |
||
| 11 | 1007970-00 | 2 | РАЗЪЁМ | A9 | ![]() |
||
| 12 | N020117 | 1 | КАБЕЛЬ | L/C | A9 | ![]() |
|
| 20 | 330003-60 | 1 | ПОДШИПНИК | A9 | ![]() |
||
| 21 | 1007732-00 | 1 | ВТУЛКА | A9 | ![]() |
||
| 22 | 1007798-00 | 1 | МОСТ | A9 | ![]() |
||
| 23 | N047446 | 1 | ЩЁТКА И ДЕРЖАТЕЛЬ 230В | A9 | ![]() |
||
| 24 | N047424 | 1 | ПАРА ЩЁТОК 230В | A9 | ![]() |
||
| 25 | N047444 | 1 | ЩЁТКА И ДЕРЖАТЕЛЬ 230В | A9 | ![]() |
||
| 26 | N016920 | 1 | ДЕФЛЕКТОР ВЕНТИЛЯТОРА | A9 | ![]() |
||
| 27 | 330065-08 | 25 | ВИНТ | M4x18 T20 | A9 | ![]() |
|
| 28 | 1006592-01 | 1 | ВЕНТИЛЯТОР В СБОРЕ | A9 | ![]() |
||
| 29 | 324119-02 | 1 | ВИНТ | A9 | ![]() |
||
| 40 | 1008683-00 | 1 | ТОРЦЕВАЯ КРЫШКА | A9 | ![]() |
||
| 41 | 1006576-02 | 1 | КРЫШКА ЭЛЕКТРОДВИГАТЕЛЯ | A9 | ![]() |
||
| 42 | N041751 | 1 | МОДУЛЬ ЭЛЕКТРОНИКИ 230В | A9 | ![]() |
||
| 49 | 1005672-00 | 1 | ВИНТ | A9 | ![]() |
||
| 50 | 1007939-00 | 1 | ПЛОСКАЯ КРЫШКА | A9 | ![]() |
||
| 60 | 1007569-00 | 1 | ПРУЖИНА | A9 | ![]() |
||
| 61 | 1007567-00 | 1 | ВТУЛКА | A9 | ![]() |
||
| 62 | 1007566-00 | 1 | ОГРАНИЧИТЕЛЬ | A9 | ![]() |
||
| 63 | 1007565-00 | 1 | СИЛЬФОН | A9 | ![]() |
||
| 64 | 1008681-00 | 1 | РУЧКА КОЖУХА | A9 | ![]() |
||
| 65 | 587114-01 | 1 | КУРОК ВЫКЛЮЧАТЕЛЯ | A9 | ![]() |
||
| 66 | 587274-00 | 1 | ВЫКЛЮЧАТЕЛЬ | A9 | ![]() |
||
| 67 | 1008682-00 | 1 | КРЫШКА РУЧКИ | A9 | ![]() |
||
| 68 | N019514 | 1 | БЛОКИРОВКА КУРКА ВЫКЛЮЧАТЕЛЯ | A9 | ![]() |
||
| 69 | N046423 | 1 | SET OF LEAD WIRES | A9 | ![]() |
||
| 72 | 329471-15 | 1 | КОМПЛЕКТ ПРОВОДОВ | A9 | ![]() |
||
| 80 | 1008678-00 | 1 | СИЛЬФОН | A9 | ![]() |
||
| 81 | N038214 | 2 | ВТУЛКА | A9 | ![]() |
||
| 82 | N062047 | 1 | ШТИФТ | A9 | ![]() |
||
| 83 | 324007-11 | 19 | ВИНТ | M5 X 18 | A9 | ![]() |
|
| 85 | 821070 | 1 | ЗАЖИМ ШНУРА ПИТАНИЯ | A9 | ![]() |
||
| 86 | 323091-01 | 1 | ЧЕХОЛ ШНУРА ПИТАНИЯ | A9 | ![]() |
||
| 88 | 1008391-00 | 1 | КРЫШКА | A9 | ![]() |
||
| 90 | 1007896-00 | 1 | НАПРАВЛЯЮЩАЯ | A9 | ![]() |
||
| 100 | 329816-00 | 1 | МАНЖЕТНОЕ УПЛОТНЕНИЕ | A9 | ![]() |
||
| 101 | 326575-01 | 1 | ФЛАНЕЦ | A9 | ![]() |
||
| 102 | 479247-00 | 1 | ВТУЛКА В СБОРЕ | A9 | ![]() |
||
| 103 | 918825-02 | 4 | ВИНТ | A9 | ![]() |
||
| 104 | 1006572-00 | 1 | КРЫШКА | A9 | ![]() |
||
| 105 | 325878-00 | 2 | РОЛИК | A9 | ![]() |
||
| 106 | 325929-00 | 2 | ПОЛУКОЛЬЦО | A9 | ![]() |
||
| 107 | 327208-00 | 1 | НАПРАВЛЯЮЩАЯ | A9 | ![]() |
||
| 108 | 323395-06 | 1 | ПРУЖИНА | A9 | ![]() |
||
| 109 | 487118-00 | 1 | ПРУЖИНА | A9 | ![]() |
||
| 110 | 325930-00 | 1 | НАПРАВЛЯЮЩАЯ ПРУЖИНЫ | A9 | ![]() |
||
| 112 | N501145 | 1 | БОКОВАЯ РУЧКА | A9 | ![]() |
||
| 115 | N501145 | 1 | БОКОВАЯ РУЧКА | A9 | ![]() |
||
| 116 | N040996 | 1 | ОГРАНИЧИТЕЛЬ ГЛУБИНЫ | A9 | ![]() |
||
| 119 | N038151 | 1 | ВОЙЛОК | A9 | ![]() |
||
| 120 | N045793 | 1 | ВТУЛКА | A9 | ![]() |
||
| 122 | 1007828-00 | 1 | УПЛОТНЕНИЕ | A9 | ![]() |
||
| 123 | N041835 | 1 | КОРПУС | Inc 120, 122 | A9 | ![]() |
|
| 126 | 1005982-00 | 2 | ШАЙБА | A9 | ![]() |
||
| 127 | 496191-00 | 1 | АМОРТИЗАТОР | A9 | ![]() |
||
| 128 | N041834 | 1 | ШПИНДЕЛЬ | A9 | ![]() |
||
| 129 | N041847 | 1 | БОЁК | A9 | |||
| 130 | N244259 | 1 | УПЛОТНЕНИЕ | A9 | ![]() |
||
| 131 | 323711-10 | 1 | УПЛОТНИТЕЛЬНОЕ КОЛЬЦО | A9 | ![]() |
||
| 135 | N064329 | 2 | ШАЙБА | A9 | ![]() |
||
| 140 | 494857-00 | 1 | ВТУЛКА | A9 | ![]() |
||
| 141 | 1006283-00 | 1 | ПРОКЛАДКА | A9 | ![]() |
||
| 142 | 1005748-00 | 1 | ПРУЖИНА | 2X40.2 | A9 | ![]() |
|
| 143 | N210233 | 2 | УПЛОТНИТЕЛЬНОЕ КОЛЬЦО | A9 | ![]() |
||
| 144 | 1006778-00 | 1 | ВТУЛКА | A9 | ![]() |
||
| 145 | N041846 | 1 | ЦИЛИНДР | A9 | ![]() |
||
| 146 | 577744-00 | 2 | УПЛОТНИТЕЛЬНОЕ КОЛЬЦО | A9 | ![]() |
||
| 147 | N041845 | 1 | ПЛУНЖЕР | 5KG | A9 | ![]() |
|
| 148 | 576232-01 | 2 | УПЛОТНИТЕЛЬНОЕ КОЛЬЦО | 23 X 4 | A9 | ![]() |
|
| 149 | N041844 | 1 | ВТУЛКА | A9 | ![]() |
||
| 150 | 1005749-00 | 1 | ВИЛКА ПЕРЕКЛЮЧАТЕЛЯ | A9 | ![]() |
||
| 160 | N041842 | 1 | КОНИЧЕСКАЯ ШЕСТЕРНЯ | A9 | |||
| 161 | 325905-00 | 1 | СТОПОРНОЕ ПРИСПОСОБЛЕНИЕ | A9 | ![]() |
||
| 162 | 330041-22 | 1 | ШТИФТ | A9 | ![]() |
||
| 163 | N041843 | 1 | ПОРШЕНЬ | A9 | ![]() |
||
| 164 | 494724-00 | 1 | ШАТУН | A9 | ![]() |
||
| 165 | 1006721-00 | 1 | КРЫШКА КОРПУСА РЕДУКТОРА ПР. | A9 | ![]() |
||
| 166 | 1006786-00 | 1 | ПЕРЕКЛЮЧАТЕЛЬ | A9 | ![]() |
||
| 167 | 326467-00 | 1 | СТОПОР | A9 | ![]() |
||
| 168 | 1006575-00 | 1 | ВЕРХНЯЯ КРЫШКА | A9 | ![]() |
||
| 169 | 323711-57 | 1 | УПЛОТНИТЕЛЬНОЕ КОЛЬЦО | 8 X 2.2 | A9 | ![]() |
|
| 170 | N019533 | 1 | МИКРОВЫКЛЮЧАТЕЛЬ | A9 | ![]() |
||
| 172 | 496856-00 | 1 | ЭКСЦЕНТРИК | A9 | ![]() |
||
| 180 | 1006784-00 | 1 | ПОЛЗУН | 5 KG | A9 | ![]() |
|
| 181 | 323395-32 | 2 | ПРУЖИНА | A9 | ![]() |
||
| 182 | 1006783-00 | 1 | РАЗЪЁМ | 5 KG | A9 | ![]() |
|
| 183 | 496857-00 | 1 | КРЫШКА | A9 | ![]() |
||
| 184 | 323711-59 | 1 | УПЛОТНИТЕЛЬНОЕ КОЛЬЦО | 65 X 4 | A9 | ![]() |
|
| 185 | 1006785-00 | 1 | ПЛАСТИНА | A9 | ![]() |
||
| 186 | N041841 | 1 | КОЛЕНЧАТЫЙ ВАЛ | 5 KG | A9 | ![]() |
|
| 187 | 323711-26 | 1 | УПЛОТНИТЕЛЬНОЕ КОЛЬЦО | A9 | ![]() |
||
| 188 | N041840 | 1 | КОЖУХ В СБОРЕ | A9 | ![]() |
||
| 190 | 577745-01 | 1 | ШАРИКОВЫЙ ПОДШИПНИК | A9 | ![]() |
||
| 191 | 586301-00 | 1 | ИГОЛЬЧАТЫЙ ПОДШИПНИК | A9 | ![]() |
||
| 192 | 323711-57 | 1 | УПЛОТНИТЕЛЬНОЕ КОЛЬЦО | 8 X 2.2 | A9 | ![]() |
|
| 193 | 1008427-00 | 1 | ВИНТ СПЕЦИАЛЬНЫЙ | A9 | ![]() |
||
| 201 | 1006720-00 | 1 | КРЫШКА КОРПУСА РЕДУКТОРА ЛЕВ. | A9 | |||
| 202 | N041839 | 1 | ЦЕПЬ | P8 X 40 | A9 | ![]() |
|
| 203 | N041837 | 1 | ШЕСТЕРНЯ | A9 | ![]() |
||
| 204 | 1006280-00 | 1 | НАПРАВЛЯЮЩАЯ | A9 | ![]() |
||
| 205 | N551770 | 1 | МУФТА В СБОРЕ | 1 STEP | A9 | ![]() |
|
| 206 | 1006282-00 | 1 | ПРОКЛАДКА | A9 | ![]() |
||
| 800 | 870889-02 | 1 | КОНСИСТЕНТНАЯ СМАЗКА | A9 | ![]() |
||
| 810 | N040237 | 1 | МАСЛЯНАЯ ТРУБКА | A9 | ![]() |
||
| 816 | N064908 | 1 | ЯРЛЫК ПРОИЗВОДИТЕЛЯ | A9 | ![]() |
||
| 817 | 487395-01 | 1 | ЭТИКЕТКА | A9 | ![]() |
||
| 821 | N030641 | 1 | ТАБЛИЧКА С ТЕХНИЧЕСКИМИ ДАННЫМИ | A9 | |||
| 836 | 1003938-99 | 1 | СЕРВИСНОЕ ПРИСПОСОБЛЕНИЕ | A9 | ![]() |
||
| 837 | 559645-99 | 1 | СПЕЦИНСТРУМЕНТ SEAL FITTING TOOL | A9 | ![]() |
||
| 847 | N095940 | 1 | НАБОР ДЛЯ ТЕХНИЧЕСКОГО ОБСЛУЖИВАНИЯ 230В | A9 | ![]() |
||
| 861 | 574931-22 | 1 | ЯЩИК ДЛЯ ИНСТРУМЕНТА | A9 | ![]() |

