DW711 TABLE SAW Type 1 | Drawings
Documents
| Item No. | Product Number | Qty Per | Product Description | General Description | Other Info | Markets | Product Status |
|---|---|---|---|---|---|---|---|
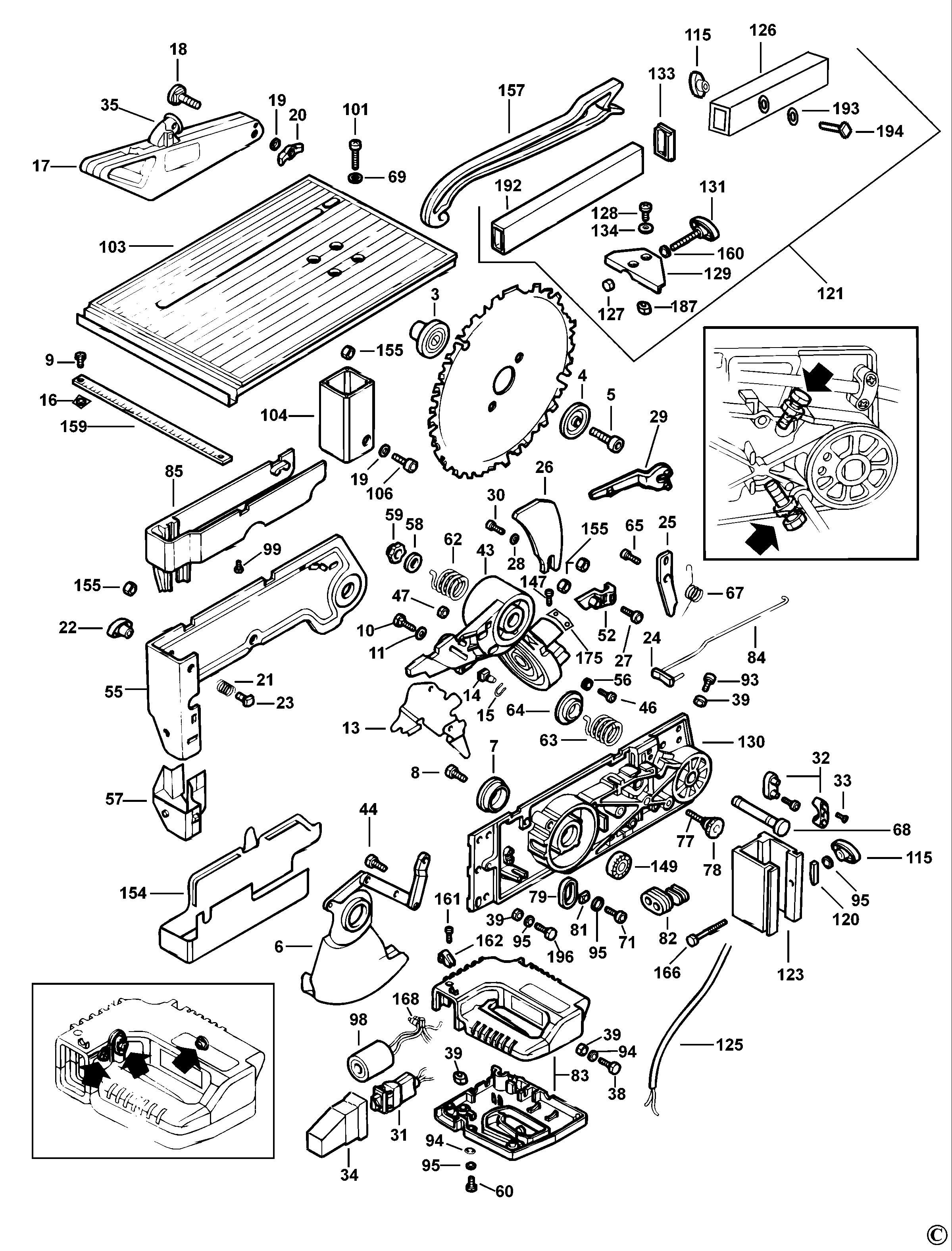
| 1 | 861848-00 | 1 | TABLE SA | XE | |||
| 2 | 946847-01 | 1 | ROTARY TABLE | XE | |||
| 3 | 861057-01 | 1 | INNER FLANGE | XE | |||
| 4 | 861056-00 | 1 | OUTER FLANGE | XE | |||
| 5 | 949886-21 | 1 | BOLT | XE | |||
| 6 | 864693-04 | 1 | GUARD SA | XE | |||
| 7 | 863039-02 | 1 | HUB | XE | |||
| 8 | 330045-49 | 2 | SCREW | XE | |||
| 9 | 930085-00 | 2 | SCREW | XE | |||
| 10 | 860093-14 | 1 | SCREW | XE | |||
| 11 | 860073-03 | 1 | WASHER M8 | XE | |||
| 12 | 949761-01 | 2 | WASHER | XE | |||
| 13 | 861918-04 | 1 | GUARD | XE | |||
| 14 | 861929-00 | 1 | NUT | XE | |||
| 15 | 860079-03 | 1 | CIRCLIP | XE | |||
| 16 | 943025-00 | 1 | PLATE | XE | |||
| 17 | 941844-04 | 1 | GUARD | XE | |||
| 18 | 931462-00 | 1 | SCREW | XE | |||
| 19 | 860073-03 | 1 | WASHER M8 | XE | |||
| 20 | 860655-01 | 1 | NUT | XE | |||
| 21 | 868082-00 | 1 | SPRING | XE | |||
| 22 | 861464-00 | 1 | KNOB | XE | |||
| 23 | 861963-00 | 1 | LOCKING PIN | XE | |||
| 24 | 861953-00 | 1 | CAP | XE | |||
| 25 | 863610-00 | 1 | PLATE | XE | |||
| 26 | 861919-00 | 1 | RIVING KNIFE | XE | |||
| 27 | 949886-16 | 1 | SCREW | XE | |||
| 28 | 860074-03 | 1 | WASHER | XE | |||
| 29 | 939072-00 | 1 | SPANNER | XE | |||
| 30 | 860093-00 | 1 | SCREW | XE | |||
| 31 | 861930-00 | 1 | SWITCH SA | UPTO DATECODE 52-00 | XE | ||
| 31 | 868319-00 | 1 | SWITCH | FROM DATECODE 01-01 | XE | ||
| 32 | 861692-00 | 1 | CLAMP | XE | |||
| 33 | 949889-02 | 2 | SCREW | XE | |||
| 34 | 861964-00 | 1 | COVER | UPTO DATECODE 52-00 | XE | ||
| 34 | 868320-00 | 1 | COVER | FROM DATECODE 01-01 | XE | ||
| 35 | 943582-01 | 1 | SUCTION PIPE | XE | |||
| 36 | 861925-02 | 1 | INSERT | XE | |||
| 37 | 861926-00 | 1 | INSERT | XE | |||
| 38 | 860085-09 | 1 | SCREW.TEMP | XE | |||
| 39 | 860083-12 | 2 | NUT M6 | XE | |||
| 40 | 947063-00 | 1 | LOCK HANDLE | XE | |||
| 41 | 943016-01 | 2 | LOCK-NUT | XE | |||
| 42 | 947062-00 | 2 | WASHER | XE | |||
| 43 | 861913-00 | 1 | SEGMENT SA | XE | |||
| 44 | 863262-00 | 1 | SCREW | XE | |||
| 46 | 860093-07 | 1 | SCREW | XE | |||
| 47 | 860083-04 | 1 | NUT | XE | |||
| 52 | 862075-01 | 1 | SPACER | XE | |||
| 55 | 861890-00 | 1 | FRAME | XE | |||
| 56 | 863599-02 | 1 | SPACER | XE | |||
| 57 | 861920-00 | 1 | SPACER | XE | |||
| 58 | 949761-02 | 1 | SHIM | XE | |||
| 59 | 949759-01 | 1 | LOCK NUT | XE | |||
| 60 | 860085-07 | 1 | SCREW | XE | |||
| 61 | 930076-00 | 2 | SCREW | XE | |||
| 62 | 863606-00 | 1 | SPRING LH | XE | |||
| 63 | 863590-00 | 1 | SPRING RH | XE | |||
| 64 | 863611-00 | 1 | SHIM | XE | |||
| 65 | 863602-00 | 1 | SCREW | XE | |||
| 67 | 863604-00 | 1 | SPRING | XE | |||
| 68 | 863607-00 | 1 | PIN | XE | |||
| 69 | 860074-01 | 1 | WASHER | XE | |||
| 71 | 860094-02 | 1 | SCREW | XE | |||
| 77 | 863605-00 | 1 | PIN | XE | |||
| 78 | 946469-00 | 1 | KNOB | XE | |||
| 79 | 863026-00 | 1 | GASKET | XE | |||
| 81 | 944650-00 | 1 | WASHER SPRING | XE | |||
| 82 | 863573-00 | 1 | INLET | XE | |||
| 83 | 862429-05 | 1 | HANDLE & COVER | XE | |||
| 84 | 863613-01 | 1 | ROD | XE | |||
| 85 | 402803-01 | 1 | GUARD UPPER | XE | |||
| 86 | 860073-05 | 1 | WASHER | XE | |||
| 89 | 330045-26 | 1 | SCREW | XE | |||
| 91 | 946853-03 | 1 | FENCE | XE | |||
| 93 | 860084-09 | 1 | SCREW | XE | |||
| 94 | 863025-00 | 1 | SHEATH | XE | |||
| 95 | 860075-00 | 1 | WASHER | XE | |||
| 98 | 949772-23 | 1 | CAPACITOR | XE | |||
| 99 | 860094-03 | 1 | SCREW | XE | |||
| 101 | 860084-22 | 1 | SCREW | XE | |||
| 102 | 946861-01 | 1 | SCALE | XE | |||
| 103 | 869189-02 | 1 | TABLE SA | Inc 107, 108 | XE | ||
| 104 | 402801-00 | 1 | BRACKET | XE | |||
| 106 | 949886-16 | 1 | SCREW | XE | |||
| 108 | N409486 | 4 | SCREW | XE | |||
| 109 | 860092-00 | 2 | NUT | XE | |||
| 110 | 949889-07 | 2 | SCREW | XE | |||
| 111 | 330045-55 | 5 | SCREW | XE | |||
| 112 | 861809-00 | 5 | FOOT SA | XE | |||
| 114 | 946858-00 | 1 | CLAMP | XE | |||
| 115 | 861464-00 | 1 | KNOB | XE | |||
| 116 | 946848-00 | 1 | BOLT | XE | |||
| 117 | 860205-04 | 3 | SCREW | XE | |||
| 118 | 860098-04 | 1 | WRENCH 6 MM | XE | |||
| 119 | 947015-01 | 1 | HANDLE SCREW SA | XE | |||
| 120 | 861748-00 | 1 | PLASTIC INSERT | XE | |||
| 121 | 861982-00 | 1 | FENCE SA | XE | |||
| 122 | 946866-00 | 1 | SPRING | XE | |||
| 123 | 402800-01 | 1 | BRACKET | XE | |||
| 124 | 946864-00 | 1 | LEVER | XE | |||
| 125 | 000000-00 | 1 | NO LONGER AVAILABLE | FROM DATECODE 01-01 | XE | ||
| 125 | 949863-16 | 1 | CABLE | XE | |||
| 126 | 861422-02 | 1 | FENCE | XE | |||
| 127 | 861453-00 | 1 | SPACER | XE | |||
| 128 | 949886-11 | 2 | SCREW | XE | |||
| 129 | 861421-01 | 1 | SUPPORT | XE | |||
| 130 | 862180-08 | 1 | SUPPORT BRACKET | XE | |||
| 131 | 861452-00 | 1 | KNOB | XE | |||
| 133 | 861423-00 | 2 | END CAP | XE | |||
| 134 | 860073-14 | 2 | WASHER | XE | |||
| 135 | 863112-00 | 1 | CAP | XE | |||
| 136 | 860445-00 | 1 | COVER | XE | |||
| 137 | 945841-00 | 1 | FAN | XE | |||
| 138 | 861345-00 | 1 | HOUSING SA | XE | |||
| 139 | 861336-02 | 1 | BRAKE | XE | |||
| 140 | 863015-00 | 1 | TIE ROD | XE | |||
| 142 | 868412-04 | 1 | STATOR SA 230V | XE | |||
| 143 | 860080-02 | 1 | RING | XE | |||
| 145 | 861349-00 | 1 | CIRCLIP | XE | |||
| 146 | 861338-00 | 1 | SPRING | XE | |||
| 147 | 949894-12 | 2 | SCREW | XE | |||
| 149 | 868768-07 | 1 | BEARING | XE | |||
| 150 | 861721-12 | 1 | BEARING | XE | |||
| 151 | 947619-00 | 1 | CHANGE LEVER SA | XE | |||
| 152 | 947614-00 | 1 | PLATE | XE | |||
| 154 | 861917-00 | 1 | GUARD | XE | |||
| 155 | 860083-04 | 2 | NUT | XE | |||
| 156 | 946859-00 | 1 | BOLT | XE | |||
| 157 | 860610-01 | 1 | PUSHROD | XE | |||
| 159 | 861923-00 | 1 | SCALE | XE | |||
| 160 | 941535-00 | 1 | NUT | XE | |||
| 161 | 860084-03 | 1 | SCREW | XE | |||
| 162 | 123106-00 | 1 | STRAP | XE | |||
| 166 | 949702-42 | 1 | SCREW | XE | |||
| 168 | 861257-00 | 1 | CONNECTOR | XE | |||
| 170 | 949734-01 | 1 | PIN | XE | |||
| 171 | 401176-00 | 1 | LATCH | XE | |||
| 172 | 935857-00 | 1 | O RING | XE | |||
| 173 | 949705-01 | 1 | WASHER | XE | |||
| 175 | 946862-01 | 1 | SCALE | XE | |||
| 177 | 949613-01 | 2 | WASHER | XE | |||
| 179 | 946858-01 | 1 | CLAMP | XE | |||
| 185 | 947068-02 | 2 | MAGNET | XE | |||
| 187 | 860083-13 | 2 | NUT | XE | |||
| 188 | 947868-01 | 1 | WASHER SPECIAL | XE | |||
| 191 | 401178-00 | 1 | BUSH | XE | |||
| 192 | 861978-00 | 1 | FENCE | XE | |||
| 193 | 860073-08 | 2 | WASHER | XE | |||
| 194 | 931997-00 | 1 | SCREW | XE | |||
| 196 | 949743-02 | 2 | SCREW | M8 x 14mm | XE | ||
| 837 | 559506-99 | 1 | SOCKET | XE | |||
| 838 | 559570-99 | 1 | SOCKET | XE | |||
| 847 | 868411-01 | 1 | ROTOR SA | XE |