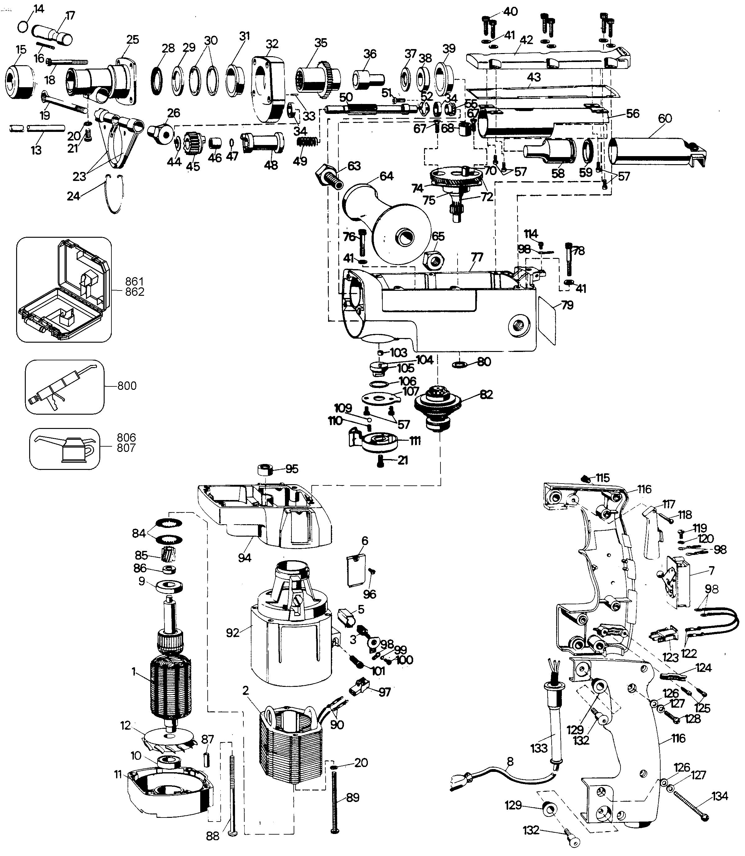
5043-45 ROTARY HAMMER - 240V AUST Type 3 | Drawings
Documents
| Item No. | Product Number | Qty Per | Product Description | General Description | Other Info | Markets | Product Status |
|---|---|---|---|---|---|---|---|
| 1 | 000000-00 | 1 | NO LONGER AVAILABLE | XE | |||
| 2 | 131742-77 | 1 | FIELD | INC 90, 98 | XE | ||
| 3 | 131801-02 | 2 | BRUSH | XE | |||
| 5 | 95515-01 | 2 | INSERT | XE | |||
| 6 | 400722-02 | 2 | COVER | XE | |||
| 7 | 95095-00 | 1 | SWITCH | XE | |||
| 8 | 444469-83 | 1 | CORD/10'/18-2 | XE | |||
| 9 | 605040-20 | 1 | BEARING | 12 x 28 x 8mm | XE | ||
| 10 | 330003-17 | 1 | BEARING | XE | |||
| 11 | 131750-02 | 1 | CAP | XE | |||
| 12 | 131818-00 | 1 | FAN | XE | |||
| 13 | 59756-00 | 1 | DEPTH ROD | XE | |||
| 14 | 21360-00 | 1 | RETAINER | XE | |||
| 15 | 131873-01 | 1 | SEAL | XE | |||
| 16 | 131824-00 | 1 | SPRING | XE | |||
| 17 | 400709-00 | 1 | RETAINER | XE | |||
| 18 | 98120-40 | 4 | SCREW | XE | |||
| 19 | 131872-03 | 1 | BOLT | XE | |||
| 20 | 98197-06 | 2 | WASHER SPRING | XE | |||
| 21 | 98120-10 | 2 | SCREW | XE | |||
| 23 | 000000-00 | 1 | NO LONGER AVAILABLE | XE | |||
| 24 | 400329-00 | 1 | SPRING | XE | |||
| 25 | 400307-03 | 1 | NOSE | XE | |||
| 26 | 400249-00 | 1 | NUT | XE | |||
| 28 | 149037-00 | 1 | SEAL | XE | |||
| 29 | 131819-00 | 1 | WASHER | XE | |||
| 30 | 131820-00 | 3 | SEAL | XE | |||
| 31 | 131817-00 | 1 | BEARING | XE | |||
| 32 | 400413-00 | 1 | HOUSING | INC 31, 33 | XE | ||
| 33 | 48731-00 | 1 | ROLLER | XE | |||
| 34 | 330003-04 | 2 | BEARING | XE | |||
| 35 | 445784-00 | 1 | GEAR | XE | |||
| 36 | 157340-00 | 1 | BEAT PIECE | XE | |||
| 37 | 444364-00 | 1 | WASHER | XE | |||
| 38 | 400691-00 | 1 | SEAL | XE | |||
| 39 | 131811-00 | 1 | BEARING | XE | |||
| 40 | 098120-16 | 6 | SCREW | XE | |||
| 41 | 98179-19 | 10 | WASHER | XE | |||
| 42 | 400443-01 | 1 | COVER | XE | |||
| 43 | 400149-01 | 1 | GASKET | XE | |||
| 44 | 400834-00 | 1 | WASHER | XE | |||
| 45 | 131865-00 | 1 | PINION | INC 46 | XE | ||
| 46 | 330004-02 | 1 | BEARING NEEDLE | XE | |||
| 47 | 52937-00 | 1 | RING | XE | |||
| 48 | 131788-00 | 1 | CLUTCH | XE | |||
| 49 | 131787-00 | 1 | SPRING | XE | |||
| 50 | 131786-00 | 1 | SHAFT | XE | |||
| 51 | 098119-12 | 2 | SCREW | XE | |||
| 52 | 444676-00 | 1 | PLATE | XE | |||
| 55 | 131781-00 | 1 | GEAR | XE | |||
| 56 | 447611-00 | 1 | BRACKET | XE | |||
| 57 | 98119-08 | 6 | SCREW | XE | |||
| 58 | 444365-00 | 1 | RAM | XE | |||
| 59 | 444650-00 | 1 | SEAL | XE | |||
| 60 | 131835-04 | 1 | PISTON | XE | |||
| 63 | 131827-00 | 1 | SCREW | XE | |||
| 64 | 130814-05 | 1 | Handle | XE | |||
| 65 | 330015-06 | 1 | NUT | M12x1.75 | XE | ||
| 67 | 98200-10 | 2 | SCREW | XE | |||
| 68 | 131836-00 | 1 | BEARING | XE | |||
| 70 | 94145-01 | 1 | PIN | XE | |||
| 72 | 131764-03 | 1 | GEAR | INC 70, 74, 75 | XE | ||
| 74 | 131864-00 | 1 | CLAMP | XE | |||
| 75 | 605040-25 | 1 | BEARING,BALL | XE | |||
| 76 | 98120-45 | 2 | SCREW | XE | |||
| 77 | 444267-09 | 1 | CASE | INC 39, 80 | XE | ||
| 78 | 98120-30 | 2 | SCREW | XE | |||
| 79 | 000000-00 | 1 | NO LONGER AVAILABLE | XE | |||
| 80 | 66683-00 | 1 | SEAL | XE | |||
| 82 | 445590-00 | 1 | PINION | XE | |||
| 84 | 94239-00 | 2 | WASHER | XE | |||
| 85 | 131765-00 | 1 | PINION | XE | |||
| 86 | 400036-00 | 1 | SLEEVE | XE | |||
| 87 | 400264-02 | 4 | SLEEVE | XE | |||
| 88 | 131751-00 | 4 | SCREW | XE | |||
| 89 | 98094-55 | 2 | SCREW | M5 X 55mm T25 | XE | ||
| 90 | 131753-00 | 2 | TERMINAL | XE | |||
| 92 | 131747-00 | 1 | CASE,FIELD | XE | |||
| 94 | 400416-02 | 1 | HOUSING | INC 95 | XE | ||
| 95 | 131757-00 | 1 | BEARING | XE | |||
| 96 | 400282-00 | 2 | SCREW | XE | |||
| 97 | 131783-00 | 1 | SPARE PART | XE | |||
| 98 | 053650-00 | 7 | TERMINAL | XE | |||
| 99 | 098197-03 | 2 | WASHER LOCK | XE | |||
| 100 | 98002-06 | 2 | SCREW | XE | |||
| 101 | 131802-00 | 1 | INSERT | XE | |||
| 103 | 131806-00 | 1 | BEARING | XE | |||
| 104 | 091286-00 | 1 | PIN | XE | |||
| 105 | 131866-01 | 1 | ECCENTRIC | INC 104 | XE | ||
| 106 | 131144-00 | 1 | SEAL | XE | |||
| 107 | 445783-00 | 1 | PLATE | XE | |||
| 109 | 000475-00 | 1 | BALL STEEL | XE | |||
| 110 | 50546-00 | 1 | SPRING | XE | |||
| 111 | 131805-01 | 1 | LEVER | XE | |||
| 114 | 98208-01 | 1 | SCREW | METRIC | XE | ||
| 115 | 131810-01 | 5 | INSERT | XE | |||
| 116 | 000000-00 | 1 | NO LONGER AVAILABLE | XE | |||
| 117 | 86791-02 | 1 | TRIGGER | XE | |||
| 118 | 30343-00 | 1 | RIVET | XE | |||
| 119 | 384127-01 | 4 | SCREW | XE | |||
| 120 | 98197-01 | 4 | WASHER LOCK | XE | |||
| 122 | 131778-00 | 2 | TERMINAL | XE | |||
| 123 | 131782-00 | 1 | PLUG | XE | |||
| 124 | 003618-00 | 1 | CORD CLAMP | XE | |||
| 125 | 330019-10 | 2 | SCREW | XE | |||
| 126 | 085950-00 | 5 | WASHER | XE | |||
| 127 | 000418-00 | 5 | WASHER | XE | |||
| 128 | 330045-08 | 4 | SCREW | XE | |||
| 129 | 131859-00 | 4 | GROMMET | XE | |||
| 132 | 444629-00 | 4 | SCREW | XE | |||
| 133 | 330005-01 | 1 | CORD PROTECTOR | XE | |||
| 134 | 98003-45 | 1 | SCREW | XE | |||
| 800 | 429698-00 | 1 | GREASE | BD-L 2 | XE | ||
| 806 | 000000-00 | 1 | NO LONGER AVAILABLE | XE | |||
| 807 | 000000-00 | 1 | NO LONGER AVAILABLE | XE | |||
| 861 | 381297-01 | 1 | KITBOX | XE | |||
| 862 | 449301-00 | 1 | LABEL,INSTR. | XE |