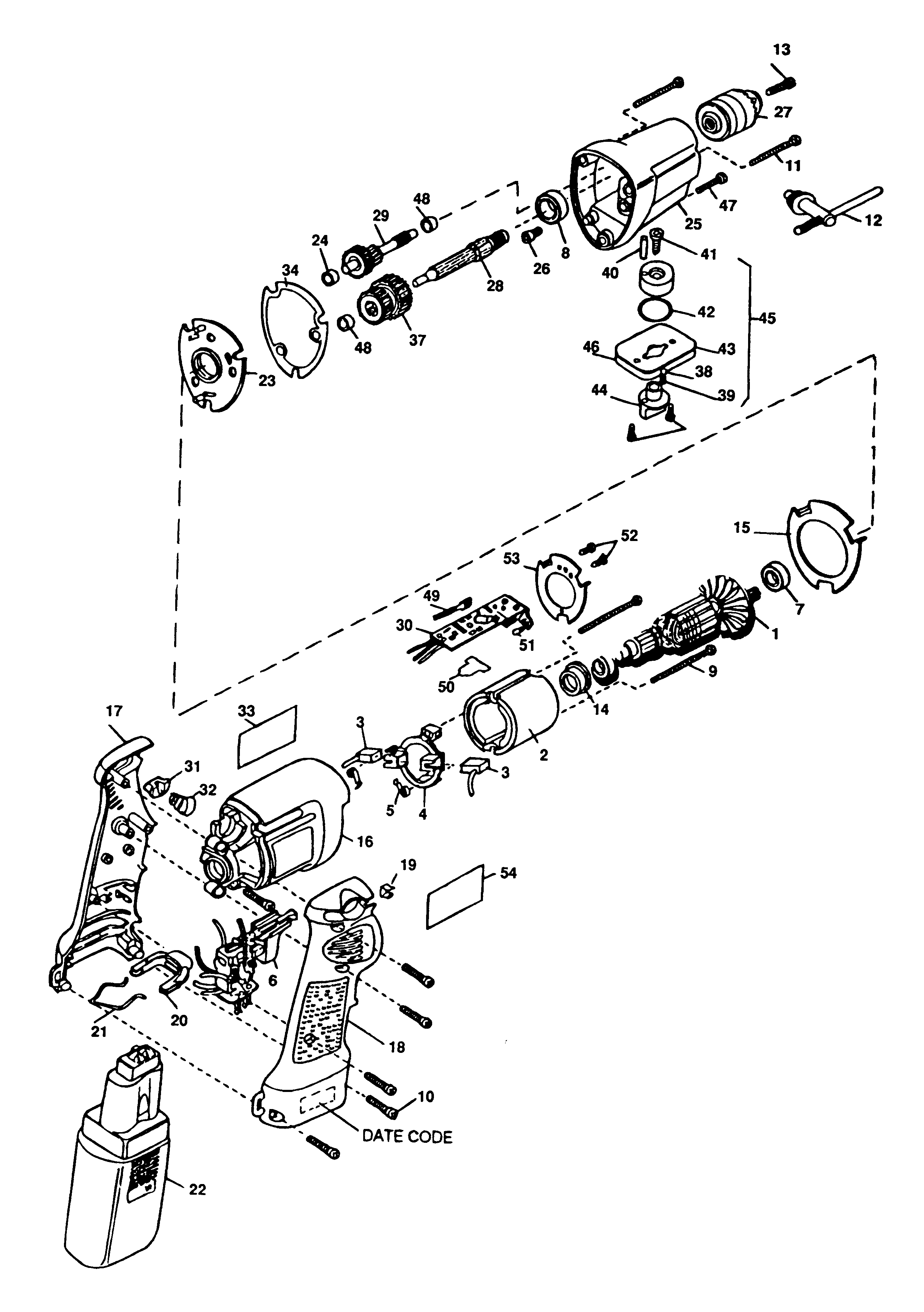
MAB132 CORDLESS SCREWDRIVER Type 1 | Drawings
Documents
| Item No. | Product Number | Qty Per | Product Description | General Description | Other Info | Markets | Product Status |
|---|---|---|---|---|---|---|---|
| 1 | 429906-00 | 1 | MOTOR SA | XJ | |||
| 1 | 90556435-02 | 1 | MOTOR HOUSING SA | XJ | |||
| 3 | 144689-01 | 2 | BRUSH | XJ | |||
| 4 | 382178-01 | 1 | BRUSH FRAME | XJ | |||
| 5 | 445860-00 | 2 | BRUSH SPRING | XJ | |||
| 7 | 605040-06 | 2 | BEARING,BALL | XJ | |||
| 8 | 605040-20 | 1 | BEARING | 12 x 28 x 8mm | XJ | ||
| 9 | 448269-00 | 2 | SCREW | XJ | |||
| 10 | 330019-13 | 6 | SCREW | M4X19 T20 | XJ | ||
| 11 | 330019-16 | 2 | SCREW | XJ | |||
| 12 | 330034-07 | 1 | CHUCK KEY | XJ | |||
| 13 | 605256-02 | 1 | SCREW | XJ | |||
| 14 | 445217-02 | 1 | SLEEVE | XJ | |||
| 15 | 447866-00 | 1 | BAFFLE FAN | XJ | |||
| 16 | 144682-01 | 1 | CASE | XJ | |||
| 17 | 149080-00 | 1 | Handle | XJ | |||
| 18 | 149081-00 | 1 | Handle | XJ | |||
| 19 | 144694-00 | 1 | CLIP | XJ | |||
| 20 | 144500-00 | 1 | LATCH | XJ | |||
| 21 | 144501-00 | 1 | SPRING | XJ | |||
| 23 | 448658-04 | 1 | GEARCASE COVER | XJ | |||
| 24 | 093128-00 | 1 | BEARING NEEDLE | XJ | |||
| 25 | 450238-01 | 1 | GEARCASE | XJ | |||
| 26 | 052819-00 | 1 | SCREW | XJ | |||
| 27 | 283319-00 | 1 | CHUCK & KEY | XJ | |||
| 28 | 450267-00 | 1 | SPINDLE | XJ | |||
| 29 | 450241-02 | 1 | GEAR & PINION | XJ | |||
| 30 | 147601-01 | 1 | ELECTRONIC | XJ | |||
| 34 | 450966-00 | 1 | GASKET | XJ | |||
| 36 | 98092-12 | 2 | SCREW | XJ | |||
| 37 | 149082-00 | 1 | GEAR | XJ | |||
| 38 | 000475-00 | 1 | BALL STEEL | XJ | |||
| 39 | 51658-00 | 1 | SPRING | XJ | |||
| 41 | 141617-00 | 1 | SCREW | XJ | |||
| 42 | 464252-00 | 2 | O RING | XJ | |||
| 43 | 147695-00 | 1 | PLATE | XJ | |||
| 44 | 450258-00 | 1 | KNOB | XJ | |||
| 45 | 450231-02 | 1 | CHANGE LEVER SA | XJ | |||
| 46 | 146978-00 | 1 | LABEL | XJ | |||
| 47 | 330019-15 | 1 | SCREW | XJ | |||
| 48 | 93129-00 | 2 | BEARING NEEDLE | XJ | |||
| 49 | 445964-00 | 1 | TERMINAL | XJ | |||
| 50 | 147602-00 | 1 | SHIELD | XJ | |||
| 51 | 147973-00 | 2 | PIN | XJ | |||
| 53 | 147949-00 | 1 | HEATSINK | XJ | |||
| 54 | 150623-00 | 1 | NAMEPLATE | XJ |