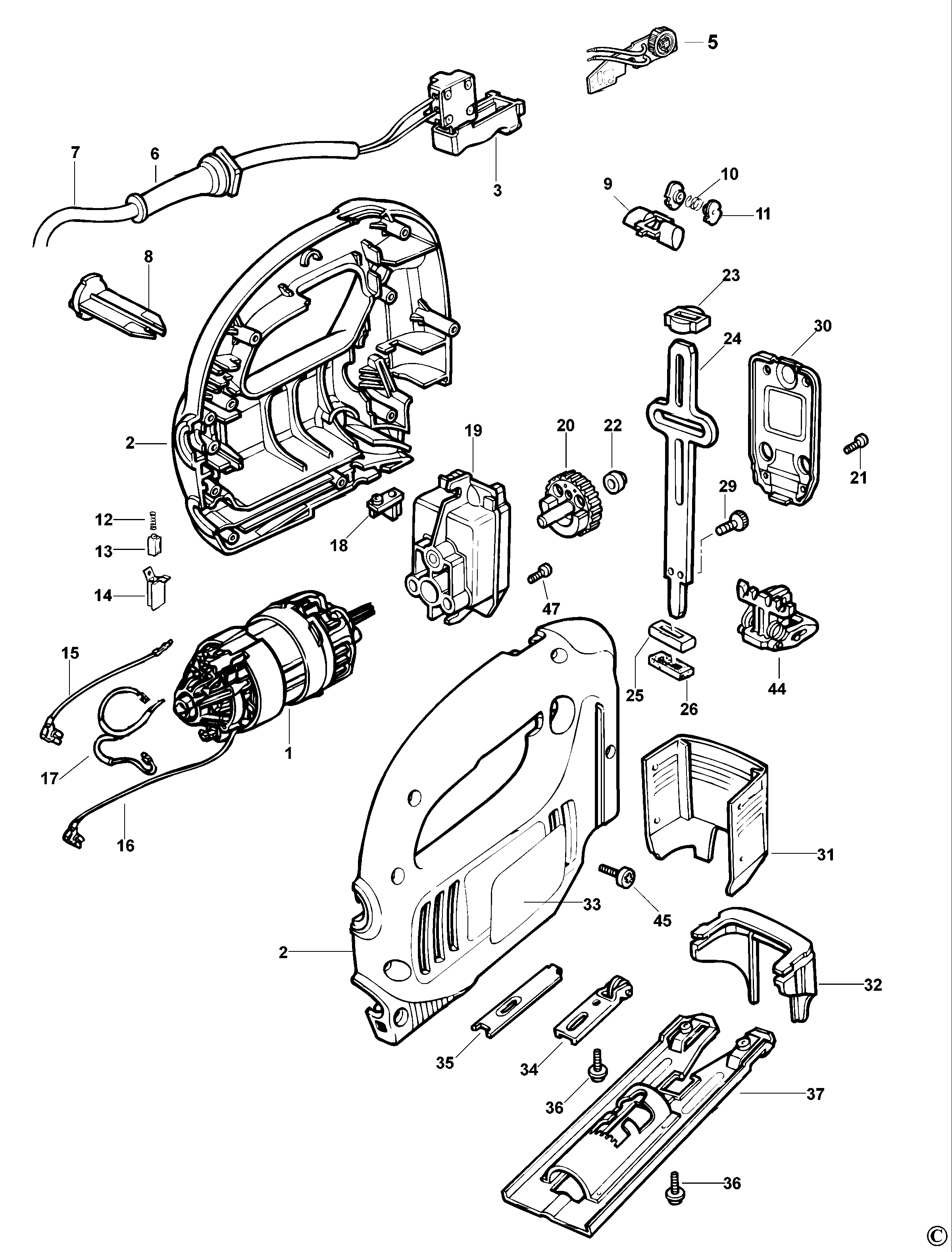
KS633E JIGSAW Type 4 | Drawings
Documents
| Item No. | Product Number | Qty Per | Product Description | General Description | Other Info | Markets | Product Status |
|---|---|---|---|---|---|---|---|
| 1 | 576376-03 | 1 | MOTOR SA | XE | |||
| 2 | 580151-01 | 1 | CLAMSHELL SET | XE | |||
| 3 | 809483-04 | 1 | SWITCH | XE | |||
| 5 | 368329-03 | 1 | PCB SA | XE | |||
| 6 | 770235 | 1 | PROTECTOR | XE | |||
| 7 | 330080-06 | 1 | CORDSET | XE | |||
| 8 | 369328 | 1 | REGULATOR | XE | |||
| 9 | 370282-00 | 1 | LOCK SA | XE | |||
| 10 | 748158 | 1 | SPRING | XE | |||
| 11 | 370966 | 2 | WASHER | XE | |||
| 12 | 847709 | 2 | SPRING | XE | |||
| 13 | 372523 | 2 | BRUSH | XE | |||
| 14 | 846076 | 2 | BRUSHBOX | XE | |||
| 15 | 830393 | 1 | LEAD | XE | |||
| 16 | 372828 | 1 | LEAD | XE | |||
| 17 | 828446 | 2 | CHOKE SA | XE | |||
| 18 | 369620 | 1 | NUT | XE | |||
| 19 | 368564 | 1 | GEARCASE | XE | |||
| 20 | 368562 | 1 | GEAR | XE | |||
| 21 | 891024 | 4 | SCREW | XE | |||
| 22 | 492994-00 | 1 | ROLLER | XE | |||
| 23 | 810897 | 1 | BEARING | XE | |||
| 24 | 370164-03 | 1 | SHAFT | XE | |||
| 25 | 810893 | 1 | BEARING | XE | |||
| 26 | 847216 | 1 | SEAL | XE | |||
| 29 | 370167 | 2 | SCREW | XE | |||
| 30 | 368587 | 1 | COVER | XE | |||
| 31 | 369008 | 1 | GUARD | XE | |||
| 32 | 370584 | 1 | GUARD | XE | |||
| 33 | 580121-00 | 1 | BRAND LABEL | XE | |||
| 34 | 368375-01 | 1 | SUPPORT SA | XE | |||
| 35 | 368857-00 | 1 | CLAMP | XE | |||
| 36 | 376409 | 2 | SCREW | XE | |||
| 37 | 369304-00 | 1 | SHOE SA | XE | |||
| 44 | 581098-02 | 1 | CLAMP SA | XE | |||
| 45 | 747329 | 9 | SCREW | XE | |||
| 47 | 812171 | 2 | SCREW | XE |