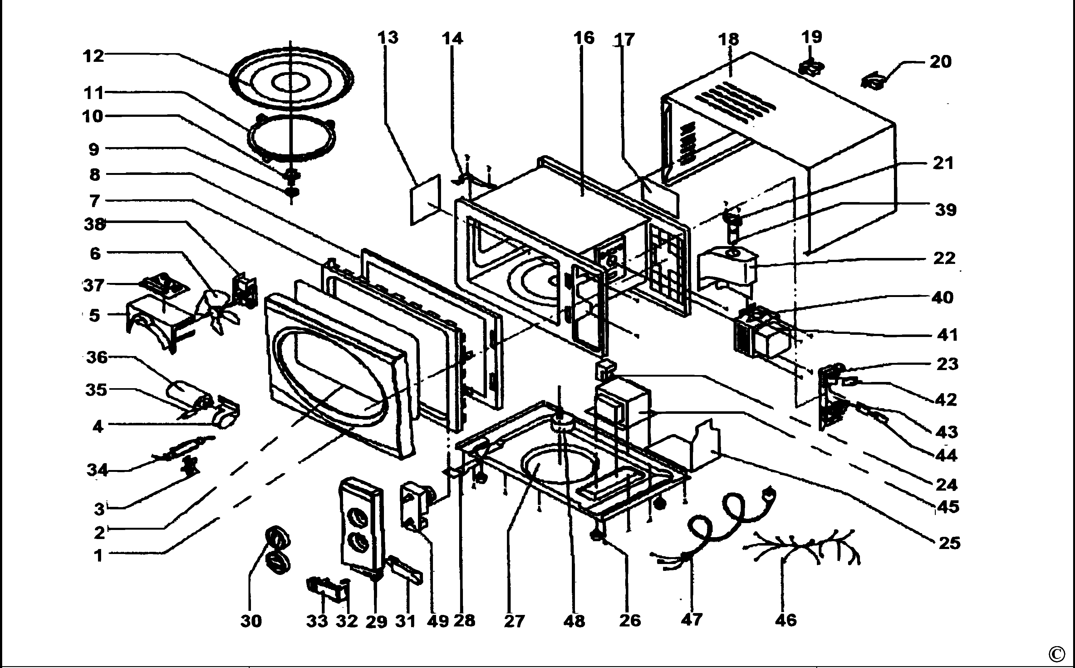
MX20P MICROWAVE Type 1 | Drawings
Documents
| Item No. | Product Number | Qty Per | Product Description | General Description | Other Info | Markets | Product Status |
|---|---|---|---|---|---|---|---|
| 1 | 6010041-01 | 1 | DOOR | XJ | |||
| 2 | 6010041-02 | 1 | WINDOW | XJ | |||
| 3 | 6010041-03 | 1 | SOCKET | XJ | |||
| 4 | 6010041-04 | 1 | HOLDER | XJ | |||
| 5 | 6010041-05 | 1 | SHROUD | XJ | |||
| 6 | 6010041-06 | 1 | BLADE | XJ | |||
| 7 | 6010041-07 | 1 | FRAME | XJ | |||
| 8 | 6010041-08 | 1 | COVER | XJ | |||
| 9 | 6010041-09 | 1 | WASHER | XJ | |||
| 10 | 6010041-10 | 1 | SHAFT | XJ | |||
| 11 | 6010041-11 | 1 | RING | XJ | |||
| 12 | 6010041-12 | 1 | TRAY | XJ | |||
| 13 | 6010041-13 | 1 | SHIELD | XJ | |||
| 14 | 6010041-14 | 1 | HINGE | XJ | |||
| 16 | 6010041-16 | 1 | BOX | XJ | |||
| 17 | 6010041-17 | 1 | LABEL | XJ | |||
| 18 | 6010041-18 | 1 | ENCLOSURE | XJ | |||
| 19 | 6010041-19 | 1 | HOLDER | XJ | |||
| 20 | 6010041-20 | 1 | HOLDER | XJ | |||
| 21 | 6010041-21 | 1 | SOCKET | XJ | |||
| 22 | 6010041-22 | 1 | DUCT | XJ | |||
| 23 | 6010041-23 | 1 | SWITCH SUPPORT | XJ | |||
| 24 | 6010041-24 | 1 | DAMPER | XJ | |||
| 25 | 6010041-25 | 1 | BRACKET | XJ | |||
| 26 | 6010041-26 | 1 | FOOT | XJ | |||
| 27 | 6010041-27 | 1 | BASE PLATE | XJ | |||
| 28 | 6010041-28 | 1 | HINGE | XJ | |||
| 29 | 6010041-29 | 1 | KEYBOARD | XJ | |||
| 30 | 6010041-30 | 1 | KNOB | XJ | |||
| 31 | 6010041-31 | 1 | LEVER | XJ | |||
| 32 | 6010041-32 | 1 | SPRING | XJ | |||
| 33 | 6010041-33 | 1 | BUTTON | XJ | |||
| 34 | 000000-05 | 1 | PARTIAL SUPPORT - ONLY PARTS LISTED AVAI | XJ | |||
| 34 | 000000-05 | 1 | PARTIAL SUPPORT - ONLY PARTS LISTED AVAI | XJ | |||
| 35 | 6010041-35 | 1 | DIODE | XJ | |||
| 36 | 6010041-36 | 1 | CAPACITOR | XJ | |||
| 37 | 6010041-37 | 1 | FILTER | XJ | |||
| 38 | 6010041-38 | 1 | MOTOR | XJ | |||
| 39 | 6010041-39 | 1 | LAMP | XJ | |||
| 40 | 6010041-40 | 1 | THERMOSTAT | XJ | |||
| 41 | 6010041-41 | 1 | MAGNETRON | 50Hz | XJ | ||
| 41 | 6010041-50 | 1 | MAGNETRON | 60Hz | XJ | ||
| 42 | 6010041-42 | 1 | MICRO SWITCH | XJ | |||
| 43 | 6010041-43 | 1 | MICRO SWITCH | XJ | |||
| 44 | 6010041-44 | 1 | MICRO SWITCH | XJ | |||
| 45 | 6010041-45 | 1 | TRANSFORMER | XJ | |||
| 46 | 6010041-46 | 1 | LEADS | XJ | |||
| 47 | 6010041-47 | 1 | CORDSET | XJ | |||
| 48 | 6010041-48 | 1 | MOTOR | XJ | |||
| 49 | 6010041-49 | 1 | TIMER | XJ |