Filter your results

Quick spare parts search

Enter part number or name.

Step by step

Search for your tool step by step.

Catalogue search

Browse our catalogue

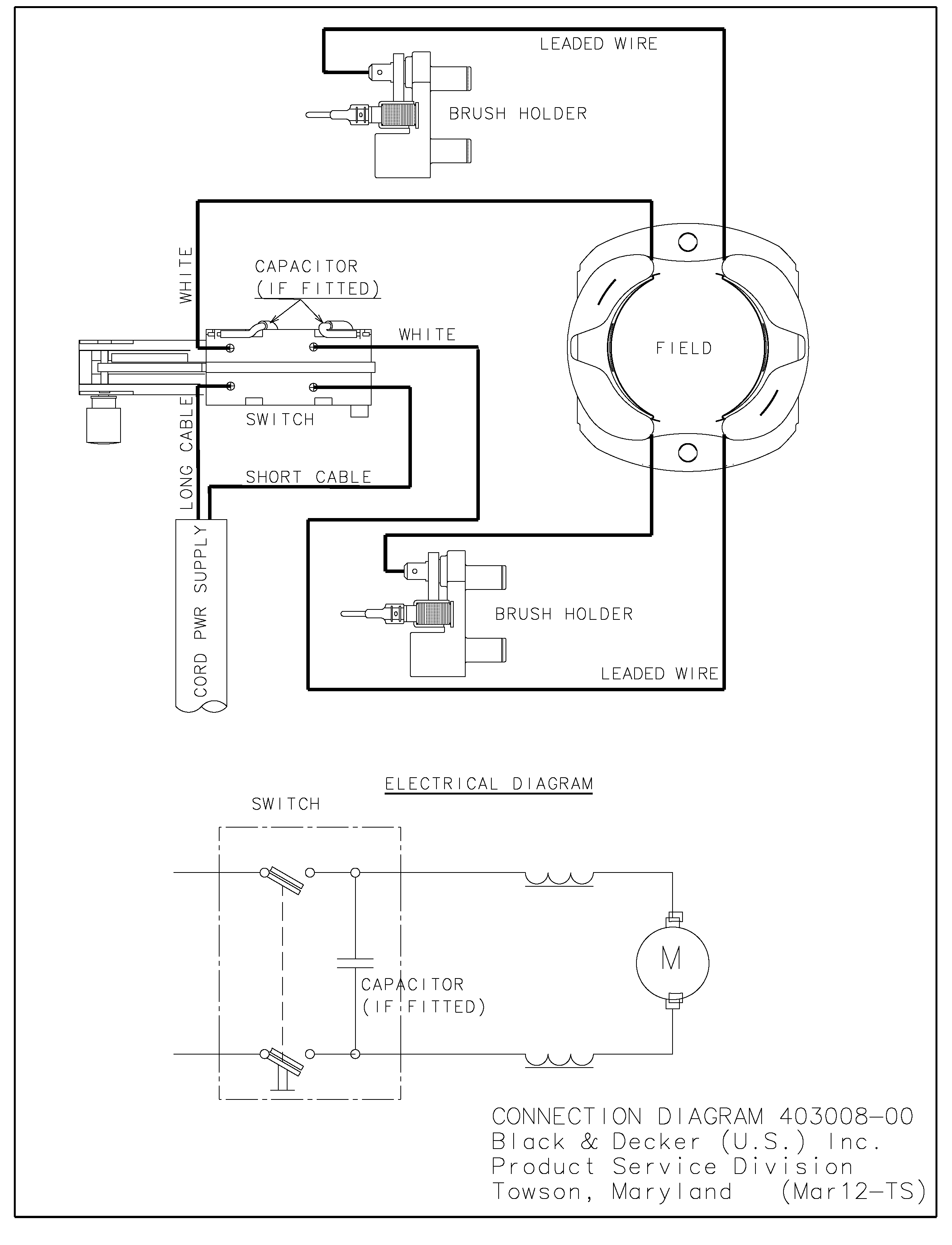
DW630 | SANDER/GRINDER Type 1

General Details

Type Identifier 1
Status Discontinued
Repair Instruction Status Repair
Last Date of Manufacture

Download Area / Documents

Parts lists Parts List

Technical specifications

TECH Attribute Value Unit Code
Frequency 50/60 Hz
Nameplate Voltage 220/240 Vac