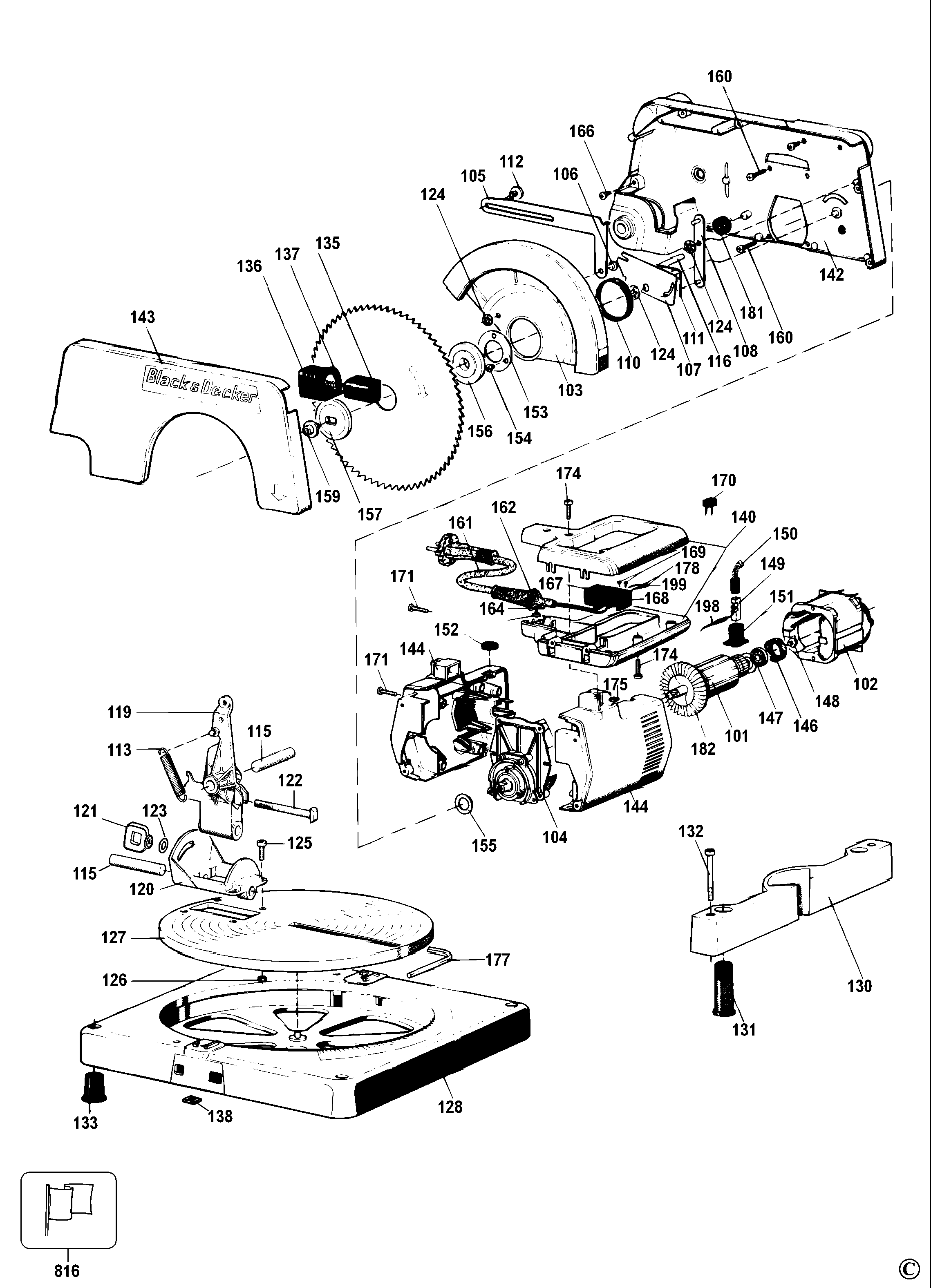
KS805 MITRE SAW Type 2 | Drawings
Documents
| Item No. | Product Number | Qty Per | Product Description | General Description | Other Info | Markets | Product Status |
|---|---|---|---|---|---|---|---|
| 101 | 376538-04 | 1 | ARMATURE 230V | XE | |||
| 102 | 376537-00 | 1 | FIELD SA | XE | |||
| 103 | 879741-01 | 1 | GUARD | XE | |||
| 104 | 376826 | 1 | GEARCASE SA | XE | |||
| 105 | 911784 | 1 | LEVER | XE | |||
| 106 | 870091 | 1 | RIVET | XE | |||
| 107 | 911794 | 1 | BAR | XE | |||
| 108 | 911984 | 1 | BAR | XE | |||
| 110 | 911891 | 1 | RING | XE | |||
| 111 | 911946 | 1 | SPRING | XE | |||
| 112 | 324776-00 | 1 | SCREW | XE | |||
| 113 | 870049 | 2 | SPRING | XE | |||
| 115 | 376649 | 1 | ROD | XE | |||
| 116 | 911825 | 1 | ROD | XE | |||
| 119 | 376645 | 1 | BLOCK | XE | |||
| 120 | 879743-01 | 1 | BRACKET | XE | |||
| 121 | 796490-00 | 1 | NUT WING | XE | |||
| 122 | 911879 | 1 | SCREW | XE | |||
| 123 | 369732 | 1 | WASHER | XE | |||
| 124 | 916105 | 3 | RING | XE | |||
| 125 | 911281 | 4 | SCREW | XE | |||
| 126 | 911018 | 4 | NUT | XE | |||
| 127 | 320568-02 | 1 | TABLE TURN | XE | |||
| 128 | 873296-49 | 1 | BASEPLATE | XE | |||
| 130 | 322555 | 1 | FENCE | XE | |||
| 131 | 322444 | 2 | ADJUSTER | XE | |||
| 132 | 911880 | 2 | SCREW | XE | |||
| 133 | 911972 | 4 | FOOT | XE | |||
| 135 | 322446 | 1 | KNOB | XE | |||
| 136 | 870008 | 1 | SLIDER | XE | |||
| 137 | 871676 | 1 | SPRING | XE | |||
| 138 | 918405 | 2 | PLATE | XE | |||
| 140 | 573270-00 | 1 | CLAMSHELL PAIR | XE | |||
| 142 | 325832-05 | 1 | GUARD | XE | |||
| 143 | 325833-02 | 1 | GUARD | XE | |||
| 144 | 376540 | 1 | HOUSING SA | XE | |||
| 146 | 870052 | 1 | SLEEVE | XE | |||
| 147 | 330003-31 | 1 | BEARING | XE | |||
| 148 | 911276 | 1 | SCREW | XE | |||
| 149 | 321337 | 2 | BRUSH HOLDER | XE | |||
| 150 | 321338 | 2 | BRUSH SA 230V | XE | |||
| 151 | 321328 | 2 | INSERT | XE | |||
| 152 | 321345 | 2 | BRUSH CAP | XE | |||
| 153 | 914632 | 1 | COVERPLATE | XE | |||
| 154 | 911246 | 3 | SCREW | XE | |||
| 155 | 377120 | 1 | WASHER | XE | |||
| 156 | 376716 | 1 | INNER FLANGE | XE | |||
| 157 | 376823 | 1 | FLANGE | XE | |||
| 159 | 874177 | 1 | SCREW | XE | |||
| 160 | 372748-02 | 4 | SCREW | XE | |||
| 161 | 000000-00 | 1 | NO LONGER AVAILABLE | XE | |||
| 162 | 770235 | 1 | PROTECTOR | XE | |||
| 164 | 910556 | 1 | CABLE CLAMP | XE | |||
| 166 | 372748-00 | 6 | SCREW | M4 x 12 | XE | ||
| 167 | 873285 | 1 | CAP | XE | |||
| 168 | 911726-S | 1 | SWITCH | XE | |||
| 169 | 911026 | 4 | SCREW | XE | |||
| 170 | 807285-01 | 1 | CAPACITOR | XE | |||
| 171 | 330065-08 | 6 | SCREW | M4x18 T20 | XE | ||
| 174 | 911878 | 2 | SCREW | XE | |||
| 175 | 911521 | 2 | NUT | XE | |||
| 177 | 098000-11 | 1 | HEX KEY | XE | |||
| 178 | 879775 | 1 | WIRE | XE | |||
| 181 | 873112-01 | 1 | RUBBER | XE | |||
| 182 | 369362 | 1 | FAN | XE | |||
| 198 | 321354 | 2 | LEAD 70MM | XE | |||
| 199 | 878846 | 1 | LEAD 360MM | XE | |||
| 816 | 326880-02 | 1 | BRAND LABEL | XE |