KS999EK JIGSAW Type 1 | Drawings
Documents
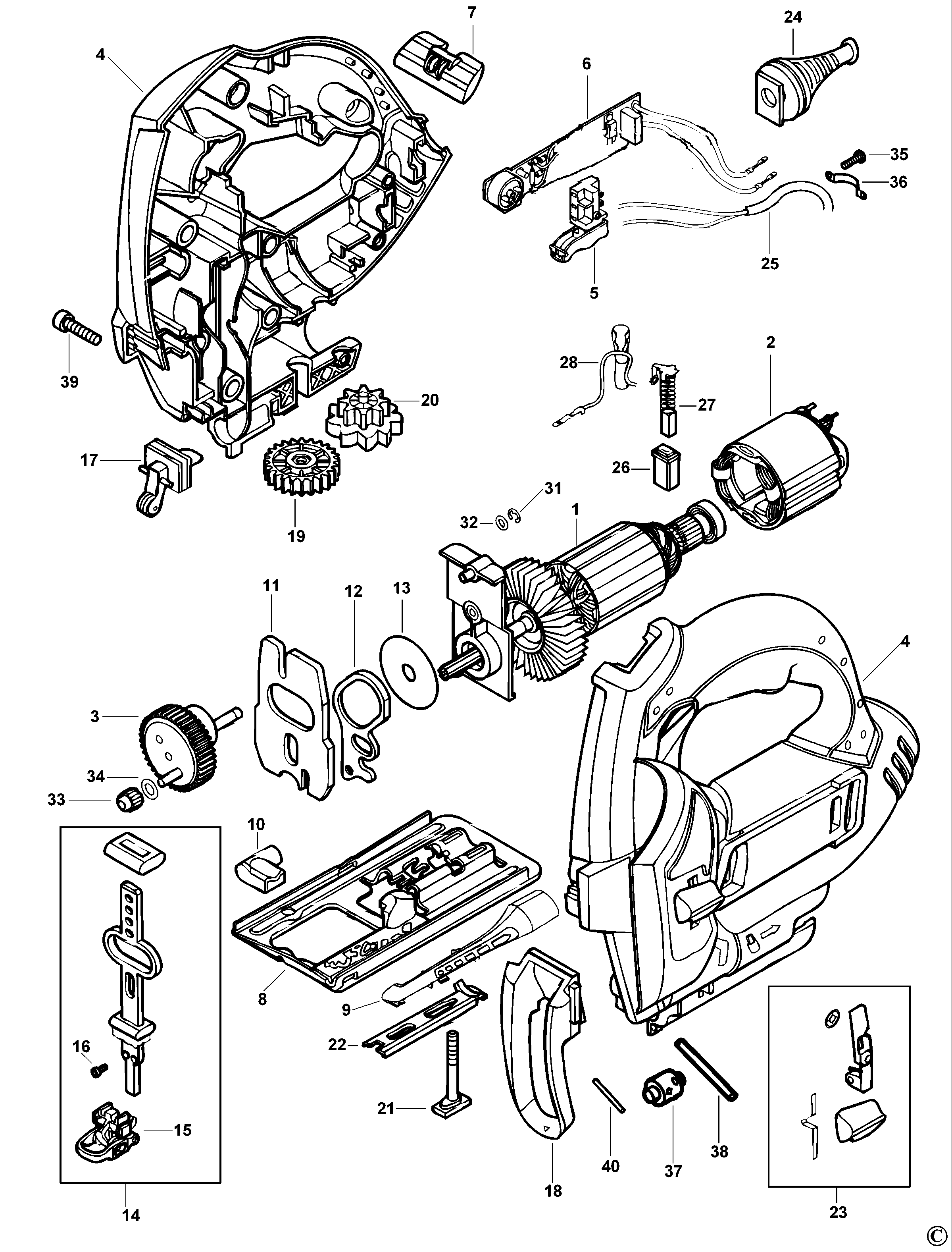
| Item No. | Product Number | Qty Per | Product Description | General Description | Other Info | Markets | Product Status |
|---|---|---|---|---|---|---|---|
| 1 | 583819-00 | 1 | ARMATURE SA | XE | |||
| 2 | 583820-01 | 1 | FIELD SA | XE | |||
| 3 | 583821-00 | 1 | GEAR SA | XE | |||
| 4 | 582698-00 | 1 | CLAMSHELL SET | XE | |||
| 5 | 582741-00 | 1 | SWITCH SA | XE | |||
| 6 | 000000-00 | 1 | NO LONGER AVAILABLE | XE | |||
| 7 | 582606-00 | 1 | BUTTON LOCK-ON | XE | |||
| 8 | 583568-00 | 1 | SHOE SA | XE | |||
| 9 | 582614-00 | 1 | VACUUM ADAPTOR | XE | |||
| 10 | 582732-00 | 1 | ELBOW TUBE | XE | |||
| 11 | 583011-00 | 1 | BALANCE WEIGHT | XE | |||
| 12 | 583002-00 | 1 | FORK | XE | |||
| 13 | 795648 | 1 | WASHER | XE | |||
| 14 | 583822-00 | 1 | SHAFT SA | XE | |||
| 15 | 582593-00 | 1 | BLADE CLAMP | XE | |||
| 16 | 583173-00 | 2 | SCREW | XE | |||
| 17 | 585414-00 | 1 | BLADE SUPPORT SA | XE | |||
| 18 | 583189-00 | 1 | GUARD | XE | |||
| 19 | 582768-00 | 1 | GEAR SA | XE | |||
| 20 | 582601-00 | 1 | ACTUATOR | XE | |||
| 21 | 582600-00 | 1 | LOCKING SCREW | XE | |||
| 22 | 582730-00 | 1 | BRACKET | XE | |||
| 23 | 583823-00 | 1 | SELECTOR SA | XE | |||
| 24 | 582722-00 | 1 | CORD PROTECTOR | XE | |||
| 25 | 330080-06 | 1 | CORDSET | XE | |||
| 26 | 582696-00 | 2 | BRUSHBOX | XE | |||
| 27 | 582761-00 | 2 | BRUSH & SPRING 230V | XE | |||
| 28 | 582762-00 | 2 | CHOKE LEAD SA | XE | |||
| 31 | 571181-00 | 1 | CLIP | XE | |||
| 32 | 582717-00 | 1 | WASHER | XE | |||
| 33 | 795688-00 | 1 | ROLLER | XE | |||
| 34 | 823954 | 1 | WASHER | XE | |||
| 35 | 370748 | 2 | SCREW | XE | |||
| 36 | 821070 | 1 | CORD CLAMP | XE | |||
| 37 | 582925-00 | 1 | SELECTOR | XE | |||
| 38 | 795675 | 1 | ROD | XE | |||
| 39 | 809961 | 9 | SCREW | XE | |||
| 40 | 795650 | 1 | PIN | XE |