DW500 HAMMER DRILL Type 1 | Drawings
Documents
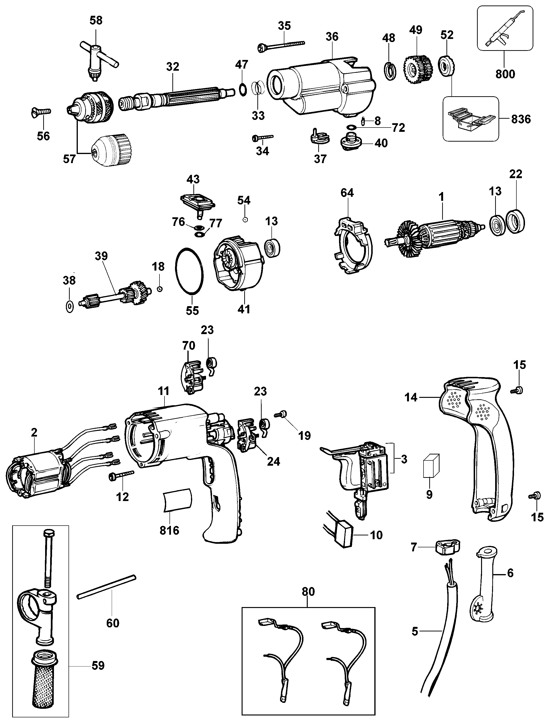
| Item No. | Product Number | Qty Per | Product Description | General Description | Other Info | Markets | Product Status |
|---|---|---|---|---|---|---|---|
| 1 | 575553-06 | 1 | ARMATURE 230V | XE | |||
| 2 | 1005527-05 | 1 | FIELD 230V | XE | |||
| 3 | 494635-00 | 1 | SWITCH 240V | Tyco | XE | ||
| 5 | 330048-38 | 1 | CABLE SA | XE | |||
| 6 | 403395-00 | 1 | CORD PROTECTOR | KEYLESS CHUCK | XE | ||
| 6 | 401751-00 | 1 | CORD PROTECTOR | KEYED CHUCK | XE | ||
| 7 | 402649-00 | 1 | CORD CLAMP | XE | |||
| 8 | 326467-00 | 2 | DETENT | XE | |||
| 9 | 930026-01 | 1 | BUMPER | XE | |||
| 10 | 949877-01 | 1 | CAPACITOR | XE | |||
| 11 | N014399 | 1 | FIELD CASE | XE | |||
| 12 | 390198-00 | 2 | SCREW | XE | |||
| 13 | 330003-04 | 1 | BEARING | XE | |||
| 14 | 176817-04 | 1 | HANDLE COVER | XE | |||
| 15 | 330019-13 | 3 | SCREW | M4X19 T20 | XE | ||
| 18 | 917725-00 | 1 | BALL | XE | |||
| 19 | 330065-06 | 2 | SCREW | XE | |||
| 22 | 389824-00 | 1 | BOOT | XE | |||
| 23 | 402759-00 | 2 | BRUSH SPRING | XE | |||
| 24 | 401877-01 | 1 | BRUSH HOLDER SA | XE | |||
| 32 | 628831-00 | 1 | SPINDLE | XE | |||
| 33 | 931890-00 | 1 | SPRING | XE | |||
| 34 | 330019-14 | 1 | SCREW | XE | |||
| 35 | 330019-18 | 2 | SCREW | M4.55 x 50 PLASTIC THD FMG | XE | ||
| 36 | N407393 | 1 | GEARCASE | XE | |||
| 37 | 628891-00 | 1 | SELECTOR FORK | SPEED | XE | ||
| 38 | 932933-00 | 1 | WASHER | XE | |||
| 39 | 401741-00SV | 1 | SPINDLE&GR.ASY | XE | |||
| 40 | 628891-00 | 1 | SELECTOR FORK | SPEED | XE | ||
| 41 | 578962-01 | 1 | GEARCASE COVER | XE | |||
| 43 | 401750-00SV | 1 | LEVER ASSY | XE | |||
| 47 | 930028-00 | 1 | O RING | XE | |||
| 48 | 1006305-00 | 1 | SEAL | XE | |||
| 49 | 397239-01 | 1 | GEAR | XE | |||
| 52 | 945706-00 | 1 | RATCHET | XE | |||
| 54 | 000903-00 | 1 | BALL | XE | |||
| 55 | 401847-00 | 1 | SEAL | XE | |||
| 56 | 448847-02 | 1 | SCREW | XE | |||
| 57 | 5140071-68 | 1 | CHUCK 13MM | KEYED CHUCK | XE | ||
| 57 | 330075-59 | 1 | KEYLESS CHUCK | 1/2CAP-1/2-20 HD-NPP | KEYLESS CHUCK | XE | |
| 58 | 90634055 | 1 | KEY | KEYED CHUCK | XE | ||
| 59 | 939794-02 | 1 | HANDLE SIDE SA | XE | |||
| 60 | 580787-00 | 1 | DEPTH STOP | XE | |||
| 64 | 176811-00 | 1 | BAFFLE | XE | |||
| 70 | 401878-01 | 1 | BRUSH HOLDER SA | XE | |||
| 72 | 61145-00 | 1 | SEAL | XE | |||
| 76 | 930102-00 | 1 | WASHER | XE | |||
| 77 | 050050-00 | 1 | RING | XE | |||
| 80 | 578393-02 | 1 | BRUSH KIT 230V | XE | |||
| 800 | 870889-02 | 1 | GREASE | XE | |||
| 816 | 395047-00 | 1 | BRAND LABEL | XE | |||
| 836 | 559596-99 | 1 | S.T.PULLER | XE |