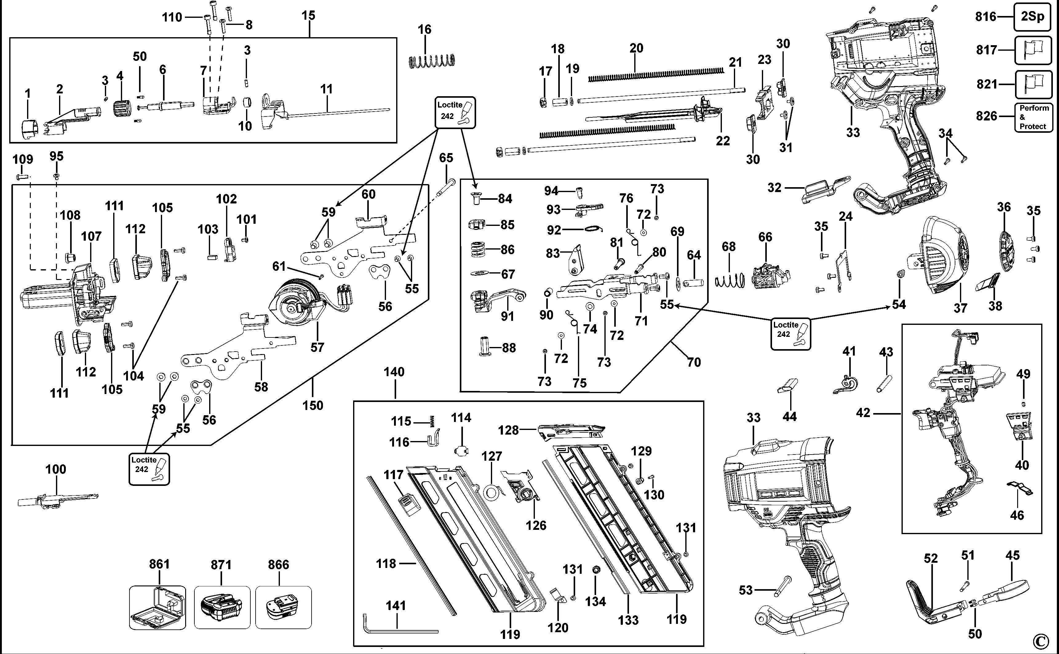
DCN692 CORDLESS NAILER Type 1 | Drawings
Documents
| Item No. | Product Number | Qty Per | Product Description | General Description | Other Info | Markets | Product Status |
|---|---|---|---|---|---|---|---|
| 1 | N116163 | 1 | COVER | XE | |||
| 2 | N093795 | 1 | ADJUSTER | XE | |||
| 3 | N153045 | 2 | ROLL PIN | XE | |||
| 4 | N037233 | 1 | ADJUSTER DEPTH | XE | |||
| 6 | N034174 | 1 | SHAFT | XE | |||
| 7 | N034374 | 1 | SUPPORT | XE | |||
| 8 | N093602 | 2 | SCREW | M4 X 17 T20 | XE | ||
| 10 | N044294 | 1 | SLEEVE | XE | |||
| 11 | N380152 | 1 | TRIP SA | XE | |||
| 15 | N233942 | 1 | DEPTH STOP SA | XE | |||
| 16 | N061508 | 1 | SPRING | XE | |||
| 17 | N192671 | 2 | CAP | XE | |||
| 18 | N088831 | 2 | BUMPER | XE | |||
| 19 | N088833 | 2 | WASHER | XE | |||
| 20 | N233943 | 1 | SPRING COMPRESSION | INCL. 2 SPRINGS | XE | ||
| 21 | N036350 | 2 | RAIL | XE | |||
| 22 | N522743 | 1 | PROFILE | XE | |||
| 23 | N036349 | 1 | CAP | XE | |||
| 24 | N121870 | 1 | PLATE | XE | |||
| 30 | N243999 | 1 | BUMPER | Inc x2 | XE | ||
| 31 | N088832 | 2 | SCREW | XE | |||
| 32 | N320039 | 1 | BUTTON | 2Sp | XE | ||
| 33 | N380150 | 1 | HOUSING PAIR | 2Sp | 2Sp | XE | |
| 34 | 330019-24 | 8 | SCREW | XE | |||
| 35 | N123731 | 6 | SCREW | XE | |||
| 36 | N365479 | 1 | COVER | XE | |||
| 37 | N586670 | 1 | END CAP | XE | |||
| 38 | N130853 | 1 | WINDOW | LED | XE | ||
| 40 | N093415 | 1 | SELECTOR SA | XE | |||
| 41 | N055786 | 1 | ACTUATOR | XE | |||
| 42 | N512745 | 1 | ELECTRONIC & SWITCH | XE | |||
| 43 | N037216 | 1 | SPACER | XE | |||
| 44 | N039287 | 1 | SWITCH LOCK OFF | XE | |||
| 45 | N080411 | 1 | CLAMP | XE | |||
| 46 | N087259 | 1 | DETENT | XE | |||
| 49 | N380148 | 1 | DETENT | XE | |||
| 50 | 326467-00 | 4 | DETENT | XE | |||
| 51 | N093728 | 1 | SCREW | XE | |||
| 52 | N080410 | 1 | HOOK | XE | |||
| 53 | N123751 | 1 | SCREW | XE | |||
| 54 | N093611 | 2 | SCREW | XE | |||
| 55 | N093608 | 6 | SCREW | M5x8 MACHINE | XE | ||
| 56 | N035847 | 2 | RETAINING PLATE | XE | |||
| 57 | N233948 | 1 | MOTOR SA 18V | XE | |||
| 58 | N034749 | 1 | FRAME LH | LH | XE | ||
| 59 | N477247 | 1 | SCREW | XE | |||
| 60 | N034750 | 1 | FRAME RH | RH | XE | ||
| 61 | N056875 | 1 | SCREW TORX | M4x10 | XE | ||
| 64 | N126788 | 1 | PIN | XE | |||
| 65 | N093607 | 1 | SCREW | M5x75 | XE | ||
| 66 | N233949 | 1 | SOLENOID ASSEMBLY | XE | |||
| 67 | N114861 | 1 | WASHER | XE | |||
| 68 | N219872 | 1 | SPRING | XE | |||
| 69 | N114861 | 1 | WASHER | XE | |||
| 70 | N473189 | 1 | AXIS & CARRIAGE SA | XE | |||
| 71 | N321159 | 1 | CARRIAGE | Ridged | XE | ||
| 72 | 330016-25 | 3 | WASHER | XE | |||
| 73 | 391814-00 | 3 | GROMMET | XE | |||
| 74 | N114961 | 1 | WASHER | XE | |||
| 75 | N613043 | 1 | SPRING LH | XE | |||
| 75 | N613043 | 1 | SPRING LH | XE | |||
| 76 | N231398 | 1 | SPRING RH | RH | XE | ||
| 80 | N083553 | 1 | PIN | XE | |||
| 81 | N034920 | 1 | PIN | XE | |||
| 83 | N233950 | 1 | ROLLER SA | XE | |||
| 84 | N477247 | 1 | SCREW | XE | |||
| 85 | N029585 | 1 | CAP | XE | |||
| 86 | N309239 | 1 | SPRING | Red | XE | ||
| 88 | N035104 | 1 | INSERT | ` | XE | ||
| 90 | N259819 | 1 | SLEEVE | XE | |||
| 91 | N234259 | 1 | BEAM | XE | |||
| 92 | N086806 | 1 | SPRING TORSION | XE | |||
| 93 | N086157 | 1 | LEVER | XE | |||
| 94 | N113536 | 1 | SCREW | XE | |||
| 95 | N123971 | 1 | SCREW | XE | |||
| 100 | N233939 | 1 | INSERT | XE | |||
| 101 | 949894-06 | 1 | SCREW | XE | |||
| 102 | N194170 | 1 | HOLDER | XE | |||
| 103 | N089554 | 1 | MAGNET | XE | |||
| 104 | 324006-16 | 4 | SCREW | XE | |||
| 105 | N082940 | 2 | RETAINER | BUMPER | XE | ||
| 107 | N089737 | 1 | CASTING | XE | |||
| 108 | N061668 | 1 | BUSHING | XE | |||
| 109 | 330019-11 | 2 | SCREW | M4.55x13 T20 | XE | ||
| 110 | N061605 | 2 | SCREW | XE | |||
| 111 | N133209 | 2 | DAMPER | XE | |||
| 112 | N233940 | 1 | BUMPER | LH+RH | XE | ||
| 114 | N034726 | 1 | RETAINER | XE | |||
| 115 | N061545 | 1 | SPRING COMPRESSION | XE | |||
| 116 | N307220 | 1 | LOCKING DEVICE | XE | |||
| 117 | N061505 | 1 | LATCH BUTTON | XE | |||
| 118 | N034716 | 1 | CLIP | XE | |||
| 119 | N380178 | 1 | MAGAZINE | XE | |||
| 120 | N114100 | 1 | LEVER LOCK | XE | |||
| 126 | N054935 | 1 | PUSHER | XE | |||
| 127 | N128653 | 1 | SPRING SA | XE | |||
| 128 | N397144 | 1 | MAGAZINE INTERFACE | XE | |||
| 129 | N061506 | 1 | INSERT | XE | |||
| 130 | 330019-62 | 1 | SCREW | XE | |||
| 131 | 330065-06 | 3 | SCREW | XE | |||
| 133 | N034743 | 1 | LINER | XE | |||
| 134 | 397893-00 | 1 | NUT | XE | |||
| 140 | N260859 | 1 | MAGAZINE SA | XE | |||
| 141 | N061664 | 1 | HEX KEY | XE | |||
| 150 | N413911 | 1 | MOTOR SA & MOUNT | XE | |||
| 816 | N377936 | 1 | LABEL | 2Sp | XE | ||
| 817 | N363160 | 1 | BRAND LABEL | 2SP | XE | ||
| 826 | N363139 | 1 | LABEL | P&P | XE | ||
| 861 | N137841 | 1 | KITBOX | XE | |||
| 871 | N126190 | 1 | CHARGER 10.8V - 18V | 10.8 - 18V - DCB105; DCB105-XE | XE |