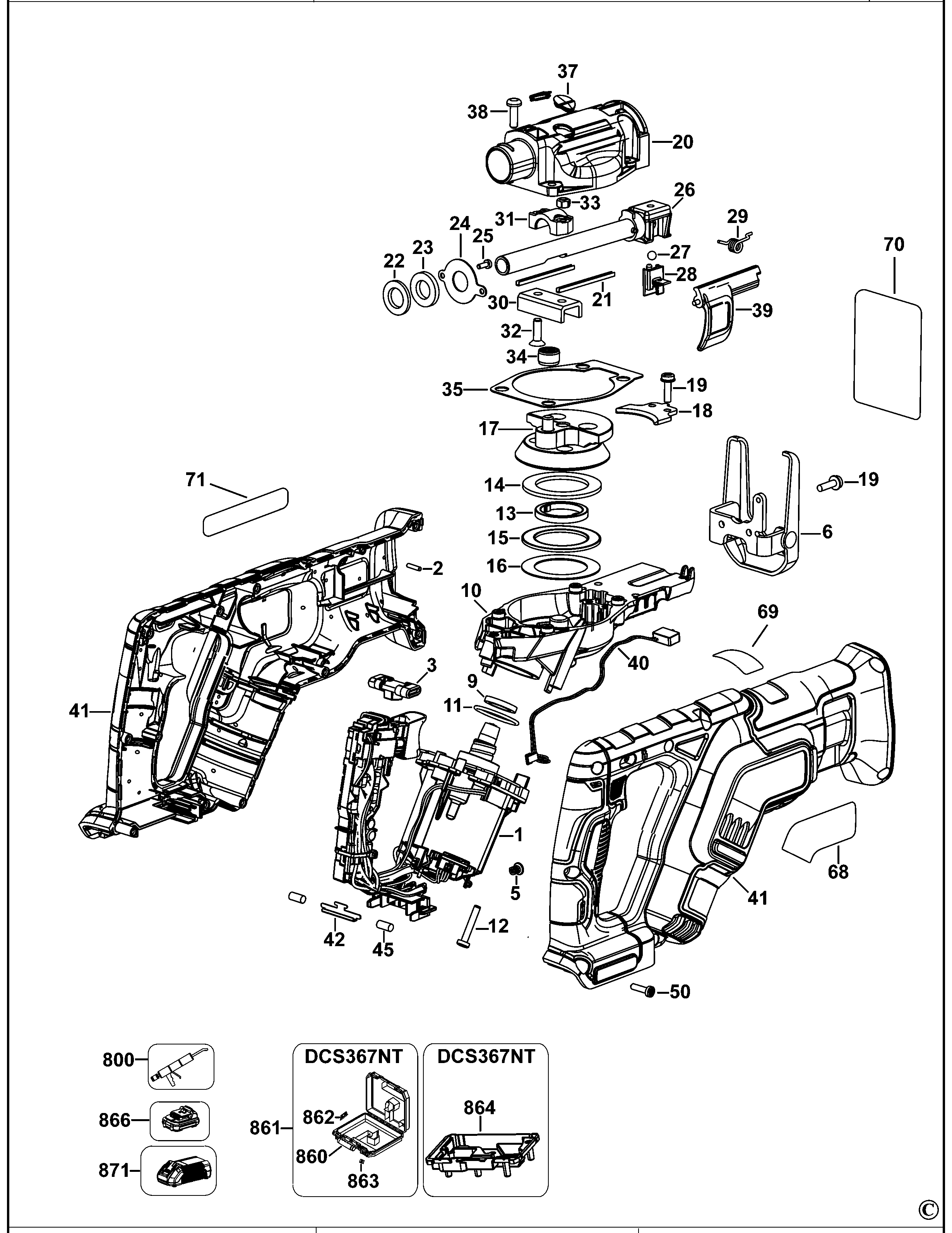
DCS367 CORDLESS RECIPROCATING SAW Type 10 | Drawings
Documents
| Item No. | Product Number | Qty Per | Product Description | General Description | Other Info | Markets | Product Status |
|---|---|---|---|---|---|---|---|
| 1 | N521971 | 1 | MOTOR & SWITCH SA | DCS367 EURO | XE | ||
| 2 | N071836 | 1 | ROLL PIN | XE | |||
| 3 | N454084 | 1 | BUTTON LOCK-OFF | XE | |||
| 5 | N453948 | 1 | SPRING | XE | |||
| 6 | N226256 | 1 | SHOE SA | XE | |||
| 9 | N143636 | 1 | FELT SEAL | XE | |||
| 10 | N435110 | 1 | GEARCASE SA | XE | |||
| 11 | N129171 | 1 | O RING | XE | |||
| 12 | N130874 | 3 | SCREW | XE | |||
| 13 | N143177 | 1 | SPACER | XE | |||
| 14 | N124072 | 1 | WASHER THRUST | XE | |||
| 15 | N115646 | 1 | THRUST BEARING | XE | |||
| 16 | N115647 | 1 | WASHER THRUST | XE | |||
| 17 | N406599 | 1 | GEAR SA | XE | |||
| 18 | N115642 | 1 | THRUST PLATE | XE | |||
| 19 | 142940-00 | 4 | SCREW | XE | |||
| 20 | N195829 | 1 | GEARCASE COVER SA | XE | |||
| 21 | 621979-00 | 2 | STRIP | XE | |||
| 22 | 618733-00 | 1 | SEAL | XE | |||
| 23 | 618477-00 | 1 | FELT SEAL | XE | |||
| 24 | N020720 | 1 | COVERPLATE | XE | |||
| 25 | 330045-43 | 1 | SCREW | XE | |||
| 26 | N026647 | 1 | SHAFT SA | XE | |||
| 27 | 000903-00 | 1 | BALL | XE | |||
| 28 | N252639 | 1 | SLIDER | XE | |||
| 29 | N426742 | 1 | SPRING | XE | |||
| 30 | 658115-00 | 1 | YOKE | XE | |||
| 31 | 617000-00 | 1 | SADDLE | XE | |||
| 32 | N191614 | 2 | SCREW | XE | |||
| 33 | N191590 | 2 | LOCK NUT | XE | |||
| 34 | N021857 | 1 | BEARING | XE | |||
| 35 | N115641 | 1 | GASKET | XE | |||
| 37 | N131037 | 2 | COVER | XE | |||
| 38 | 144457-02 | 4 | SCREW | XE | |||
| 39 | N412063 | 1 | LEVER SA | XE | |||
| 40 | N348279 | 1 | LED | XE | |||
| 41 | N519013 | 1 | CLAMSHELL SET | PKGD. N454055 | XE | ||
| 42 | N467560 | 1 | PLATE | XE | |||
| 45 | 949638-02 | 2 | DAMPER | XE | |||
| 50 | 330019-02 | 11 | SCREW | XE | |||
| 68 | N744173 | 1 | RATING LABEL | XE | |||
| 69 | N454095 | 1 | LABEL | BRUSHLESS MOTOR | XE | ||
| 70 | 632151-00 | 1 | LABEL | 4 POSITION | XE | ||
| 71 | N454100 | 1 | BRAND LABEL | 18V XR Li-Ion | XE | ||
| 800 | 286436-00 | 1 | GREASE | NYE RHEOLUBE 380, 500 GRAM JAR | XE | ||
| 860 | N615998 | 1 | Handle | XE | |||
| 861 | N615986 | 1 | KITBOX | XE | |||
| 862 | H1500082008 | 2 | LATCH | XE | |||
| 863 | P910190 | 2 | LATCH | XE | |||
| 864 | N505294 | 1 | INSERT | KITBOX | XE | ||
| 871 | N450538 | 1 | CHARGER 10.8V - 18V | XE |