DWE492 ANGLE GRINDER Type 1 | Drawings
Documents
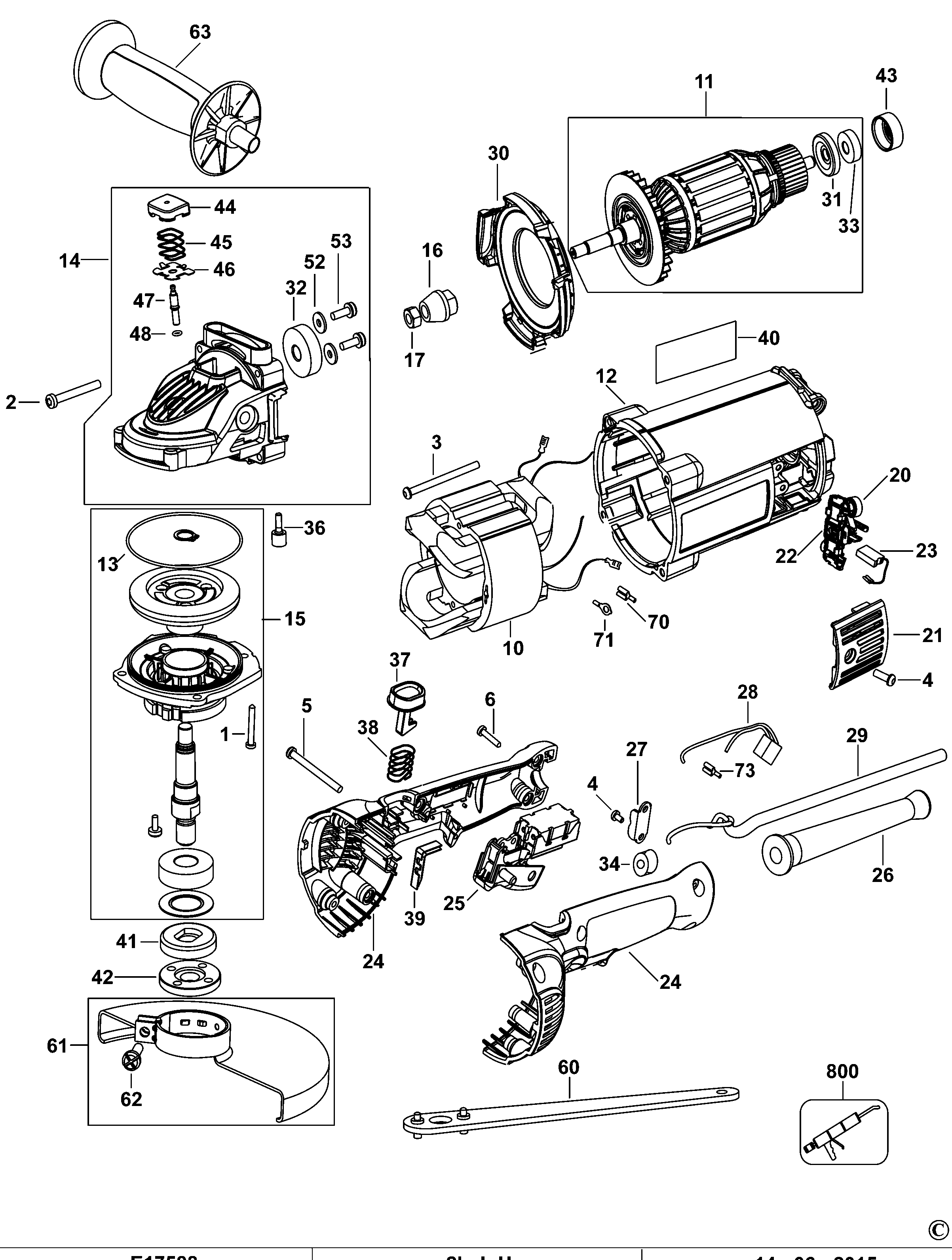
| Item No. | Product Number | Qty Per | Product Description | General Description | Other Info | Markets | Product Status |
|---|---|---|---|---|---|---|---|
| 1 | 330045-14 | 4 | SCREW | XE | |||
| 2 | 330019-26 | 4 | SCREW | XE | |||
| 3 | 330019-19 | 2 | SCREW | XE | |||
| 4 | 330019-11 | 2 | SCREW | M4.55x13 T20 | XE | ||
| 5 | 330019-50 | 3 | SCREW | M4.55x50 PLASTIC THD FMG | XE | ||
| 6 | 330019-32 | 4 | SCREW | XE | |||
| 10 | N310019 | 1 | FIELD SA | XE | |||
| 11 | N467980 | 1 | ARMATURE SA | XE | |||
| 12 | 393239-01 | 1 | FIELD CASE | XE | |||
| 13 | 397031-00 | 1 | O RING | XE | |||
| 14 | N442319 | 1 | GEARCASE SA | PKG'D N427268 | XE | ||
| 15 | N442320 | 1 | GEARCASE COVER SA | XE | |||
| 16 | N407625 | 1 | PINION | 6K | XE | ||
| 17 | 330015-03 | 1 | NUT | M8x1.25 | XE | ||
| 20 | 645650-00 | 2 | BRUSH SPRING | XE | |||
| 21 | 394387-01 | 2 | BRUSH COVER | XE | |||
| 22 | N410308 | 1 | BRUSH HOLDER SA | XE | |||
| 23 | N404514 | 1 | BRUSH PAIR | 230V, SET OF 2 | XE | ||
| 24 | 636499-01 | 1 | HANDLE & COVER | XE | |||
| 25 | N035342 | 1 | SWITCH SA | XE | |||
| 26 | N219433 | 1 | CORD PROTECTOR | XE | |||
| 27 | 604119-00 | 1 | CORD CLAMP | XE | |||
| 28 | 632218-00 | 1 | CAPACITOR | XE | |||
| 30 | 631350-00 | 1 | BAFFLE | XE | |||
| 31 | 393238-00 | 1 | SHIELD | XE | |||
| 32 | N389509 | 1 | BEARING | XE | |||
| 33 | N110359 | 1 | BEARING | XE | |||
| 33 | N110359 | 1 | BEARING | XE | |||
| 34 | N423473 | 1 | SUPPRESSOR | XE | |||
| 36 | N033051 | 1 | SCREW | XE | |||
| 37 | 636503-00 | 1 | BUTTON LOCK-OFF | XE | |||
| 38 | 636502-00 | 1 | SPRING | XE | |||
| 39 | N391190 | 1 | COVER | XE | |||
| 41 | 403150-01 | 1 | INNER FLANGE | XE | |||
| 42 | 401678-05 | 1 | OUTER FLANGE | XE | |||
| 43 | 609970-00 | 1 | SLEEVE INSULATING | XE | |||
| 44 | 630553-00 | 1 | CAP | XE | |||
| 45 | 638328-00 | 1 | SPRING | XE | |||
| 46 | 635908-00 | 1 | RETAINER | XE | |||
| 47 | 634589-00 | 1 | PIN | XE | |||
| 48 | 750831 | 1 | O RING | XE | |||
| 52 | 640591-00 | 2 | WASHER | XE | |||
| 53 | 330045-67 | 2 | SCREW | XE | |||
| 60 | 635261-00 | 1 | WRENCH PIN | XE | |||
| 61 | N419366 | 1 | GUARD SA | XE | |||
| 62 | N082712 | 1 | SCREW | XE | |||
| 63 | 651858-01 | 1 | SIDE HANDLE | XE | |||
| 70 | 612273-00 | 2 | TERMINAL | XE | |||
| 71 | 610057-00 | 2 | TERMINAL | XE | |||
| 73 | 053650-00 | 1 | TERMINAL | XE | |||
| 800 | 583534-00 | 1 | GREASE | 50 GRAMS - NYE RHEOLUB 380G1 | XE | ||
| 800 | 583534-00 | 1 | GREASE | 50 GRAMS - NYE RHEOLUB 380G1 | XE |