DW631K LAMINATE TRIMMER Type 1 | Drawings
Documents
| Item No. | Product Number | Qty Per | Product Description | General Description | Other Info | Markets | Product Status |
|---|---|---|---|---|---|---|---|
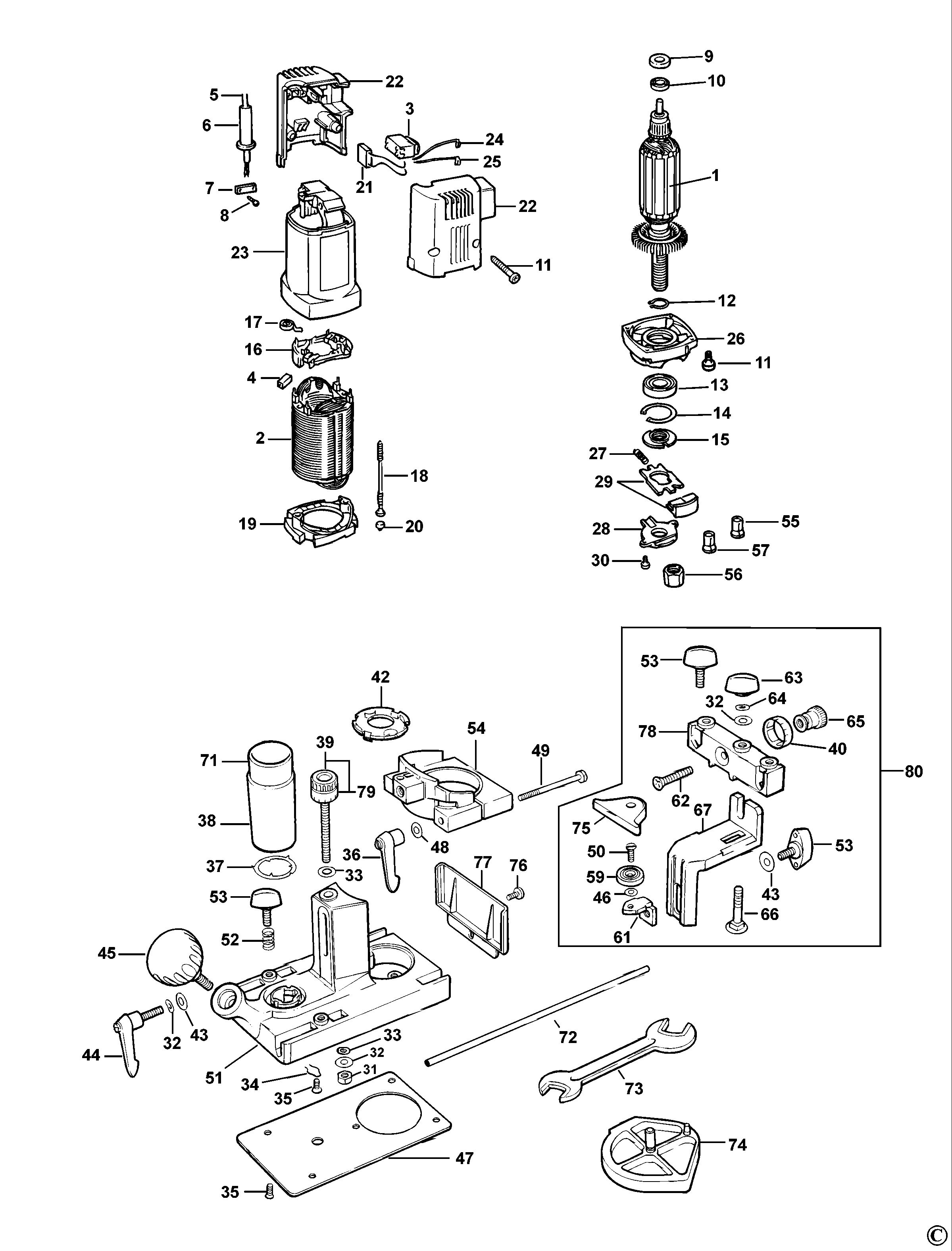
| 1 | 868630-00 | 1 | ARMATURE | 230V | CH | ||
| 1 | 868630-00 | 1 | ARMATURE | 240V | CH | ||
| 1 | 949740-01 | 1 | ARMATURE 115V | 115V | CH | ||
| 2 | 930441-01 | 1 | FIELD | 230V | CH | ||
| 2 | 930436-00 | 1 | FIELD 115V | 115V | CH | ||
| 2 | 930441-00 | 1 | FIELD 240V | 240V | CH | ||
| 3 | N566709 | 1 | SWITCH | CH | |||
| 4 | 930802-00 | 2 | BRUSH | 115V | CH | ||
| 4 | 930760-00 | 2 | BRUSH 230V | 230V | CH | ||
| 4 | 930760-00 | 2 | BRUSH 230V | 240V | CH | ||
| 5 | 330120-86 | 1 | CORDSET | CH | |||
| 6 | 949835-01 | 1 | PROTECTOR | CH | |||
| 7 | 930103-00 | 1 | CORD CLAMP | CH | |||
| 8 | 930276 | 2 | SCREW | CH | |||
| 9 | 930029-00 | 1 | HOLDER BEARING | CH | |||
| 10 | 330003-34 | 1 | BEARING | CH | |||
| 11 | 930079-01 | 6 | SCREW | CH | |||
| 12 | 930098-00 | 1 | RETAINER | CH | |||
| 13 | 868768-02 | 1 | BEARING | CH | |||
| 14 | 931398 | 1 | RING | CH | |||
| 15 | 944484-00 | 1 | LOCKING RING | CH | |||
| 16 | 930746-00 | 1 | BRUSH HOLDER SA | 230V / 240V | CH | ||
| 16 | 930749-00 | 1 | BRUSH HOLDER PLATE | 115V | CH | ||
| 17 | 930090-00 | 2 | BRUSH SPRING | CH | |||
| 18 | 930077-00 | 2 | SCREW | CH | |||
| 19 | 943173-00 | 1 | BAFFLE | CH | |||
| 20 | 933657-00 | 2 | CAP | CH | |||
| 21 | 949877-01 | 1 | CAPACITOR | CH | |||
| 22 | 943172-02 | 1 | HANDLE SA | CH | |||
| 23 | 943169-02 | 1 | FIELDCASE | CH | |||
| 24 | 949801-11 | 1 | LEAD | CH | |||
| 25 | 949801-10 | 1 | LEAD | CH | |||
| 26 | 943178-01 | 1 | HOUSING | CH | |||
| 27 | N406641 | 1 | SPRING COMPRESSION | CH | |||
| 28 | 944386-00 | 1 | COVER | CH | |||
| 29 | 947048-00 | 1 | BUTTON SA | CH | |||
| 30 | 930224-01 | 3 | SCREW | CH | |||
| 31 | 931035-00 | 1 | NUT | CH | |||
| 32 | 937545-00 | 3 | WASHER SPRING | CH | |||
| 33 | 930102-00 | 2 | WASHER | CH | |||
| 34 | 946288-00 | 1 | SPRING | CH | |||
| 35 | 945121-00 | 6 | SCREW.TEMP | CH | |||
| 36 | 949723-01 | 1 | LOCK HANDLE | CH | |||
| 37 | 946289-00 | 1 | SPRING | CH | |||
| 38 | 918412-00 | 1 | ADAPTOR | CH | |||
| 39 | 943219-02 | 1 | ADJUSTER | CH | |||
| 40 | 942918-01 | 2 | INDEX | CH | |||
| 42 | 946286-00 | 1 | COVERPLATE | CH | |||
| 43 | 931005 | 2 | WASHER | CH | |||
| 44 | 949723-02 | 1 | LOCK HANDLE | CH | |||
| 45 | 947143-00 | 1 | Handle | CH | |||
| 46 | 860073-00 | 1 | WASHER | CH | |||
| 47 | 946287-00 | 1 | BASEPLATE | CH | |||
| 48 | 930925 | 1 | WASHER | CH | |||
| 49 | 943184 | 1 | SCREW | CH | |||
| 50 | 949889-01 | 1 | SCREW | CH | |||
| 51 | 946275-01 | 1 | BASE | CH | |||
| 52 | 868082-00 | 4 | SPRING | CH | |||
| 53 | 326573-01 | 4 | SCREW WING | CH | |||
| 54 | 946284-01 | 1 | SUPPORT | CH | |||
| 55 | 943269-02 | 1 | COLLET 8MM | CH | |||
| 56 | 943270-00 | 1 | COLLET NUT | CH | |||
| 57 | 943269-00 | 1 | COLLET 6MM | COLLET 6MM | CH | ||
| 57 | 943269-01 | 1 | COLLET 6.35MM | COLLET 6.35MM | CH | ||
| 59 | 330003-34 | 1 | BEARING | CH | |||
| 61 | 946279-00 | 1 | SUPPORT | CH | |||
| 62 | 949889-08 | 1 | SCREW | CH | |||
| 63 | 942895-01 | 1 | KNOB | CH | |||
| 64 | 930925 | 1 | WASHER | CH | |||
| 65 | 946282-00 | 1 | ADJUSTER | CH | |||
| 66 | 860301-05 | 1 | SCREW.TEMP | CH | |||
| 67 | 946276-01 | 1 | SUPPORT | CH | |||
| 71 | 770238 | 1 | REDUCER | CH | |||
| 72 | 720683-00 | 2 | ROD | CH | |||
| 73 | 945393-00 | 1 | WRENCH | CH | |||
| 74 | 946649-00 | 1 | PLATE | CH | |||
| 75 | 946292-00 | 1 | GUIDE FENCE | CH | |||
| 76 | 949870-06 | 1 | SCREW | CH | |||
| 77 | 946651-00 | 1 | GUARD | CH | |||
| 78 | 946283-01 | 1 | SUPPORT | CH | |||
| 79 | 942918-00 | 1 | INDEX | CH | |||
| 80 | 947411-02 | 1 | GUIDE SA | CH |