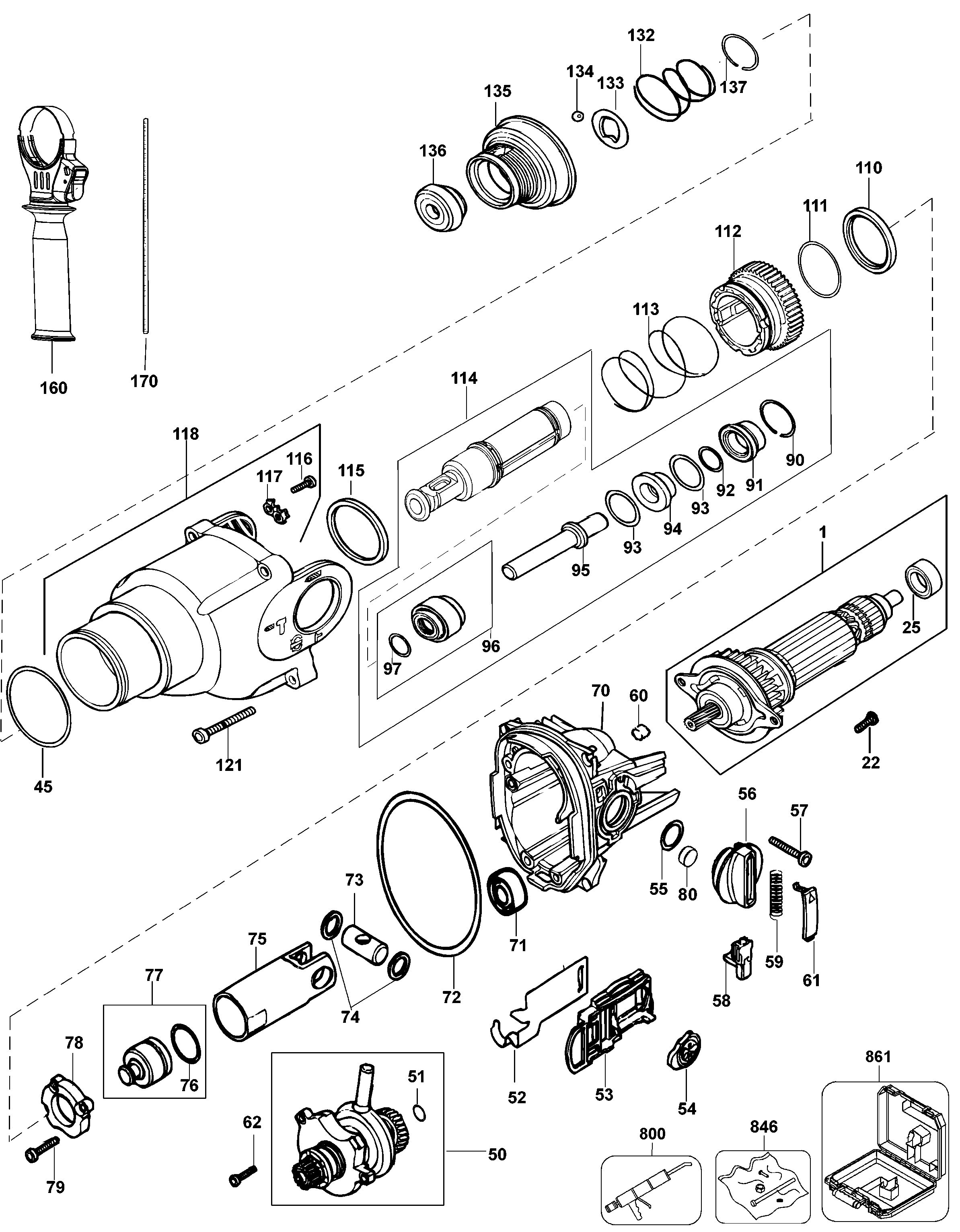
D25203K HAMMER Type 1 | Drawings
Documents
| Item No. | Product Number | Qty Per | Product Description | General Description | Other Info | Markets | Product Status |
|---|---|---|---|---|---|---|---|
| 1 | 585474-00 | 1 | ARMATURE 230V | B2 | |||
| 2 | 576690-05 | 1 | FIELD 230V | B2 | |||
| 3 | 578287-01 | 1 | SWITCH | B2 | |||
| 4 | 577830-02 | 2 | BRUSH HOLDER SA | B2 | |||
| 5 | 585475-00 | 1 | BRUSH PAIR 230V | B2 | |||
| 6 | 949877-01 | 1 | CAPACITOR | B2 | |||
| 7 | 584090-00 | 1 | CORD PROTECTOR | B2 | |||
| 8 | 582573-01 | 1 | CORDSET | B2 | |||
| 9 | 330065-26 | 1 | SCREW | B2 | |||
| 12 | 583611-00 | 1 | LEAD WHITE | B2 | |||
| 13 | 583611-01 | 1 | LEAD BLUE | B2 | |||
| 14 | 583611-04 | 1 | LEAD BLACK | B2 | |||
| 15 | 583611-05 | 1 | LEAD VIOLET | B2 | |||
| 16 | 583611-02 | 1 | LEAD RED | B2 | |||
| 17 | 583611-03 | 1 | LEAD YELLOW | B2 | |||
| 18 | 930026-01 | 1 | BUMPER | B2 | |||
| 19 | 578218-00 | 1 | SLIDER | B2 | |||
| 20 | 578220-00 | 1 | LEVER | B2 | |||
| 21 | 870052 | 1 | SLEEVE | B2 | |||
| 22 | 324006-14 | 2 | SCREW | B2 | |||
| 23 | 326519-03 | 4 | SCREW | B2 | |||
| 24 | 582144-00 | 1 | BAFFLE | B2 | |||
| 25 | 330003-19 | 1 | BEARING | B2 | |||
| 27 | 584008-00 | 1 | SUPPORT | B2 | |||
| 29 | 584080-00 | 1 | INSERT | B2 | |||
| 31 | 578277-00 | 1 | FIELD CASE | B2 | |||
| 32 | 586503-00 | 1 | HANDLE SA | B2 | |||
| 34 | 578278-00 | 1 | COVER | B2 | |||
| 36 | 821070 | 1 | CORD CLAMP | B2 | |||
| 37 | 330065-08 | 4 | SCREW | M4x18 T20 | B2 | ||
| 40 | 330065-25 | 4 | SCREW | B2 | |||
| 45 | 577791-00 | 1 | O RING | B2 | |||
| 50 | 585480-00 | 1 | INTERSHAFT SA | B2 | |||
| 51 | 580907-00 | 1 | O RING | B2 | |||
| 52 | 578271-00 | 1 | PLATE | B2 | |||
| 53 | 579564-00 | 1 | HOLDER | B2 | |||
| 54 | 579552-00 | 1 | SELECTOR | B2 | |||
| 55 | 584638-00 | 1 | O RING | B2 | |||
| 56 | 587269-00 | 1 | LEVER | Also order item #80 | B2 | ||
| 57 | 324007-14 | 1 | SCREW | B2 | |||
| 58 | 579184-00 | 1 | LOCK BUTTON | B2 | |||
| 59 | 579179-00 | 1 | SPRING | B2 | |||
| 60 | 582865-00 | 1 | FILTER | B2 | |||
| 61 | 579185-00 | 1 | COVER | B2 | |||
| 62 | 583981-00 | 3 | SCREW | B2 | |||
| 70 | 585482-00 | 1 | HOUSING SA | B2 | |||
| 71 | 330003-31 | 1 | BEARING | B2 | |||
| 72 | 578229-00 | 1 | SEAL | B2 | |||
| 73 | 577801-00 | 1 | BEARING BLOCK | B2 | |||
| 74 | 577802-00 | 2 | WASHER SHIM | B2 | |||
| 75 | 584420-00 | 1 | PISTON | B2 | |||
| 76 | 579699-00 | 1 | O RING | B2 | |||
| 77 | 584421-00 | 1 | RAM | B2 | |||
| 78 | N042808 | 1 | BEARING BUSH | B2 | |||
| 79 | 324006-15 | 3 | SCREW | B2 | |||
| 80 | 587252-00 | 1 | FILTER | B2 | |||
| 90 | 577793-00 | 1 | CLIP | B2 | |||
| 91 | 584426-00 | 1 | BUSH | B2 | |||
| 92 | 580990-00 | 1 | O RING | B2 | |||
| 93 | 577135-00 | 2 | O RING | B2 | |||
| 94 | 584425-00 | 1 | DAMPER | B2 | |||
| 95 | N082142 | 1 | BEAT PIECE | B2 | |||
| 96 | 584423-00 | 1 | BEARING & SEAL | B2 | |||
| 97 | 577139-00 | 1 | SEAL | B2 | |||
| 110 | 577797-00 | 1 | WASHER | B2 | |||
| 111 | 577744-00 | 1 | O RING | B2 | |||
| 112 | 587482-00 | 1 | CLUTCH SA | B2 | |||
| 113 | 579178-00 | 1 | SPRING | B2 | |||
| 114 | 584422-00 | 1 | CYLINDER SA | B2 | |||
| 115 | 577814-00 | 1 | WASHER | B2 | |||
| 116 | 330065-02 | 2 | SCREW | B2 | |||
| 117 | 580291-00 | 1 | LOCKING DEVICE | B2 | |||
| 118 | 585483-00 | 1 | HOUSING SA | B2 | |||
| 121 | 330065-28 | 8 | SCREW | B2 | |||
| 132 | 871690 | 1 | SPRING | B2 | |||
| 133 | 578387-00 | 1 | WASHER | B2 | |||
| 134 | 583890-00 | 1 | BALL | B2 | |||
| 135 | 577928-00 | 1 | TUBE | B2 | |||
| 136 | 323489-00 | 1 | CAP | B2 | |||
| 137 | 579212-00 | 1 | RING | B2 | |||
| 160 | 589467-00 | 1 | SIDE HANDLE | B2 | |||
| 170 | 798846-02 | 1 | DEPTH STOP | B2 | |||
| 800 | 487130-04 | 1 | GREASE | GLK FLUID 249 NLGI 000 (10G SERVICE) | GLK GREASE | B2 | |
| 800 | 870889-02 | 1 | GREASE | B2 | |||
| 821 | 569037-00 | 1 | RATING PLATE | B2 | |||
| 846 | 585499-00 | 1 | SERVICE KIT 230V | B2 |