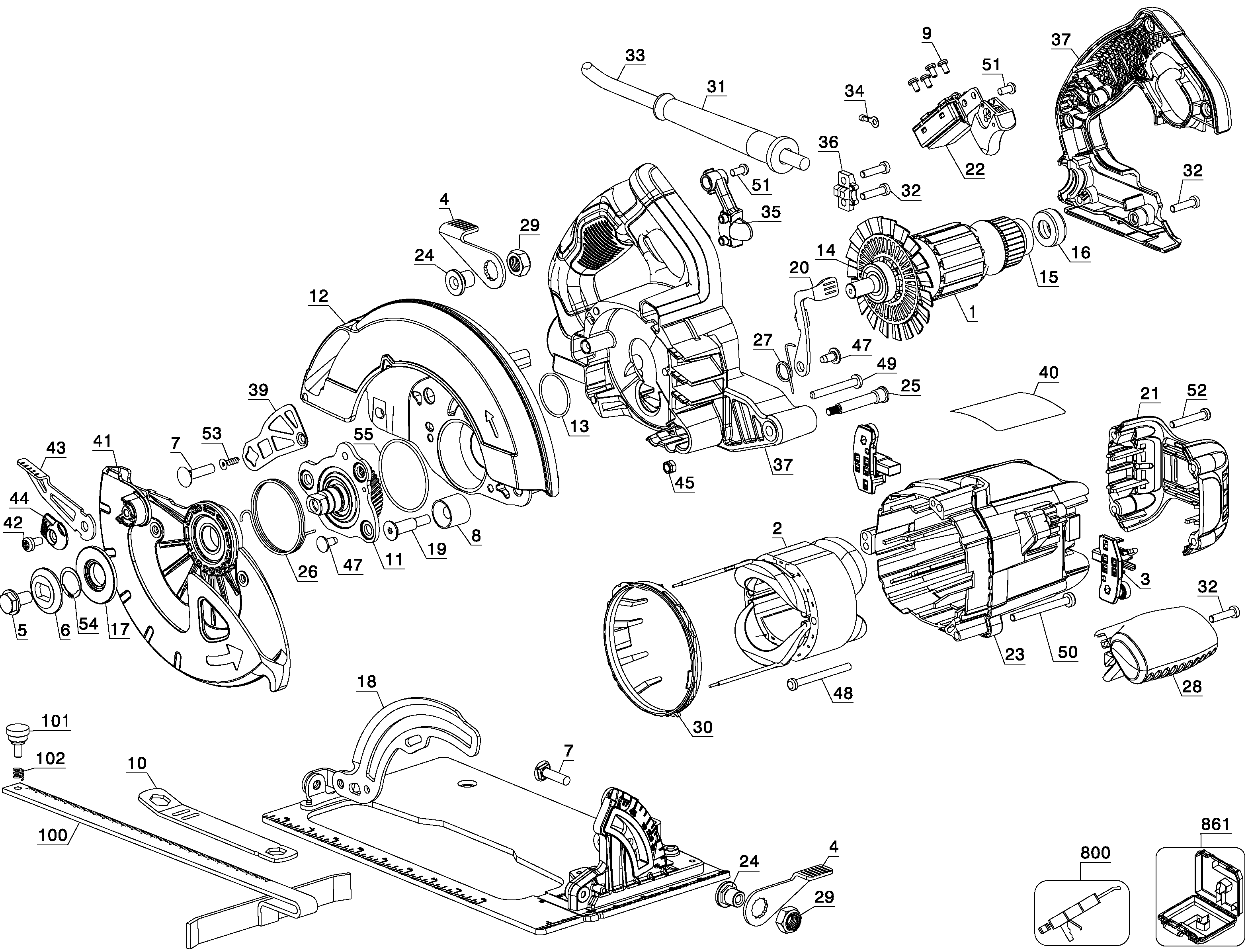
DWE575 CIRCULAR SAW Type 1 | Drawings
Documents
| Item No. | Product Number | Qty Per | Product Description | General Description | Other Info | Markets | Product Status |
|---|---|---|---|---|---|---|---|
| 1 | N133164 | 1 | ARMATURE&BRGS. | 220V | Inc. 14-16 | B2 | |
| 2 | N097331 | 1 | FIELD | 220V | B2 | ||
| 3 | N314200 | 2 | BRUSH HOLDER ASSY | B2 | |||
| 4 | 145347-00 | 1 | LEVER | B2 | |||
| 5 | 145344-00 | 1 | SCREW | B2 | |||
| 6 | 145343-01 | 1 | WASHER OUTER CLAMP | B2 | |||
| 7 | 098128-90 | 2 | CARRIAGE BOLT | B2 | |||
| 8 | 381066-00 | 1 | BUMPER | B2 | |||
| 9 | 384127-01 | 4 | SCREW | B2 | |||
| 10 | N420180 | 1 | SPANNER | B2 | |||
| 11 | N189390 | 1 | SPINDLE & GEAR ASSY. | B2 | |||
| 12 | N237899 | 1 | GEARCASE SA | INCL. 13 | B2 | ||
| 13 | N100358 | 1 | O RING | B2 | |||
| 14 | 330003-64 | 1 | BEARING | B2 | |||
| 15 | N110359 | 1 | BEARING | B2 | |||
| 16 | N136311 | 1 | RUBBER BOOT | B2 | |||
| 17 | N084137 | 1 | WASHER INNER CLAMP | B2 | |||
| 18 | N192352 | 1 | SHOE ASSEMBLY | B2 | |||
| 19 | N086135 | 1 | SCREW | B2 | |||
| 20 | N090570 | 1 | LEVER LOCK | B2 | |||
| 21 | N090678 | 1 | END CAP | B2 | |||
| 22 | N090729 | 1 | SWITCH | B2 | |||
| 23 | N090889 | 1 | FIELDCASE | B2 | |||
| 24 | N094731 | 1 | SCREW | B2 | |||
| 25 | N099101 | 1 | BOLT | B2 | |||
| 26 | N100006 | 1 | SPRING | B2 | |||
| 27 | N100123 | 1 | SPRING | B2 | |||
| 28 | N115554 | 1 | Handle | B2 | |||
| 29 | N117921 | 1 | STOP NUT | B2 | |||
| 30 | N287072 | 1 | BAFFLE FAN | B2 | |||
| 31 | 330005-02 | 1 | CORD PROTECTOR | B2 | |||
| 32 | 330019-13 | 9 | SCREW | M4X19 T20 | B2 | ||
| 33 | N142649 | 1 | CORD & PLUG | B2 | |||
| 34 | 395716-00 | 2 | TERMINAL | B2 | |||
| 35 | N095539 | 1 | CORD CLAMP | B2 | |||
| 36 | N127730 | 1 | CORD CLAMP | B2 | |||
| 37 | N168104 | 1 | HANDLE SET | B2 | |||
| 39 | N135988 | 1 | STRAP | B2 | |||
| 40 | N157808 | 1 | NAME PLATE | B2 | |||
| 41 | N125106 | 1 | GUARD LOWER | B2 | |||
| 42 | 098094-13 | 1 | SCREW | B2 | |||
| 43 | N094953 | 1 | LEVER | B2 | |||
| 44 | N146857 | 1 | WASHER | B2 | |||
| 45 | N123103 | 1 | STOP NUT | B2 | |||
| 47 | 385915-04 | 4 | SCREW | B2 | |||
| 48 | 330019-18 | 2 | SCREW | M4.55 x 50 PLASTIC THD FMG | B2 | ||
| 49 | 330045-19 | 1 | SCREW | B2 | |||
| 50 | 330045-21 | 3 | SCREW | B2 | |||
| 51 | 330019-10 | 2 | SCREW | B2 | |||
| 52 | 330019-45 | 4 | SCREW | B2 | |||
| 53 | 593515-00 | 1 | SCREW | B2 | |||
| 54 | N120426 | 1 | RETAINER | B2 | |||
| 55 | 056122-00 | 1 | O RING | B2 | |||
| 100 | N074939 | 1 | FENCE | Optional | B2 | ||
| 101 | 055005-00 | 1 | KNOB | Optional | B2 | ||
| 102 | 058287-00 | 1 | SPRING | Optional | B2 | ||
| 800 | 429954-01 | 1 | GREASE | NYE RHEOLUBE 380G1, 500grams JAR | B2 | ||
| 800 | 429954-00 | 1 | GREASE | NYE RHEOLUBE 380G1, 7LBS. / 3175 GRAMS | B2 | ||
| 861 | N044228 | 1 | KITBOX | Optional | B2 |