STDR5206 SCREWDRIVER Type 1 | Drawings
Documents
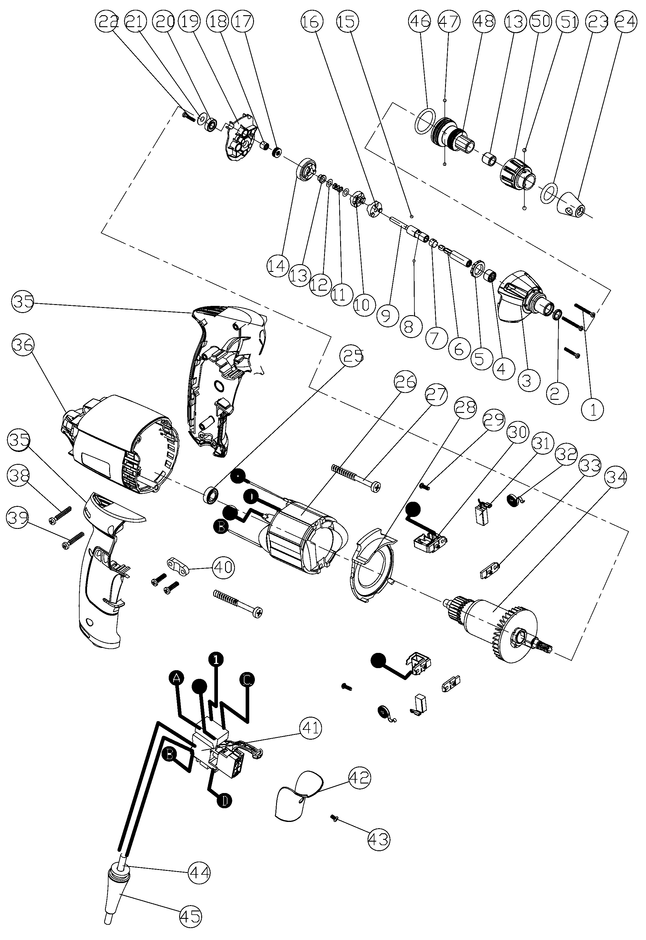
| Item No. | Product Number | Qty Per | Product Description | General Description | Other Info | Markets | Product Status |
|---|---|---|---|---|---|---|---|
| 1 | 5140136-22 | 3 | SCREW | B2C | |||
| 2 | 5140136-23 | 1 | RING | B2C | |||
| 3 | 5140136-24 | 1 | HOUSING GEAR | B2C | |||
| 4 | 5140136-25 | 1 | BEARING NEEDLE | B2C | |||
| 5 | 5140136-26 | 1 | CATCH | B2C | |||
| 6 | 5140136-27 | 1 | HOLDER BIT | B2C | |||
| 7 | 5140136-28 | 1 | RING | B2C | |||
| 8 | 5140136-29 | 1 | BALL | B2C | |||
| 9 | 5140136-30 | 1 | SPINDLE | B2C | |||
| 10 | 5140136-31 | 1 | CLUTCH | B2C | |||
| 11 | 5140136-32 | 1 | SPRING | B2C | |||
| 12 | 5140136-33 | 2 | WASHER | B2C | |||
| 13 | 5140136-34 | 2 | BEARING SLIDE | B2C | |||
| 14 | 5140136-35 | 1 | GEAR | B2C | |||
| 15 | 5140136-36 | 1 | BALL | B2C | |||
| 16 | 5140136-37 | 1 | CLUTCH | B2C | |||
| 17 | 5140136-38 | 1 | BEARING THRUST | B2C | |||
| 18 | 5140136-39 | 3 | BEARING NEEDLE | B2C | |||
| 19 | 5140136-40 | 1 | Seat | B2C | |||
| 20 | 5140136-41 | 1 | BEARING,BALL | B2C | |||
| 21 | 5140136-42 | 1 | WASHER | B2C | |||
| 22 | 5140136-43 | 3 | SCREW | B2C | |||
| 23 | 5140136-74 | 1 | O RING | B2C | |||
| 24 | 5140136-75 | 1 | NOZZLE | B2C | |||
| 25 | 5140136-46 | 1 | BEARING | B2C | |||
| 26 | 5140169-26 | 1 | FIELD | B2C | |||
| 27 | 5140136-49 | 2 | SCREW | B2C | |||
| 28 | 5140136-50 | 1 | BAFFLE | B2C | |||
| 29 | 5140136-51 | 2 | SCREW | B2C | |||
| 30 | 5140136-52 | 2 | BRUSH HOLDER | B2C | |||
| 31 | 5140136-53 | 2 | BRUSH | B2C | |||
| 32 | 5140136-54 | 2 | BRUSH SPRING | B2C | |||
| 33 | 5140136-55 | 2 | SUPPORT | B2C | |||
| 34 | 5140169-29 | 1 | ARMATURE | B2C | |||
| 35 | 5140172-03 | 1 | HANDLE ASSY. | B2C | |||
| 36 | 5140172-04 | 1 | MOTOR HOUSING | B2C | |||
| 38 | 5140136-60 | 3 | SCREW | B2C | |||
| 39 | 5140136-61 | 1 | SCREW | B2C | |||
| 40 | 5140136-62 | 1 | CORD CLAMP | B2C | |||
| 41 | 5140136-63 | 1 | SWITCH | B2C | |||
| 42 | 5140136-64 | 1 | KNOB | B2C | |||
| 43 | 5140136-65 | 1 | SCREW | B2C | |||
| 44 | 5140169-31 | 1 | POWER CORD | B2C | |||
| 45 | 5140136-67 | 1 | CORD PROTECTOR | B2C | |||
| 46 | 5140136-68 | 1 | O RING | B2C | |||
| 47 | 5140136-69 | 2 | BALL | B2C | |||
| 48 | 5140136-70 | 1 | BASE | B2C | |||
| 50 | 5140136-72 | 1 | COVER | B2C | |||
| 51 | 5140136-73 | 2 | BALL | B2C |