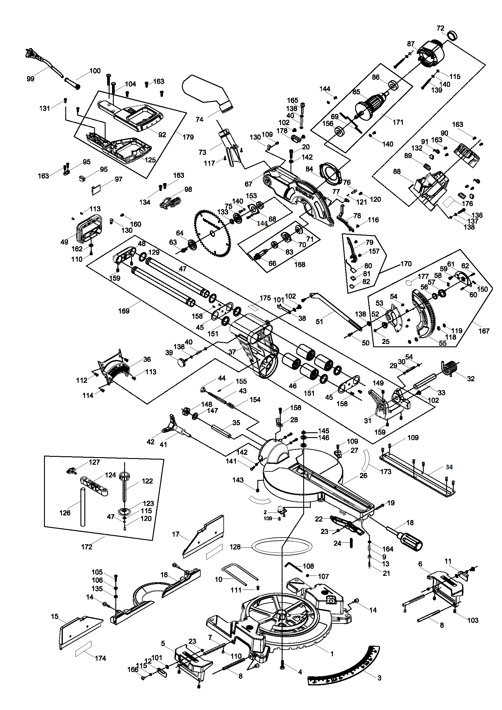
SM18 MITRE SAW Type 1 | Drawings
Documents
| Item No. | Product Number | Qty Per | Product Description | General Description | Other Info | Markets | Product Status |
|---|---|---|---|---|---|---|---|
| 1 | 5170038-33 | 1 | BASE | BR | |||
| 2 | 5170038-34 | 1 | PIECE | BR | |||
| 3 | 5170038-35 | 1 | SCALE | BR | |||
| 4 | 5170038-36 | 1 | SCREW | M10*35 | BR | ||
| 5 | 5170038-37 | 1 | EXTENDER | LH | BR | ||
| 6 | 5170038-38 | 1 | EXTENDER | RH | BR | ||
| 7 | 5170038-39 | 2 | ROD | BR | |||
| 8 | 5170038-40 | 2 | ROD | BR | |||
| 9 | 5170038-41 | 1 | SPRING | BR | |||
| 10 | 5170038-42 | 1 | SUPPORT | BR | |||
| 11 | 5170038-43 | 1 | BAFFLE | RH | BR | ||
| 12 | 5170038-44 | 1 | BAFFLE | BR | |||
| 13 | 5170038-45 | 1 | NUT | BR | |||
| 14 | 5170038-46 | 4 | KNOB | BR | |||
| 15 | 5170038-47 | 1 | PLATE | BR | |||
| 16 | 5170038-48 | 1 | FENCE | BR | |||
| 17 | 5170038-49 | 1 | PLATE | BR | |||
| 18 | 5170038-50 | 1 | Handle | BR | |||
| 19 | 5170035-39 | 1 | SCREW | M5x35 | BR | ||
| 20 | 5170038-51 | 1 | SCREW | BR | |||
| 21 | 5170038-52 | 1 | SCREW | M8*40 | BR | ||
| 22 | 5170038-53 | 1 | Handle | BR | |||
| 23 | 5170035-40 | 3 | NUT M5 | BR | |||
| 24 | 5170035-36 | 1 | SPRING | BR | |||
| 25 | 5170038-54 | 1 | LOCK NUT | M6 | BR | ||
| 26 | 5170038-55 | 1 | BASEPLATE | BR | |||
| 27 | 5170038-56 | 1 | POINTER | BR | |||
| 28 | 5170038-57 | 1 | POINTER | BR | |||
| 29 | 5170035-39 | 1 | SCREW | M5x35 | BR | ||
| 30 | 5170038-58 | 1 | PIN | BR | |||
| 31 | 5170038-59 | 1 | GUARD | BR | |||
| 32 | 5170038-60 | 1 | PIN | BR | |||
| 33 | 5170038-61 | 1 | SPRING | BR | |||
| 34 | 5170038-62 | 1 | BOARD | BR | |||
| 35 | 5170038-63 | 1 | PIN | BR | |||
| 36 | 5170038-64 | 1 | BLOCK | BR | |||
| 37 | 5170038-65 | 1 | SUPPORT | BR | |||
| 38 | 5170038-66 | 1 | HOOK | BR | |||
| 39 | 5170038-67 | 1 | KNOB | BR | |||
| 40 | 5170038-68 | 2 | SPRING | BR | |||
| 41 | 5170038-69 | 1 | LOCK | BR | |||
| 42 | 5170038-70 | 1 | Handle | BR | |||
| 43 | 5170038-71 | 1 | LEVER | BR | |||
| 44 | 5170038-72 | 1 | KNOB | BR | |||
| 45 | 5170038-73 | 2 | COVER | BR | |||
| 46 | 5170038-74 | 4 | BEARING | BR | |||
| 47 | 5170038-75 | 2 | LINK | BR | |||
| 48 | 5170038-76 | 1 | COVER | BR | |||
| 49 | 5170038-77 | 1 | Handle | BR | |||
| 50 | 5170036-04 | 2 | SCREW | BR | |||
| 51 | 5170038-78 | 1 | LINK | BR | |||
| 52 | 5170036-10 | 1 | WASHER | BR | |||
| 53 | 5170036-12 | 1 | GUARD | BR | |||
| 54 | 5170035-60 | 1 | CIRCLIP | BR | |||
| 55 | 5170036-13 | 1 | GUARD | BR | |||
| 56 | 5170036-14 | 1 | WASHER | BR | |||
| 57 | 5170036-15 | 1 | SPRING | BR | |||
| 58 | 5170036-16 | 1 | BLOCK | BR | |||
| 59 | 5170036-17 | 1 | SCREW | M6x7 | BR | ||
| 60 | 5170036-19 | 1 | SCREW | M6 | BR | ||
| 61 | 5170038-79 | 1 | PLATE | BR | |||
| 62 | 5170036-20 | 1 | SCREW | M6x13 | BR | ||
| 63 | 5170035-64 | 1 | BOLT | M8×18 | BR | ||
| 64 | 5170038-80 | 1 | INNER FLANGE | BR | |||
| 66 | 5170038-82 | 1 | AXIS | BR | |||
| 67 | 5170038-83 | 1 | GUARD | BR | |||
| 68 | 5170038-84 | 1 | COVER | BR | |||
| 69 | 5170038-85 | 1 | COVER | BR | |||
| 70 | 5170038-86 | 1 | COVER | BR | |||
| 71 | 5170038-87 | 1 | GEAR | BR | |||
| 72 | 5170036-51 | 1 | BEARING HOUSING | BR | |||
| 73 | 5170038-88 | 1 | DUST PORT | BR | |||
| 74 | 5170038-89 | 1 | SUPPORT | BR | |||
| 75 | 5170038-90 | 1 | OUTER FLANGE | BR | |||
| 76 | 5170038-91 | 1 | PIN | BR | |||
| 77 | 5170038-92 | 1 | BOARD | BR | |||
| 78 | 5170038-93 | 1 | STRAP | BR | |||
| 79 | 5170035-86 | 1 | COVER | BR | |||
| 80 | 5170038-94 | 1 | LED LIGHT | BR | |||
| 81 | 5170036-54 | 1 | PLATE | BR | |||
| 82 | 5170036-55 | 1 | PLATE | BR | |||
| 83 | 5170038-95 | 1 | BEARING | BR | |||
| 84 | 5170038-96 | 1 | RING | BR | |||
| 85 | 5140243-66 | 1 | ARMATURE | BR | |||
| 86 | 5170035-93 | 1 | BEARING | BR | |||
| 87 | 5140243-67 | 1 | FIELD | BR | |||
| 88 | 5170038-99 | 1 | HOUSING | BR | |||
| 89 | 5170039-01 | 2 | BRUSH HOLDER | BR | |||
| 90 | 5170039-02 | 1 | COVER | BR | |||
| 91 | 5170039-03 | 1 | SPRING | BR | |||
| 95 | 5170036-28 | 1 | BOARD | BR | |||
| 96 | 5170036-29 | 1 | SWITCH | BR | |||
| 97 | 5170036-30 | 1 | TRANSFORMER | BR | |||
| 98 | 5170036-34 | 1 | SWITCH | BR | |||
| 99 | 5140243-71 | 1 | CORD SET | BR | |||
| 100 | 5170036-35 | 1 | CORD PROTECTOR | BR | |||
| 101 | 5170039-09 | 1 | PAD | BR | |||
| 102 | 5170039-10 | 4 | SCREW | BR | |||
| 103 | 5170039-11 | 4 | SCREW | BR | |||
| 104 | 5170039-12 | 2 | SCREW | ST4.8×30 | BR | ||
| 105 | 5170035-31 | 4 | SCREW | M8X20 | BR | ||
| 106 | 5170036-64 | 4 | WASHER | BR | |||
| 107 | 5170036-46 | 1 | SLEEVE | BR | |||
| 108 | 5170036-47 | 1 | WRENCH PIN | BR | |||
| 109 | 5170039-13 | 3 | SCREW | M4*8 | BR | ||
| 110 | 5170035-37 | 3 | SCREW | M5x8 | BR | ||
| 111 | 5170039-14 | 1 | SCREW | M6*10 | BR | ||
| 112 | 5170035-67 | 2 | SCREW | M5×16 | BR | ||
| 113 | 5170039-15 | 3 | SCREW | M5*12 | BR | ||
| 114 | 5170039-16 | 1 | SCREW | M5*25 | BR | ||
| 115 | 5170036-39 | 3 | WASHER | BR | |||
| 116 | 5170039-17 | 3 | SCREW | M4*8 | BR | ||
| 117 | 5170035-61 | 2 | SCREW | M5x10 | BR | ||
| 118 | 5170036-57 | 2 | WHEEL | BR | |||
| 119 | 5170036-58 | 2 | RING | BR | |||
| 120 | 5170036-40 | 2 | SCREW | M5x10 | BR | ||
| 121 | 5170039-18 | 1 | SPRING | BR | |||
| 122 | 5170039-19 | 1 | HANDLE SA | BR | |||
| 123 | 5170036-38 | 1 | PLATE | BR | |||
| 124 | 5170036-43 | 1 | LINK | BR | |||
| 126 | 5170039-21 | 1 | BAR | BR | |||
| 127 | 5170036-42 | 1 | KNOB | BR | |||
| 128 | 5170039-22 | 1 | SLIDE | BR | |||
| 129 | 5170039-23 | 2 | WASHER | BR | |||
| 130 | 5170039-24 | 2 | CLIP | BR | |||
| 131 | 5170039-25 | 2 | SCREW | ST4.8*20 | BR | ||
| 132 | 5140243-72 | 1 | CARBON BRUSH | BR | |||
| 133 | 5170036-07 | 1 | RING | BR | |||
| 134 | 5170039-27 | 1 | SCREW | ST3.9x18 | BR | ||
| 135 | 5170035-32 | 4 | WASHER | BR | |||
| 136 | 5170035-26 | 4 | SCREW | M6x35 | BR | ||
| 137 | 5170039-28 | 4 | WASHER | BR | |||
| 138 | 5170035-51 | 9 | WASHER | BR | |||
| 139 | 5170035-94 | 2 | SCREW | ST4.8×70 | BR | ||
| 140 | 5170039-29 | 4 | WASHER | BR | |||
| 141 | 5170039-30 | 3 | SCREW | M6x45 | BR | ||
| 142 | 5170039-31 | 4 | NUT | M6 | BR | ||
| 143 | 5170039-32 | 1 | SCREW | M8*14 | BR | ||
| 144 | 5170039-33 | 4 | SCREW | M5×16 | BR | ||
| 145 | 5170039-34 | 1 | NUT | M10 | BR | ||
| 146 | 5170039-35 | 1 | WASHER | BR | |||
| 147 | 5170039-36 | 1 | NUT | M6 | BR | ||
| 148 | 5170039-37 | 1 | WASHER | BR | |||
| 149 | 5170039-38 | 1 | SCREW | M6x10 | BR | ||
| 150 | 5170036-62 | 1 | BOLT | BR | |||
| 151 | 5170039-39 | 4 | PAD | BR | |||
| 153 | 5170039-41 | 1 | BEARING | BR | |||
| 154 | 5170039-42 | 1 | SPRING | BR | |||
| 155 | 5170039-43 | 1 | PIN | BR | |||
| 156 | 5170039-44 | 1 | BEARING | BR | |||
| 157 | 5170035-85 | 2 | SCREW | M4×6 | BR | ||
| 158 | 5170039-45 | 5 | SCREW | M4×6 | BR | ||
| 159 | 5170039-46 | 4 | SCREW | M6*8 | BR | ||
| 160 | 5170039-47 | 1 | SCREW | 01202153 | BR | ||
| 161 | 5170039-48 | 6 | SCREW | M4*10 | BR | ||
| 162 | 5170039-49 | 1 | WASHER | BR | |||
| 163 | 5170039-50 | 10 | SCREW | ST3.9x12 | BR | ||
| 164 | 5170039-51 | 1 | NUT | M8 | BR | ||
| 165 | 5170039-52 | 1 | KNOB | M6x35 | BR | ||
| 166 | 5170039-53 | 3 | SCREW | M5*14 | BR | ||
| 167 | 5170039-54 | 1 | GUARD | BR | |||
| 168 | 5170039-55 | 1 | GEAR SA | BR | |||
| 169 | 5170039-56 | 1 | LINKAGE SA | BR | |||
| 170 | 5170039-57 | 1 | LED | BR | |||
| 171 | 5170039-58 | 1 | ROTOR SA | BR | |||
| 172 | 5170039-59 | 1 | CLAMP SA | BR | |||
| 173 | 5170039-60 | 2 | WARNING LABEL | BR | |||
| 174 | 5170039-61 | 2 | WARNING LABEL | BR | |||
| 175 | 5170039-62 | 1 | LABEL | BR | |||
| 176 | 5140243-77 | 1 | RATING LABEL | BR | |||
| 177 | 5170039-64 | 1 | WARNING LABEL | BR | |||
| 178 | 5170039-66 | 1 | RATING LABEL | BR | |||
| 179 | 5170039-04 | 1 | HANDLE SA | BR |