PS274E CROSSCUT MITRE SAW Type 2 | Drawings
Documents
| Item No. | Product Number | Qty Per | Product Description | General Description | Other Info | Markets | Product Status |
|---|---|---|---|---|---|---|---|
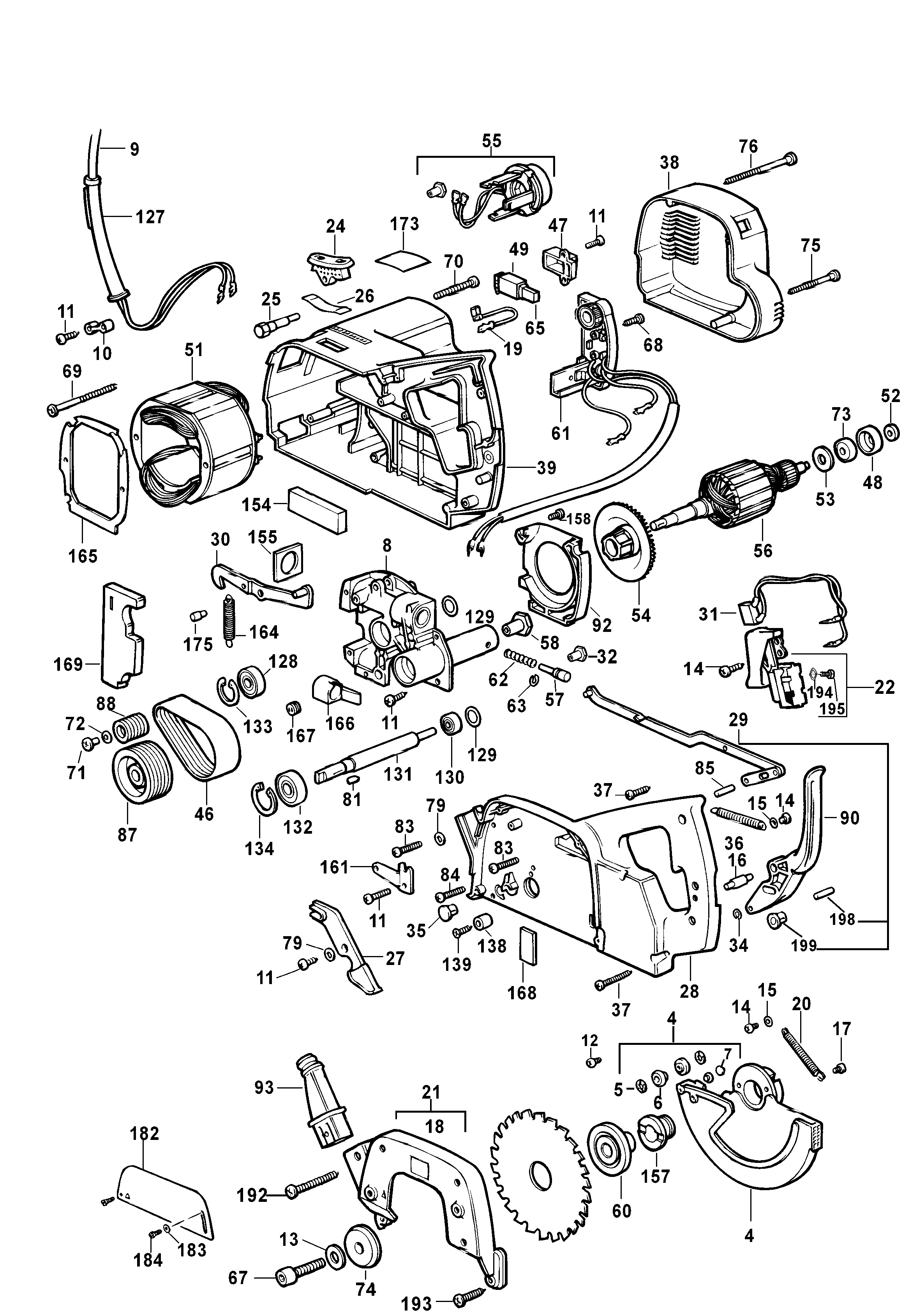
| 1 | 861848-00 | 1 | TABLE SA | CH | |||
| 2 | 401206-00 | 1 | ROTARY TABLE | CH | |||
| 3 | 947000-00 | 1 | SEGMENT | CH | |||
| 4 | 861361-01 | 1 | GUARD SA | CH | |||
| 5 | 861366-00 | 2 | QUICKLOCK | CH | |||
| 6 | 861367-01 | 2 | ROLLER | CH | |||
| 7 | 760298-01 | 2 | INSERT | CH | |||
| 8 | 947645-00 | 1 | CARRIAGE SA | CH | |||
| 9 | 947108-08 | 1 | CABLE SA | CH | |||
| 10 | 720748-00 | 1 | CLAMP | CH | |||
| 11 | 860084-12 | 4 | SCREW | CH | |||
| 13 | 949876-19 | 1 | WASHER | CH | |||
| 14 | 860084-20 | 4 | SCREW | CH | |||
| 15 | 860073-00 | 3 | WASHER | CH | |||
| 16 | 760296-01 | 1 | PIVOT | CH | |||
| 17 | 860084-20 | 1 | SCREW | CH | |||
| 18 | 401028-05 | 1 | BRAND LABEL | CH | |||
| 19 | 942589-00 | 2 | LEAD | CH | |||
| 20 | 868512-00 | 1 | SPRING | CH | |||
| 21 | 943004-03 | 1 | GUARD | CH | |||
| 22 | 947486-00 | 1 | SWITCH SA | CH | |||
| 23 | 947613-00 | 1 | BRACKET | CH | |||
| 24 | 946871-00 | 1 | LOCK BUTTON | CH | |||
| 25 | 947016-00 | 1 | ECCENTRIC | CH | |||
| 26 | 946876-00 | 1 | LEAF SPRING | CH | |||
| 27 | 946880-00 | 1 | LEVER | CH | |||
| 28 | 946999-03 | 1 | HANDLE & COVER | GREY | CH | ||
| 29 | 861765-00 | 1 | KIT SA | CH | |||
| 30 | 947010-01 | 1 | LEVER | CH | |||
| 31 | 947025-00 | 1 | CAPACITOR | CH | |||
| 32 | 401167-00 | 1 | PLASTIC ADAPTOR | CH | |||
| 34 | 949728-02 | 1 | CIRCLIP | CH | |||
| 35 | 947067-00 | 1 | PLUG | CH | |||
| 36 | 947019-00 | 1 | SPRING | CH | |||
| 37 | 949896-10 | 6 | SCREW | CH | |||
| 38 | 946877-01 | 1 | END CAP | CH | |||
| 39 | 946997-03 | 1 | FIELDCASE | CH | |||
| 40 | 947063-00 | 1 | LOCK HANDLE | CH | |||
| 41 | 943016-01 | 2 | LOCK-NUT | CH | |||
| 42 | 947062-00 | 2 | WASHER | CH | |||
| 46 | 760215-00 | 1 | BELT | CH | |||
| 47 | 942569-00 | 2 | CLAMP | CH | |||
| 48 | 934409-00 | 1 | SLEEVE | CH | |||
| 49 | 761202-00 | 2 | BRUSHBOX SA | CH | |||
| 52 | 945893-00 | 1 | PICK UP | CH | |||
| 53 | 944975-00 | 1 | SPACER | CH | |||
| 54 | 946857-01 | 1 | FAN | CH | |||
| 57 | 947011-01 | 1 | LOCK BUTTON | CH | |||
| 58 | 947013-00 | 1 | STEEL ADAPTOR | CH | |||
| 60 | 947022-00 | 1 | INNER FLANGE | CH | |||
| 62 | 947070-00 | 1 | SPRING | CH | |||
| 63 | 949728-01 | 1 | CIRCLIP | CH | |||
| 66 | 401457-00 | 1 | INSERT SA | CH | |||
| 66 | 401363-00 | 1 | INSERT | For Aluminium only | CH | ||
| 67 | 949886-27 | 1 | SCREW | BLACK | CH | ||
| 68 | 760299-00 | 4 | SCREW | CH | |||
| 69 | 760251-00 | 2 | SCREW | CH | |||
| 70 | 949894-02 | 3 | SCREW | CH | |||
| 71 | 949886-26 | 1 | SCREW | CH | |||
| 72 | 760261-00 | 2 | WASHER | CH | |||
| 73 | 577745-00 | 1 | BEARING | CH | |||
| 74 | 942959-03 | 1 | OUTER FLANGE | BLACK | CH | ||
| 75 | 931298-02 | 1 | SCREW | CH | |||
| 76 | 930082-01 | 1 | SCREW | CH | |||
| 79 | 860073-00 | 4 | WASHER | CH | |||
| 81 | 940441-00 | 1 | KEY | CH | |||
| 82 | 949609-01 | 2 | SCREW | CH | |||
| 83 | 949894-04 | 2 | SCREW | CH | |||
| 84 | 330045-05 | 1 | SCREW | CH | |||
| 85 | 949739-01 | 1 | PIN | CH | |||
| 86 | 860073-05 | 1 | WASHER | CH | |||
| 87 | 861356-00 | 1 | PULLEY | 22w x 58OD. ID 15.85 | CH | ||
| 88 | 401166-00 | 1 | PULLEY | CH | |||
| 89 | 330045-26 | 4 | SCREW | CH | |||
| 90 | 946869-02 | 1 | LEVER | CH | |||
| 91 | 946853-03 | 1 | FENCE | CH | |||
| 92 | 946863-00 | 1 | BAFFLE | CH | |||
| 93 | 760311-00 | 1 | ADAPTOR | CH | |||
| 96 | 760312-00 | 1 | ADAPTOR | CH | |||
| 97 | 947620-00 | 1 | ADAPTOR | CH | |||
| 98 | 860094-03 | 2 | SCREW | CH | |||
| 101 | 330045-55 | 5 | SCREW | CH | |||
| 102 | 946861-01 | 1 | SCALE | CH | |||
| 103 | 861809-00 | 5 | FOOT SA | CH | |||
| 106 | 860098-04 | 1 | WRENCH 6 MM | CH | |||
| 107 | 949882-01 | 1 | WRENCH 4 MM | CH | |||
| 108 | N409486 | 4 | SCREW | CH | |||
| 109 | 860092-00 | 2 | NUT | CH | |||
| 110 | 949889-07 | 2 | SCREW | CH | |||
| 113 | 947020-00 | 1 | SEAL | UP TO 13 MAR 2001 | CH | ||
| 113 | 861925-03 | 1 | INSERT | FROM 13 MAR 2001 | CH | ||
| 114 | 946858-01 | 1 | CLAMP | CH | |||
| 115 | 946858-00 | 1 | CLAMP | CH | |||
| 116 | 946848-00 | 1 | BOLT | CH | |||
| 117 | 860205-04 | 3 | SCREW | FROM 13 MAR 2001 | CH | ||
| 117 | 949894-06 | 2 | SCREW | UP TO 13 MAR 2001 | CH | ||
| 118 | 946856-00 | 1 | INSERT | UP TO 13 MAR 2001 | CH | ||
| 118 | 861926-01 | 1 | INSERT | FROM 13 MAR 2001 | CH | ||
| 119 | 947015-01 | 1 | HANDLE SCREW SA | CH | |||
| 120 | 946864-00 | 1 | LEVER | CH | |||
| 121 | 949734-01 | 1 | PIN | CH | |||
| 122 | 946866-00 | 1 | SPRING | CH | |||
| 123 | 401176-00 | 1 | LATCH | CH | |||
| 125 | 935857-00 | 1 | O RING | CH | |||
| 126 | 949705-01 | 1 | WASHER | CH | |||
| 127 | 720703-00 | 1 | PROTECTOR | CH | |||
| 128 | 861721-13 | 1 | BEARING | CH | |||
| 129 | 930117-00 | 2 | WASHER | CH | |||
| 130 | N110358 | 1 | BEARING | CH | |||
| 131 | 947012-01 | 1 | SPINDLE | CH | |||
| 132 | 861721-10 | 1 | BEARING | 6003 2RS | CH | ||
| 133 | 949729-02 | 1 | CIRCLIP | CH | |||
| 134 | 949729-03 | 1 | CIRCLIP | CH | |||
| 138 | 761306-00 | 1 | BUMPER | CH | |||
| 139 | 761307-00 | 1 | SCREW | CH | |||
| 140 | 401172-01 | 1 | FSO SUPPORT SA | CH | |||
| 141 | 941756-00 | 1 | KNOB | CH | |||
| 142 | 943016-00 | 1 | LOCK NUT | CH | |||
| 143 | 860226-02 | 1 | WASHER | CH | |||
| 144 | 947290-01 | 2 | WASHER | CH | |||
| 145 | 947616-00 | 1 | PIN | CH | |||
| 146 | 947021-00 | 1 | CABLE CLAMP | CH | |||
| 147 | 949894-12 | 2 | SCREW | CH | |||
| 148 | 946862-01 | 1 | SCALE | CH | |||
| 149 | 949743-02 | 2 | SCREW | M8 x 14mm | CH | ||
| 150 | 949613-01 | 2 | WASHER | CH | |||
| 151 | 947619-00 | 1 | CHANGE LEVER SA | CH | |||
| 152 | 947614-00 | 1 | PLATE | CH | |||
| 153 | 947641-00 | 1 | SEAL | UP TO 13 MAR 2001 | CH | ||
| 154 | 947653-00 | 1 | BAFFLE | CH | |||
| 155 | 947638-00 | 1 | SEAL | CH | |||
| 156 | 946859-00 | 1 | BOLT | CH | |||
| 157 | 947017-00 | 1 | FLANGE | CH | |||
| 158 | 860094-03 | 2 | SCREW | CH | |||
| 161 | 947617-01 | 1 | LOCKING DEVICE | CH | |||
| 164 | 947642-00 | 1 | SPRING | CH | |||
| 165 | 947573-00 | 1 | BAFFLE | CH | |||
| 166 | 947018-00 | 1 | INSERT | CH | |||
| 167 | 946874-00 | 1 | ADJUSTER | CH | |||
| 168 | 947610-00 | 1 | SEAL | CH | |||
| 169 | 401174-00 | 1 | SEAL | CH | |||
| 171 | 947640-00 | 1 | SEAL | UP TO 13 MAR 2001 | CH | ||
| 172 | 947650-00 | 1 | SPRING | CH | |||
| 175 | 760279-00 | 1 | PIN | CH | |||
| 176 | 943030-00 | 1 | O RING | CH | |||
| 177 | 868689-00 | 1 | COVER | CH | |||
| 185 | 947068-02 | 1 | MAGNET | CH | |||
| 186 | 947068-02 | 1 | MAGNET | CH | |||
| 187 | 401177-01 | 1 | LEVER SA | CH | |||
| 188 | 947868-01 | 1 | WASHER SPECIAL | CH | |||
| 189 | 860083-14 | 1 | NUT | CH | |||
| 190 | 949854-01 | 1 | SCREW | CH | |||
| 191 | 401178-00 | 1 | BUSH | CH | |||
| 192 | 949896-11 | 1 | SCREW | CH | |||
| 193 | 949896-12 | 1 | SCREW | CH | |||
| 194 | 944650-00 | 4 | WASHER SPRING | CH | |||
| 195 | 401208-00 | 4 | SCREW | CH | |||
| 196 | 860090-05 | 2 | SCREW | CH | |||
| 197 | 720959-00 | 2 | WASHER | CH | |||
| 198 | 949739-01 | 1 | PIN | CH | |||
| 199 | 861736-00 | 1 | BUSH | CH | |||
| 836 | 279663-99 | 1 | SPANNER TOOL | CH | |||
| 837 | 559506-99 | 1 | SOCKET | CH | |||
| 838 | 559570-99 | 1 | SOCKET | CH | |||
| 839 | 559572-99 | 1 | BOLT | CH |