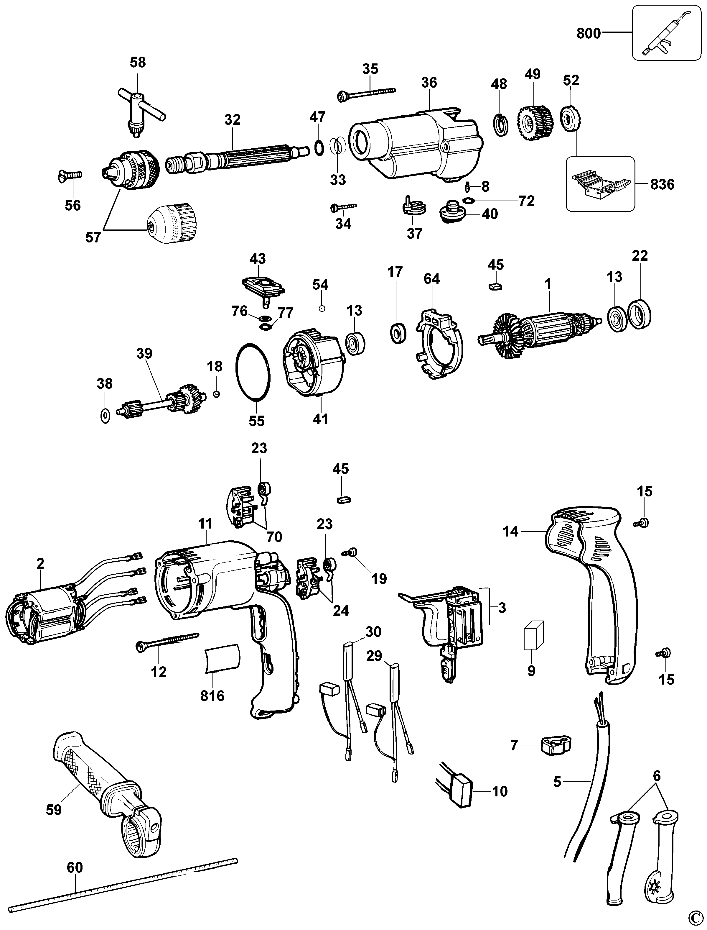
SB13E DRILL Type 2 | Drawings
Documents
| Item No. | Product Number | Qty Per | Product Description | General Description | Other Info | Markets | Product Status |
|---|---|---|---|---|---|---|---|
| 1 | 387614-01 | 1 | ARMATURE 230V | CH | |||
| 2 | 387745-00 | 1 | FIELD 230V | CH | |||
| 3 | 386623-03 | 1 | SWITCH | CH | |||
| 5 | 330080-40 | 1 | CORDSET | CH | |||
| 6 | 401751-00 | 1 | CORD PROTECTOR | KEYED CHUCK | CH | ||
| 6 | N542553 | 1 | CORD PROTECTOR | KEYLESS CHUCK | CH | ||
| 6 | N542553 | 1 | CORD PROTECTOR | KEYLESS CHUCK | CH | ||
| 7 | 402649-00 | 1 | CORD CLAMP | CH | |||
| 8 | N403227 | 2 | DETENT | CH | |||
| 9 | 930026-01 | 1 | BUMPER | CH | |||
| 10 | 93585-13 | 1 | CAPACITOR | CH | |||
| 11 | 390005-09 | 1 | FIELDCASE | CH | |||
| 12 | 390198-00 | 2 | SCREW | CH | |||
| 13 | 605040-06 | 2 | BEARING,BALL | CH | |||
| 14 | 176900-02 | 1 | HANDLE COVER | CH | |||
| 15 | 330065-08 | 3 | SCREW | M4x18 T20 | CH | ||
| 17 | 402763-00 | 1 | SEAL | CH | |||
| 18 | 936840-00 | 1 | BALL STEEL | CH | |||
| 19 | 330065-06 | 2 | SCREW | CH | |||
| 22 | 132332-00 | 1 | SLEEVE | CH | |||
| 23 | 402759-00 | 2 | BRUSH SPRING | CH | |||
| 24 | 390523-00 | 1 | BRUSH HOLDER SA | CH | |||
| 29 | 387822-00 | 1 | BRUSH LEAD SA | CH | |||
| 30 | 387822-01 | 1 | BRUSH LEAD SA | CH | |||
| 32 | 581235-00 | 1 | SPINDLE | 1/2" x 20 UNF | CH | ||
| 33 | 931890 | 1 | SPRING | CH | |||
| 34 | 330065-13 | 1 | SCREW | CH | |||
| 35 | 330065-10 | 2 | SCREW | CH | |||
| 36 | 1006352-00 | 1 | GEARCASE | CH | |||
| 37 | 401735-00 | 1 | SELECTOR FORK | CH | |||
| 38 | 932933-00 | 1 | WASHER | CH | |||
| 39 | 581234-00 | 1 | INTERSHAFT | CH | |||
| 40 | 628891-00 | 1 | SELECTOR FORK | SPEED | CH | ||
| 41 | 583951-00 | 1 | GEARCASE COVER | CH | |||
| 43 | 401750-00 | 1 | SELECTOR SA | CH | |||
| 45 | 949638-02 | 2 | DAMPER | CH | |||
| 47 | 930028-00 | 1 | O RING | CH | |||
| 48 | 144803-00 | 1 | CIRCLIP | CH | |||
| 49 | 397239-01 | 1 | GEAR | CH | |||
| 52 | 945706-00 | 1 | RATCHET | CH | |||
| 54 | 000903-00 | 1 | BALL | CH | |||
| 55 | 401847-00 | 1 | SEAL | CH | |||
| 56 | 448847-01 | 1 | SCREW | CH | |||
| 57 | 5140071-68 | 1 | CHUCK 13MM | KEYED CHUCK | CH | ||
| 57 | N242399 | 1 | CHUCK KEYLESS | KEYLESS CHUCK | CH | ||
| 58 | 330034-07 | 1 | CHUCK KEY | KEYED CHUCK | CH | ||
| 59 | 939794-02 | 1 | HANDLE SIDE SA | CH | |||
| 60 | 940357-00 | 1 | DEPTH STOP | CH | |||
| 64 | 176811-00 | 1 | BAFFLE | CH | |||
| 70 | 390524-00 | 1 | BRUSH HOLDER | CH | |||
| 72 | 930727-00 | 1 | O RING | CH | |||
| 76 | 176659-00 | 1 | WASHER | CH | |||
| 77 | 050050-00 | 1 | RING | CH | |||
| 800 | 870889-02 | 1 | GREASE | CH | |||
| 816 | 152529-00 | 1 | LABEL | CH | |||
| 836 | 559596-99 | 1 | S.T.PULLER | CH |