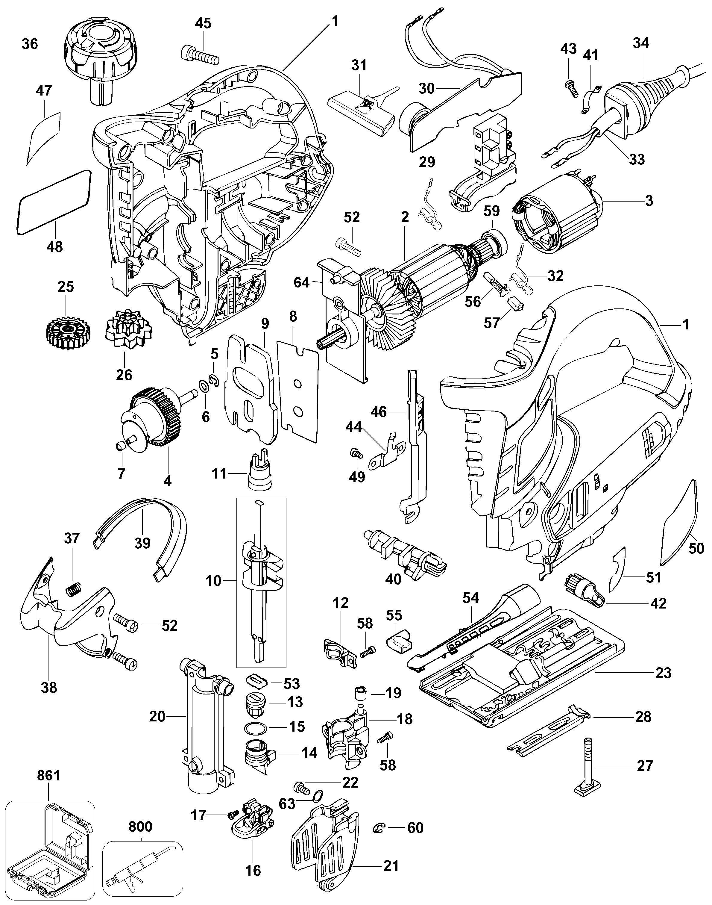
JS700K JIGSAW Type 1 | Drawings
Documents
| Item No. | Product Number | Qty Per | Product Description | General Description | Other Info | Markets | Product Status |
|---|---|---|---|---|---|---|---|
| 1 | 583413-06 | 1 | CLAMSHELL SET | B2C | |||
| 2 | 582693-06 | 1 | ARMATURE (230V) | B2C | |||
| 3 | 582694-06 | 1 | FIELD (230V) | B2C | |||
| 4 | 583416-00SV | 1 | GEAR ASSY. | B2C | |||
| 5 | 588592-00 | 1 | LOCKING RING | B2C | |||
| 6 | 588593-00 | 1 | WASHER | B2C | |||
| 7 | 583464-01 | 1 | DRIVE ROLLER | B2C | |||
| 8 | 585809-00 | 1 | THRUST PLATE | B2C | |||
| 9 | 583419-00 | 1 | BALANCE WEIGHT | B2C | |||
| 10 | 478866-00SV | 1 | SHAFT SERVICE KIT | B2C | |||
| 11 | 583422-00 | 1 | BEARING | B2C | |||
| 12 | 583567-00 | 1 | CLAMP | B2C | |||
| 13 | 583677-00 | 1 | BEARING | B2C | |||
| 14 | 583425-00 | 1 | BEARING | B2C | |||
| 15 | 585388-00 | 1 | O RING | B2C | |||
| 16 | 582593-00 | 1 | BLADE CLAMP | B2C | |||
| 17 | 583173-00 | 2 | SCREW | B2C | |||
| 18 | 583430-00SV | 1 | LOW/ BEAR.CLAMP ASY. | B2C | |||
| 19 | 583423-00 | 1 | FOLLOWER | B2C | |||
| 20 | 583421-00 | 1 | CARRIER | B2C | |||
| 21 | 583432-00SV | 1 | BLADE SUPPORT | B2C | |||
| 22 | 590341-00 | 1 | SCREW | B2C | |||
| 23 | 585391-00 | 1 | SHOE SA | B2C | |||
| 25 | 582768-00 | 1 | GEAR SA | B2C | |||
| 26 | 582601-00 | 1 | ACTUATOR | B2C | |||
| 27 | 586927-00 | 1 | LOCKING SCREW | B2C | |||
| 28 | 583657-00 | 1 | SUPPORT BRACKET | B2C | |||
| 29 | 585385-00 | 1 | SWITCH SA | B2C | |||
| 30 | 583508-00 | 1 | PCB SA | B2C | |||
| 31 | 585386-00 | 1 | ACTUATOR | B2C | |||
| 32 | 582762-00 | 2 | CHOKE LEAD SA | B2C | |||
| 33 | 330122-30 | 1 | CORDSET | B2C | |||
| 34 | 582722-00 | 1 | CORD PROTECTOR | B2C | |||
| 36 | 583434-00 | 1 | KNOB SA | B2C | |||
| 37 | 590096-00 | 1 | SPRING | B2C | |||
| 38 | 583455-00 | 1 | CASTING | B2C | |||
| 39 | 583454-00 | 1 | CASTING | B2C | |||
| 40 | 583452-00 | 1 | CAM | B2C | |||
| 41 | 380414-00 | 1 | CORD CLAMP | B2C | |||
| 42 | 583451-00 | 1 | SELECTOR | B2C | |||
| 43 | 370748 | 2 | SCREW | B2C | |||
| 44 | 583450-00 | 1 | RETAINER | B2C | |||
| 45 | 809961-00 | 10 | SCREW | B2C | |||
| 46 | 583449-00 | 1 | LOCK | B2C | |||
| 47 | 586220-01 | 1 | LABEL | RHS TURN 360 | B2C | ||
| 48 | 90534980 | 1 | NAME PLATE | JS700K-B2C TY.1 | B2C | ||
| 49 | 330019-48 | 2 | SCREW | B2C | |||
| 50 | 586219-01 | 1 | LABEL | LHS TURNS 360 | B2C | ||
| 51 | 585383-02 | 1 | LABEL | B2C | |||
| 52 | 330013-11 | 6 | SCREW | B2C | |||
| 53 | 583678-00 | 1 | FELT SEAL | B2C | |||
| 54 | 586068-00 | 1 | VACUUM ADAPTOR | B2C | |||
| 55 | 582732-00 | 1 | ELBOW TUBE | B2C | |||
| 56 | 582761-02 | 2 | BRUSH & SPRING | 230V | B2C | ||
| 57 | 582696-00 | 2 | BRUSHBOX | B2C | |||
| 58 | 812171 | 4 | SCREW | B2C | |||
| 59 | 574853-08 | 1 | BEARING | B2C | |||
| 60 | 587375-00 | 1 | LOCKING RING | B2C | |||
| 63 | 098197-03 | 1 | WASHER LOCK | B2C | |||
| 64 | 583456-00 | 1 | CASTING | B2C | |||
| 800 | 761995-01 | 1 | GREASE | 180 Grams | B2C | ||
| 861 | 586929-00 | 1 | KIT BOX | B2C |