BD153R DRILL Type 1 | Drawings
Documents
| Item No. | Product Number | Qty Per | Product Description | General Description | Other Info | Markets | Product Status |
|---|---|---|---|---|---|---|---|
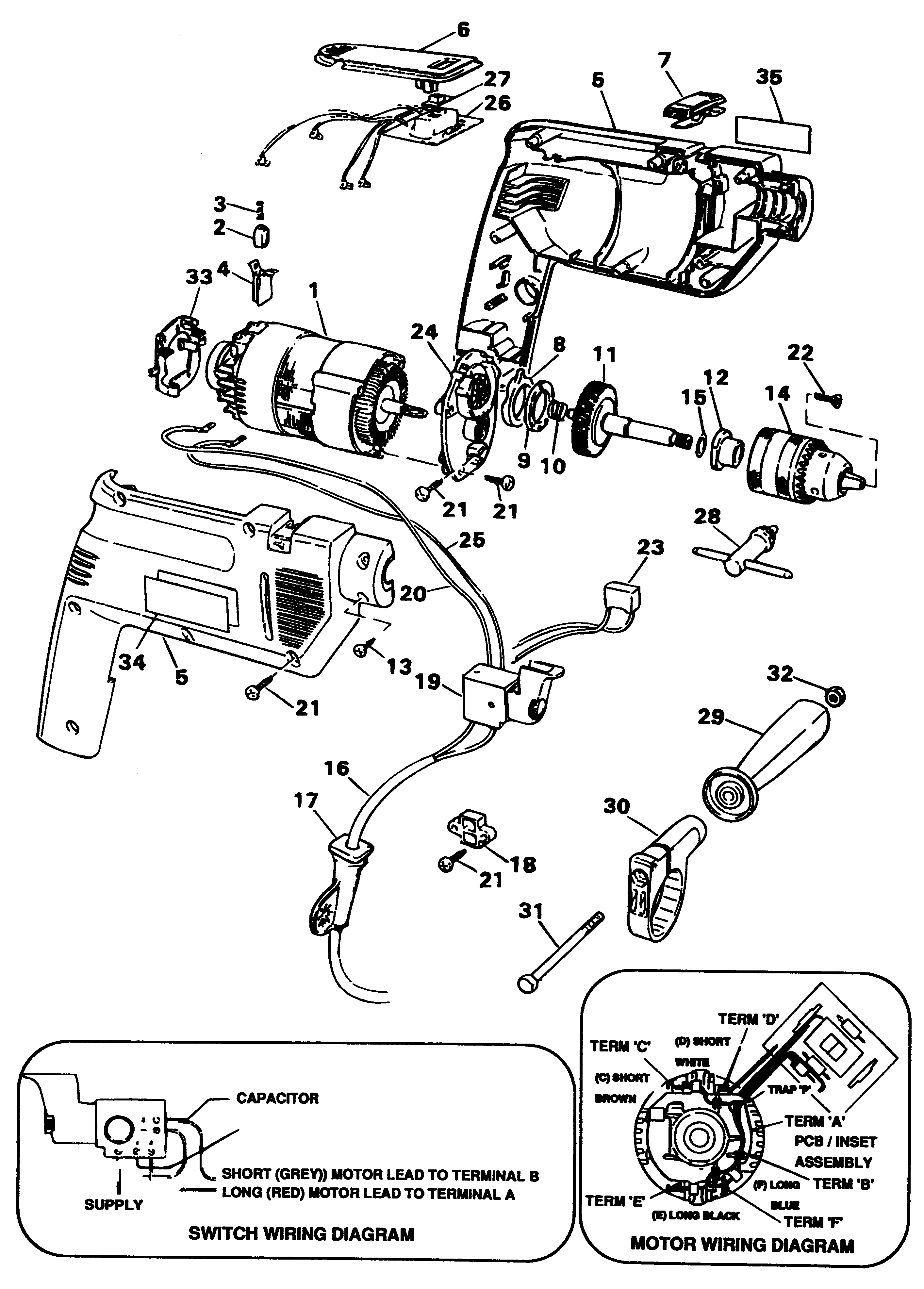
| 1 | 376913-03 | 1 | MOTOR SA | CH | |||
| 2 | 376143 | 2 | BRUSH | CH | |||
| 3 | 847709 | 2 | SPRING | CH | |||
| 4 | 812738 | 2 | BRUSH HOLDER | CH | |||
| 5 | 795187 | 1 | CLAMSHELL | BD550R H1F | CH | ||
| 5 | 795187 | 1 | CLAMSHELL | BD500R H1F | CH | ||
| 6 | 798017-01 | 1 | INSERT | BD550R H1F | CH | ||
| 6 | 798017-01 | 1 | INSERT | BD500R H1F | CH | ||
| 6 | 798017-01 | 1 | INSERT | BD153R H1F | CH | ||
| 8 | 812962 | 1 | RING | CH | |||
| 9 | 892261 | 1 | BEARING | CH | |||
| 10 | 821986 | 1 | SPRING | CH | |||
| 11 | 747323-49 | 1 | SPINDLE SA | CH | |||
| 12 | 812973 | 1 | BEARING | CH | |||
| 13 | 812983 | 2 | SCREW | CH | |||
| 14 | 330033-23 | 1 | CHUCK 13MM | CHUCK S2A | CH | ||
| 15 | 812979 | 1 | WASHER THRUST | CH | |||
| 16 | 330048-27 | 1 | CORDSET | CH | |||
| 17 | 770236 | 1 | PROTECTOR | CH | |||
| 18 | 994808 | 1 | CABLE CLAMP | CH | |||
| 19 | 372976-49 | 1 | SWITCH KIT | Capax | CH | ||
| 20 | 822216 | 1 | LEAD | CH | |||
| 21 | 849256 | 11 | SCREW | CH | |||
| 22 | 805434 | 1 | SCREW.SPECIAL | CH | |||
| 23 | 793192 | 1 | CAPACITOR SA | CH | |||
| 24 | 823782 | 1 | COVER GEARCASE | CH | |||
| 25 | 830847 | 1 | LEAD SA | CH | |||
| 26 | 794724 | 1 | SWITCH REVERSE | BD550R H1F | CH | ||
| 26 | 794724 | 1 | SWITCH REVERSE | BD500R H1F | CH | ||
| 26 | 794724 | 1 | SWITCH REVERSE | BD153R H1F | CH | ||
| 27 | 795209 | 1 | ACTUATOR | BD550R H1F | CH | ||
| 27 | 795209 | 1 | ACTUATOR | BD500R H1F | CH | ||
| 27 | 795209 | 1 | ACTUATOR | BD153R H1F | CH | ||
| 28 | 894688 | 1 | CHUCK KEY 13MM | CHUCK NON S2A | CH | ||
| 28 | 330034-07 | 1 | CHUCK KEY | CHUCK S2A | CH | ||
| 29 | 823784 | 1 | Handle | CH | |||
| 30 | 370636-49 | 1 | CLAMP KIT | CH | |||
| 31 | 813918 | 1 | SCREW | CH | |||
| 32 | 896369 | 1 | NUT | CH | |||
| 33 | 822789 | 1 | COVER | CH | |||
| 35 | 796905-12 | 1 | BRAND LABEL | BD153R H1F | CH | ||
| 35 | 826584 | 1 | BRAND LABEL | TYPE H1-H1E | CH | ||
| 35 | 796905-07 | 1 | BRAND LABEL | BD500R H1F | CH | ||
| 37 | 814991 | 1 | DEPTH ROD | PART NOT DRAWN | CH | ||
| 826 | 794468 | 1 | LABEL REVERSING | CH |