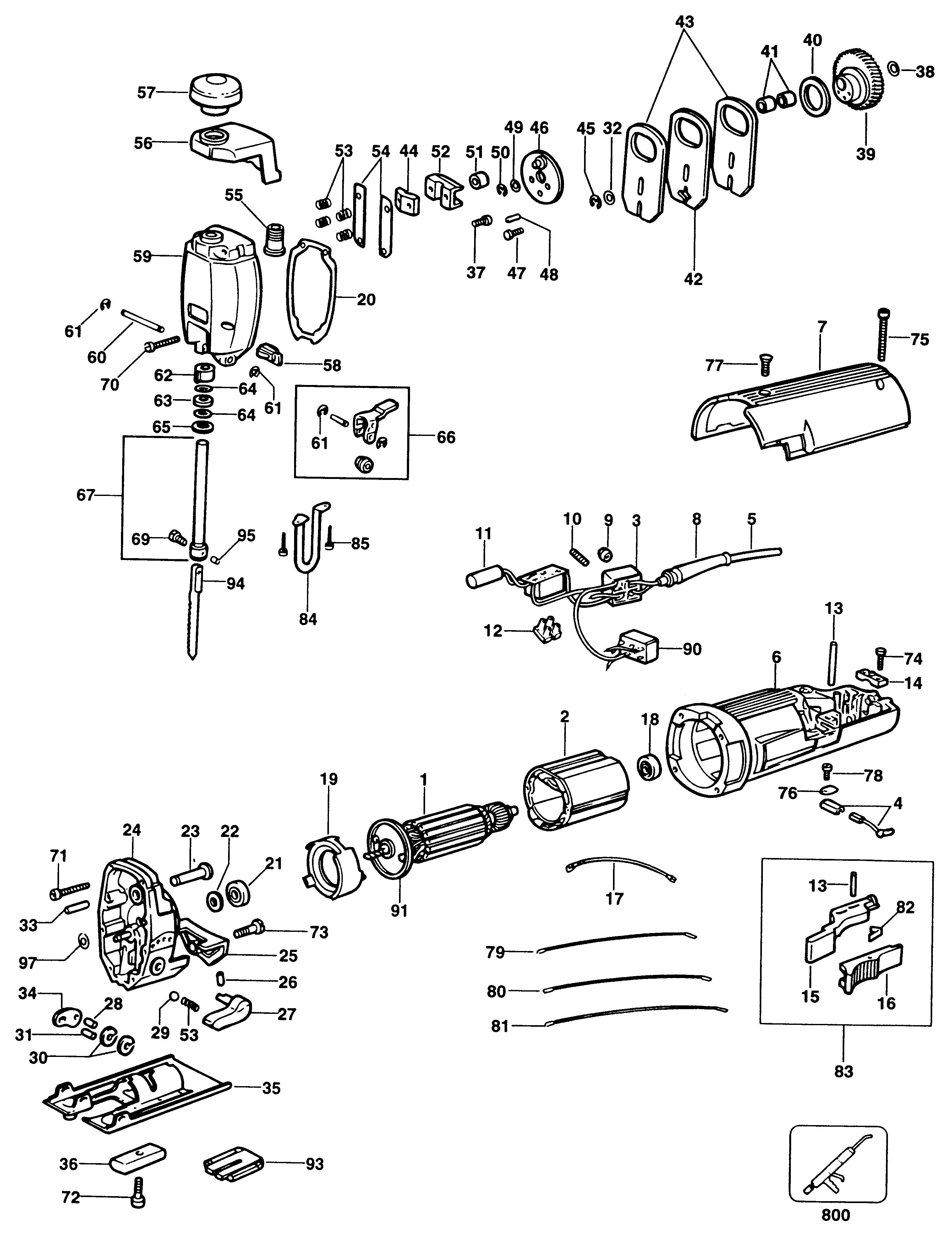
ST142 JIGSAW Type 4 | Drawings
Documents
| Item No. | Product Number | Qty Per | Product Description | General Description | Other Info | Markets | Product Status |
|---|---|---|---|---|---|---|---|
| 1 | 943537-01 | 1 | FSO ARMATURE 220V | 240V | CH | ||
| 1 | 943537-01 | 1 | FSO ARMATURE 220V | 220V | CH | ||
| 2 | 943536-02 | 1 | FIELD | 240V | CH | ||
| 2 | 943536-01 | 1 | FIELD | 220V | CH | ||
| 3 | 140160300 | 1 | SWITCH | CH | |||
| 5 | 140101906 | 1 | CABLE SA | CH | |||
| 6 | 249508-10 | 1 | FIELDCASE SA | CH | |||
| 7 | 940959-05 | 1 | COVER BRUSH | TYPE 3 | CH | ||
| 7 | 249507-10 | 1 | COVER | TYPE 4 | CH | ||
| 8 | 012160900 | 1 | SLEEVE | CH | |||
| 9 | 140161100 | 1 | CAP | CH | |||
| 10 | 024931038 | 1 | SPRING | CH | |||
| 11 | 065121902 | 1 | CAPACITOR | CH | |||
| 12 | 249304-00 | 1 | CONNECTOR | CH | |||
| 13 | 018810000 | 2 | PIN | CH | |||
| 14 | 379684 | 1 | CABLE CLAMP | CH | |||
| 15 | 941095 | 1 | LEVER | CH | |||
| 16 | 249069-00 | 1 | SLIDER | CH | |||
| 17 | 142164506 | 1 | FIELD LEAD | CH | |||
| 18 | 141830000 | 1 | BEARING | CH | |||
| 19 | 940950-00 | 1 | BAFFLE FAN | CH | |||
| 20 | 941096-00 | 1 | JOINT | CH | |||
| 21 | 142830000 | 1 | BEARING | CH | |||
| 22 | 142970604 | 1 | WASHER NYLON | CH | |||
| 23 | 142152401 | 1 | BOLT | CH | |||
| 24 | 249570-00 | 1 | GEARBOX SA | CH | |||
| 25 | 249020-00 | 1 | BRACKET | CH | |||
| 26 | 142810400 | 1 | SPIROL PIN | CH | |||
| 27 | 249072-00 | 1 | LEVER | CH | |||
| 28 | 048810106 | 1 | DOWEL | CH | |||
| 29 | 013831000 | 1 | BALL 6MM | CH | |||
| 30 | 142153302 | 2 | WASHER | CH | |||
| 31 | 142810104 | 1 | PIN | CH | |||
| 32 | 142930194 | 2 | WASHER | CH | |||
| 33 | 113810100 | 1 | SPINDLE | CH | |||
| 34 | 142153800 | 1 | LEVER | CH | |||
| 35 | 941053-00 | 1 | FSO SHOE | CH | |||
| 36 | 142116300 | 1 | PLATE | CH | |||
| 37 | 860205-04 | 3 | SCREW | CH | |||
| 38 | 142930193 | 1 | WASHER | CH | |||
| 39 | 940942-00 | 1 | FSO GEAR ECC. | CH | |||
| 40 | 142930196 | 1 | WASHER | CH | |||
| 41 | 142980032 | 2 | RING | CH | |||
| 42 | 940944-00 | 1 | COUNTERWEIGHT | CH | |||
| 43 | 940943-00 | 2 | COUNTERWEIGHT | CH | |||
| 44 | 142154400 | 1 | CLAMP | CH | |||
| 45 | 860322-00 | 1 | CIRCLIP | CH | |||
| 46 | 142153301 | 1 | ECCENTRIC | CH | |||
| 47 | 142810200 | 2 | ROLLPIN | CH | |||
| 48 | 720685-00 | 3 | SCREW.TEMP | CH | |||
| 49 | 247651-00 | 1 | WASHER | CH | |||
| 50 | 120820700 | 1 | CIRCLIP | CH | |||
| 51 | 142980033 | 1 | FSO BEARING,NEEDLE | CH | |||
| 52 | 142151400 | 1 | YOKE | CH | |||
| 53 | 142934024 | 5 | SPRING | CH | |||
| 54 | 142154200 | 2 | GUIDE | CH | |||
| 55 | 142151402 | 1 | GUIDE | CH | |||
| 56 | 249021-00 | 1 | COVER | CH | |||
| 57 | 249115-00 | 1 | KNOB | CH | |||
| 58 | 142153600 | 1 | PLATE | CH | |||
| 59 | 142105101 | 1 | GEARCASE SA | CH | |||
| 60 | 142912604 | 1 | SCREW | CH | |||
| 61 | 142820700 | 2 | WASHER LOCK | CH | |||
| 62 | 142152300 | 1 | BUSH | CH | |||
| 63 | 142152801 | 1 | WASHER FELT | CH | |||
| 64 | 142930191 | 1 | WASHER SMALL | CH | |||
| 65 | 142930192 | 1 | WASHER LARGE | CH | |||
| 66 | 247439-50 | 1 | FSO GUIDE SA | CH | |||
| 69 | 142910706 | 1 | SCREW | CH | |||
| 70 | 249424-08 | 2 | SCREW | CH | |||
| 71 | 249416-03 | 2 | SCREW | CH | |||
| 72 | 249408-11 | 1 | SCREW | CH | |||
| 73 | 249424-04 | 1 | SCREW | CH | |||
| 74 | 249416-06 | 2 | SCREW | CH | |||
| 75 | 949896-11 | 1 | SCREW | CH | |||
| 76 | 140931226 | 2 | CLAMP | CH | |||
| 77 | 249424-02 | 1 | SCREW | CH | |||
| 78 | 249416-06 | 1 | SCREW | CH | |||
| 79 | 140164501 | 2 | LEAD 140MM RED | CH | |||
| 80 | 140164502 | 1 | LEAD 130MM YELLOW | CH | |||
| 81 | 152164514 | 1 | LEAD 130MM BLUE | CH | |||
| 82 | 141931231 | 1 | CLIP | CH | |||
| 83 | 249535-00 | 1 | LEVER SA,BIG SLIDE | CH | |||
| 84 | 940961-00 | 1 | PROTECTOR | CH | |||
| 85 | 247129-05 | 2 | SCREW | CH | |||
| 90 | 249102-00 | 1 | SWITCH & DIODE | CH | |||
| 93 | 249070-00 | 1 | INSERT PVC | CH | |||
| 94 | 142151401 | 1 | GUIDE | CH | |||
| 95 | 142815100 | 1 | RIVET | CH | |||
| 97 | 247650-00 | 1 | WASHER | CH | |||
| 800 | 249634-00 | 1 | GREASE 40 GMS | CH |