JS20 JIGSAW Type 1 | Drawings
Documents
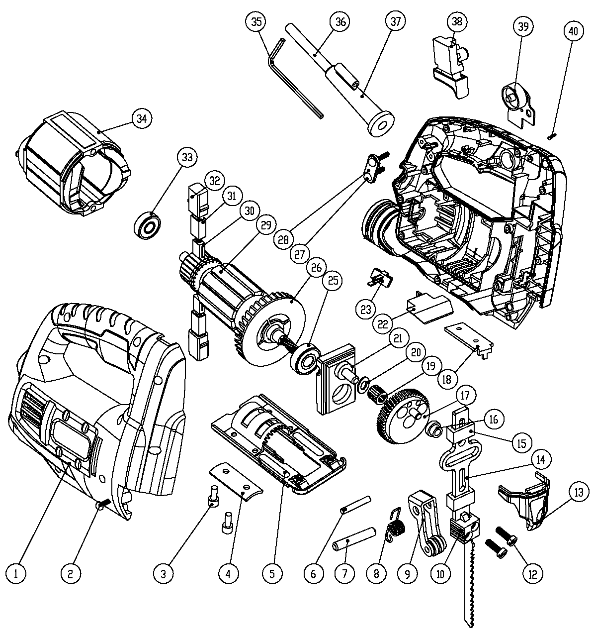
| Item No. | Product Number | Qty Per | Product Description | General Description | Other Info | Markets | Product Status |
|---|---|---|---|---|---|---|---|
| 1 | 5170026-55 | 1 | HOUSING SA | B2 | |||
| 2 | 5170026-56 | 10 | SCREW | B2 | |||
| 3 | 5170026-57 | 2 | SCREW | B2 | |||
| 4 | 5170026-58 | 1 | PLATE | B2 | |||
| 5 | 5170026-59 | 1 | PLATE | B2 | |||
| 6 | 5170026-60 | 1 | PIN | B2 | |||
| 7 | 5170026-61 | 1 | AXLE | B2 | |||
| 8 | 5170026-62 | 1 | SPRING TORSION | B2 | |||
| 9 | 5170026-63 | 1 | SUPPORT | B2 | |||
| 10 | 5170026-64 | 1 | BLADE HOLDER | B2 | |||
| 12 | 5170026-65 | 2 | SCREW | B2 | |||
| 13 | 5170026-66 | 1 | GUARD | B2 | |||
| 14 | 5170026-67 | 1 | PLUNGER | B2 | |||
| 15 | 5170026-68 | 1 | SUPPORT | B2 | |||
| 16 | 5170026-69 | 1 | ROLLER | B2 | |||
| 17 | 5170026-70 | 1 | GEAR | B2 | |||
| 18 | 5170026-71 | 1 | PLATE | B2 | |||
| 19 | 5170026-72 | 1 | BEARING NEEDLE | B2 | |||
| 20 | 5170026-73 | 1 | WASHER | B2 | |||
| 21 | 5170026-74 | 1 | SEAT | B2 | |||
| 22 | 5170026-75 | 1 | DUST COLLECTOR | B2 | |||
| 23 | 5170026-76 | 1 | SWITCH | B2 | |||
| 25 | 5170026-77 | 1 | BEARING | B2 | |||
| 26 | 5170026-78 | 1 | FAN | B2 | |||
| 27 | 5170026-79 | 2 | SCREW | B2 | |||
| 28 | 5170026-80 | 1 | CORD CLAMP | B2 | |||
| 29 | 5170026-81 | 1 | ARMATURE | B2 | |||
| 30 | 5170026-82 | 1 | BRUSH PAIR | B2 | |||
| 31 | 5170026-83 | 2 | BRUSH HOLDER | B2 | |||
| 32 | 5170026-84 | 2 | SUPPORT | B2 | |||
| 33 | 5170026-85 | 1 | BEARING | B2 | |||
| 34 | 5170026-86 | 1 | FIELD | B2 | |||
| 35 | 5170026-87 | 1 | HEX KEY 3 MM | B2 | |||
| 36 | 5140204-96 | 1 | CORD SET | B2 | |||
| 37 | 5170026-92 | 1 | GUARD | B2 | |||
| 38 | 5170026-93 | 1 | SWITCH | B2 | |||
| 39 | 5140204-98 | 1 | SWITCH | B2 | |||
| 40 | 5170026-96 | 1 | SCREW | B2 |