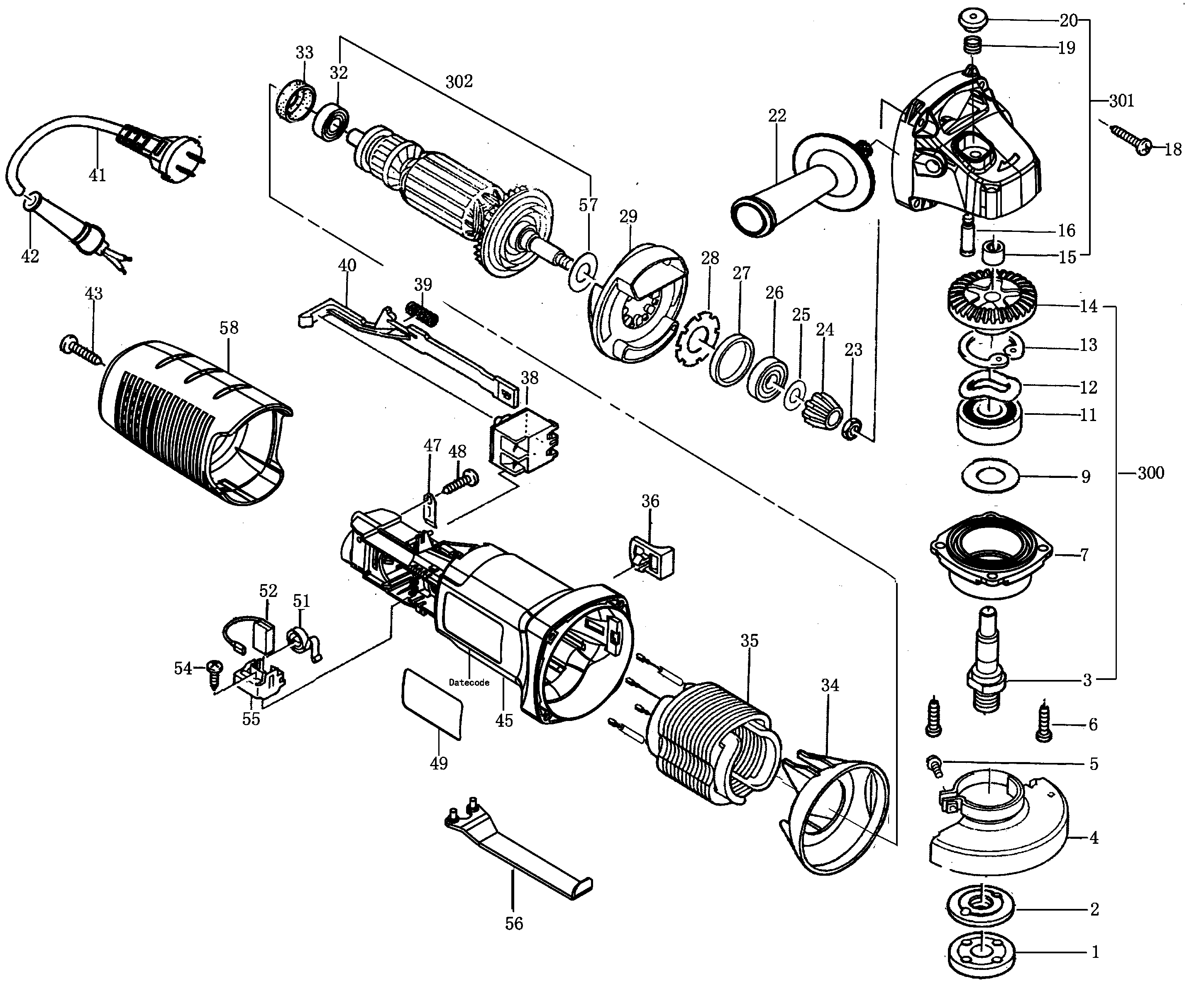
STGS7115 SMALL ANGLE GRINDER Type 1 | Drawings
Documents
| Item No. | Product Number | Qty Per | Product Description | General Description | Other Info | Markets | Product Status |
|---|---|---|---|---|---|---|---|
| 1 | 5140169-78 | 1 | OUTER FLANGE | AR | |||
| 2 | 5140169-79 | 1 | INNER FLANGE | AR | |||
| 3 | 5140166-38 | 1 | SPINDLE | AR | |||
| 4 | 5140164-83 | 1 | GUARD | AR | |||
| 5 | 5140164-84 | 1 | SCREW | AR | |||
| 6 | 5140164-85 | 4 | SCREW | AR | |||
| 7 | 5140164-86 | 1 | GEARCASE COVER | AR | |||
| 9 | 5140155-63 | 1 | WASHER | AR | |||
| 11 | 5140164-87 | 1 | BEARING | AR | |||
| 12 | 5140164-88 | 1 | WASHER | AR | |||
| 13 | 5140164-89 | 1 | CIRCLIP | AR | |||
| 14 | 5140164-90 | 1 | GEAR | AR | |||
| 15 | 5140164-91 | 1 | NEEDLE BEARING | AR | |||
| 16 | 5140164-92 | 1 | LOCK PIN | AR | |||
| 18 | 5140164-93 | 4 | SCREW | AR | |||
| 19 | 5140164-94 | 1 | SPRING | AR | |||
| 20 | 5140164-95 | 1 | LOCK BUTTON | AR | |||
| 22 | 5140164-96 | 1 | SIDE HANDLE | AR | |||
| 23 | 5140164-97 | 1 | NUT | AR | |||
| 24 | 5140164-98 | 1 | PINION | AR | |||
| 25 | 5140164-99 | 1 | WASHER | AR | |||
| 26 | 5140165-00 | 1 | BEARING | AR | |||
| 27 | 5140165-01 | 1 | RUBBER SEAL | AR | |||
| 28 | 5140165-02 | 1 | WASHER | AR | |||
| 29 | 5140165-03 | 1 | FLANGE | AR | |||
| 32 | 5140165-04 | 1 | BEARING | AR | |||
| 33 | 5140165-05 | 1 | SLEEVE BEARING | AR | |||
| 34 | 5140165-06 | 1 | BAFFLE | AR | |||
| 35 | 5140166-39 | 1 | FIELD ASSY. | AR | |||
| 36 | 5140165-08 | 1 | BUTTON | AR | |||
| 38 | 5140190-52 | 1 | SWITCH ASSEMBLY | AR | |||
| 39 | 5140165-10 | 1 | SPRING | AR | |||
| 40 | 5140165-11 | 1 | LINK | AR | |||
| 41 | 5140173-32 | 1 | CORD | AR | |||
| 42 | 5140155-83 | 1 | CORD PROTECTOR | AR | |||
| 43 | 5140156-03 | 1 | SCREW | AR | |||
| 45 | 5140165-13 | 1 | FIELDCASE | AR | |||
| 47 | 5140165-14 | 1 | CORD CLAMP | AR | |||
| 48 | 5140156-10 | 1 | SCREW | AR | |||
| 49 | 5140174-50 | 1 | RATING LABEL | AR | |||
| 51 | 5140165-16 | 1 | BRUSH SPRING | AR | |||
| 52 | 5140166-44 | 1 | BRUSH | AR | |||
| 54 | 5140165-18 | 2 | SCREW | AR | |||
| 55 | 5140171-72 | 2 | BRUSH HOLDER | AR | |||
| 56 | 5140179-53 | 1 | WRENCH | AR | |||
| 57 | 5140155-76 | 1 | WASHER | AR | |||
| 58 | 5140165-21 | 1 | END CAP | AR | |||
| 300 | 5140166-45 | 1 | SPINDLE & GEAR ASSY. | AR | |||
| 301 | 5140165-24 | 1 | GEARCASE ASSY | AR | |||
| 302 | 5140166-46 | 1 | ARMATURE | AR |