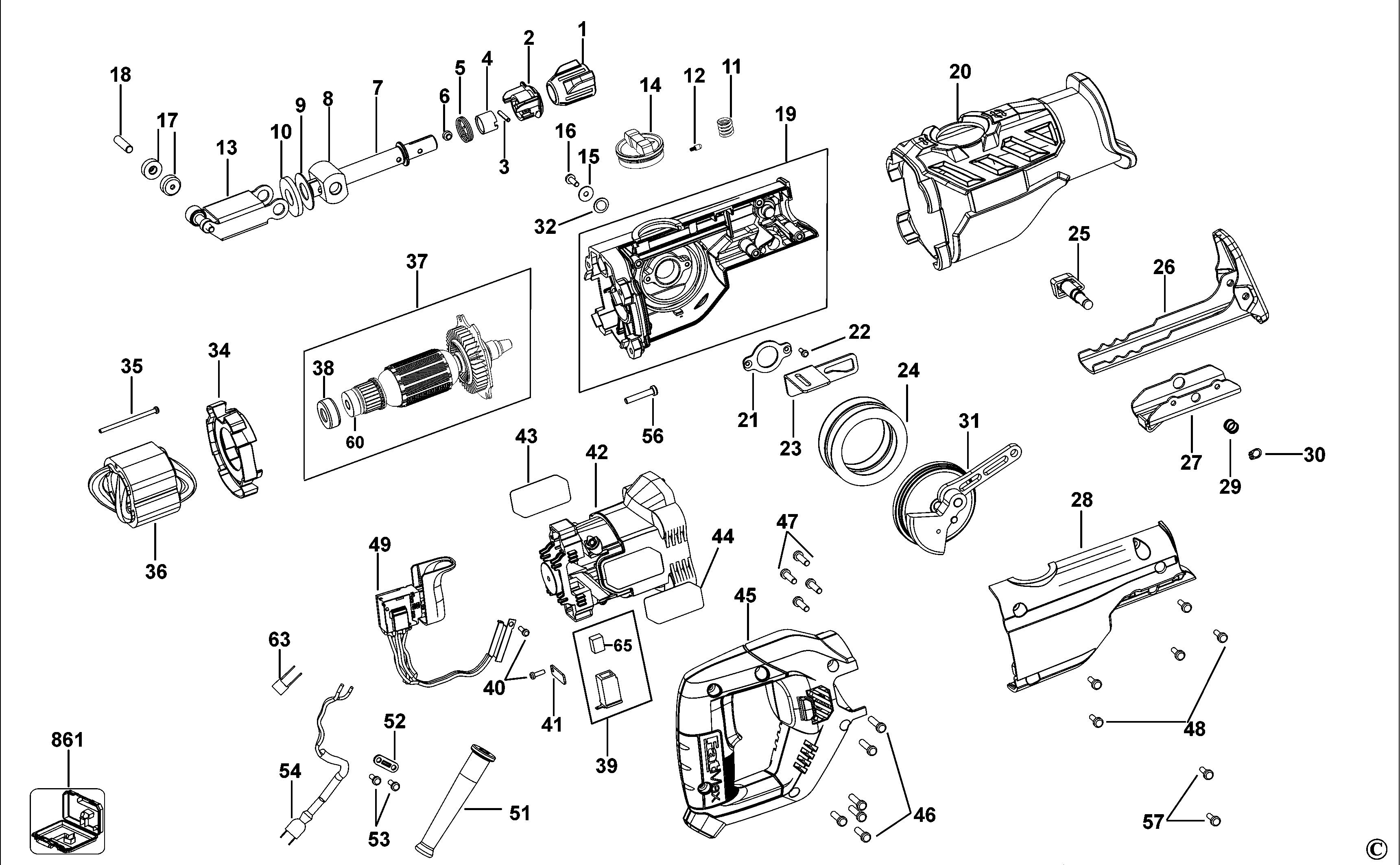
FME365 CUT SAW Type 1 | Drawings
Documents
| Item No. | Product Number | Qty Per | Product Description | General Description | Other Info | Markets | Product Status |
|---|---|---|---|---|---|---|---|
| 1 | 90562315 | 1 | BOOT | XE | |||
| 2 | 90562332 | 1 | COLLAR | XE | |||
| 3 | 90570102 | 1 | PIN | XE | |||
| 4 | 90562334 | 1 | SLEEVE | XE | |||
| 5 | 90562333 | 1 | SPRING | XE | |||
| 6 | 90562314 | 1 | PIN | XE | |||
| 7 | 90587516 | 1 | SHAFT SA | XE | |||
| 8 | 90587517 | 1 | BEARING | XE | |||
| 9 | 90562321 | 1 | WASHER | XE | |||
| 10 | 90562320 | 1 | FELT SEAL | XE | |||
| 11 | 90562319 | 1 | SPRING COMPRESSION | XE | |||
| 12 | N403227 | 1 | DETENT | XE | |||
| 13 | 90587518 | 1 | TRACK | XE | |||
| 14 | 90583997 | 1 | KNOB SA | XE | |||
| 15 | 90563044 | 1 | WASHER | XE | |||
| 16 | 90563040 | 1 | SCREW | XE | |||
| 17 | 90562303 | 2 | ROLLER | XE | |||
| 18 | 90562304 | 1 | PIN | XE | |||
| 19 | 90587519 | 1 | GEAR CASE SA | XE | |||
| 20 | 90574947 | 1 | RUBBER BOOT | XE | |||
| 21 | 90562305 | 1 | BEARING PLATE | XE | |||
| 22 | 90502260 | 2 | SCREW | M3 x 6mm Csk | XE | ||
| 23 | 90562299 | 1 | ACTUATOR | XE | |||
| 24 | 90563562 | 1 | BEARING THRUST | XE | |||
| 25 | 90583996 | 1 | BUTTON SA | XE | |||
| 26 | 90563570 | 1 | SHOE SA | XE | |||
| 27 | 90562309 | 1 | SUPPORT PLATE | XE | |||
| 28 | 90587520 | 1 | COVER SA | XE | |||
| 29 | 618427-00 | 1 | SPRING | XE | |||
| 30 | 90552725 | 1 | CLIP | XE | |||
| 31 | 90563563 | 1 | GEAR SA | XE | |||
| 32 | 98197-03 | 1 | WASHER | XE | |||
| 34 | 90562519 | 1 | BAFFLE FAN | XE | |||
| 35 | 330019-64 | 2 | SCREW | XE | |||
| 36 | 90587521 | 1 | FIELD 230V | XE | |||
| 37 | 90636471 | 1 | ARMATURE SA | XE | |||
| 38 | 90565402 | 1 | CAP | XE | |||
| 39 | 90587523 | 1 | BRUSH PAIR 230V | XE | |||
| 40 | 330019-28 | 3 | SCREW | XE | |||
| 41 | 90561435 | 1 | BRUSH HOLDER | XE | |||
| 42 | 90582682 | 1 | FIELDCASE | XE | |||
| 45 | 90587524 | 1 | HANDLE SA | XE | |||
| 46 | 330019-13 | 8 | SCREW | M4X19 T20 | XE | ||
| 47 | 330019-12 | 4 | SCREW | XE | |||
| 48 | 330045-06 | 5 | SCREW | XE | |||
| 49 | 90563353 | 1 | SWITCH | XE | |||
| 51 | N542553 | 1 | CORD PROTECTOR | XE | |||
| 51 | N542553 | 1 | CORD PROTECTOR | XE | |||
| 52 | 329301-00 | 1 | CORD CLAMP | XE | |||
| 53 | 330019-01 | 2 | SCREW | XE | |||
| 54 | 90579001-37 | 1 | CORDSET | XE | |||
| 56 | 330019-13 | 4 | SCREW | M4X19 T20 | XE | ||
| 57 | 90568551 | 2 | SCREW | XE | |||
| 60 | 574853-08 | 1 | BEARING | XE | |||
| 63 | 90568607 | 1 | CAPACITOR | XE | |||
| 65 | 90569536 | 1 | BRUSH PAIR 230V SA | XE | |||
| 861 | 90580689-01 | 1 | KIT BOX | XE |