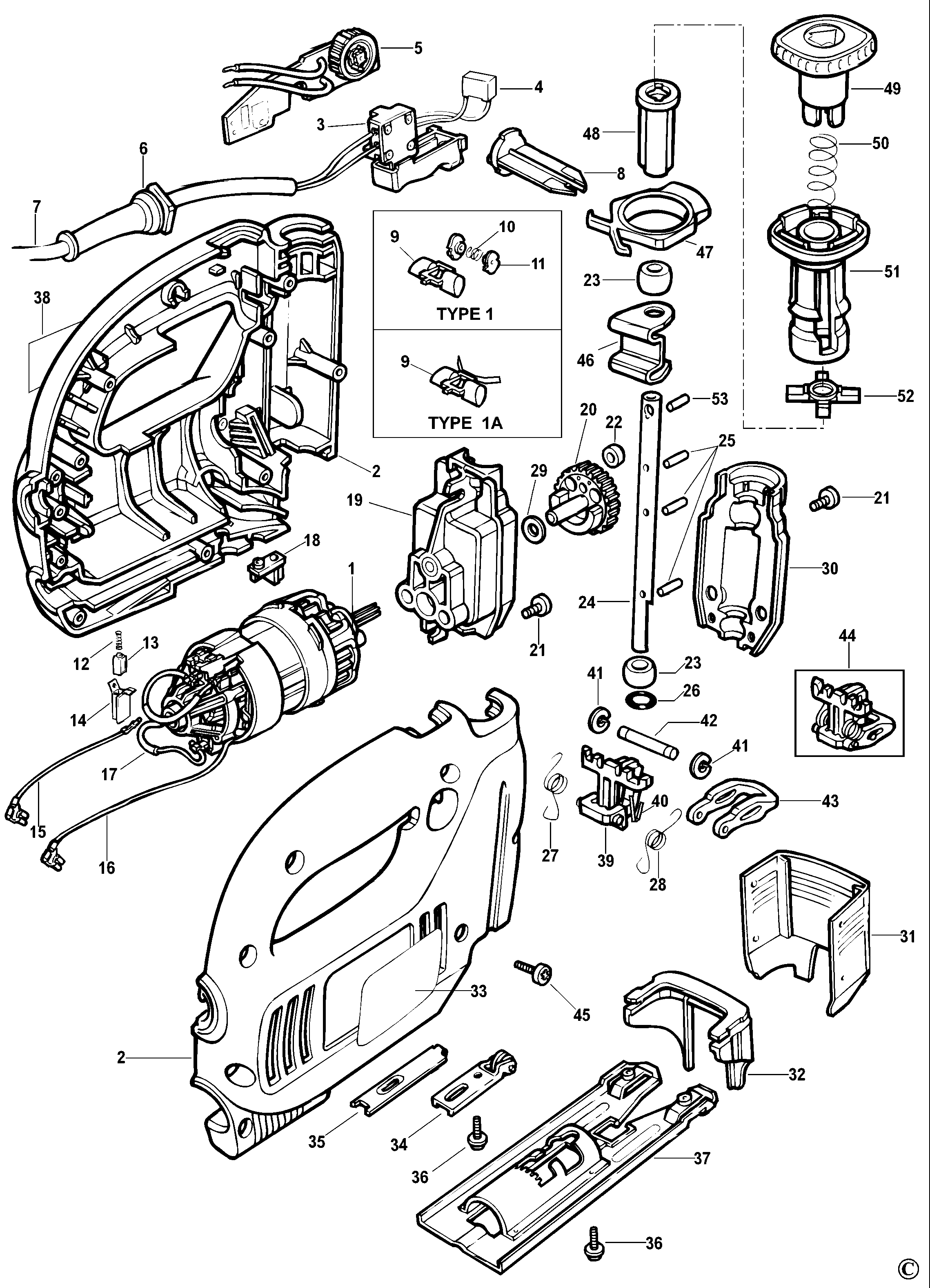
KS638SE ЛОБЗИК Type 1 | Чертежи
Документы
Пожалуйста, просмотрите ниспадающее меню, так как для некоторых продуктов может быть приведено несколько рисунков
| Item No. | Product Number | Qty Per | Product Description | ДОП. ОПИСАНИЕ | Other Info | Markets | Product Status |
|---|---|---|---|---|---|---|---|
| 1 | 571299-19 | 1 | ЭЛЕКТРОДВИГАТЕЛЬ В СБОРЕ | TW | |||
| 2 | 580486-01 | 1 | КОРПУС В КОМПЛЕКТЕ | TW | ![]() |
||
| 3 | 809483-01 | 1 | ВЫКЛЮЧАТЕЛЬ | TW | |||
| 5 | 368329-01 | 1 | ПЕЧАТНАЯ ПЛАТА | TW | |||
| 6 | 770235 | 1 | ЗАЩИТНОЕ УСТРОЙСТВО | TW | ![]() |
||
| 7 | 808704-12 | 1 | КОМПЛЕКТ ПРОВОДОВ | TW | ![]() |
||
| 8 | 369328 | 1 | РЕГУЛЯТОР | TW | ![]() |
||
| 9 | 376010-01 | 1 | ПРИВОД | TYPE 1 | TW | ||
| 9 | 376010-01 | 1 | ПРИВОД | TYPE 1A | TW | ||
| 10 | 748158 | 1 | ПРУЖИНА | TW | ![]() |
||
| 11 | 370966 | 2 | ШАЙБА | TW | |||
| 12 | 847709 | 2 | ПРУЖИНА | TW | |||
| 13 | 372523 | 2 | ЩЁТКА | TW | |||
| 14 | 846076 | 2 | ОБОЙМА ЩЁТКОДЕРЖАТЕЛЯ | TW | |||
| 15 | 830393 | 1 | ПРОВОД | TW | |||
| 16 | 372828 | 1 | ПРОВОД | TW | |||
| 18 | 369620 | 1 | ГАЙКА | TW | ![]() |
||
| 19 | 581229-01 | 1 | КОРПУС РЕДУКТОРА В СБОРЕ | TW | |||
| 20 | 369619 | 1 | ШЕСТЕРНЯ | TW | ![]() |
||
| 21 | 891024 | 6 | ВИНТ | TW | ![]() |
||
| 22 | 368389 | 1 | РОЛИК | TW | |||
| 23 | 368360 | 2 | ПОДШИПНИК | TW | |||
| 24 | 571709-04 | 1 | ВАЛ В СБОРЕ | TW | |||
| 25 | 374292 | 3 | ШТИФТ | TW | |||
| 26 | 799310 | 1 | УПЛОТНИТЕЛЬНОЕ КОЛЬЦО | TW | |||
| 27 | 371953 | 1 | ПРУЖИНА ПР. | TW | |||
| 28 | 371952 | 1 | ПРУЖИНА ЛЕВ. | TW | |||
| 29 | 995036 | 2 | ПРУЖИННАЯ ШАЙБА | TW | |||
| 30 | 368366 | 1 | КРЫШКА | TW | |||
| 31 | 369008 | 1 | ЗАЩИТНЫЙ КОЖУХ | TW | ![]() |
||
| 32 | 370584 | 1 | ЗАЩИТНЫЙ КОЖУХ | TW | ![]() |
||
| 33 | 369002-11 | 1 | ЯРЛЫК ПРОИЗВОДИТЕЛЯ | TW | |||
| 34 | 368375-01 | 1 | ОПОРА В СБОРЕ | TW | ![]() |
||
| 35 | 368857-00 | 1 | ЗАЖИМ | TW | ![]() |
||
| 36 | 376409 | 2 | ВИНТ | TW | ![]() |
||
| 37 | 369304-00 | 1 | БАШМАК В СБОРЕ | TW | ![]() |
||
| 39 | 581190-02 | 1 | ЗАЖИМ В СБОРЕ | TW | |||
| 40 | 370169 | 1 | ПЛАСТИНА | TW | |||
| 41 | 370170 | 2 | СТОПОРНОЕ КОЛЬЦО | TW | |||
| 42 | 571131-00 | 1 | ПАКЕТ ДЕТАЛЕЙ (КОМПЛЕКТ) | TW | |||
| 43 | 370168-01 | 1 | ПРИВОД | TW | |||
| 44 | 581190-02 | 1 | ЗАЖИМ В СБОРЕ | TW | |||
| 45 | 747329 | 10 | ВИНТ | TW | ![]() |
||
| 46 | 749286 | 1 | ХОМУТ | TW | |||
| 47 | 368355-03 | 1 | ФЛАНЕЦ | TW | ![]() |
||
| 48 | 376132 | 1 | БЛОК | TW | |||
| 49 | 368352-00 | 1 | ВЕРХНЯЯ РУЧКА | TW | ![]() |
||
| 50 | 371662 | 1 | ПРУЖИНА | TW | |||
| 51 | 368353-00 | 1 | НИЖНЯЯ РУЧКА | TW | ![]() |
||
| 52 | 371311 | 1 | ПЛАСТИНА | TW | |||
| 53 | 811057 | 1 | ШТИФТ | TW |

