BPSC2135 CHOP SAW Type 1 | Drawings
Documents

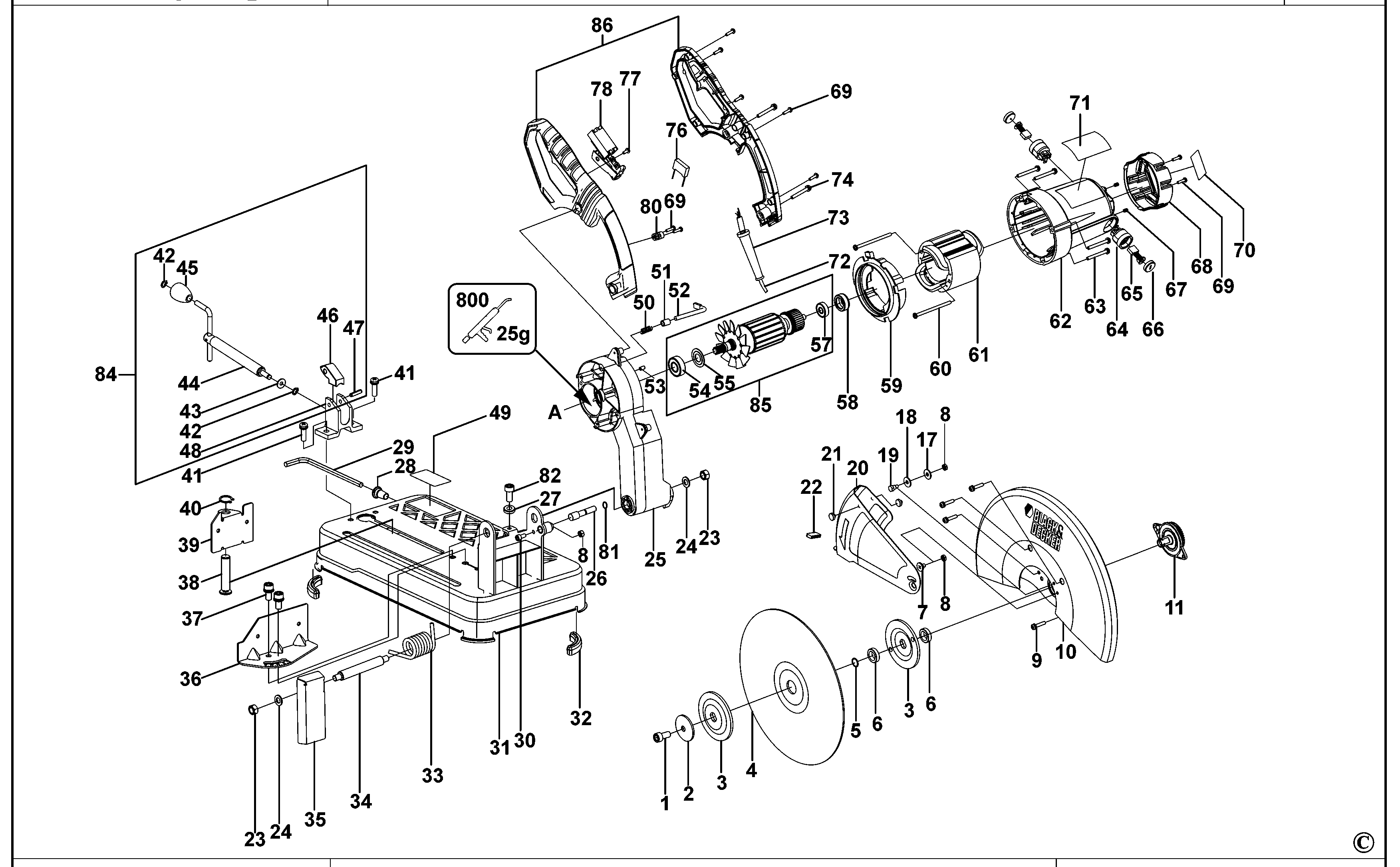
Item No. | Product Number | Qty Per | Product Description | General Description | Other Info | Markets | Product Status |
---|---|---|---|---|---|---|---|
1 | 5170002-60 | 1 | BOLT | B9 | ![]() |
||
2 | 5170002-61 | 1 | FLANGE | B9 | ![]() |
||
3 | 5170002-62 | 2 | FLANGE | B9 | ![]() |
||
4 | 6010356-12 | 1 | WHEEL | B9 | ![]() |
||
5 | 5140062-47 | 1 | O RING | B9 | ![]() |
||
6 | 5140062-48 | 2 | BUSH | B9 | ![]() |
||
7 | 5140062-49 | 1 | SCREW | M6X10 | B9 | ![]() |
|
8 | 5140062-50 | 3 | LOCK NUT | M6 | B9 | ![]() |
|
9 | 5140062-51 | 4 | SCREW | M5X25 | B9 | ![]() |
|
10 | 5170003-18 | 1 | GUARD | B9 | ![]() |
||
11 | 5170002-65 | 1 | SPINDLE & GEAR SA | B9 | ![]() |
||
17 | 5140062-54 | 1 | WASHER | B9 | ![]() |
||
18 | 5140062-55 | 1 | WASHER | Hard Paper | B9 | ![]() |
|
19 | 5140062-56 | 1 | SCREW | M6 | B9 | ![]() |
|
20 | 5170002-66 | 1 | GUARD LOWER | B9 | ![]() |
||
21 | 5140062-58 | 2 | RUBBER | B9 | ![]() |
||
22 | 5140062-59 | 1 | PROTECTOR | guard | B9 | ![]() |
|
23 | 5140062-60 | 2 | NUT | M10 | B9 | ![]() |
|
24 | 5140062-76 | 2 | WASHER | B9 | ![]() |
||
25 | 5170002-67 | 1 | ARM ELEVATING | B9 | ![]() |
||
26 | 5170002-68 | 1 | BOLT | B9 | ![]() |
||
27 | 5170002-69 | 1 | NUT | B9 | ![]() |
||
28 | 5170002-70 | 1 | WRENCH SPECIAL | B9 | ![]() |
||
29 | 5170002-71 | 1 | WRENCH SPECIAL | B9 | ![]() |
||
30 | 5140062-66 | 1 | BOLT | M6X12 | B9 | ![]() |
|
31 | 5170002-72 | 1 | BASE | no shielding panel | B9 | ![]() |
|
32 | 5140062-68 | 3 | FOOT | B9 | ![]() |
||
33 | 5140062-70 | 1 | SPRING TORSION | B9 | ![]() |
||
34 | 5170002-73 | 1 | SCREW | B9 | ![]() |
||
35 | 5170002-74 | 1 | PROTECTOR | B9 | ![]() |
||
36 | 6010356-13 | 1 | FENCE | B9 | ![]() |
||
37 | 5170002-76 | 2 | BOLT | B9 | ![]() |
||
38 | 6010356-14 | 1 | SHAFT | B9 | ![]() |
||
39 | 6010356-15 | 1 | CLAMP | B9 | ![]() |
||
40 | 5140063-27 | 1 | RETAINER | B9 | ![]() |
||
41 | 5170002-79 | 2 | SCREW | B9 | ![]() |
||
42 | 5170002-80 | 2 | RETAINER | B9 | ![]() |
||
43 | 5170002-81 | 1 | WASHER | B9 | ![]() |
||
44 | 5170002-82 | 1 | HANDLE SA | B9 | ![]() |
||
45 | 5170002-83 | 1 | CRANK | B9 | ![]() |
||
46 | 5170002-84 | 1 | NUT | B9 | ![]() |
||
47 | 5170002-85 | 1 | PIN | B9 | ![]() |
||
48 | 5170002-86 | 1 | Seat | B9 | ![]() |
||
49 | 5170003-19 | 1 | LABEL | B9 | ![]() |
||
50 | 5170002-88 | 1 | SPRING | B9 | ![]() |
||
51 | 5170002-89 | 1 | SLEEVE | B9 | ![]() |
||
52 | 5170002-90 | 1 | PIN | B9 | ![]() |
||
53 | 5140062-89 | 1 | PIN | B9 | ![]() |
||
54 | 5170002-91 | 1 | BEARING | B9 | ![]() |
||
55 | 5140062-92 | 1 | WASHER | B9 | ![]() |
||
57 | 5170002-94 | 1 | BEARING | B9 | ![]() |
||
58 | 5140062-97 | 1 | SLEEVE BEARING | B9 | ![]() |
||
59 | 5170002-95 | 1 | DUST DEFLECTOR | B9 | ![]() |
||
60 | 5170002-96 | 2 | SCREW | B9 | ![]() |
||
61 | 5170002-98 | 1 | FIELD | B9 | ![]() |
||
62 | 5140131-33 | 1 | HOUSING MOTOR | B9 | ![]() |
||
62 | 6010354-81 | 1 | HOUSING MOTOR | B9 | |||
63 | 5170003-00 | 4 | SCREW | B9 | ![]() |
||
64 | 5140063-04 | 2 | BRUSH HOLDER | B9 | ![]() |
||
65 | 5140063-06 | 1 | BRUSH PAIR | 120V | B9 | ![]() |
|
66 | 5140063-07 | 2 | BRUSH CAP | B9 | ![]() |
||
67 | 5140063-08 | 2 | SCREW | B9 | ![]() |
||
68 | 5170003-01 | 1 | COVER REAR | B9 | ![]() |
||
69 | 5140063-10 | 9 | SCREW | B9 | ![]() |
||
70 | 6010356-16 | 1 | LABEL | B9 | ![]() |
||
71 | 6010356-18 | 1 | RATING LABEL | B9 | ![]() |
||
72 | 5170003-08 | 1 | CORDSET | B9 | ![]() |
||
73 | 5140063-19 | 1 | CORD PROTECTOR | B9 | ![]() |
||
74 | 5140063-20 | 2 | SCREW | M5X40 | B9 | ![]() |
|
76 | 5170003-12 | 1 | CAPACITOR | B9 | ![]() |
||
77 | 5140062-93 | 1 | SCREW | B9 | ![]() |
||
78 | 5170003-13 | 1 | SWITCH | B9 | ![]() |
||
80 | 5140063-26 | 1 | CORD CLAMP | B9 | ![]() |
||
81 | 5170003-15 | 1 | O RING | B9 | ![]() |
||
82 | 5170003-16 | 1 | SCREW | B9 | ![]() |
||
84 | 5170003-11 | 1 | HANDLE SA | B9 | ![]() |
||
85 | 5170002-92 | 1 | ARMATURE 220/240V | B9 | ![]() |
||
86 | 5170003-23 | 1 | HANDLE SA | B9 | ![]() |
||
800 | 870889-02 | 1 | GREASE | 25g | B9 | ![]() |