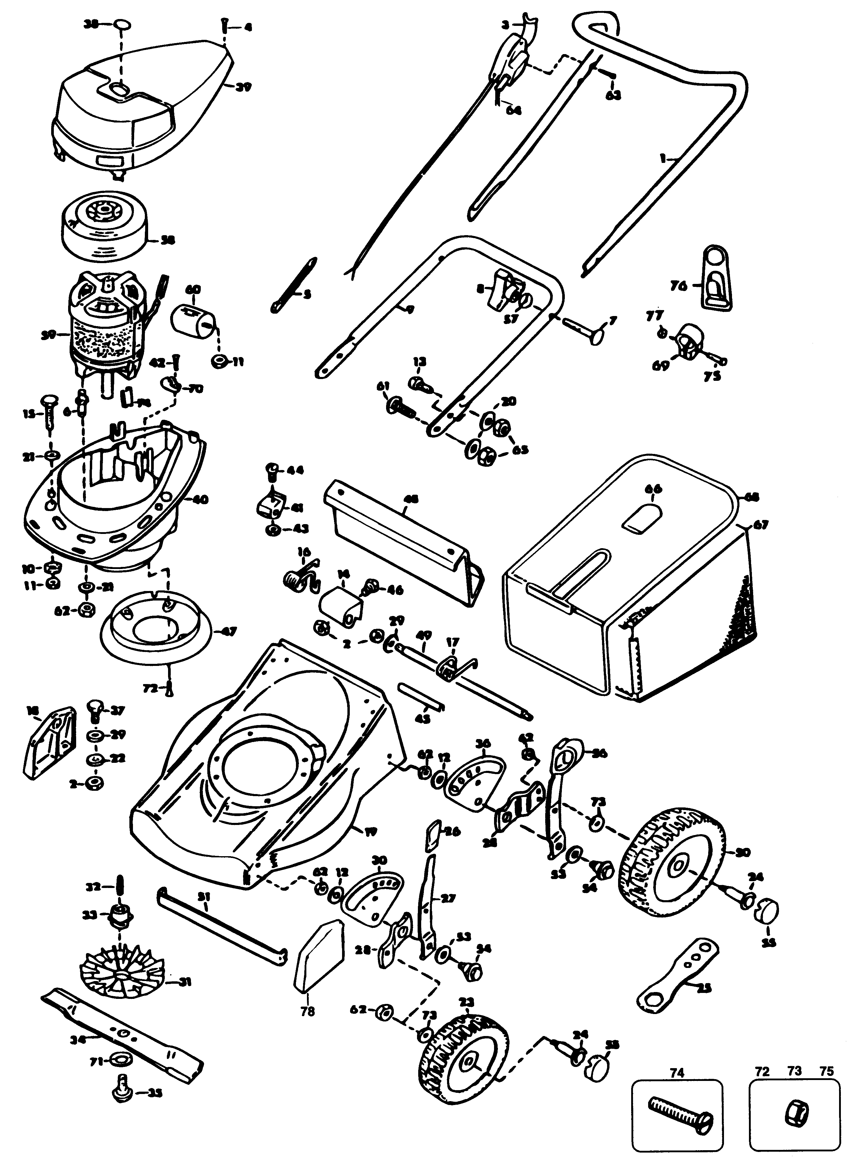
GR421 ROTARY MOWER Type 2 | Drawings
Documents

Item No. | Product Number | Qty Per | Product Description | General Description | Other Info | Markets | Product Status |
---|---|---|---|---|---|---|---|
2 | 278150-00 | 6 | NUT | GB | |||
3 | 278122-00 | 1 | SWITCH SA | GB | ![]() |
||
5 | 278055-00 | 2 | TIE | GB | ![]() |
||
6 | 278185-00 | 4 | STUD | GB | ![]() |
||
7 | 155812500 | 2 | SCREW | GB | ![]() |
||
8 | 278194-00 | 2 | LOCK-NUT | GB | ![]() |
||
10 | 278148-00 | 6 | WASHER | GB | ![]() |
||
11 | 278151-00 | 7 | NUT | GB | ![]() |
||
12 | 278158-00 | 4 | WASHER | GB | ![]() |
||
13 | 860085-04 | 2 | SCREW | GB | ![]() |
||
15 | 860085-03 | 3 | BOLT | GB | ![]() |
||
16 | 278068-00 | 1 | SPRING RH | GB | |||
17 | 278067-00 | 1 | SPRING LH | GB | |||
20 | 278156-00 | 4 | WASHER M8 | GB | ![]() |
||
21 | 278155-00 | 3 | WASHER | GB | ![]() |
||
23 | 278114-00 | 2 | WHEEL | GB | ![]() |
||
24 | 278118-00 | 4 | AXLE WHEEL | GB | ![]() |
||
25 | 278178-00 | 1 | SPANNER | GB | ![]() |
||
26 | 278160-00 | 2 | GRIP | GB | ![]() |
||
27 | 278196-00 | 2 | LEVER | GB | ![]() |
||
29 | 278154-00 | 3 | WASHER | GB | |||
31 | 278088-00 | 1 | FAN | GB | ![]() |
||
32 | 278054-00 | 1 | KEY | GB | ![]() |
||
33 | 278169-00 | 1 | BLADE MOUNT | GB | ![]() |
||
34 | 278121-00 | 1 | BLADE | GB | ![]() |
||
35 | 278200-00 | 1 | BLADE BOLT | GB | ![]() |
||
37 | 860085-13 | 3 | SCREW | GB | ![]() |
||
38 | 278094-00 | 1 | COVER | GB | ![]() |
||
39 | 278131-00 | 1 | COVER | GB | ![]() |
||
40 | 278132-00 | 1 | MOUNT | GB | ![]() |
||
41 | 278069-00 | 2 | JOINT | GB | |||
42 | 278130-00 | 1 | SCREW | GB | |||
43 | 278149-00 | 2 | NUT | GB | ![]() |
||
44 | 278146-00 | 2 | SCREW | GB | ![]() |
||
45 | 278180-00 | 1 | PROTECTOR | GB | |||
46 | 860085-13 | 2 | SCREW | GB | ![]() |
||
47 | 278129-00 | 1 | BAFFLE | GB | ![]() |
||
48 | 278186-00 | 1 | REAR FLAP | GB | ![]() |
||
49 | 278174-00 | 1 | REAR FLAP | GB | |||
50 | 278116-00 | 2 | WHEEL 200 MM | GB | ![]() |
||
51 | 278179-00 | 1 | TIE | GB | ![]() |
||
52 | 844840 | 1 | COUPLER (SPLASH) | GB | ![]() |
||
54 | 278064-00 | 4 | SCREW | GB | ![]() |
||
55 | 278117-00 | 4 | CAP | GB | ![]() |
||
56 | 278195-00 | 2 | LEVER | GB | ![]() |
||
58 | 278598-00 | 1 | FAN | GB | ![]() |
||
60 | 278140-00 | 1 | CONDENSOR | GB | ![]() |
||
61 | 278145-00 | 2 | BOLT | GB | ![]() |
||
62 | 278057-00 | 4 | NUT | GB | ![]() |
||
64 | 330048-52 | 1 | CORDSET (SPLASH) | GB | ![]() |
||
65 | 278058-00 | 2 | NUT | GB | ![]() |
||
66 | 278104-00 | 1 | HANDLE | GB | ![]() |
||
67 | 278107-00 | 1 | GRASSBAG | GB | ![]() |
||
68 | 278108-00 | 1 | FRAME | GB | ![]() |
||
70 | 278093-00 | 1 | CABLE CLAMP | GB | ![]() |
||
71 | 278125-00 | 1 | SPRING | GB | ![]() |
||
72 | 278056-00 | 4 | SCREW | GB | ![]() |
||
73 | 278113-00 | 4 | WASHER | GB | ![]() |