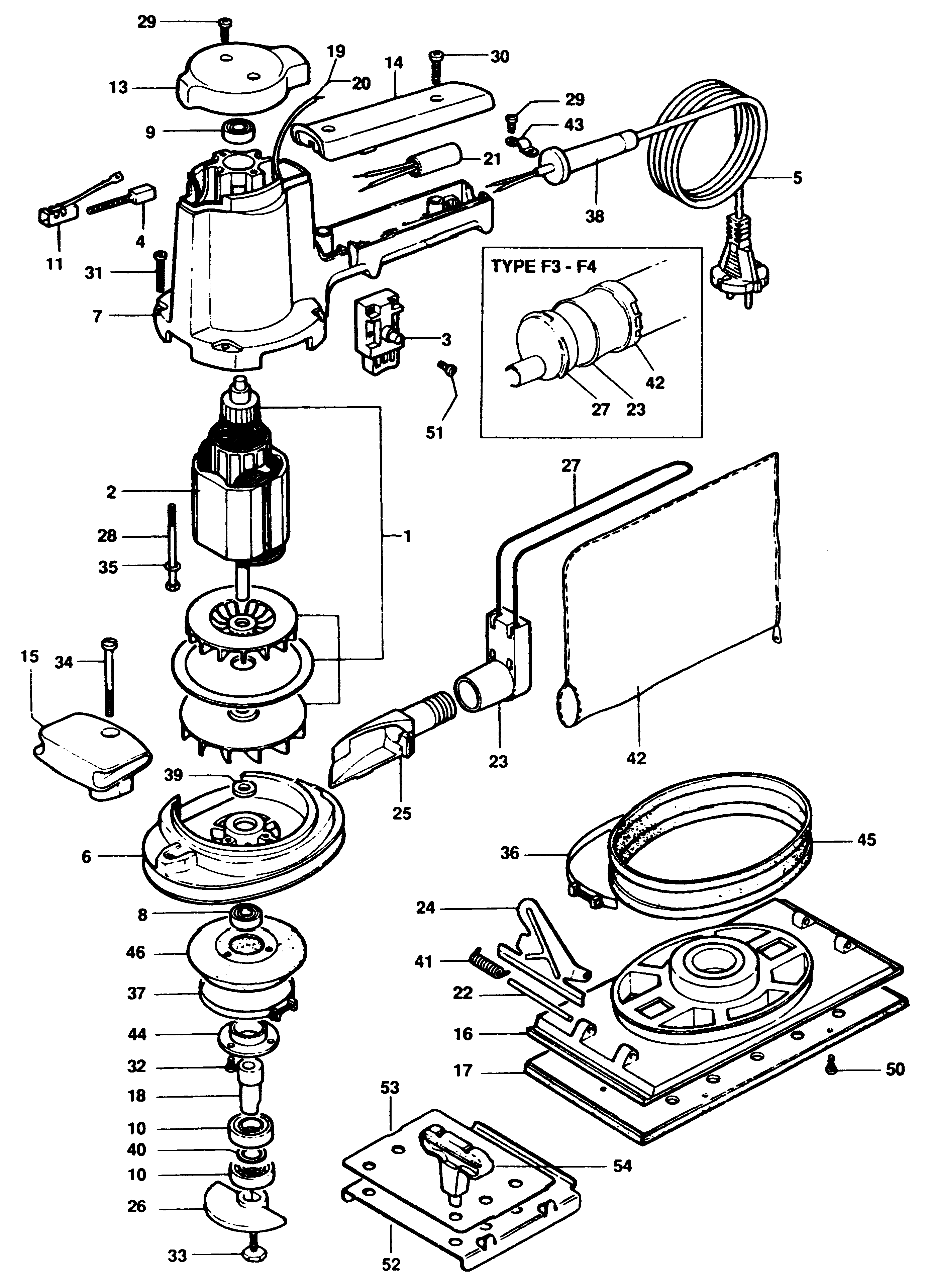
P6304 SANDER Type 1 | Drawings
Documents
| Item No. | Product Number | Qty Per | Product Description | General Description | Other Info | Markets | Product Status |
|---|---|---|---|---|---|---|---|
| 1 | 736464 | 1 | ARMATURE | 220/240 VOLTS | AE | ![]() |
|
| 3 | 953088 | 1 | SWITCH | AE | ![]() |
||
| 4 | 916424 | 2 | FSO BRUSH | AE | ![]() |
||
| 5 | N571221 | 1 | CORDSET (EURO) | AE | |||
| 6 | 730628-01 | 1 | HOUSING | AE | ![]() |
||
| 7 | 733827 | 1 | FIELDCASE | AE | ![]() |
||
| 8 | 605040-05 | 1 | BEARING | AE | ![]() |
||
| 9 | 142830000 | 1 | BEARING | AE | |||
| 10 | 915541 | 2 | BEARING | AE | ![]() |
||
| 11 | 730657 | 2 | BRUSH HOLDER | TYPE F11 | AE | ![]() |
|
| 11 | 730657 | 2 | BRUSH HOLDER | TYPE F3-F4 | AE | ![]() |
|
| 11 | 733829 | 2 | BRUSH HOLDER | TYPE D1 | AE | ![]() |
|
| 13 | 733828 | 1 | COVER | AE | ![]() |
||
| 14 | 730622 | 1 | COVER | AE | ![]() |
||
| 15 | 731526 | 1 | HANDLE | AE | ![]() |
||
| 17 | 735719 | 1 | PAD | AE | ![]() |
||
| 18 | 731972 | 1 | ECCENTRIC | AE | ![]() |
||
| 19 | 322076 | 1 | LEAD 160MM BLACK | AE | ![]() |
||
| 20 | 322075 | 1 | LEAD 210MM BLACK | AE | ![]() |
||
| 21 | 321384 | 1 | CAPACITOR | AE | ![]() |
||
| 22 | 955264 | 2 | AXLE | AE | ![]() |
||
| 23 | 731280 | 1 | BRACKET | TYPE F11 | AE | ![]() |
|
| 23 | 731280 | 1 | BRACKET | TYPE D1 | AE | ![]() |
|
| 24 | 730633 | 2 | GRIP | AE | ![]() |
||
| 25 | 730645 | 1 | PIPE | AE | ![]() |
||
| 26 | 730635 | 1 | COUNTERWEIGHT | AE | ![]() |
||
| 27 | 732836 | 1 | BRACKET | TYPE F11 | AE | ![]() |
|
| 27 | 732836 | 1 | BRACKET | TYPE D1 | AE | ![]() |
|
| 28 | 736416 | 2 | SCREW | AE | ![]() |
||
| 29 | 894748 | 4 | O RING | AE | ![]() |
||
| 30 | 323924-17 | 2 | SCREW | AE | ![]() |
||
| 31 | 911996 | 4 | SCREW | AE | ![]() |
||
| 32 | 734892 | 3 | SCREW | AE | ![]() |
||
| 33 | 731973 | 1 | SCREW | AE | ![]() |
||
| 34 | 911880 | 1 | SCREW | AE | ![]() |
||
| 35 | 322475 | 2 | WASHER | AE | ![]() |
||
| 36 | 730638 | 1 | COLLAR | AE | ![]() |
||
| 37 | 730639 | 1 | COLLAR | AE | ![]() |
||
| 38 | 859013 | 1 | PROTECTOR | AE | ![]() |
||
| 40 | 730920 | 1 | SPACER | AE | ![]() |
||
| 41 | 731408 | 2 | SPRING | AE | ![]() |
||
| 42 | 732882 | 1 | BAG | TYPE F11 | AE | ![]() |
|
| 42 | 732882 | 1 | BAG | TYPE D1 | AE | ![]() |
|
| 43 | 910556 | 1 | CABLE CLAMP | AE | ![]() |
||
| 44 | 730921 | 1 | HOLDER BEARING | AE | ![]() |
||
| 45 | 730637 | 1 | SKIRT | AE | ![]() |
||
| 46 | 730970 | 1 | SKIRT | AE | ![]() |
||
| 50 | 735722 | 6 | SCREW | AE | ![]() |
||
| 51 | 911026 | 2 | SCREW | AE | ![]() |
||
| 52 | 731439 | 1 | BRACKET | AE | ![]() |
||
| 53 | 731440 | 1 | GAUGE | AE | ![]() |
||
| 54 | 731441 | 1 | PUNCH | AE | ![]() |

