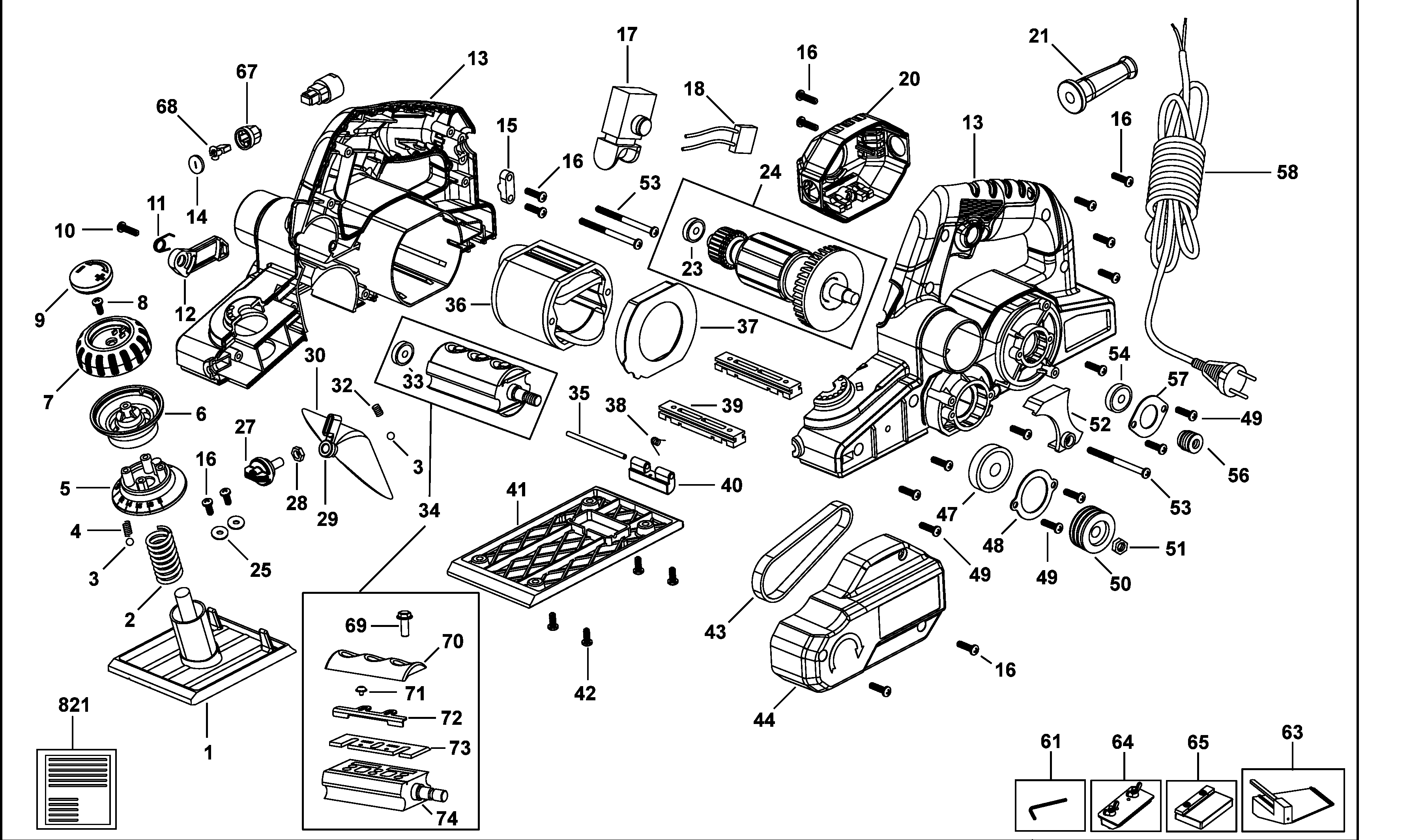
STEL630 PLANER Type 2 | Drawings
Documents

Item No. | Product Number | Qty Per | Product Description | General Description | Other Info | Markets | Product Status |
---|---|---|---|---|---|---|---|
1 | 1004526-00 | 1 | SHOE | XD | ![]() |
||
2 | 1004526-01 | 1 | SPRING | XD | ![]() |
||
3 | 1004526-02 | 2 | BALL STEEL | XD | ![]() |
||
4 | 1004526-03 | 1 | SPRING | XD | ![]() |
||
5 | 1004526-97 | 1 | DIAL PLATE | 1.6mm | XD | ||
6 | 1004526-05 | 1 | KNOB LOWER | XD | ![]() |
||
7 | 1004526-98 | 1 | COVER | XD | ![]() |
||
8 | 1004526-07 | 1 | SCREW | XD | ![]() |
||
9 | 1004526-08 | 1 | COVER | XD | ![]() |
||
10 | 1004526-09 | 1 | SCREW | XD | ![]() |
||
11 | 1004526-10 | 1 | SPRING | XD | ![]() |
||
12 | 1004526-11 | 1 | GUARD COVER | XD | ![]() |
||
13 | 5170005-86 | 1 | CLAMSHELL SA | XD | |||
14 | 1004526-14 | 2 | BRUSH CAP | XD | ![]() |
||
15 | 1004526-17 | 1 | CORD CLAMP | XD | ![]() |
||
16 | 1004526-18 | 15 | SCREW | XD | ![]() |
||
17 | 5170005-87 | 1 | SWITCH | XD | |||
18 | 1004526-21 | 1 | CAPACITOR | XD | ![]() |
||
20 | 1004526-23 | 1 | MOTOR COVER | XD | ![]() |
||
21 | 1004526-24 | 1 | CORD PROTECTOR | XD | ![]() |
||
23 | 1004526-26 | 1 | BEARING | XD | ![]() |
||
24 | 1004526-27 | 1 | ARMATURE SA | XD | ![]() |
||
25 | 1004526-29 | 2 | WASHER LOCK | XD | ![]() |
||
27 | 1004526-31 | 1 | KNOB SA | XD | ![]() |
||
28 | 1004526-32 | 1 | NUT M6 | XD | ![]() |
||
29 | 1004526-33 | 1 | LEVER | XD | ![]() |
||
30 | 1004526-34 | 1 | DEFLECTOR | XD | ![]() |
||
32 | 1004526-36 | 1 | SPRING | XD | ![]() |
||
33 | 1004526-37 | 1 | BEARING | XD | ![]() |
||
34 | 1004526-39 | 1 | BLADEDRUM SA | Incl. 33 | XD | ![]() |
|
35 | 1004526-46 | 1 | PIN | XD | ![]() |
||
36 | 1004526-47 | 1 | FIELD | XD | ![]() |
||
37 | 1004526-49 | 1 | BAFFLE FAN | XD | ![]() |
||
38 | 1004526-50 | 1 | SPRING | XD | ![]() |
||
39 | 1004526-51 | 2 | CLAMPING BAR | XD | ![]() |
||
40 | 1004526-52 | 1 | STAND | XD | ![]() |
||
41 | 1004526-53 | 1 | SHOE | XD | ![]() |
||
42 | 1004526-54 | 4 | SCREW | ST4.1x10mm | XD | ![]() |
|
43 | 1004526-55 | 1 | BELT | XD | ![]() |
||
44 | 1004526-56 | 1 | COVER BELT | XD | ![]() |
||
47 | 1004526-59 | 1 | BEARING | XD | ![]() |
||
48 | 1004526-60 | 1 | BEARING PLATE | XD | ![]() |
||
49 | 1004578-00 | 5 | SCREW | ST4.1x10MM | XD | ||
50 | 1004526-62 | 1 | WHEEL LARGE | XD | ![]() |
||
51 | 1004526-63 | 1 | NUT | XD | ![]() |
||
52 | 1004526-64 | 1 | BAFFLE | XD | ![]() |
||
53 | 1004526-65 | 3 | SCREW | XD | ![]() |
||
54 | 1004526-66 | 1 | BEARING | XD | ![]() |
||
56 | 1004526-68 | 1 | WHEEL DRIVING | XD | ![]() |
||
57 | 1004526-69 | 1 | BEARING PLATE | XD | ![]() |
||
58 | 5170000-43 | 1 | CORDSET | XD | |||
61 | 1004526-77 | 1 | SPANNER | XD | ![]() |
||
63 | 1004526-80 | 1 | FENCE | Inc. 1 Washer & Knob | XD | ![]() |
|
64 | 1004526-87 | 1 | ADJUSTER BLOCK | XD | ![]() |
||
65 | 1004526-86 | 1 | SUPPORT PLATE | XD | ![]() |
||
67 | 1004526-15 | 2 | BRUSH HOLDER | XD | ![]() |
||
68 | 1004526-16 | 1 | BRUSH PAIR | XD | ![]() |
||
69 | 1004526-40 | 6 | SCREW | XD | ![]() |
||
70 | 1004526-41 | 2 | BLADE CLAMP | XD | ![]() |
||
71 | 1004526-42 | 4 | SCREW | XD | ![]() |
||
72 | 1004526-43 | 2 | SUPPORT | XD | ![]() |
||
73 | 1004526-44 | 2 | BLADE | XD | ![]() |
||
74 | 1004526-45 | 1 | CUTTER BLOCK | XD | ![]() |
||
821 | 5170005-90 | 1 | RATING PLATE | XD |