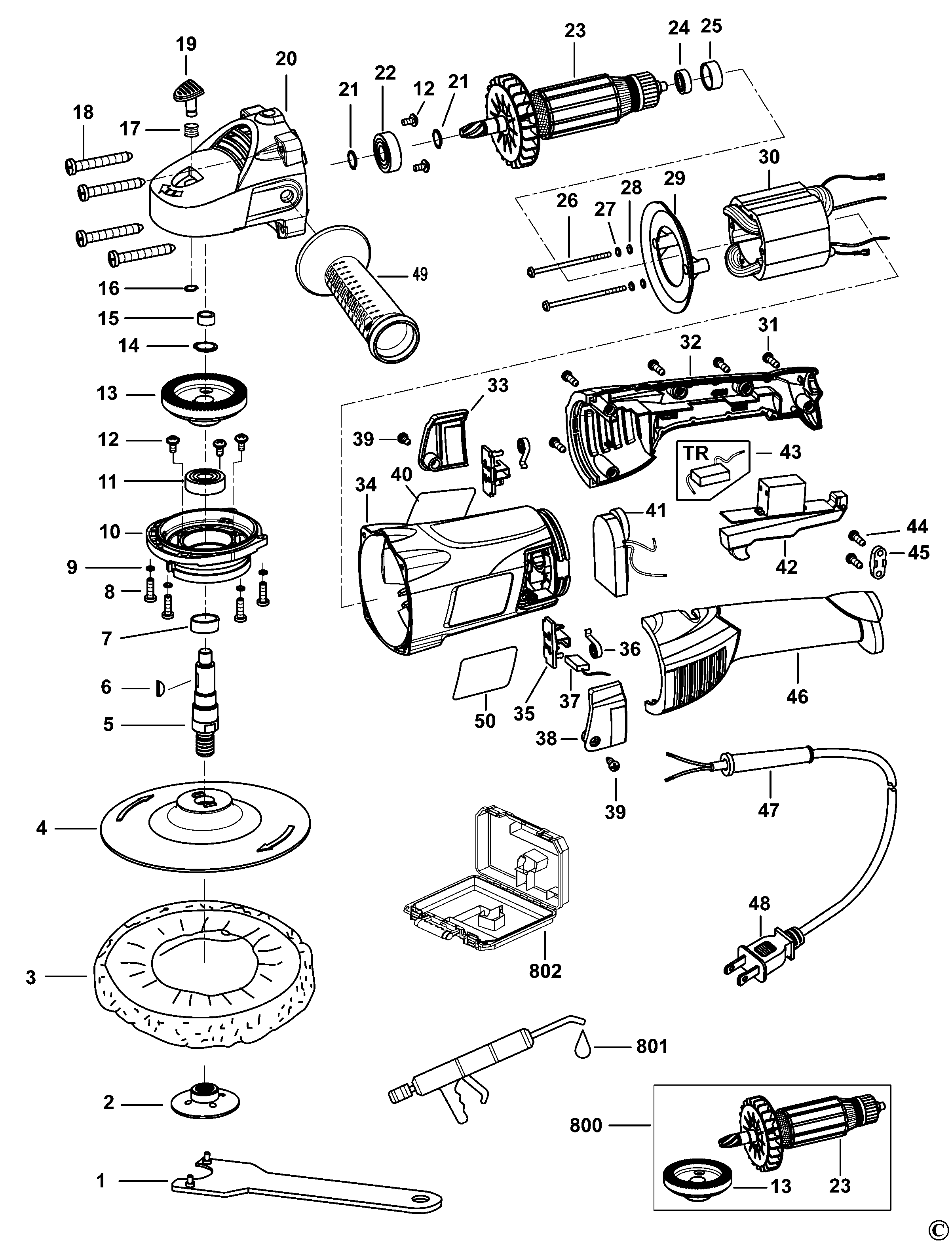
STGP1318K POLISHER Type 1 | Drawings
Documents
| Item No. | Product Number | Qty Per | Product Description | General Description | Other Info | Markets | Product Status |
|---|---|---|---|---|---|---|---|
| 1 | 5140090-55 | 1 | WRENCH 4 MM | B9 | ![]() |
||
| 2 | 5140090-56 | 1 | OUTER FLANGE | B9 | ![]() |
||
| 3 | 5140090-57 | 1 | BONNET | B9 | ![]() |
||
| 4 | 5140090-58 | 1 | PAD | B9 | ![]() |
||
| 5 | 5140090-59 | 1 | SPINDLE | B9 | ![]() |
||
| 6 | 5140090-60 | 1 | WOODRUFF KEY | B9 | ![]() |
||
| 7 | 5140090-61 | 1 | SEAL | B9 | ![]() |
||
| 8 | 5140090-62 | 4 | SCREW | B9 | ![]() |
||
| 9 | 5140090-63 | 4 | WASHER | B9 | ![]() |
||
| 10 | 5140090-64 | 1 | HOUSING GEAR | B9 | ![]() |
||
| 11 | 5140090-65 | 1 | BEARING | B9 | ![]() |
||
| 12 | 5140090-66 | 5 | SCREW.SPECIAL | B9 | ![]() |
||
| 13 | 5140090-67 | 1 | GEAR | B9 | ![]() |
||
| 14 | 5140090-68 | 1 | RING | B9 | ![]() |
||
| 15 | 5140090-69 | 1 | SLEEVE BEARING | B9 | ![]() |
||
| 16 | 5140090-70 | 1 | RING | B9 | ![]() |
||
| 17 | 5140090-71 | 1 | SPRING | B9 | ![]() |
||
| 18 | 5140090-72 | 4 | SCREW | ST4.8 x 30 | B9 | ![]() |
|
| 19 | 5140090-73 | 1 | LOCK PIN | B9 | ![]() |
||
| 20 | 5140090-74 | 1 | HOUSING GEAR SA | B9 | ![]() |
||
| 21 | 5140090-75 | 2 | RING | Check Ring | B9 | ![]() |
|
| 22 | 5140090-76 | 1 | BEARING | B9 | ![]() |
||
| 23 | 1004727-63 | 1 | ARMATURE SA | B9 | ![]() |
||
| 24 | 5140090-79 | 1 | BEARING | B9 | ![]() |
||
| 25 | 5140090-80 | 1 | SLEEVE BEARING | B9 | ![]() |
||
| 26 | 5140090-81 | 2 | SCREW | B9 | ![]() |
||
| 27 | 5140090-82 | 2 | WASHER | B9 | ![]() |
||
| 28 | 5140090-83 | 2 | WASHER | B9 | ![]() |
||
| 29 | 5140090-84 | 1 | BAFFLE FAN | B9 | ![]() |
||
| 30 | 5140090-85 | 1 | FIELD | B9 | ![]() |
||
| 31 | 5140090-87 | 4 | SCREW | B9 | ![]() |
||
| 32 | 6010358-21 | 1 | HANDLE SA RH | B9 | ![]() |
||
| 33 | 6010358-22 | 1 | BRUSH COVER | B9 | ![]() |
||
| 34 | 6010358-23 | 1 | FIELD CASE | B9 | ![]() |
||
| 35 | 5140090-91 | 1 | BRUSH HOLDER | B9 | ![]() |
||
| 36 | 5140090-92 | 2 | BRUSH SPRING | B9 | ![]() |
||
| 37 | 5140090-93 | 2 | BRUSH 220V | 220V | B9 | ![]() |
|
| 38 | 6010358-24 | 1 | BRUSH CAP | B9 | ![]() |
||
| 39 | 5140090-95 | 2 | SCREW | B9 | ![]() |
||
| 40 | 6010358-27 | 1 | RATING PLATE | B9 | ![]() |
||
| 41 | 5140090-54 | 1 | SWITCH VARIABLE | 220V-60HZ | B9 | ![]() |
|
| 42 | 5140091-00 | 1 | SWITCH | B9 | ![]() |
||
| 44 | 5140091-02 | 1 | SCREW | B9 | ![]() |
||
| 45 | 5140091-03 | 1 | CORD CLAMP | B9 | ![]() |
||
| 46 | 6010358-29 | 1 | HANDLE SA LH | B9 | ![]() |
||
| 47 | 5140091-04 | 1 | CORD PROTECTOR | B9 | ![]() |
||
| 48 | 6010355-18 | 1 | CORDSET | B9 | ![]() |
||
| 49 | 6010358-30 | 1 | HANDLE SA | B9 | ![]() |
||
| 50 | 6010358-25 | 1 | BRAND LABEL | B9 | ![]() |
||
| 800 | 1004727-64 | 1 | GEAR SA | B9 | ![]() |
||
| 801 | 5140061-28 | 1 | GREASE | B9 | ![]() |
||
| 802 | 6010358-33 | 1 | KITBOX | B9 | ![]() |

