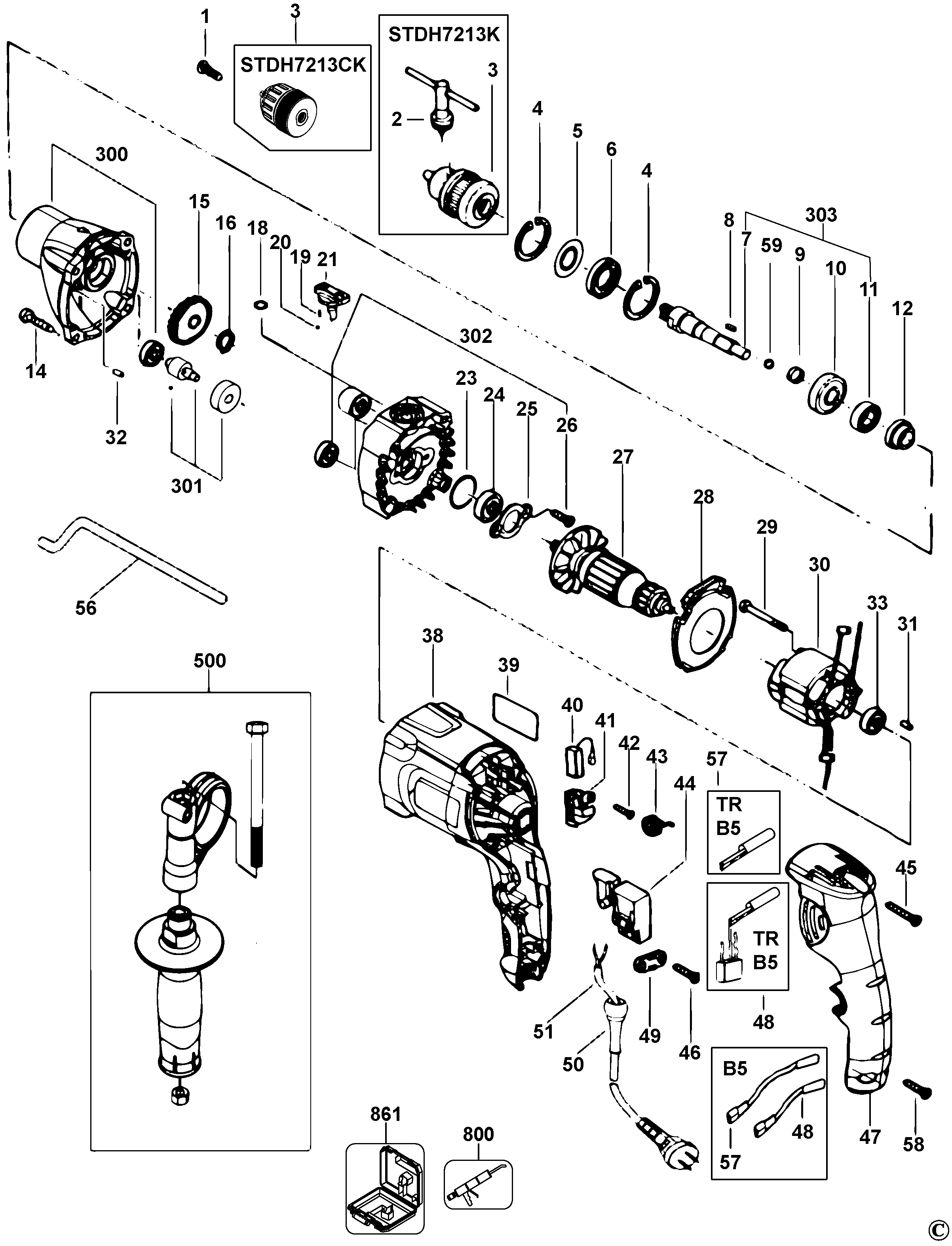
STDH7213 HAMMER DRILL Type 1 | Drawings
Documents

Item No. | Product Number | Qty Per | Product Description | General Description | Other Info | Markets | Product Status |
---|---|---|---|---|---|---|---|
1 | 49204020 | 1 | SCREW | B9 | ![]() |
||
2 | 4100409602 | 1 | CHUCK KEY | STDH7213K | B9 | ![]() |
|
3 | 4100609001 | 1 | CHUCK | STDH7213K | B9 | ![]() |
|
4 | 49207020 | 2 | CIRCLIP | B9 | ![]() |
||
5 | 4240404001 | 1 | WASHER | B9 | ![]() |
||
6 | 4020401605 | 1 | FELT SEAL | B9 | ![]() |
||
7 | 4020404601 | 1 | OUTPUT SHAFT | B9 | ![]() |
||
8 | 49208013 | 1 | KEY | B9 | ![]() |
||
9 | 4020508001 | 1 | SPRING | B9 | ![]() |
||
10 | 49106214 | 1 | BEARING | B9 | ![]() |
||
11 | 4020404602 | 1 | IMPACTOR | B9 | ![]() |
||
12 | 4020404603 | 1 | IMPACTOR | B9 | ![]() |
||
14 | 49206055 | 4 | SCREW | self-tapping screw | B9 | ![]() |
|
15 | 4020410601 | 1 | GEAR | B9 | ![]() |
||
16 | 49207026 | 1 | CIRCLIP | B9 | ![]() |
||
18 | 49207004 | 1 | WASHER | B9 | ![]() |
||
19 | 4020608001 | 2 | SPRING | B9 | ![]() |
||
20 | 4020604006 | 2 | BALL | B9 | ![]() |
||
21 | 4020401607 | 1 | KNOB | B9 | ![]() |
||
23 | 4030203005 | 1 | O RING | B9 | ![]() |
||
24 | 49111010 | 1 | BEARING | B9 | ![]() |
||
25 | 4020404612 | 1 | BEARING PLATE | B9 | ![]() |
||
26 | 49204021 | 2 | SCREW | B9 | ![]() |
||
27 | 50302013 | 1 | ARMATURE | B9 | ![]() |
||
28 | 4020401602 | 1 | BAFFLE FAN | B9 | ![]() |
||
29 | 49206026 | 2 | SCREW | PAN HEAD SCREW | B9 | ![]() |
|
30 | 60302008 | 1 | FIELD SA | B9 | ![]() |
||
31 | 4240203002 | 1 | COLUMN | B9 | ![]() |
||
32 | 4220204033 | 1 | ROLL PIN | B9 | ![]() |
||
33 | 49111013 | 1 | BEARING | B9 | ![]() |
||
38 | 4020401608 | 1 | HOUSING MOTOR | B9 | ![]() |
||
39 | 4020421611 | 1 | RATING LABEL | STDH7213K | B9 | ![]() |
|
40 | 4030106003 | 1 | BRUSH PAIR | B9 | ![]() |
||
41 | 4030107001 | 1 | BRUSH HOLDER | B9 | ![]() |
||
42 | 49206001 | 4 | SCREW | B9 | ![]() |
||
43 | 4030108002 | 1 | SPRING BRUSH | B9 | ![]() |
||
44 | 4100405601 | 1 | SWITCH SA | B9 | ![]() |
||
45 | 49206024 | 1 | SCREW | self-tapping screw | B9 | ![]() |
|
46 | 49206018 | 2 | SCREW | SELF-TAPPING 4*15 | B9 | ![]() |
|
47 | 4020401604 | 1 | HANDLE COVER | B9 | ![]() |
||
49 | 4100301008 | 1 | CORD CLAMP | B9 | ![]() |
||
50 | 49303601 | 1 | CORD PROTECTOR | STDH7213K | B9 | ![]() |
|
51 | Z49306009 | 1 | CORDSET | B9 | ![]() |
||
56 | 4020504004 | 1 | DEPTH ROD | B9 | ![]() |
||
58 | 49206021 | 2 | SCREW | TAPPING SCREW | B9 | ![]() |
|
59 | 4020104006 | 1 | BALL | B9 | ![]() |
||
300 | 4020450001 | 1 | GEARCASE SA | B9 | ![]() |
||
301 | 4020450002 | 1 | GEAR & SPINDLE SA | B9 | ![]() |
||
302 | 4020450003 | 1 | PLATE SA | B9 | ![]() |
||
303 | 4020450004 | 1 | SPINDLE SA | B9 | ![]() |
||
500 | 4020531001 | 1 | SIDE HANDLE | B9 | ![]() |
||
800 | 286436-00 | 1 | GREASE | NYE RHEOLUBE 380, 500 GRAM JAR | B9 | ![]() |
|
861 | 4020412601 | 1 | KITBOX | B9 | ![]() |