MWA57W BENCH GRINDER Type 3 | Drawings
Documents

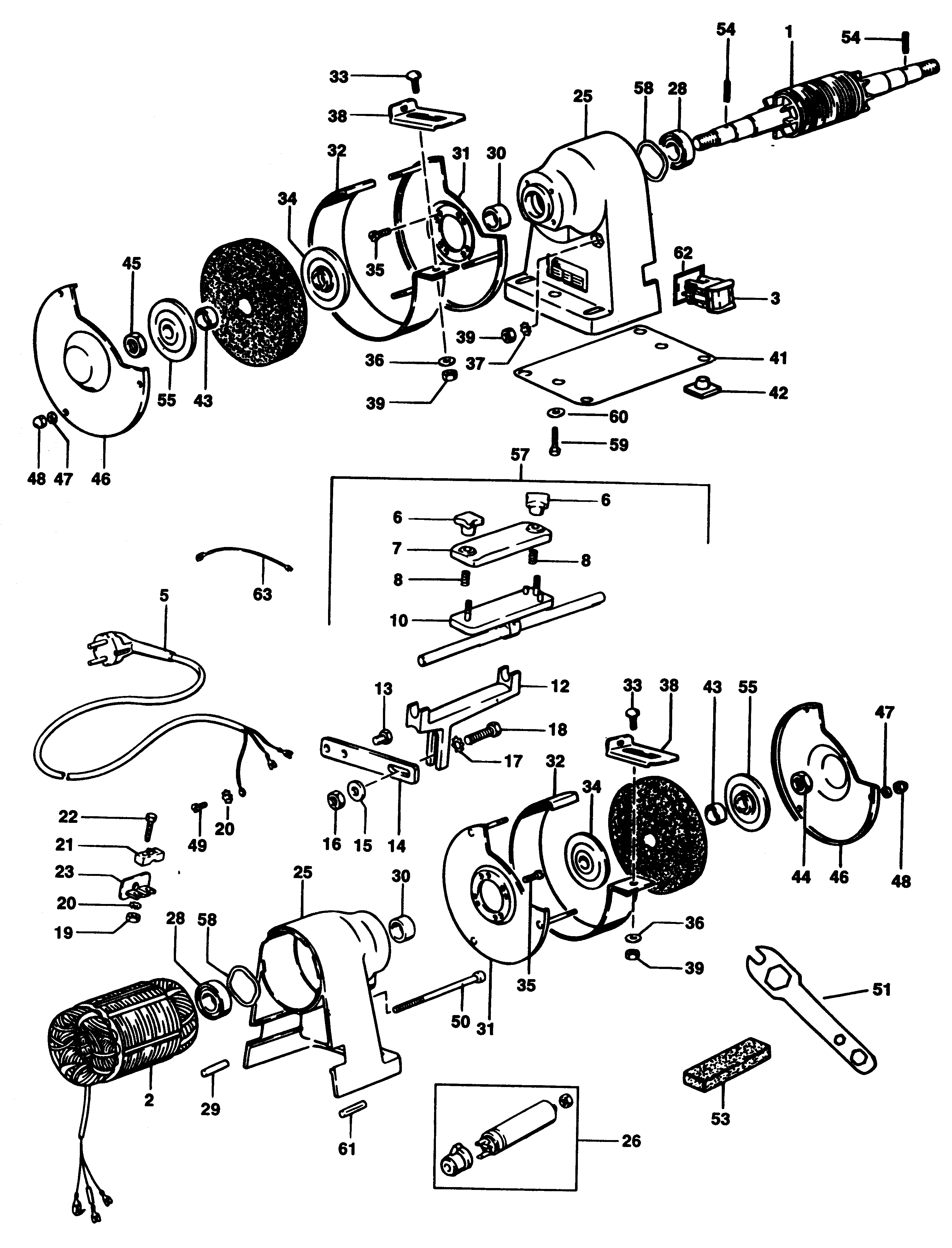
Item No. | Product Number | Qty Per | Product Description | General Description | Other Info | Markets | Product Status |
---|---|---|---|---|---|---|---|
1 | 743412 | 1 | ROTOR | ZA | ![]() |
||
2 | 743413 | 1 | STATOR | ZA | ![]() |
||
3 | 744115 | 1 | SWITCH | ZA | ![]() |
||
5 | 000000-00 | 1 | NO LONGER AVAILABLE | ZA | |||
6 | 744324 | 2 | KNOB SA | ZA | |||
7 | 744231 | 1 | STRIP | ZA | ![]() |
||
8 | 742243 | 2 | SPRING | ZA | ![]() |
||
10 | 744232 | 1 | SUPPORT | ZA | ![]() |
||
12 | 744230 | 1 | HOLDER | ZA | |||
13 | 742253 | 2 | SCREW | ZA | ![]() |
||
14 | 744234 | 1 | SUPPORT | ZA | ![]() |
||
15 | 742172 | 1 | WASHER | ZA | ![]() |
||
16 | 725187 | 1 | NUT | M8 | ZA | ![]() |
|
17 | 742046 | 1 | WASHER M8 | ZA | ![]() |
||
18 | 860085-19 | 1 | SCREW | ZA | ![]() |
||
19 | 725698 | 2 | NUT | ZA | ![]() |
||
20 | 725163 | 3 | WASHER | ZA | ![]() |
||
21 | 742127 | 1 | CABLE CLAMP | ZA | ![]() |
||
22 | 742041 | 2 | SCREW | ZA | ![]() |
||
23 | 742125 | 1 | CABLE CLAMP | ZA | |||
25 | 744241-49 | 1 | HOUSING PAIR | ZA | ![]() |
||
26 | 743309 | 1 | CAPACITOR | ZA | ![]() |
||
28 | 861721-01 | 2 | BEARING | ZA | ![]() |
||
29 | 743311 | 1 | PIN | ZA | ![]() |
||
30 | 742153 | 2 | BUSH | ZA | |||
31 | 744236 | 2 | PLATE | ZA | ![]() |
||
32 | 744238 | 2 | GUARD | ZA | |||
33 | 725184 | 2 | SCREW | ZA | ![]() |
||
34 | 742298 | 2 | CLAMP | ZA | |||
35 | 725196 | 8 | SCREW | ZA | ![]() |
||
36 | 880391 | 2 | WASHER | ZA | |||
37 | 743415 | 2 | WASHER | 6mm | ZA | ||
38 | 744188 | 2 | BRACKET | ZA | |||
39 | 725125 | 3 | NUT | ZA | |||
41 | 742124-01 | 1 | PLATE | ZA | ![]() |
||
42 | 742126 | 4 | MOUNT | ZA | ![]() |
||
43 | 742134 | 2 | BUSH | ZA | |||
44 | 742887 | 1 | NUT | ZA | ![]() |
||
45 | 742140 | 1 | NUT LH | ZA | ![]() |
||
46 | 744237 | 2 | GUARD | ZA | |||
47 | 725269 | 6 | WASHER | ZA | ![]() |
||
48 | 146823100 | 6 | LOCK-NUT | ZA | ![]() |
||
49 | 725183 | 1 | SCREW | ZA | ![]() |
||
50 | 742171 | 1 | SCREW | ZA | ![]() |
||
51 | 742511 | 1 | SPANNER | ZA | ![]() |
||
53 | 742240 | 1 | STONE | ZA | ![]() |
||
54 | 742053 | 2 | PIN | ZA | ![]() |
||
55 | 742066 | 2 | CLAMP OUTER | ZA | |||
57 | 744253 | 1 | CLAMP KIT SA | ZA | |||
58 | 113933000 | 2 | WASHER | ZA | ![]() |
||
59 | 726430 | 2 | SCREW | ZA | ![]() |
||
60 | 725165 | 2 | WASHER | ZA | ![]() |
||
61 | 742168 | 2 | PIN | ZA | ![]() |
||
63 | 742129 | 1 | LEAD | ZA | ![]() |