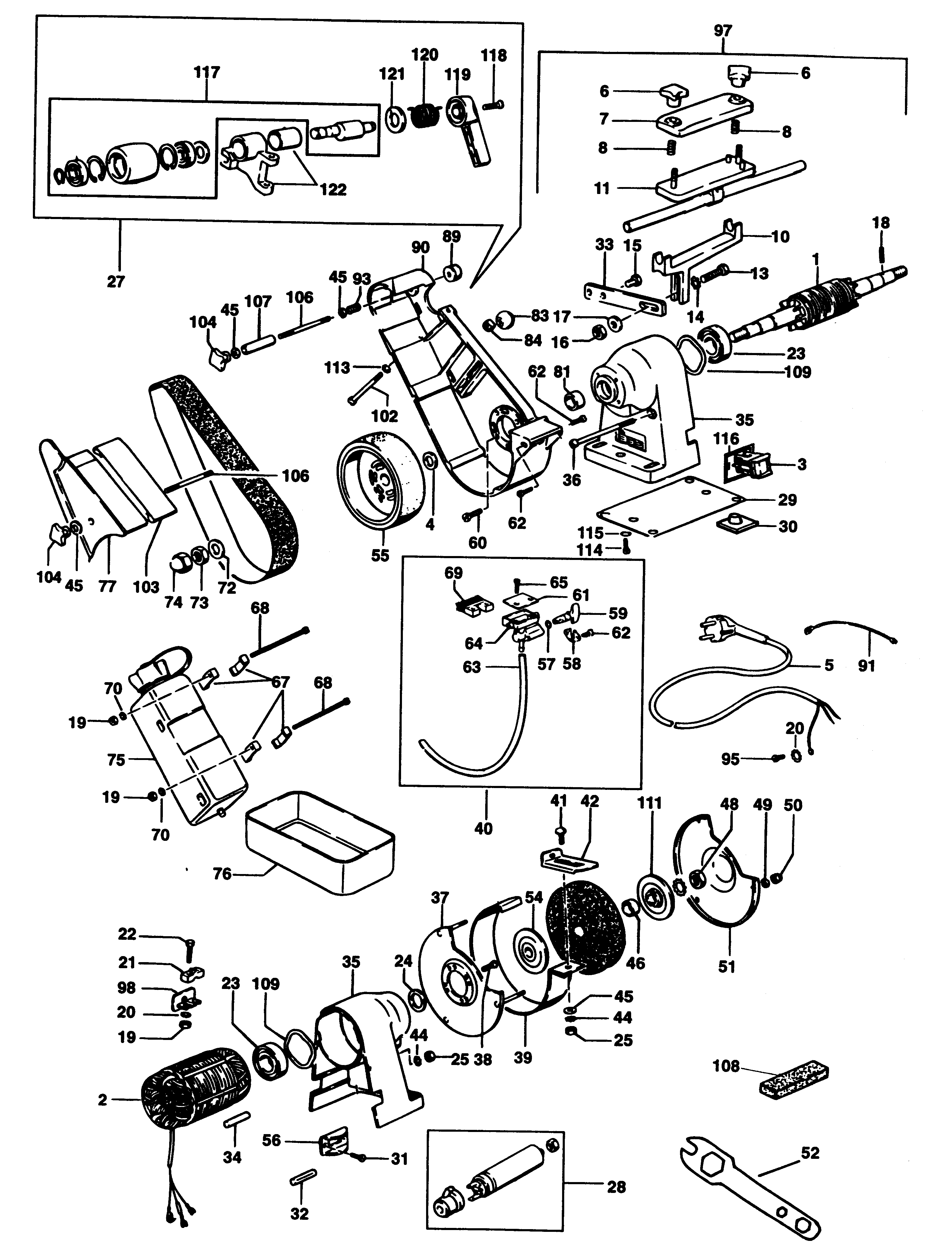
MWA61W BENCH GRINDER Type 3 | Drawings
Documents

Item No. | Product Number | Qty Per | Product Description | General Description | Other Info | Markets | Product Status |
---|---|---|---|---|---|---|---|
1 | 743412 | 1 | ROTOR | GB | ![]() |
||
2 | 743413 | 1 | STATOR | GB | ![]() |
||
3 | 744260 | 1 | SWITCH | GB | ![]() |
||
4 | 742153 | 1 | BUSH | GB | |||
5 | 742175-05 | 1 | CABLE | GB | ![]() |
||
6 | 744324 | 2 | KNOB SA | GB | |||
7 | 744271 | 1 | CLAMP | GB | ![]() |
||
8 | 742243 | 2 | SPRING | GB | ![]() |
||
10 | 744230 | 1 | HOLDER | GB | |||
11 | 744232 | 1 | SUPPORT | GB | ![]() |
||
13 | 860085-19 | 1 | SCREW | GB | ![]() |
||
14 | 742046 | 1 | WASHER M8 | GB | ![]() |
||
15 | 742253 | 2 | SCREW | GB | ![]() |
||
16 | 725187 | 1 | NUT | M8 | GB | ![]() |
|
17 | 742172 | 1 | WASHER | GB | ![]() |
||
18 | 742053 | 1 | PIN | GB | ![]() |
||
19 | 725698 | 4 | NUT | GB | ![]() |
||
20 | 725163 | 3 | WASHER | GB | ![]() |
||
21 | 742127 | 1 | CABLE CLAMP | GB | ![]() |
||
22 | 742041 | 2 | SCREW | GB | ![]() |
||
23 | 861721-01 | 2 | BEARING | GB | ![]() |
||
24 | 742153 | 1 | BUSH | GB | |||
25 | 725125 | 3 | NUT | GB | |||
27 | 744371-10 | 1 | LEVER SA | GB | ![]() |
||
28 | 743309 | 1 | CAPACITOR | GB | ![]() |
||
29 | 742124-01 | 1 | PLATE | GB | ![]() |
||
30 | 742126 | 4 | MOUNT | GB | ![]() |
||
32 | 742168 | 2 | PIN | GB | ![]() |
||
33 | 744234 | 1 | SUPPORT | GB | ![]() |
||
34 | 743311 | 2 | PIN | GB | ![]() |
||
35 | 744241-49 | 1 | HOUSING PAIR | GB | ![]() |
||
36 | 742171 | 2 | SCREW | GB | ![]() |
||
37 | 744236 | 1 | PLATE | GB | ![]() |
||
38 | 725196 | 4 | SCREW | GB | ![]() |
||
39 | 744238 | 1 | GUARD | GB | |||
40 | 742273 | 1 | HOSE SA | GB | |||
41 | 725184 | 1 | SCREW | GB | ![]() |
||
42 | 744188 | 1 | BRACKET | GB | |||
44 | 743415 | 2 | WASHER | 6mm | GB | ||
45 | 880391 | 4 | WASHER | GB | |||
46 | 742134 | 1 | BUSH | GB | |||
48 | 742887 | 1 | NUT | GB | ![]() |
||
49 | 725269 | 3 | WASHER | GB | ![]() |
||
50 | 146823100 | 3 | LOCK-NUT | GB | ![]() |
||
51 | 744237 | 1 | GUARD | GB | |||
52 | 742511 | 1 | SPANNER | GB | ![]() |
||
54 | 742298 | 1 | CLAMP | GB | |||
55 | 742199 | 1 | PULLEY | GB | ![]() |
||
57 | 742282 | 1 | SEAL | GB | ![]() |
||
58 | 742279 | 1 | FLANGE | GB | |||
59 | 742275 | 1 | GRIP | GB | |||
60 | 726003 | 4 | SCREW | GB | ![]() |
||
61 | 742166 | 1 | COVER | GB | |||
62 | 860084-11 | 5 | SCREW | GB | ![]() |
||
63 | 742278 | 1 | TUBE | GB | ![]() |
||
64 | 742280-00 | 1 | HOLDER | GB | |||
65 | 949896-12 | 2 | SCREW | GB | ![]() |
||
67 | 742299 | 4 | CLAMP | GB | |||
68 | 742300 | 2 | SCREW | GB | ![]() |
||
69 | 742276 | 2 | BRUSH | GB | |||
70 | 725163 | 2 | WASHER | GB | ![]() |
||
72 | 742054 | 1 | WASHER | GB | ![]() |
||
73 | 742140 | 1 | NUT LH | GB | ![]() |
||
74 | 744243 | 1 | CAP | GB | ![]() |
||
75 | 742274 | 1 | RESERVOIR | GB | ![]() |
||
76 | 742283 | 1 | SCALE | GB | ![]() |
||
77 | 744246 | 1 | SUPPORT | GB | ![]() |
||
81 | 742153 | 1 | BUSH | GB | |||
83 | 742234 | 1 | KNOB | GB | ![]() |
||
84 | 742289 | 1 | NUT | GB | ![]() |
||
89 | 742272 | 1 | STOP RUBBER | GB | ![]() |
||
90 | 744235 | 1 | COVER | GB | ![]() |
||
91 | 742199 | 1 | PULLEY | GB | ![]() |
||
93 | 760276-00 | 1 | SPRING | GB | ![]() |
||
95 | 725183 | 1 | SCREW | GB | ![]() |
||
97 | 744253 | 1 | CLAMP KIT SA | GB | |||
98 | 742125 | 1 | CABLE CLAMP | GB | |||
102 | 742231 | 1 | SCREW | GB | ![]() |
||
103 | 742290 | 1 | PLATE | GB | ![]() |
||
104 | 744324 | 2 | KNOB SA | GB | |||
106 | 742288 | 2 | SCREW | GB | ![]() |
||
107 | 742228 | 1 | SPACER | GB | ![]() |
||
108 | 742240 | 1 | STONE | GB | ![]() |
||
109 | 113933000 | 1 | WASHER | GB | ![]() |
||
111 | 742066 | 1 | CLAMP OUTER | GB | |||
113 | 743415 | 1 | WASHER | 6mm | GB | ||
114 | 726430 | 2 | SCREW | GB | ![]() |
||
115 | 725165 | 2 | WASHER | GB | ![]() |
||
117 | 742212 | 1 | REPAIR KIT | GB | ![]() |
||
118 | 744308 | 1 | SCREW | GB | ![]() |
||
119 | 744245 | 1 | LEVER | GB | ![]() |
||
120 | 742267 | 1 | SPRING | GB | ![]() |
||
121 | 742218 | 1 | WASHER | GB | ![]() |
||
122 | 743814 | 1 | BRACKET SA | GB |