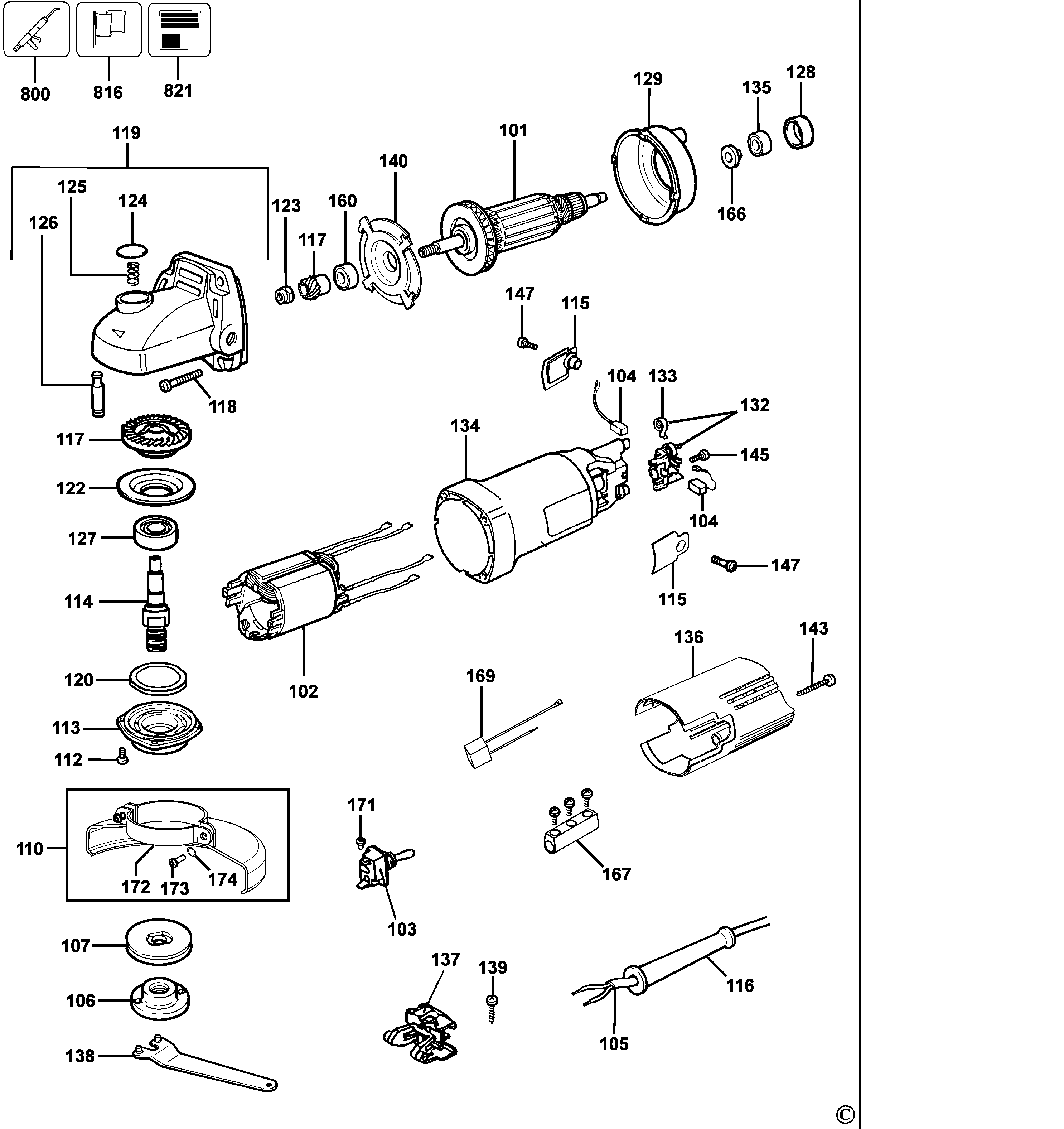
DW810 SMALL ANGLE GRINDER Type 6 | Drawings
Documents
| Item No. | Product Number | Qty Per | Product Description | General Description | Other Info | Markets | Product Status |
|---|---|---|---|---|---|---|---|
| 101 | 401702-08 | 1 | ARMATURE 230V | XD | ![]() |
||
| 102 | 659133-04 | 1 | FIELD | XD | ![]() |
||
| 103 | N032282 | 1 | SWITCH | XD | ![]() |
||
| 104 | N035676 | 1 | BRUSH PAIR 230V | XD | ![]() |
||
| 105 | N044788 | 1 | CORDSET | XD | ![]() |
||
| 106 | 659109-00 | 1 | OUTER FLANGE | M10 | XD | ![]() |
|
| 107 | N039245 | 1 | INNER FLANGE | M10 | XD | ![]() |
|
| 110 | N013072 | 1 | GUARD SA | XD | |||
| 112 | 330045-46 | 4 | SCREW | XD | ![]() |
||
| 113 | 562185-01 | 1 | GEARCASE COVER | XD | ![]() |
||
| 114 | N039248 | 1 | SPINDLE | M10 | XD | ![]() |
|
| 115 | 945279-01 | 2 | BRUSH COVER | XD | ![]() |
||
| 116 | 641081-00 | 1 | CORD PROTECTOR | XD | ![]() |
||
| 117 | 661244-00 | 1 | GEAR & PINION | XD | ![]() |
||
| 118 | 562097-01 | 4 | SCREW | XD | ![]() |
||
| 119 | 562304-01 | 1 | GEARCASE SA | Inc # 124, 125, 126 | XD | ||
| 120 | 641893-00 | 1 | FELT SEAL | XD | ![]() |
||
| 122 | 945299-00 | 1 | FLANGE | XD | ![]() |
||
| 123 | 945292-00 | 1 | NUT | XD | ![]() |
||
| 124 | 944575-00 | 1 | BUTTON | XD | ![]() |
||
| 125 | 562210-00 | 1 | SPRING | XD | ![]() |
||
| 126 | 944571-00 | 1 | SPINDLE LOCK | XD | ![]() |
||
| 127 | 605040-22 | 1 | BEARING | XD | ![]() |
||
| 128 | 930275-00 | 1 | SLEEVE | XD | ![]() |
||
| 129 | 401623-01 | 1 | BAFFLE | XD | ![]() |
||
| 132 | 604146-00 | 2 | BRUSH HOLDER SA | XD | ![]() |
||
| 133 | 562204-00 | 2 | SPRING | XD | ![]() |
||
| 134 | 396007-04 | 1 | FIELDCASE | XD | ![]() |
||
| 135 | 605040-03 | 1 | BEARING BALL | XD | ![]() |
||
| 136 | N456828 | 1 | FIELD CASE KIT | XD | |||
| 137 | 659169-00 | 1 | SWITCH SUPPORT | XD | ![]() |
||
| 138 | 401253-00 | 1 | WRENCH ROUND-PINS | XD | ![]() |
||
| 139 | 562097-05 | 1 | SCREW | XD | ![]() |
||
| 140 | 401622-01 | 1 | FLANGE | XD | ![]() |
||
| 143 | 562097-02 | 2 | SCREW | XD | ![]() |
||
| 145 | 562097-00 | 2 | SCREW | XD | ![]() |
||
| 147 | 945280-00 | 2 | SCREW | XD | ![]() |
||
| 160 | N110359 | 1 | BEARING | XD | ![]() |
||
| 160 | N110359 | 1 | BEARING | XD | ![]() |
||
| 166 | 398906-00 | 1 | SPACER INSULATING | XD | ![]() |
||
| 167 | 603180-00 | 1 | CONNECTOR | XD | ![]() |
||
| 171 | 627647-00 | 1 | SCREW | XD | ![]() |
||
| 172 | N013074 | 1 | STRAP | XD | |||
| 173 | 562160-02 | 2 | SCREW | M4 x 14mm | XD | ![]() |
|
| 174 | 569639-00 | 2 | WASHER SPRING | XD | ![]() |
||
| 800 | 286436-00 | 1 | GREASE | NYE RHEOLUBE 380, 500 GRAM JAR | XD | ![]() |
|
| 816 | 946194-00 | 1 | BRAND LABEL | XD | ![]() |
||
| 821 | N044637 | 1 | NAMEPLATE | XD | ![]() |

