P3705 CIRC. SAW Type 1 | Drawings
Documents

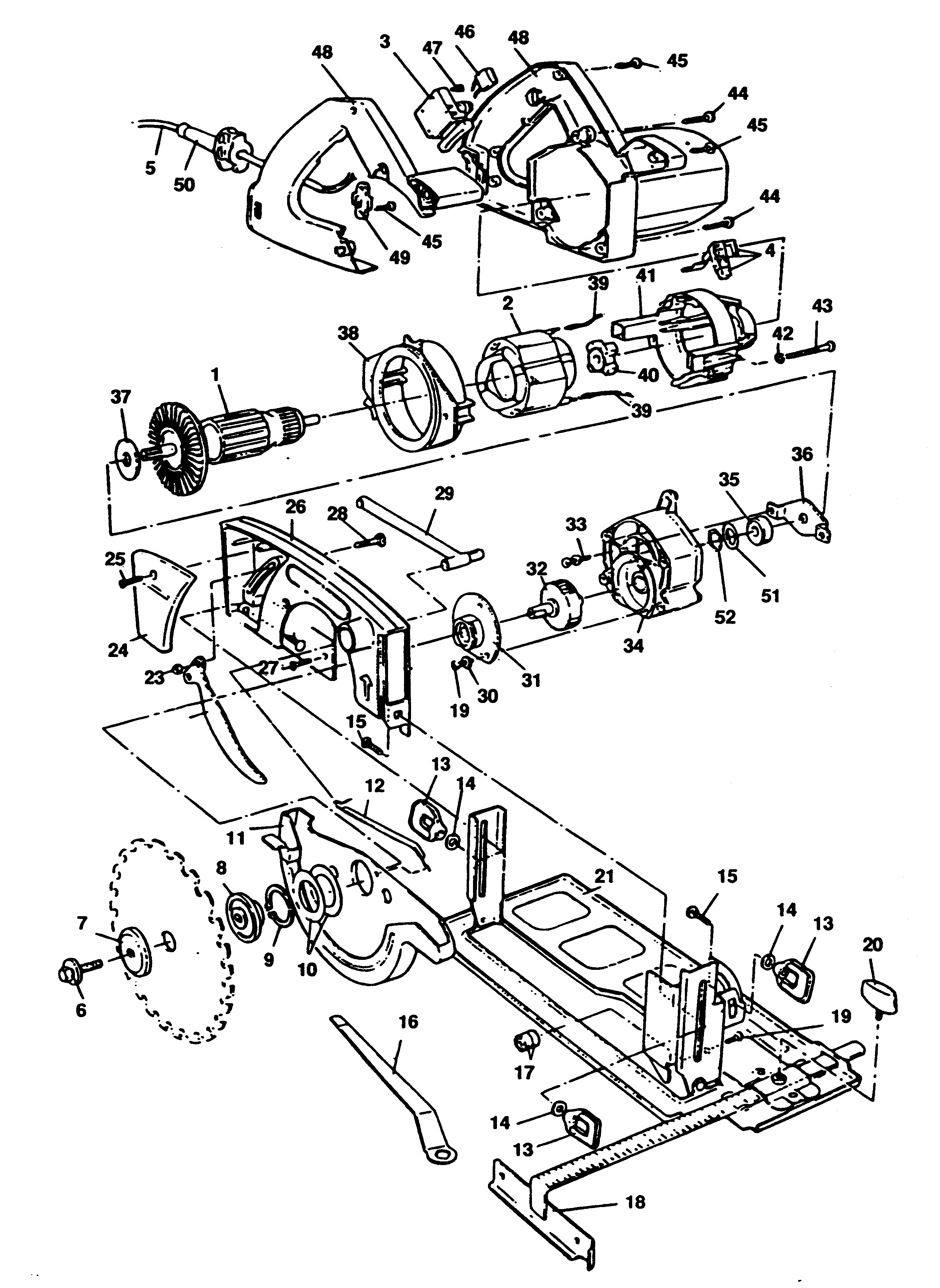
Item No. | Product Number | Qty Per | Product Description | General Description | Other Info | Markets | Product Status |
---|---|---|---|---|---|---|---|
1 | 931875 | 1 | ARMATURE | IL | ![]() |
||
1 | 931527 | 1 | ARMATURE | GB-AE 240V | IL | ![]() |
|
2 | 931528 | 1 | FIELD | GB 115V | IL | ![]() |
|
2 | 931528 | 1 | FIELD | AE-MX-PA-VE 115V | IL | ![]() |
|
2 | 931528 | 1 | FIELD | SG 115V | IL | ![]() |
|
3 | 840263 | 1 | SWITCH | IL | ![]() |
||
4 | 939567 | 2 | BRUSH & HOLDER | GB-AE 240V | IL | ||
4 | 939567 | 2 | BRUSH & HOLDER | IL | |||
4 | 934195 | 2 | BRUSH & HOLDER | GB 115V | IL | ![]() |
|
4 | 934195 | 2 | BRUSH & HOLDER | AE-MX-PA-VE 115V | IL | ![]() |
|
4 | 934195 | 2 | BRUSH & HOLDER | SG 115V | IL | ![]() |
|
5 | 330060-03 | 1 | CABLE & PLUG | GB-AE 240V | IL | ![]() |
|
5 | 949843-20 | 1 | CABLE | AE-MX-PA-VE 115V | IL | ![]() |
|
5 | 949843-20 | 1 | CABLE | SG 115V | IL | ![]() |
|
5 | 949770-28 | 1 | CABLE & PLUG | GB 115V | IL | ![]() |
|
5 | 949843-13 | 1 | CABLE | IL | |||
6 | 842604 | 1 | BOLT | IL | ![]() |
||
7 | 840003 | 1 | BLADE CLAMP | IL | ![]() |
||
8 | 840002 | 1 | BLADE CLAMP | IL | ![]() |
||
9 | 840271 | 1 | CIRCLIP | IL | ![]() |
||
10 | 840272 | 2 | WASHER | IL | ![]() |
||
11 | 843009 | 1 | GUARD | IL | ![]() |
||
12 | 882740 | 1 | SPRING | IL | ![]() |
||
13 | 931935 | 3 | NUT WING | IL | ![]() |
||
14 | 860075-00 | 3 | WASHER | IL | ![]() |
||
15 | 949892-07 | 3 | SCREW | IL | ![]() |
||
16 | 325194-00 | 1 | SPANNER | IL | ![]() |
||
17 | 840305 | 1 | STOP SA | IL | ![]() |
||
18 | 840244 | 1 | FENCE | IL | ![]() |
||
19 | 891024 | 4 | SCREW | IL | ![]() |
||
20 | 932508 | 1 | KNOB | IL | ![]() |
||
21 | 843616 | 1 | SHOE SA | IL | ![]() |
||
22 | 843003 | 1 | RIVING KNIFE | IL | ![]() |
||
23 | 930243 | 2 | NUT | IL | ![]() |
||
25 | 891024 | 1 | SCREW | IL | ![]() |
||
26 | 842989-00 | 1 | GUARD | IL | ![]() |
||
27 | 869076-00 | 4 | SCREW | IL | ![]() |
||
28 | 931936 | 2 | SCREW | IL | ![]() |
||
29 | 841661 | 1 | TUBE | IL | ![]() |
||
30 | 930562 | 3 | WASHER | IL | ![]() |
||
31 | 840269 | 1 | HOUSING GEAR | IL | ![]() |
||
33 | 841564 | 2 | SCREW | IL | ![]() |
||
34 | 843141 | 1 | GEARCASE SA | IL | ![]() |
||
35 | 899279 | 1 | BEARING | IL | ![]() |
||
36 | 841633 | 1 | PLATE | IL | ![]() |
||
37 | 842980 | 1 | SPACER | IL | ![]() |
||
38 | 854982 | 1 | SUPPORT | IL | ![]() |
||
39 | 853720 | 2 | LEAD | IL | ![]() |
||
40 | 840215 | 1 | BEARING | IL | ![]() |
||
41 | 854983 | 1 | BRIDGE | IL | ![]() |
||
42 | 930248-00 | 2 | WASHER | IL | |||
43 | 933621 | 2 | SCREW | IL | ![]() |
||
44 | 933563 | 3 | SCREW | IL | ![]() |
||
45 | 930554-00 | 4 | SCREW | IL | ![]() |
||
46 | 931939 | 1 | CAPACITOR | GB-AE 240V | IL | ![]() |
|
46 | 931939 | 1 | CAPACITOR | GB 115V | IL | ![]() |
|
46 | 931939 | 1 | CAPACITOR | IL | ![]() |
||
47 | 990735 | 3 | SCREW | IL | ![]() |
||
48 | 932501 | 1 | FIELDCASE SA | IL | ![]() |
||
49 | 931477-00 | 1 | CORD CLAMP | IL | ![]() |
||
50 | 931113-00 | 1 | CORD PROTECTOR | GB 115V | IL | ![]() |
|
50 | 931113-00 | 1 | CORD PROTECTOR | IL | ![]() |
||
50 | 930040 | 1 | CORD PROTECTOR | GB-AE 240V | IL | ![]() |
|
50 | 930981-00 | 1 | CORD PROTECTOR | AE-MX-PA-VE 115V | IL | ![]() |
|
50 | 930981-00 | 1 | CORD PROTECTOR | SG 115V | IL | ![]() |
|
51 | 930694 | 1 | CIRCLIP | IL | ![]() |
||
52 | 941327 | 1 | WASHER | GB-AE 240V | IL | ||
52 | 941327 | 1 | WASHER | GB 115V | IL | ||
52 | 941327 | 1 | WASHER | AE-MX-PA-VE 115V | IL | ||
52 | 941327 | 1 | WASHER | IL | |||
52 | 939560 | 1 | WASHER | SG 115V | IL |