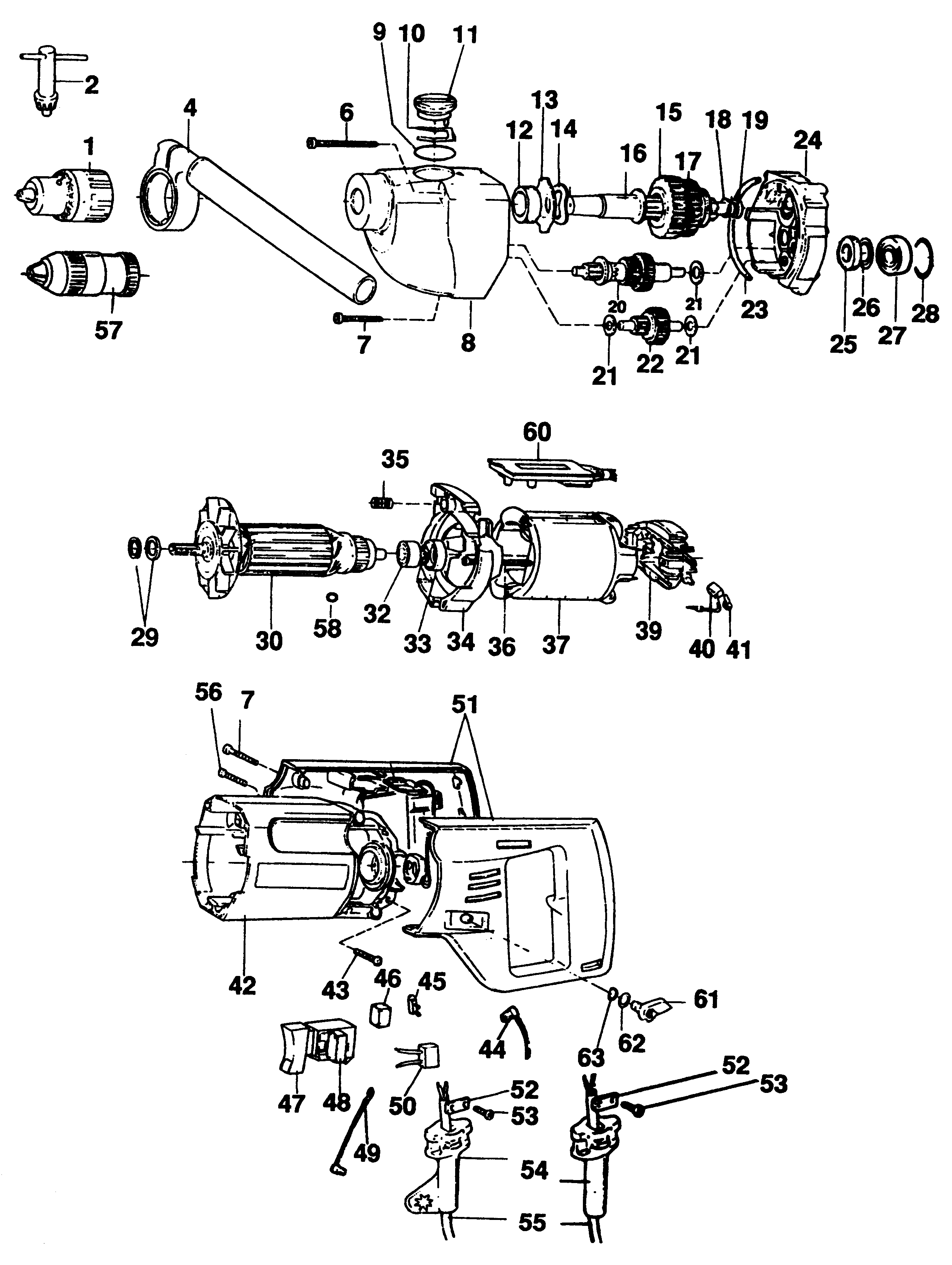
P1622 DRILL Type 1 | Drawings
Documents

Item No. | Product Number | Qty Per | Product Description | General Description | Other Info | Markets | Product Status |
---|---|---|---|---|---|---|---|
2 | 930016 | 1 | CHUCK KEY | AE | ![]() |
||
4 | 930282 | 1 | HANDLE | AE | ![]() |
||
6 | 930082-01 | 2 | SCREW | AE | ![]() |
||
7 | 931297-00 | 2 | SCREW | AE | ![]() |
||
8 | 932798 | 1 | GEARCASE SA | AE | |||
9 | 932517 | 1 | SEAL | AE | ![]() |
||
10 | 932513 | 1 | SPRING | AE | ![]() |
||
12 | 930041 | 1 | BEARING | AE | ![]() |
||
13 | 930113 | 1 | RETAINING PLATE | AE | ![]() |
||
14 | 930114 | 1 | WASHER SPRING | AE | ![]() |
||
16 | 930194 | 1 | SHAFT | AE | ![]() |
||
17 | 932585 | 1 | CHUCK & SPINDLE SA | AE | ![]() |
||
18 | 930115 | 1 | WASHER | AE | ![]() |
||
19 | 930017-00 | 1 | WASHER | AE | ![]() |
||
20 | 930171 | 1 | GEAR & PINION SA | AE | ![]() |
||
21 | 930102-00 | 3 | WASHER | AE | ![]() |
||
23 | 930032 | 1 | SEAL | AE | ![]() |
||
24 | 932799 | 1 | GEARCASE COVER | AE | ![]() |
||
25 | 930033 | 1 | WASHER | AE | ![]() |
||
26 | 930104 | 1 | WASHER | AE | ![]() |
||
27 | 330003-07 | 1 | BEARING | AE | ![]() |
||
28 | 930039 | 1 | SEAL | AE | ![]() |
||
29 | 930106 | 2 | WASHER | AE | ![]() |
||
30 | 930434 | 1 | ARMATURE | BR 115V | AE | ![]() |
|
30 | 930434 | 1 | ARMATURE | GB 115V | AE | ![]() |
|
30 | 930434 | 1 | ARMATURE | AE-MX-PA-VE 115V | AE | ![]() |
|
30 | 930154 | 1 | ARMATURE | GB 240V | AE | ![]() |
|
30 | 930154 | 1 | ARMATURE | AE | ![]() |
||
31 | 930051 | 1 | SPACER | AE | ![]() |
||
32 | 330003-02 | 1 | BEARING | AE | ![]() |
||
33 | 930275-00 | 1 | SLEEVE | GB 240V | AE | ![]() |
|
33 | 930275-00 | 1 | SLEEVE | BR 115V | AE | ![]() |
|
33 | 930275-00 | 1 | SLEEVE | GB 115V | AE | ![]() |
|
33 | 930275-00 | 1 | SLEEVE | AE-MX-PA-VE 115V | AE | ![]() |
|
33 | 930275-00 | 1 | SLEEVE | AE | ![]() |
||
34 | 930806 | 1 | BAFFLE | AE | ![]() |
||
35 | 932757 | 1 | SPRING | AE | ![]() |
||
36 | 930077-00 | 2 | SCREW | AE | ![]() |
||
37 | 868629-02 | 1 | FIELD | AE | ![]() |
||
37 | 930436-00 | 1 | FIELD 115V | GB 115V | AE | ![]() |
|
37 | 930436-00 | 1 | FIELD 115V | AE-MX-PA-VE 115V | AE | ![]() |
|
37 | 930441-00 | 1 | FIELD 240V | GB 240V | AE | ![]() |
|
37 | 930442 | 1 | FIELD 115V | BR 115V | AE | ![]() |
|
39 | 930482 | 1 | BRUSHPLATE | GB 240V | AE | ![]() |
|
39 | 930482 | 1 | BRUSHPLATE | GB 115V | AE | ![]() |
|
39 | 930482 | 1 | BRUSHPLATE | AE-MX-PA-VE 115V | AE | ![]() |
|
39 | 930482 | 1 | BRUSHPLATE | AE | ![]() |
||
39 | 937833 | 1 | BRUSH PLATE SA | BR 115V | AE | ![]() |
|
40 | 939539-01 | 2 | BRUSH CUT OFF | GB 240V | AE | ![]() |
|
40 | 939539-01 | 2 | BRUSH CUT OFF | AE | ![]() |
||
40 | 939539-00 | 2 | BRUSH CUT OFF | GB 115V | AE | ![]() |
|
40 | 939539-00 | 2 | BRUSH CUT OFF | AE-MX-PA-VE 115V | AE | ![]() |
|
40 | 930897-00 | 2 | BRUSH 115-120V | BR 115V | AE | ||
41 | 930090-00 | 2 | BRUSH SPRING | AE | |||
43 | 930284-01 | 1 | SCREW | AE | ![]() |
||
44 | 930467 | 1 | LEAD | AE | ![]() |
||
45 | 930187 | 1 | CONNECTOR | AE | ![]() |
||
46 | 930439 | 1 | SHOCK ABSORBER | AE | ![]() |
||
47 | 933190 | 1 | SWITCH | BR 115V | AE | ![]() |
|
48 | 930026 | 1 | FOAM | AE | ![]() |
||
49 | 930468 | 1 | LEAD | AE | ![]() |
||
50 | 930030 | 1 | CAPACITOR | GB 240V | AE | ![]() |
|
50 | 930030 | 1 | CAPACITOR | AE | ![]() |
||
50 | 949877-02 | 1 | CAPACITOR | GB 115V | AE | ||
50 | 949877-02 | 1 | CAPACITOR | AE-MX-PA-VE 115V | AE | ||
51 | 930213 | 1 | HANDLE SA | BR 115V | AE | ||
51 | 930215 | 1 | HANDLE SA | GB 240V | AE | ![]() |
|
51 | 930215 | 1 | HANDLE SA | GB 115V | AE | ![]() |
|
51 | 930215 | 1 | HANDLE SA | AE-MX-PA-VE 115V | AE | ![]() |
|
51 | 930215 | 1 | HANDLE SA | AE | ![]() |
||
52 | 930103-00 | 1 | CORD CLAMP | AE | ![]() |
||
53 | 930276 | 2 | SCREW | AE | ![]() |
||
54 | 938498 | 1 | CORD PROTECTOR | BR 115V | AE | ![]() |
|
54 | 938498 | 1 | CORD PROTECTOR | AE | ![]() |
||
54 | 732456 | 1 | CORD PROTECTOR | AE-MX-PA-VE 115V | AE | ![]() |
|
54 | 732456 | 1 | CORD PROTECTOR | GB 240V | AE | ![]() |
|
54 | 732456 | 1 | CORD PROTECTOR | GB 115V | AE | ![]() |
|
55 | 949843-07 | 1 | CABLE | BR 115V | AE | ![]() |
|
55 | 938109 | 1 | CABLE | AE-MX-PA-VE 115V | AE | ![]() |
|
55 | 330060-03 | 1 | CABLE & PLUG | GB 240V | AE | ![]() |
|
55 | 949843-03 | 1 | CABLE | AE | ![]() |
||
55 | 330061-04 | 1 | CORDSET (M/PLUG) | GB 115V | AE | ![]() |
|
56 | 930079-01 | 3 | SCREW | AE | ![]() |
||
57 | 930019 | 1 | CHUCK | AE | ![]() |
||
58 | 933657-00 | 2 | CAP | AE | ![]() |
||
60 | 930496 | 1 | ELECTRONIC 115V | BR 115V | AE | ![]() |
|
61 | 932785 | 1 | LEVER | BR 115V | AE | ![]() |
|
62 | 930110 | 1 | WASHER | BR 115V | AE | ![]() |
|
63 | 937399 | 1 | CLIP | BR 115V | AE | ![]() |