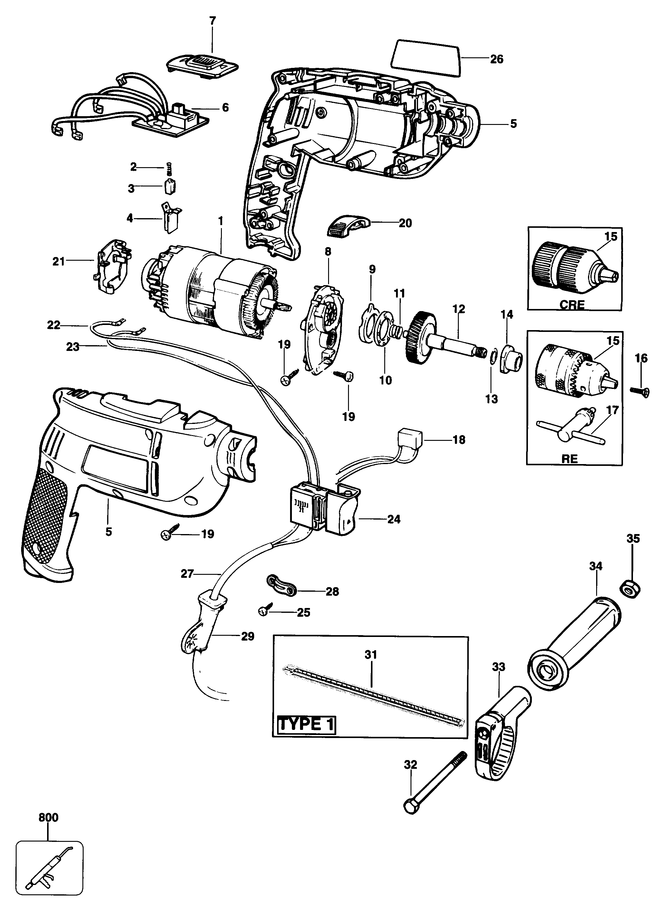
KD455CRE DRILL Type 1 | Drawings
Documents
| Item No. | Product Number | Qty Per | Product Description | General Description | Other Info | Markets | Product Status |
|---|---|---|---|---|---|---|---|
| 1 | 376913-04 | 1 | MOTOR SA | B3 | IL | ![]() |
|
| 1 | 376913-03 | 1 | MOTOR SA | IL | ![]() |
||
| 2 | 847709 | 2 | SPRING | IL | ![]() |
||
| 3 | 376143 | 2 | BRUSH | IL | ![]() |
||
| 3 | 807026 | 2 | BRUSHBOX SA | B3 | IL | ![]() |
|
| 4 | 812738 | 2 | BRUSH HOLDER | IL | ![]() |
||
| 5 | 808362 | 1 | CLAMSHELL | IL | ![]() |
||
| 6 | 808368-00 | 1 | SWITCH REVERSE | IL | ![]() |
||
| 6 | 808368-01 | 1 | SWITCH REVERSE | B3 | IL | ![]() |
|
| 7 | 808369-00 | 1 | ACTUATOR | IL | ![]() |
||
| 8 | 823782 | 1 | COVER GEARCASE | IL | ![]() |
||
| 9 | 812962 | 1 | RING | IL | ![]() |
||
| 10 | 892261 | 1 | BEARING | IL | ![]() |
||
| 11 | 821986 | 1 | SPRING | IL | ![]() |
||
| 12 | 747323-49 | 1 | SPINDLE SA | IL | ![]() |
||
| 13 | 812979 | 1 | WASHER THRUST | IL | ![]() |
||
| 14 | 812973 | 1 | BEARING | IL | ![]() |
||
| 15 | 330033-15 | 1 | CHUCK 10MM | KD455RE | IL | ||
| 15 | 586589-00L | 1 | CHUCK KEYLESS | CRE | IL | ![]() |
|
| 15 | 586589-00L | 1 | CHUCK KEYLESS | KD455CRE | IL | ![]() |
|
| 15 | 330033-23 | 1 | CHUCK 13MM | RE TYPE 1-3 | IL | ![]() |
|
| 15 | 330033-23 | 1 | CHUCK 13MM | 374450 TYPE 1 | IL | ![]() |
|
| 15 | 376080-02 | 1 | CHUCK 13MM | RE TYPE 2Z | IL | ![]() |
|
| 15 | 376080-02 | 1 | CHUCK 13MM | 374450 TYPE 1Z | IL | ![]() |
|
| 16 | 805434 | 1 | SCREW.SPECIAL | IL | ![]() |
||
| 17 | 330034-06 | 1 | CHUCK KEY | RE TYPE 2Z | IL | ![]() |
|
| 17 | 330034-06 | 1 | CHUCK KEY | 374450 TYPE 1Z | IL | ![]() |
|
| 17 | 330034-07 | 1 | CHUCK KEY | RE TYPE 1-3 | IL | ![]() |
|
| 17 | 330034-07 | 1 | CHUCK KEY | 374450 TYPE 1 | IL | ![]() |
|
| 18 | 807745 | 1 | CAPACITOR | IL | ![]() |
||
| 19 | 809961 | 11 | SCREW | IL | |||
| 20 | 808370 | 1 | SELECTOR | IL | ![]() |
||
| 21 | 822789 | 1 | COVER | IL | ![]() |
||
| 22 | 371665 | 1 | LEAD SA | B3 | IL | ![]() |
|
| 22 | 813402 | 1 | LEAD SA | IL | ![]() |
||
| 23 | 371666 | 1 | LEAD | B3 | IL | ![]() |
|
| 23 | 369258 | 1 | LEAD | IL | ![]() |
||
| 24 | 371274-01 | 1 | SWITCH | KD350RE-KD351CRE TY2 | IL | ![]() |
|
| 24 | 808366-01 | 1 | SWITCH VARIABLE | B3 | IL | ![]() |
|
| 24 | 808366-02 | 1 | SWITCH VARIABLE | IL | ![]() |
||
| 25 | 821057 | 2 | SCREW | No 6 x 12.7mm | IL | ![]() |
|
| 26 | 808371-05 | 1 | BRAND LABEL | KD355RE | IL | ![]() |
|
| 26 | 808371-00 | 1 | BRAND LABEL | KD350RE | IL | ![]() |
|
| 26 | 808371-16 | 1 | BRAND LABEL | 374450 | IL | ![]() |
|
| 26 | 808371-14 | 1 | BRAND LABEL | KD351CRE | IL | ![]() |
|
| 27 | 330080-05 | 1 | CORDSET | IL | ![]() |
||
| 27 | 805389 | 1 | CORDSET | B3 | IL | ||
| 28 | 821070 | 1 | CORD CLAMP | IL | ![]() |
||
| 29 | 770235 | 1 | PROTECTOR | IL | ![]() |
||
| 31 | 808401 | 1 | DEPTH STOP | TYPE 1 | IL | ![]() |
|
| 32 | 813918 | 1 | SCREW | IL | ![]() |
||
| 33 | 808405 | 1 | CLAMP | TYPE 1 | IL | ![]() |
|
| 33 | 808405 | 1 | CLAMP | KD350RE-KD351CRE TY2 | IL | ![]() |
|
| 33 | 808405 | 1 | CLAMP | TYPE 1 | IL | ![]() |
|
| 33 | 808405 | 1 | CLAMP | KD350RE-KD351CRE TY2 | IL | ![]() |
|
| 34 | 823784 | 1 | HANDLE | KD350RE-KD351CRE TY2 | IL | ![]() |
|
| 34 | 808402 | 1 | SIDE HANDLE | TYPE 1 | IL | ![]() |
|
| 35 | 896369 | 1 | NUT | IL | ![]() |
||
| 800 | 870889-02 | 1 | GREASE | IL | ![]() |

