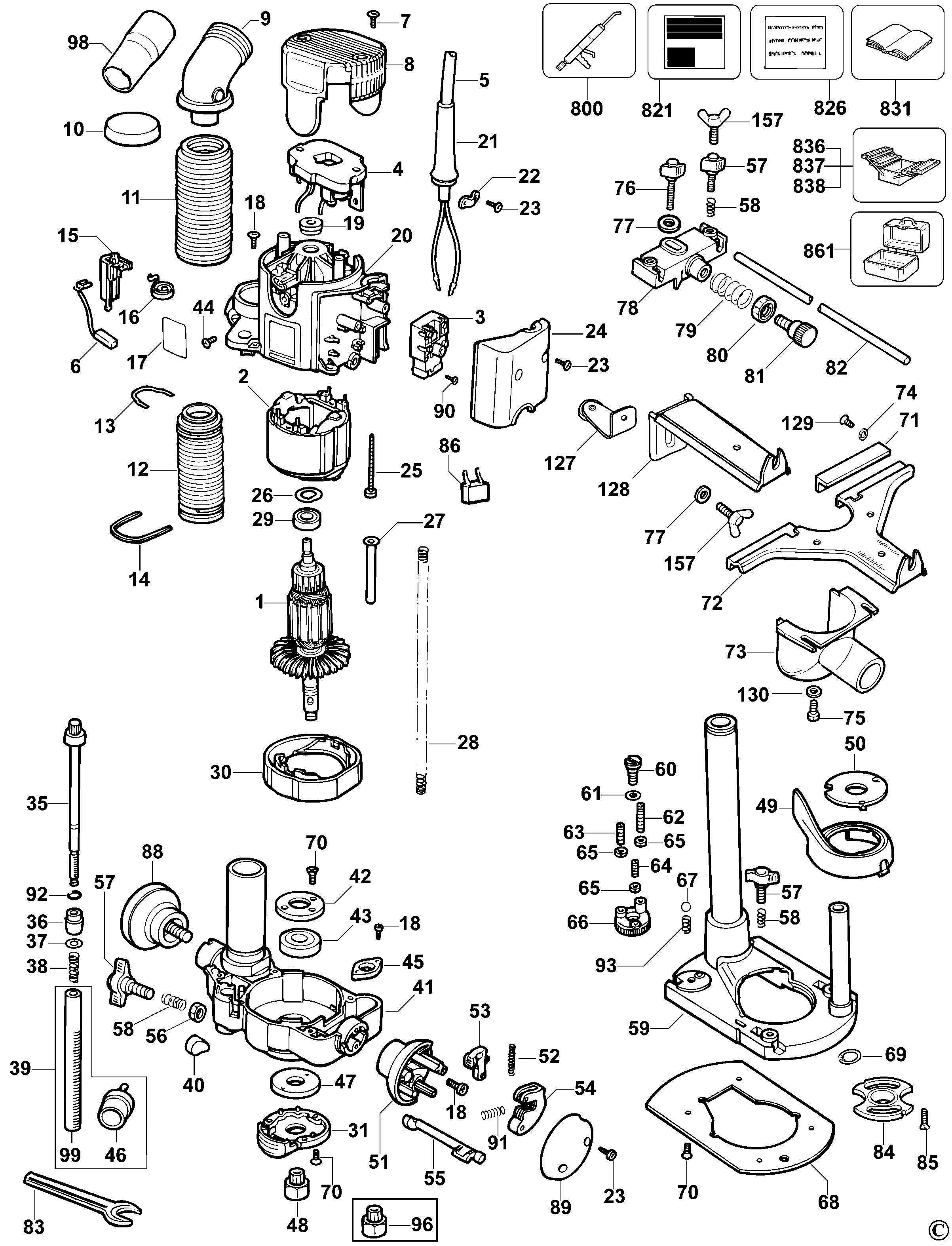
DW621-220 ROUTER Type 1 | Drawings
Documents
| Item No. | Product Number | Qty Per | Product Description | General Description | Other Info | Markets | Product Status |
|---|---|---|---|---|---|---|---|
| 1 | 000000-00 | 1 | NO LONGER AVAILABLE | A9 | |||
| 2 | 327429-10 | 1 | FIELD 230V | A9 | |||
| 3 | 323132-00 | 1 | SWITCH | A9 | |||
| 4 | 326297-00 | 1 | ELECTRONIC 230V | A9 | |||
| 5 | 329471-04 | 1 | CORDSET | A9 | |||
| 6 | 580017-00 | 2 | BRUSH 230V | A9 | |||
| 7 | 330065-13 | 2 | SCREW | A9 | |||
| 8 | N535743 | 1 | END CAP | A9 | |||
| 8 | 326259-01 | 1 | END CAP | A9 | |||
| 9 | N434647 | 1 | VACUUM ADAPTOR | A9 | |||
| 10 | 326287-00 | 1 | CAP | A9 | |||
| 11 | 326268-00 | 1 | BELLOWS | A9 | |||
| 12 | 326283-00 | 1 | SPRING SA | A9 | |||
| 13 | 326279-00 | 1 | CLIP | A9 | |||
| 14 | 326607-00 | 1 | CLIP | A9 | |||
| 15 | 326933-01 | 2 | HOLDER | A9 | |||
| 16 | 326667-00 | 2 | BRUSH SPRING | A9 | |||
| 17 | 861315-00 | 1 | BRAND LABEL | A9 | |||
| 18 | 324006-00 | 9 | SCREW | A9 | |||
| 19 | 326251-00 | 1 | MAGNET | A9 | |||
| 20 | 328252-02 | 1 | HOUSING MOTOR | A9 | |||
| 21 | 320785 | 1 | CORD PROTECTOR | A9 | |||
| 22 | 821070 | 1 | CORD CLAMP | A9 | |||
| 23 | 330065-06 | 6 | SCREW | A9 | |||
| 24 | N535730 | 1 | SWITCH COVER | A9 | |||
| 24 | 326258-01 | 1 | SWITCH COVER | A9 | |||
| 25 | 330065-10 | 2 | SCREW | A9 | |||
| 26 | 326845-00 | 1 | WASHER SPRING | A9 | |||
| 27 | 329016-00 | 1 | GUIDE | A9 | |||
| 28 | 323395-13 | 1 | SPRING | A9 | |||
| 29 | 605040-63 | 1 | BEARING | A9 | |||
| 30 | 496154-00 | 1 | BAFFLE FAN | A9 | |||
| 31 | 326616-03 | 1 | SPINDLE LOCK | A9 | |||
| 35 | 326600-00 | 1 | ADJUSTER | A9 | |||
| 36 | 326265-00 | 1 | SCALE | A9 | |||
| 37 | 321118 | 1 | WASHER | A9 | |||
| 38 | 323395-14 | 1 | SPRING | A9 | |||
| 40 | 326602-00 | 1 | INSERT | A9 | |||
| 41 | 328254-01 | 1 | HOUSING LOWER | A9 | |||
| 42 | 326285-00 | 1 | CLAMP | A9 | |||
| 43 | 570936-01 | 1 | BEARING | A9 | |||
| 44 | 330065-04 | 2 | SCREW | A9 | |||
| 45 | 326606-00 | 1 | GUIDE | A9 | |||
| 46 | 326294-02 | 1 | PINION | A9 | |||
| 47 | 326673-01 | 1 | LOCKING RING | A9 | |||
| 48 | 326286-03 | 1 | COLLET & NUT SA | 1/2 INCH | A9 | ||
| 49 | 326273-00 | 1 | DUST GUARD | A9 | |||
| 50 | 326599-01 | 1 | CAP | A9 | |||
| 51 | 326598-01 | 1 | HANDLE RH | A9 | |||
| 52 | 328202-01 | 1 | SWITCH SA | Inc. 54 + 53 + 52 | A9 | ||
| 53 | 326601-00 | 1 | LOCKING KNOB | A9 | |||
| 54 | 328202-01 | 1 | SWITCH SA | Inc. 54 + 53 + 52 | A9 | ||
| 55 | 326256-00 | 1 | LEVER | A9 | |||
| 56 | 949726-05 | 1 | NUT | A9 | |||
| 58 | 868082-00 | 6 | SPRING | A9 | |||
| 59 | 328253-00 | 1 | BASEPLATE SA | A9 | |||
| 60 | 326610-00 | 1 | SCREW | A9 | |||
| 61 | 327012-00 | 1 | WASHER SPRING | A9 | |||
| 62 | 868109-00 | 1 | SCREW | A9 | |||
| 63 | 942931-01 | 1 | SCREW | A9 | |||
| 64 | 942931-02 | 1 | SCREW.TEMP | A9 | |||
| 65 | 860083-02 | 3 | NUT | A9 | |||
| 66 | N547463 | 1 | TURRET | A9 | |||
| 67 | 720664-00 | 1 | BALL | A9 | |||
| 68 | 326270-00 | 1 | BASEPLATE | A9 | |||
| 69 | 324821-00 | 1 | CIRCLIP | A9 | |||
| 70 | 945121-00 | 10 | SCREW.TEMP | A9 | |||
| 72 | 328784-01 | 1 | FENCE | A9 | |||
| 76 | 327172-01 | 1 | SCREW WING | A9 | |||
| 77 | 330016-02 | 1 | WASHER | A9 | |||
| 78 | 328785-00 | 1 | BRACKET | DW621 | A9 | ||
| 79 | 323395-21 | 1 | SPRING | A9 | |||
| 81 | 328826-00 | 1 | ADJUSTER | A9 | |||
| 82 | 868080-00 | 2 | ROD | A9 | |||
| 83 | 13351200 | 1 | SPANNER | A9 | |||
| 84 | 326276-03 | 1 | GUIDE BUSH | A9 | |||
| 85 | 911141 | 2 | SCREW | A9 | |||
| 86 | 949877-01 | 1 | CAPACITOR | A9 | |||
| 88 | 326300-00 | 1 | KNOB SA | A9 | |||
| 89 | 326313-01 | 1 | COVER | A9 | |||
| 90 | 911026 | 4 | SCREW | A9 | |||
| 91 | 323395-22 | 1 | SPRING | A9 | |||
| 92 | 323711-26 | 1 | O RING | A9 | |||
| 93 | 868082-00 | 1 | SPRING | A9 | |||
| 96 | 326286-04 | 1 | COLLET & NUT SA | 1/4 INCH | A9 | ||
| 98 | 328592-00 | 1 | ADAPTOR | A9 | |||
| 99 | 326309-01 | 1 | RACK | A9 | |||
| 127 | 328899-00 | 1 | COPY FOLLOWER | A9 | |||
| 128 | 327438-00 | 1 | SUPPORT | A9 | |||
| 157 | 326573-01 | 3 | SCREW WING | A9 | |||
| 800 | 870889-02 | 1 | GREASE | A9 | |||
| 836 | 559582-99 | 1 | S.T.WRENCH | A9 | |||
| 837 | 559585-96 | 1 | GUIDE | A9 | |||
| 838 | 559585-97 | 1 | PIN | A9 |