DW678 PLANER Type 1 | Drawings
Documents
| Item No. | Product Number | Qty Per | Product Description | General Description | Other Info | Markets | Product Status |
|---|---|---|---|---|---|---|---|
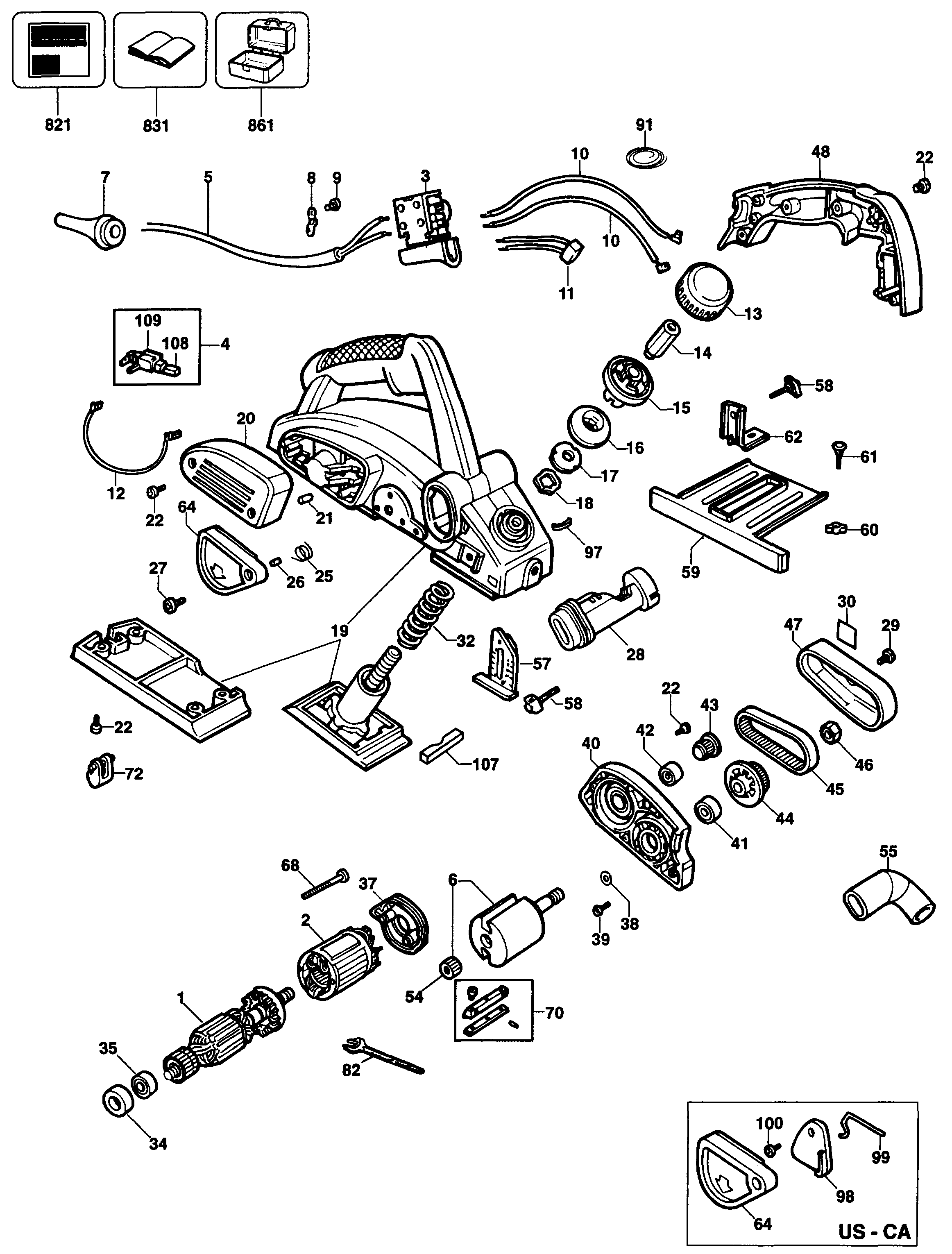
| 1 | 578603-00 | 1 | ARMATURE 230V | GB 230V | KR | ||
| 1 | 578603-00 | 1 | ARMATURE 230V | KR | |||
| 1 | 327386-02 | 1 | ARMATURE 115V | GB 115V | KR | ||
| 2 | 328548-09 | 1 | FIELD 115V | GB 115V | KR | ||
| 2 | 328548-06 | 1 | FIELD 230V | GB 230V | KR | ||
| 2 | 328548-06 | 1 | FIELD 230V | KR | |||
| 3 | 327383-03 | 1 | SWITCH SA | GB 230V | KR | ||
| 3 | 327383-02 | 1 | SWITCH SA | Asia - Black | KR | ||
| 4 | 575963-00 | 1 | BRUSH PAIR 230V | KR | |||
| 4 | 575963-00 | 1 | BRUSH PAIR 230V | GB 230V | KR | ||
| 5 | 949738-29 | 1 | CORDSET | KR | |||
| 6 | 574232-01 | 1 | BLADEDRUM SA | KR | |||
| 7 | 320785 | 1 | CORD PROTECTOR | GB 115V | KR | ||
| 7 | 320785 | 1 | CORD PROTECTOR | GB 230V | KR | ||
| 7 | 916969 | 1 | PROTECTOR | KR | |||
| 8 | 329301-00 | 1 | CORD CLAMP | KR | |||
| 9 | 330065-06 | 2 | SCREW | KR | |||
| 10 | 323768-14 | 2 | LEAD SA | GB 115V | KR | ||
| 10 | 323768-14 | 2 | LEAD SA | GB 230V | KR | ||
| 10 | 323768-14 | 2 | LEAD SA | KR | |||
| 11 | 321384 | 1 | CAPACITOR | KR | |||
| 11 | 321384 | 1 | CAPACITOR | GB 230V | KR | ||
| 11 | 940398 | 1 | CONDENSOR | GB 115V | KR | ||
| 12 | 323768-15 | 2 | LEAD SA | KR | |||
| 12 | 323768-15 | 2 | LEAD SA | GB 230V | KR | ||
| 12 | 323768-15 | 2 | LEAD SA | GB 115V | KR | ||
| 13 | 326592-00 | 1 | CAP | KR | |||
| 14 | 328772-00 | 1 | NUT | KR | |||
| 15 | 326590-01 | 1 | BASE | KR | |||
| 16 | 326589-02 | 1 | SCALE | KR | |||
| 16 | 326589-02 | 1 | SCALE | GB 230V | KR | ||
| 16 | 326589-02 | 1 | SCALE | GB 115V | KR | ||
| 17 | 326381-00 | 1 | RATCHET | KR | |||
| 18 | 327341-00 | 1 | WASHER SPRING | KR | |||
| 19 | 000000-00 | 1 | NO LONGER AVAILABLE | KR | |||
| 20 | 326629-00 | 1 | COVER BRUSH | KR | |||
| 21 | 326636-00 | 2 | POST | KR | |||
| 22 | 330065-08 | 13 | SCREW | M4x18 T20 | KR | ||
| 25 | 323722-00 | 1 | SPRING | KR | |||
| 26 | 326823-01 | 1 | BUSH | KR | |||
| 27 | 324006-00 | 1 | SCREW | KR | |||
| 28 | 327387-00 | 1 | EJECTOR | KR | |||
| 29 | 324006-11 | 1 | SCREW | KR | |||
| 30 | 578758-00 | 1 | BRAND LABEL | KR | |||
| 32 | 572255-00 | 1 | SPRING | KR | |||
| 34 | 323481-00 | 1 | CAP | KR | |||
| 35 | 605040-63 | 1 | BEARING | KR | |||
| 37 | 326596-00 | 1 | BAFFLE | KR | |||
| 38 | 330016-01 | 3 | WASHER | KR | |||
| 39 | 324006-06 | 3 | SCREW | KR | |||
| 40 | 327381-00 | 1 | HOUSING BEARING | KR | |||
| 41 | 330003-11 | 1 | BEARING | KR | |||
| 42 | N542566 | 1 | BEARING | KR | |||
| 42 | N542566 | 1 | BEARING | KR | |||
| 43 | 324105-00 | 1 | PULLEY | KR | |||
| 44 | 327065-00 | 1 | PINION | KR | |||
| 45 | 325106-00 | 1 | BELT TOOTHED | KR | |||
| 46 | 761225-02 | 1 | NUT | KR | |||
| 47 | 329269-00 | 1 | COVER | KR | |||
| 48 | 326594-01 | 1 | COVER | KR | |||
| 54 | 330004-07 | 1 | BEARING NEEDLE | KR | |||
| 55 | 327392-00 | 1 | ADAPTOR | KR | |||
| 57 | 327393-00 | 1 | GUIDE | KR | |||
| 58 | 326573-01 | 2 | SCREW WING | KR | |||
| 59 | 327391-00 | 1 | GUIDE FENCE | KR | |||
| 60 | 328834-00 | 1 | NUT WING | KR | |||
| 61 | 911111 | 1 | BOLT | KR | |||
| 62 | 328175-00 | 1 | BRACKET | KR | |||
| 64 | 326637-00 | 1 | GUARD | KR | |||
| 68 | 330065-10 | 2 | SCREW | KR | |||
| 70 | N542564 | 2 | CLAMP SA | KR | |||
| 70 | N542564 | 2 | CLAMP SA | KR | |||
| 72 | N381124 | 1 | STAND | KR | |||
| 82 | 868148-00 | 1 | SPANNER | KR | |||
| 91 | 941486-00 | 1 | CABLE TIE | KR | |||
| 97 | 329145-00 | 1 | CLIP | KR | |||
| 107 | 329829-00 | 1 | SEAL | KR | |||
| 108 | 575963-00 | 1 | BRUSH PAIR 230V | 230V | KR | ||
| 108 | 329784-49 | 1 | BRUSH PAIR 115V | 115 / 120V | KR | ||
| 109 | 329780-49 | 1 | BRUSH HOLDER PAIR | KR |