DW861 TILE CUTTER Type 2 | Drawings
Documents
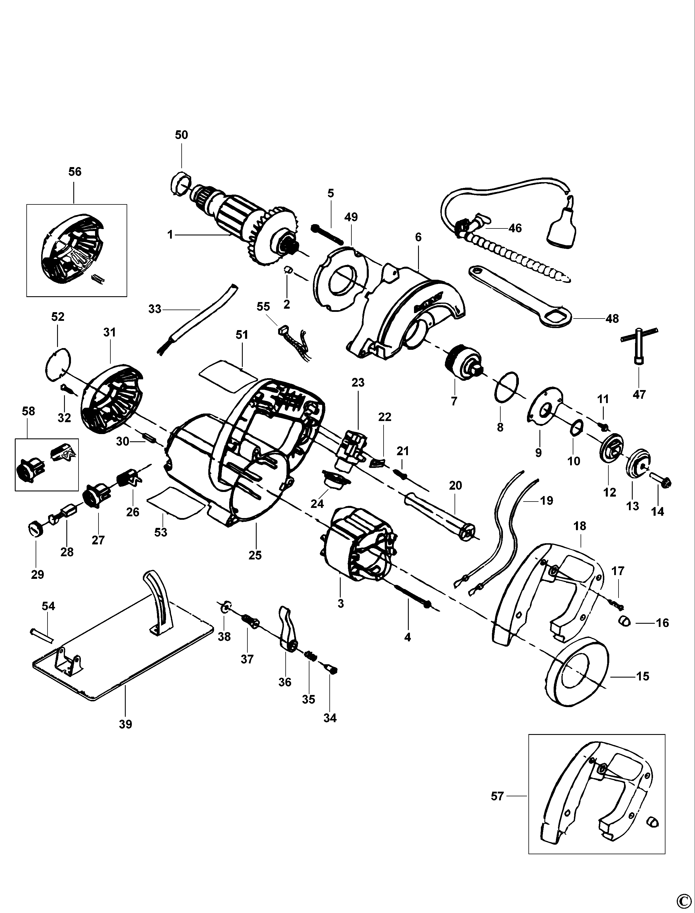
| Item No. | Product Number | Qty Per | Product Description | General Description | Other Info | Markets | Product Status |
|---|---|---|---|---|---|---|---|
| 1 | 562214-02 | 1 | ARMATURE 100V | JP | |||
| 2 | 561928-01 | 1 | PIN | JP | |||
| 3 | 562216-02 | 1 | FIELD 100V | JP | |||
| 4 | 561914-02 | 2 | SCREW | JP | |||
| 5 | 561914-01 | 3 | SCREW | JP | |||
| 6 | 562228-00 | 1 | GEARCASE | JP | |||
| 7 | 562229-00 | 1 | SPINDLE & GEAR | JP | |||
| 8 | 561917-02 | 1 | O RING | JP | |||
| 9 | 562252-00 | 1 | GEARCASE COVER | JP | |||
| 10 | 561917-01 | 1 | O RING | JP | |||
| 11 | 561914-00 | 3 | SCREW | JP | |||
| 12 | 562231-00 | 1 | INNER FLANGE | JP | |||
| 13 | 562232-00 | 1 | OUTER FLANGE | JP | |||
| 14 | 562233-00 | 1 | SCREW | JP | |||
| 15 | 562215-00 | 1 | BAFFLE | JP | |||
| 16 | 562225-00 | 1 | BUTTON | JP | |||
| 17 | 562097-03 | 4 | SCREW | JP | |||
| 18 | 562221-00 | 1 | HANDLE COVER | JP | |||
| 19 | 561913-00 | 2 | LEAD | JP | |||
| 20 | 330005-01 | 1 | CORD PROTECTOR | JP | |||
| 21 | 562097-00 | 2 | SCREW | JP | |||
| 22 | 930103-00 | 1 | CORD CLAMP | JP | |||
| 23 | 646568-00 | 1 | SWITCH | JP | |||
| 24 | 562224-00 | 1 | BOOT | JP | |||
| 25 | 562245-00 | 1 | FIELDCASE | JP | |||
| 26 | 562227-00 | 2 | BRUSH HOLDER | JP | |||
| 27 | 562218-00 | 2 | BRUSH FRAME | JP | |||
| 28 | 562217-00 | 2 | BRUSH 115V | 110-115 V | BK88 | JP | |
| 29 | 562219-00 | 2 | BRUSH CAP | JP | |||
| 30 | 561928-00 | 2 | PIN | JP | |||
| 31 | 562222-00 | 1 | END CAP | JP | |||
| 32 | 562097-05 | 2 | SCREW | JP | |||
| 34 | 561920-00 | 1 | PIN | JP | |||
| 35 | 562210-00 | 1 | SPRING | JP | |||
| 36 | 561918-00 | 1 | LEVER | JP | |||
| 37 | 562235-00 | 1 | BOLT | JP | |||
| 38 | 561916-00 | 1 | WASHER | JP | |||
| 39 | 562234-00 | 1 | SHOE | JP | |||
| 46 | 562239-00 | 1 | ACCESSORY KIT | JP | |||
| 47 | 562238-00 | 1 | HEX KEY | JP | |||
| 48 | 562237-00 | 1 | SPANNER | JP | |||
| 49 | 569723-00 | 1 | DEFLECTOR | JP | |||
| 50 | 949721-05 | 1 | SLEEVE | JP | |||
| 51 | 562230-00 | 1 | IDENTITY LABEL | JP | |||
| 52 | 561922-00 | 1 | LABEL | JP | |||
| 53 | 569037-00 | 1 | RATING PLATE | JP | |||
| 54 | 562254-00 | 1 | ROLL PIN | JP | |||
| 55 | 930030-01 | 1 | CAPACITOR | JP | |||
| 56 | 569560-00 | 1 | END CAP SA | JP | |||
| 57 | 569561-00 | 1 | HANDLE COVER | JP | |||
| 58 | 569518-00 | 1 | BRUSH HOLDER | JP |