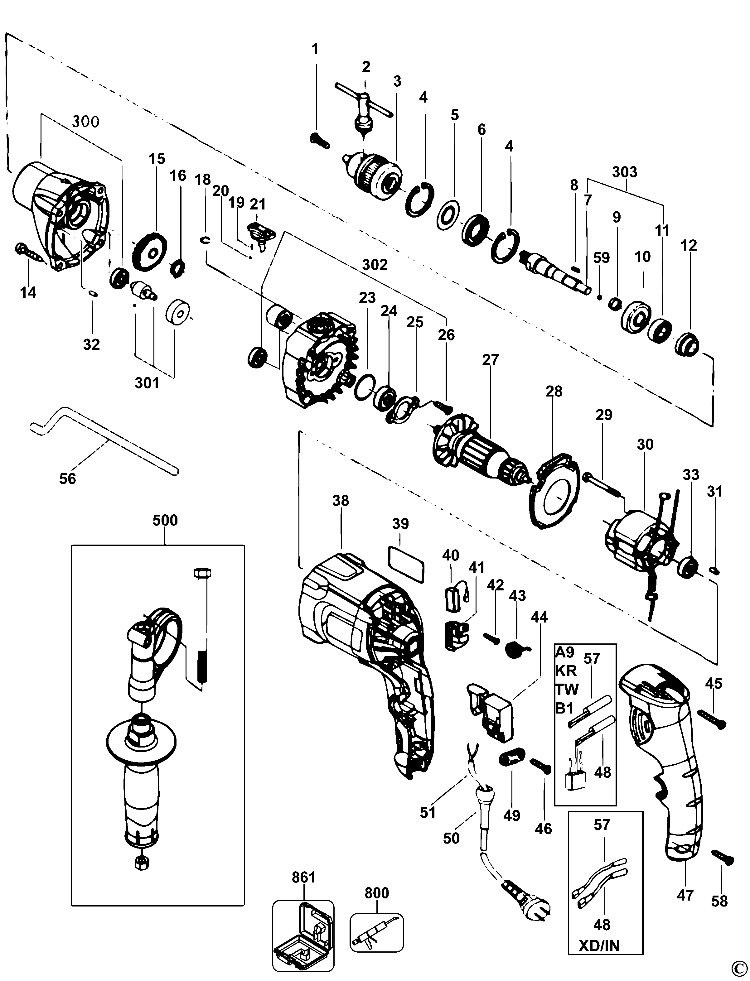
STDH7213K HAMMER DRILL Type 1 | Drawings
Documents
| Item No. | Product Number | Qty Per | Product Description | General Description | Other Info | Markets | Product Status |
|---|---|---|---|---|---|---|---|
| 1 | 49204020 | 1 | SCREW | KR | |||
| 2 | 4100409602 | 1 | CHUCK KEY | KR | |||
| 3 | 4020409002 | 1 | CHUCK | KR | |||
| 4 | 49207020 | 2 | CIRCLIP | KR | |||
| 5 | 4240404001 | 1 | WASHER | KR | |||
| 6 | 4020401605 | 1 | FELT SEAL | KR | |||
| 7 | N908280 | 1 | OUTPUT SHAFT | KR | |||
| 8 | 49208013 | 1 | KEY | KR | |||
| 9 | 4020508001 | 1 | SPRING | KR | |||
| 10 | 49106214 | 1 | BEARING | KR | |||
| 11 | 4020404602 | 1 | IMPACTOR | KR | |||
| 12 | 4020404603 | 1 | IMPACTOR | KR | |||
| 14 | 49206055 | 1 | SCREW | self-tapping screw | KR | ||
| 15 | 4020410601 | 1 | GEAR | KR | |||
| 16 | 49207026 | 1 | CIRCLIP | KR | |||
| 18 | 49207004 | 1 | WASHER | KR | |||
| 19 | 4020608001 | 2 | SPRING | KR | |||
| 20 | 4020604006 | 2 | BALL | KR | |||
| 21 | 4020401607 | 1 | KNOB | KR | |||
| 23 | 4030203005 | 1 | O RING | KR | |||
| 24 | 49111010 | 1 | BEARING | KR | |||
| 25 | 4020404612 | 1 | BEARING PLATE | KR | |||
| 26 | 49204021 | 2 | SCREW | KR | |||
| 27 | 50302013 | 1 | ARMATURE | KR | |||
| 28 | 4020401602 | 1 | BAFFLE FAN | KR | |||
| 29 | 49206026 | 2 | SCREW | PAN HEAD SCREW | KR | ||
| 30 | 60302008 | 1 | FIELD SA | KR | |||
| 31 | 4240203002 | 1 | COLUMN | KR | |||
| 32 | 4220204033 | 1 | ROLL PIN | KR | |||
| 33 | 49111013 | 1 | BEARING | KR | |||
| 38 | 4020401608 | 1 | HOUSING MOTOR | KR | |||
| 39 | 4020421615 | 1 | RATING LABEL | KR | |||
| 40 | 4030106003 | 1 | BRUSH PAIR | KR | |||
| 41 | 4030107001 | 1 | BRUSH HOLDER | KR | |||
| 42 | 49206001 | 4 | SCREW | KR | |||
| 43 | 4030108002 | 1 | SPRING BRUSH | KR | |||
| 44 | 4100405601 | 1 | SWITCH SA | KR | |||
| 45 | 49206024 | 1 | SCREW | self-tapping screw | KR | ||
| 46 | 49206018 | 2 | SCREW | SELF-TAPPING 4*15 | KR | ||
| 47 | 4020401604 | 1 | HANDLE COVER | KR | |||
| 48 | 4020404606 | 1 | ELECTRONIC SA | KR | |||
| 49 | 4100301008 | 1 | CORD CLAMP | KR | |||
| 50 | 49303601 | 1 | CORD PROTECTOR | KR | |||
| 51 | Z49306011 | 1 | CORDSET | KR | |||
| 56 | 4020504004 | 1 | DEPTH ROD | KR | |||
| 57 | 4020404607 | 1 | INDUCTOR | KR | |||
| 58 | 49206021 | 2 | SCREW | TAPPING SCREW | KR | ||
| 59 | 4020104006 | 1 | BALL | KR | |||
| 300 | 4020450001 | 1 | GEARCASE SA | KR | |||
| 301 | 4020450002 | 1 | GEAR & SPINDLE SA | KR | |||
| 302 | 4020450003 | 1 | PLATE SA | KR | |||
| 303 | 4020450004 | 1 | SPINDLE SA | KR | |||
| 500 | 4020531001 | 1 | SIDE HANDLE | KR | |||
| 800 | 286436-00 | 1 | GREASE | NYE RHEOLUBE 380, 500 GRAM JAR | KR | ||
| 861 | 4020412601 | 1 | KITBOX | KR |