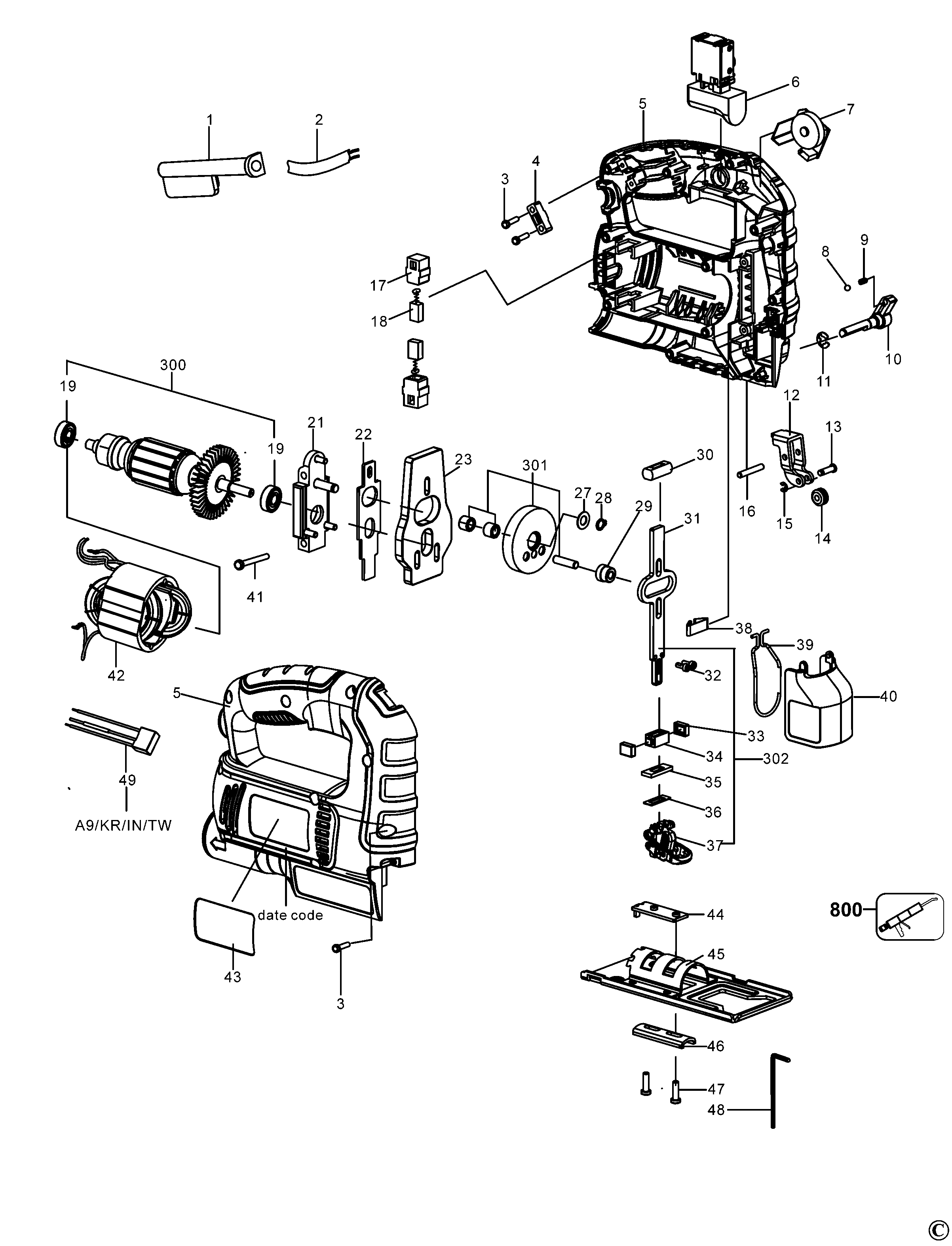
SJ60 JIGSAW Type 1 | Drawings
Documents
| Item No. | Product Number | Qty Per | Product Description | General Description | Other Info | Markets | Product Status |
|---|---|---|---|---|---|---|---|
| 1 | N547083 | 1 | CORD PROTECTOR | KR | |||
| 2 | N579611 | 1 | CORDSET | KR | |||
| 3 | N468889 | 13 | SCREW | KR | |||
| 4 | 4100301008 | 1 | CORD CLAMP | KR | |||
| 5 | N543785 | 1 | HOUSING SA | KR | |||
| 6 | N543768 | 1 | SWITCH | KR | |||
| 7 | N543770 | 1 | SPEED REGULATOR | KR | |||
| 8 | N547089 | 1 | BALL | KR | |||
| 9 | N547090 | 1 | SPRING | KR | |||
| 10 | N543776 | 1 | LOCK KNOB | KR | |||
| 11 | 90544008 | 1 | RETAINER | KR | |||
| 12 | N544918 | 1 | SUPPORT | KR | |||
| 13 | N547070 | 1 | PIN | KR | |||
| 14 | N547069 | 1 | ROLLER | ` | KR | ||
| 15 | N547073 | 1 | RING | KR | |||
| 16 | N543596 | 1 | PIN | KR | |||
| 17 | N547067 | 1 | BRUSH HOLDER | KR | |||
| 18 | N568940 | 1 | BRUSH | KR | |||
| 19 | 49111013 | 2 | BEARING | KR | |||
| 21 | N543557 | 1 | PLATE | KR | |||
| 22 | N543790 | 1 | SHAFT | KR | |||
| 23 | N543564 | 1 | COUNTER BALANCE | KR | |||
| 27 | N543575 | 1 | WASHER | KR | |||
| 28 | N547068 | 1 | RING | KR | |||
| 29 | N543584 | 1 | DRIVE ROLLER | KR | |||
| 30 | 810893 | 1 | BEARING | KR | |||
| 31 | 479190-00 | 1 | SHAFT | KR | |||
| 32 | N552203 | 2 | SCREW | KR | |||
| 33 | N543592 | 2 | CARRIER | KR | |||
| 34 | N544379 | 1 | BEARING | KR | |||
| 35 | N595828 | 1 | FELT SEAL | KR | |||
| 36 | 582948-00 | 1 | PLATE | KR | |||
| 37 | 90563039 | 1 | BLADE CLAMP | KR | |||
| 38 | N544380 | 1 | WASHER | KR | |||
| 39 | N596771 | 1 | COVER | KR | |||
| 40 | N543780 | 1 | DUST GUARD | KR | |||
| 41 | N547082 | 1 | SCREW | KR | |||
| 42 | N579962 | 1 | FIELD SA | KR | |||
| 43 | N569748 | 1 | RATING LABEL | KR | |||
| 44 | N546817 | 1 | PLATE LOCK | KR | |||
| 45 | N546815 | 1 | BASE PLATE | KR | |||
| 46 | N546816 | 1 | REST PLATE | KR | |||
| 47 | N547074 | 2 | SCREW | KR | |||
| 48 | N548193 | 1 | WRENCH PIN | KR | |||
| 49 | N579960 | 1 | CAPACITOR | KR | |||
| 300 | N588354 | 1 | ARMATURE SA | KR | |||
| 301 | N579299 | 1 | GEAR SA | KR | |||
| 302 | N588356 | 1 | SHAFT SA | KR | |||
| 800 | 901186 | 1 | GREASE | Liyuan NO.2 - 1kg; liyuan NO.2 1kg | KR |